Vous pouvez facilement combiner des modules Yoctopuce pour fabriquer un système complexe, comme avec des briques Lego. Mais pour que le résultat soit robuste, pratique et professionnel, les interconnections par câbles micro-USB ne sont souvent pas adéquates. Une alternative au câbles USB consiste à utiliser des petits fils et des connecteurs au pas 1.27mm, moins encombrants, qui peuvent être soudés sur tous nos modules. Aujourd'hui nous vous proposons une seconde alternative, qui offre en prime une solution à la question de la fixation du système dans un boîtier dédié.
Cette solution consiste à fabriquer vous-même un PCB faisant office à la fois de plaque de fixation pour les modules et de fil électrique pour les interconnecter. En effet, il n'est pas nécessaire de maîtriser l'électronique pour concevoir un PCB très simple de ce type, qui peut facilement être commandé "à la pièce". Il suffit d'un logiciel ad-hoc, et de disposer des modèles correspondant aux modules Yoctopuce à intégrer. C'est exactement ce que nous vous proposons aujourd'hui.

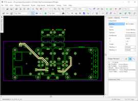
Un assemblage de modules Yoctopuce fait à l'aide d'un PCB dédié
Logiciels de conception de PCB
Il existe de nombreux logiciels permettant de concevoir des PCB en partant d'un schéma de connections. Entre les produits amateurs très limités, et les produits professionnels dont le prix exorbitant n'est pas justifié par cette seule application, nous avons sélectionné DipTrace pour ses avantages:
- Il dispose de toutes les fonctions essentielles pour la conception de PCB.
- Il dispose d'une fonction de visualisation 3D du produit fini.
- Il intègre une fonction pour commander des PCB en ligne en "un clic".
- Sa license est gratuite pour usage non-commercial, et reste très abordable pour les professionnels.
- Il est disponible pour Windows, Mac OS X et Linux.
L'interface utilisateur de DipTrace
Pour qu'un logiciel soit une réelle aide à la conception, il faut disposer de la bibliothèque de composants correspondant à votre projet. C'est cette librairie qui donne les dimensions de chaque composants et la position exacte des contacts, pour permettre de créer facilement un PCB dans lequel les composants peuvent se connecter. DipTrace inclut une grande panoplie de composants standards tels que borniers, connecteurs. Nous venons de créer une librairie complémentaire contenant les empreintes des modules Yoctopuce disponibles à ce jour. Cette librairie sera dorénavant complétée avec les nouveaux modules Yoctopuce disponibles.
Nous allons donc vous présenter comment utiliser DipTrace pour créer un circuit imprimé dédié à assembler vos modules Yoctopuce.
Note: toutes les opérations décrites ci-dessous sont illustrées de A à Z dans la vidéo en fin d'article. Si vous préférez voir ces opérations effectuées sous vos yeux plutôt que de lire des explications, vous pouvez y sauter directement.
Installation de la librairie Yoctopuce pour DipTrace
Commencez par installer DipTrace si ce n'est pas encore fait, puis téléchargez la librairie Yoctopuce depuis notre site web. La librairie est un simple fichier zip que vous pouvez poser extraire dans le répertoire de votre choix, mais qui devra y rester.
Lancez DipTrace, et choisissez l'outil "PCB Layout", car c'est là que la librairie doit être installée.
- Dans le menu Library, choisissez Library Setup.
- Cliquez sur User Components pour ajouter la librairie Yoctopuce dans ce groupe, et cliquez sur Add Library.
- Retrouvez l'endroit où vous avez extrait la librairie Yoctopuce, et choisissez le fichier avec l'extension .emi
- Cliquez sur User Patterns pour ajouter la librairie d'empreintes Yoctopuce dans ce groupe, et cliquez sur Add Library.
- Retrouvez l'endroit où vous avez extrait la librairie Yoctopuce, et choisissez le fichier avec l'extension .lib
- Cliquez sur OK pour fermer cette fenêtre
- Dans le menu Tools, sous 3D Preview choisissez Patterns and Models search....
- Cliquez sur Add pour ajouter les modèles 3D de la librairie Yoctopuce
- Retrouvez l'endroit où vous avez extrait la librairie Yoctopuce, et choisissez le répertoire models3d
- Cliquez sur OK pour fermer cette fenêtre
Et voilà, c'est fait. Maintenant, si vous cliquez en haut de la barre de composants, à gauche de l'écran, vous pouvez choisir la catégorie User Components et vous y trouverez tous les composants Yoctopuce. Vous pouvez refermer donc l'outil "PCB Layout", la librairie Yoctopuce est installée.
Création d'un circuit imprimé avec DipTrace
Pour fabriquer un circuit imprimé, il faut commencer par faire son schéma. Ouvrez donc l'outil "Schematic Capture".
En cliquant en haut de la barre de composants située à gauche de l'écran, vous pouvez choisir la catégorie User Components et vous y trouverez les modules Yoctopuce. Cliquez sur le module que vous désirez utiliser, tournez-le si nécessaire avec la barre d'espace et placez-le sur votre feuille avec un click. Pressez ESC pour changer de composant et répéter l'opération avec un autre module Yoctopuce.
Une fois les modules placés, il faut les connecter. Utilisez l'outil Place wire pour créer des connections logiques entre deux modules. Pour connecter un module sur un hub, il vous faudra donc placer ainsi 4 fils. Vous pouvez poser des points intermédiaire pour guider le passage de vos connections en cliquant. Vous pourrez aussi facilement remettre de l'ordre dans vos fils après coup, ne vous faites donc pas de soucis si les fils ne sont pas immédiatement "jolis". Quoi qu'il en soit, il ne s'agit de tout manière à ce stade que de connections logiques, pas encore du dessin des pistes. Les fils du schéma peuvent se croiser, cela ne pose pas de problème.

Définissez les connections logiques entre les modules dans le schéma
Une fois que le schéma est terminé, sauvez votre travail, puis dans le menu File, trouvez la fonction Convert to PCB. Elle lance automatiquement l'éditeur de PCB, avec les modules que vous avez choisi de mettre dans votre schéma. Une fenêtre intermédiaire vous propose d'appliquer des règles, vous pouvez l'ignorer pour l'instant et continuer.

Les modules choisis arrivent en vrac sur le PCB, il reste à y mettre un peu d'ordre...
Cette fois, vous avez devant les yeux la véritable forme des modules Yoctopuce. Des lignes bleu clair marquent les connections que vous avez choisi d'établir d'après le schéma. Vous pouvez donc arranger vos modules selon l'emplacement désiré des connecteurs, mais aussi en pensant à garder aussi simples que possibles le dessin des pistes que vous allez devoir faire là où se trouvent les lignes bleues.
Il faut maintenant faire le routage, c'est-à-dire dessiner les pistes électriques qui relient les contacts. Vous pouvez essayer d'utiliser l'outil de routage automatique fourni dans DipTrace si vous le voulez. Nous préférons faire notre routage manuellement, car le routage automatique a tendance à séparer les signaux que nous aimerions garder ensemble, comme les lignes d'alimentation ou les bus USB. Donc nous prenons l'outil Route manual, et en partant d'un pad à connecter, nous posons les points intermédiaires jusqu'au pad de destination indiqué par la ligne bleue. Il est plus sûr de toujours garder groupées les pistes d'un même bus.
Un PCB simple a deux faces: celle du dessus et celle du dessous. Vous pouvez donc router certaines pistes par dessus, et d'autres par dessous. Pour changer la face sur laquelle vous travaillez, pensez bien à changer les deux combo menus dans la barre d'outil. Il est même possible si nécessaire de mettre des vias pour changer de face au milieu d'une piste, mais pour ce genre de circuit très simple, vous n'en aurez probablement pas besoin.
Réfléchissez à deux fois avant de passer dans les cercles entourant les trous de fixation: selon la face de fixation, il pourrait y avoir une tête de vis qui pourrait gratter le vernis et créer un court-circuit. A priori les têtes de vis seront sur la face inférieure, dite bottom.

Dessinez les pistes reliant les contacts entre les modules
Pour les pistes devant transporter un courant plus important (typiquement les alimentations), il est recommandé d'utiliser une piste plus large. Pour cela, une fois la piste tracée, vous pouvez faire un click droit, puis choisir Net properties, choisir une épaisseur de 1mm par exemple et choisir Apply to: Selected Net. Vous pouvez aussi changer la taille de la piste au moment où vous la tracez, avec la touche W.
Une fois votre circuit entièrement routé, vous pouvez utiliser les fonctions du menu Verification pour vérifier que vous n'avez pas commis d'erreur. N'oubliez pas non plus de sauver votre PCB de temps à autre.
A ce stade, vous n'avez pas encore défini la position des bords du PCB. Cela se fait à l'aide de l'outil Place board outline. Il est recommandé d'utiliser une grille relativement large, par exemple 1mm, pour dessiner les bords du PCB. Cliquez sur tous les coins de votre PCB, finissez par un double-click sur le premier point, et pressez ESC. Vous pouvez bouger les points après-coup ci nécessaire. Notez que si vous comptez mettre votre PCB dans un boîtier, il peut être judicieux de commencer par cette étape avant de positionner les modules, pour être sur de n'avoir pas de mauvaise surprise à la fin...
Une fois cette dernière étape complétée, il ne vous reste plus qu'à admirer votre chef-d'oeuvre et à faire une dernière inspection visuelle. Dans le menu Tools, choisissez 3D Preview, 3D Visualization. DipTrace devrait vous confirmer qu'il a trouvé les modèles 3D des composants Yoctopuce, et ensuite vous pourrez faire examiner votre système dans tous les sens. En glissant avec le bouton gauche vous faites tourner le circuit, avec la roulette vous pouvez zoomer et en glissant avec le bouton droit vous pouvez le déplacer.

La visualisation 3D permet de se rendre compte de la disposition des modules sur le produit fini
Si tout vous semble en ordre, il ne reste plus qu'à commander les circuits imprimés. Avec DipTrace, cela peut être fait en quelques clics seulement: dans le menu File, choisissez Order PCB. Vous obtiendrez immédiatement une estimation de prix, qui dépend du nombre de pièces choisies et de délai de production désiré. En dessous de 5 jours, attendez-vous à un prix qui monte en flèche... Remplissez vos informations, cliquez sur Place Order. Vous recevrez ensuite un premier e-mail accusant réception de votre commande, puis une fois les frais de ports calculés, un deuxième e-mail vous invitant à payer la facture par PayPal.
Voilà, il n'y a plus qu'à attendre que vos circuits arrivent par la poste. Ne soyez pas trop impatients, la poste et surtout les douaniers ajouteront certainement une petite semaine au temps de production proprement dit...

Les PCB reçus par la poste
Assemblage
Pour assembler les modules au PCB, il vous faudra deux accessoires, disponibles sur le shop de Yoctopuce:
- Le fix-2-5mm, qui contient 5 entretoises filetées et 10 vis 2.5mm correspondantes
- Le Board2Board-127, qui contient 4 paires mâle/femelle de connecteurs board-to-board au pas 1.27mm
A priori, vous aurez besoin de 1 sachet de fix-2-5mm par module ou hub à fixer, et de 1/2 sachet de Board2Board-127 par module à connecter. En effet, pour chaque module, il vous faudra une paire de connecteurs du côté du module et une paire du côté du hub.

Assemblage des modules sur le PCB
Commencez par fixer les entretoises filetée sur le PCB. Puis branchez les connecteurs board-to-board en paire, et introduisez-les entre le PCB et chaque module. Le plus simple est en général de l'insérer d'abord dans le module, puis d'approcher le module verticalement contre le PCB. Vissez le module aux entretoises, et votre connecteur board-to-board est pris en sandwich et ne bougera plus. Il ne reste plus qu'à le souder.

Soudure des contacts board-to-board au pas 1.27mm
Ces connecteurs sont relativement faciles à souder puisqu'ils restent bien en place. Munissez-vous simplement d'un bon fer à souder doté d'une panne fine, de flux -c'est indispensable!- et si nécessaire relisez notre tutorial sur la soudure de connecteurs. Prenez garde à ne pas faire de pont, et si il y en a, de les enlever comme indiqué dans le tutorial.
Et voilà, vous avez maintenant fabriqué votre propre produit à base de module Yoctopuce, à l'aide d'un PCB sur mesure que vous avez pu tailler au plus proche de vos besoins. Les composants sont vissés, les contacts sont dorés, pas un fil ne dépasse: c'est un assemblage prévu pour durer.
Tutorial video
Pour ceux qui préfèrent dix minutes de vidéo à mille mots, voici les instructions pas-à-pas, en images:
