The Yocto-Color-V2-C is a 60x20mm electronic module which allows you to drive RGB leds independently. You can drive these average power leds by using either the RGB or the HSL color system. As the module contains a processor, it can perform an automatic transition between two colors, it can even perform a sequence of preprogrammed transitions autonomously. This module is suitable for strong signposting or for small mood lighting.
The module is composed of three divisible parts: the command module itself, and each of the two leds. This allows you to move the leds to relatively cramped locations. Although the Yocto-Color-V2-C is delivered with only two leds, it drive up to 150 LEDs simultaneously. It is compatible with RGB LEDs type WS2812B, WS2812C, SK6812, WS2811, and RGBW LEDs SK6812RGBW, which makes the module compatible with numerous devices based on these LEDs1.
You can use the Yocto-Color-V2-C as a direct replacement from its predecessor, the Yocto-Color, as its programming interface and its hardware characteristics are 100% compatible.

The Yocto-Color-V2-C module
The Yocto-Color-V2-C is not in itself a complete product. It is a component intended to be integrated into a solution used in laboratory equipments, or in industrial process-control equipments, or for similar applications in domestic and commercial environments. In order to use it, you must at least install it in a protective enclosure and connect it to a host computer.
Yoctopuce thanks you for buying this Yocto-Color-V2-C and sincerely hopes that you will be satisfied with it. The Yoctopuce engineers have put a large amount of effort to ensure that your Yocto-Color-V2-C is easy to install anywhere and easy to drive from a maximum of programming languages. If you are nevertheless disappointed with this module, or if you need additional information, do not hesitate to contact Yoctopuce support:
| E-mail address: | support@yoctopuce.com |
| Web site: | www.yoctopuce.com |
| Postal address: | Route de Cartigny 33 |
| ZIP code, city: | 1236 Cartigny |
| Country: | Switzerland |
The Yocto-Color-V2-C is designed to meet the requirements of IEC 61010-1:2010 safety standard. It does not create any serious hazards to the operator and surrounding area, even in single fault condition, as long as it is integrated and used according to the instructions contained in this documentation, and in this section in particular.
The Yocto-Color-V2-C should not be used without a protective enclosure, because of the accessible bare electronic components. For optimal safety, it should be put into a non-metallic, non-inflammable enclosure, resistant to a mechanical stress level of 5 J. For instance, use a polycarbonate (e.g. LEXAN) enclosure rated IK08 with a IEC 60695-11-10 flammability rating of V-1 or better. Using a lower quality enclosure may require specific warnings for the operator and/or compromise conformity with the safety standard.
If a damage is observed on the electronic board or on the enclosure, it should be replaced in order to ensure continued safety of the equipment, and to prevent damaging other parts of the system due to overload that a short circuit could cause.
In order to ease the maintenance and the identification of risks during maintenance, you should stick the water-resistant identification label provided together with the electronic board as close as possible to the device. If the device is put in a dedicated enclosure, the identification label should be affixed on the outside of the enclosure. This label is resistant to humidity and to the usual rubbing that can occur during normal maintenance.

Identification label is integrated in the package label.
The safety standard applied is intended to cover laboratory equipment, industrial process-control equipment and similar applications in residential or commercial environment. If you intend to use the Yocto-Color-V2-C for another kind of application, you should check the safety regulations according to the standard applicable to your application.
In particular, the Yocto-Color-V2-C is not certified for use in medical environments or for life-support applications.
The Yocto-Color-V2-C is not certified for use in hazardous locations, explosive environments, or life-threatening applications. Environmental ratings are provided below.
Yoctopuce devices have been designed for indoor use in a standard office or laboratory environment (IEC 60664 pollution degree 2): air pollution is expected to be limited and mainly non-conductive. Relative humidity is expected to be between 10% and 90% RH, non condensing. Use in environments with significant solid pollution or conductive pollution requires a protection from such pollution using an IP67 or IP68 enclosure. Yoctopuce's products are designed for use up to altitude 2000m.
All Yoctopuce devices are warranted to perform according to their documentation and technical specifications under normal temperature conditions according to IEC61010-1, i.e. 5°C to 40°C. In addition, most devices can also be used on an extended temperature range, where some limitations may apply from case to case.
The extended operating temperature range for the Yocto-Color-V2-C is -25...80°C. This temperature range has been determined based on components manufacturer recommendations, and on controlled environment tests performed during a limited duration (1h). If you plan to use the Yocto-Color-V2-C in harsh environments for a long period of time, we strongly advise you to run extensive tests before going to production.

| 1: | USB-C socket | 6: | RGB led 1 |
| 2: | Yocto-button | 7: | RGB led 1 output |
| 3: | Yocto-led | 8: | RGB led 2 input |
| 4: | RGB digital output | 9: | RGB led 2 |
| 5: | RGB led 1 input | 10: | RGB led 2 output |
All Yocto-modules share a number of common functionalities.
The Yocto-Color-V2-C features an USB Type-C socket and uses USB 1.1 protocol which makes it compatible with any USB host port. Alternatively USB wires or a 1.27mm connector can be soldered on the footprint right behind the USB socket.
If, when you plug your Yocto-Color-V2-C into a USB-C cable, your module lights up but is not detected by your computer, check that the USB-C plug is fully inserted and that you're using a regular USB cable, not a charging cable with no data lines.
If you plan to use a power source other then a standard USB host port to power the device through the USB connector, that power source must respect the assigned values of USB 2.0 specifications:
A higher voltage is likely to destroy the device. The behaviour with a lower voltage is not specified, but it can result firmware corruption.
The Yocto-button has two functionalities. First, it can activate the Yocto-beacon mode (see below under Yocto-led). Second, if you plug in a Yocto-module while keeping this button pressed, you can then reprogram its firmware with a new version. Note that there is a simpler UI-based method to update the firmware, but this one works even in case of severely damaged firmware.
Normally, the Yocto-led is used to indicate that the module is working smoothly. The Yocto-led then emits a low blue light which varies slowly, mimicking breathing. The Yocto-led stops breathing when the module is not communicating any more, as for instance when powered by a USB hub which is disconnected from any active computer.
When you press the Yocto-button, the Yocto-led switches to Yocto-beacon mode. It starts flashing faster with a stronger light, in order to facilitate the localization of a module when you have several identical ones. It is indeed possible to trigger off the Yocto-beacon by software, as it is possible to detect by software that a Yocto-beacon is on.
The Yocto-led has a third functionality, which is less pleasant: when the internal software which controls the module encounters a fatal error, the Yocto-led starts emitting an SOS in morse 2. If this happens, unplug and re-plug the module. If it happens again, check that the module contains the latest version of the firmware, and, if it is the case, contact Yoctopuce support3.
Each Yocto-module is able to measure its own current consumption on the USB bus. Current supply on a USB bus being quite critical, this functionality can be of great help. You can only view the current consumption of a module by software.
Each Yocto-module has a unique serial number assigned to it at the factory. For Yocto-Color-V2-C modules, this number starts with RGBLED2C. The module can be software driven using this serial number. The serial number cannot be modified.
The logical name is similar to the serial number: it is a supposedly unique character string which allows you to reference your module by software. However, in the opposite of the serial number, the logical name can be modified at will. The benefit is to enable you to build several copies of the same project without needing to modify the driving software. You only need to program the same logical name in each copy. Warning: the behavior of a project becomes unpredictable when it contains several modules with the same logical name and when the driving software tries to access one of these modules through its logical name. When leaving the factory, modules do not have an assigned logical name. It is yours to define.
These two leds have the particularity of being able to emit three colors simultaneously: red, green, and blue. They are in fact three distinct leds housed in the same case. By modulating with high precision the power of each of these three leds, it is possible to create almost any color, including white. The RGB leds used in the Yocto-Color-V2-C are so-called "smart" leds which can be stringed. These leds are designed to receive as input a digital command signal that they can interpret and then re-direct on their output towards the following leds in the string. This technology makes it possible to string a large number of these leds with only three wires: ground, 5V, and signal. For more details, see the diagrams in chapter 4, Assembly and connections.
The accessories below are not necessary to use the Yocto-Color-V2-C module but might be useful depending on your project. These are mostly common products that you can buy from your favorite DIY store. To save you the tedious job of looking for them, most of them are also available on the Yoctopuce shop.
In order to mount the Yocto-Color-V2-C module, you can put small screws in the 2.5mm assembly holes, with a screw head no larger than 4.5mm. The best way is to use threaded spacers, which you can then mount wherever you want. You can find more details on this topic in the chapter about assembly and connections.
If you intend to put several Yoctopuce modules in a very small space, you can connect them directly to a micro-USB hub. Yoctopuce builds a multi-TT USB hub particularly small for this purpose (down to 20mmx36mm), on which you can directly solder a USB cable instead of using a USB plug. For more details, see the micro-USB hub information sheet.
You can add network connectivity to your Yocto-Color-V2-C, thanks to the YoctoHub-Ethernet, the YoctoHub-Wireless and the YoctoHub-GSM which provides respectively Ethernet, WiFi and GSM connectivity. All of them can drive up to three devices and behave exactly like a regular computer running the VirtualHub application4.
In case you wish to connect your Yocto-Color-V2-C to a Micro-hub USB or a YoctoHub without using a bulky USB connector, you can use the four 1.27mm pads just behind the USB connector. There are two options.
You can mount the Yocto-Color-V2-C directly on the hub using screw and spacers, and connect it using 1.27mm board-to-board connectors. To prevent shortcuts, it is best to solder the female connector on the hub and the male connector on the Yocto-Color-V2-C.
You can also use a small 4-wires cable with a 1.27mm connector. 1.25mm works as well, it does not make a difference for 4 pins. This makes it possible to move the device a few inches away. Don't put it too far away if you use that type of cable, because as the cable is not shielded, it may cause undesirable electromagnetic emissions.
Your Yocto-Color-V2-C has been designed to be installed as is in your project. Nevertheless, Yoctopuce sells enclosures specifically designed for Yoctopuce devices. These enclosures have removable mounting brackets and magnets allowing them to stick on ferromagnetic surfaces. More details are available on the Yoctopuce web site5. The suggested enclosure model for your Yocto-Color-V2-C is the YoctoBox-Long-Thin-Black.

You can install your Yocto-Color-V2-C in an optional enclosure
If you want to split the leds from the Yocto-Color-V2-C module, you can rewire the parts by using servo-motor wire and headers (either bent or not), with a 2.54mm pitch.

You can use servo wire to rewire the module
The Yocto-Color-V2-C can drive up to 150 digital RGB LEDs simulteanously, as long as they are of type WS2812B, WS2812C, SK6812, WS2811 (RGB) or WS2812B, WS2812C, SK6812, WS2811 (RGBW). You can find on the market PCBs with these LEDs as strips, matrixes, sticks, or even rings. Yoctopuce does not sell this type of accessories, but you can find them for examples at Adafruit6 under the NEOPIXEL brand.
![]()
The Yocto-Color-V2-C can drive matrixes of leds.
The LED driving circuit is a safety extra low voltage (SELV) circuit. It should not be presented with voltages exceeding 5V, nor connected to mains circuits.
By design, all Yoctopuce modules are driven the same way. Therefore, user's guides for all the modules of the range are very similar. If you have already carefully read through the user's guide of another Yoctopuce module, you can jump directly to the description of the module functions.
In order to use your Yocto-Color-V2-C module, you should have the following items at hand.
Yoctopuce modules are intended to be driven by a computer (or possibly an embedded microprocessor). You will write the control software yourself, according to your needs, using the information provided in this manual.
Yoctopuce provides software libraries to drive its modules for the following operating systems: Windows, Linux, macOS, and Android. Yoctopuce modules do not require the installation of specific drivers, as they use the HID driver7 standardly supplied in all operating systems.
The general rule regarding supported operating system versions is as follows: Yoctopuce development tools are supported for all versions covered by the operating system vendor's support, including the duration of extended support (long term support or LTS). Yoctopuce pays particular attention to long-term support, and whenever possible with reasonable effort, our tools are designed so that they can be used on older systems even several years after the end of the manufacturer's extended support.
Moreover, the programming libraries used to drive our modules being available in source code, you can generally recompile them to run on even older operating systems. To date, our programming library can still be compiled to run on operating systems released in 2008, such as Windows XP SP3 or Linux Debian Squeeze.
The architectures supported by Yoctopuce software libraries are as follows:
Under Linux, communication with our USB modules requires the libusb library, version 1.0 or higher, which is available on all common distributions. Libraries and command-line tools should be easy to recompile on any UNIX variant (Linux, FreeBSD, ...) from the last fifteen years for which libusb-1.0 is available and functional.
Under Android, the ability to connect a USB module depends on whether the tablet or phone supports the USB Host mode.
USB connectors come in several shapes. The "standard" size is the one you probably use to connect your printer. The "mini" size has more or less disappeared. The "micro" size was the smallest when the first Yoctopuce modules were designed. Over the last few years, USB-C connectors have appeared and are about replace all other types. That is why, since 2024 Yoctopuce, is progressively migrating its product line to USB-C8.

The most common USB 2.0 connectors: A, B, Mini B, Micro B and USB-C.
To connect your Yocto-Color-V2-C module to a computer, you need an USB cable of type A-USB-C or type C-USB-C. The price of this cable may vary a lot depending on the source, look for it under the name USB A to USB-C Data cable. Make sure not to buy a simple USB charging cable without data connectivity. The correct type of cable is available on the Yoctopuce shop.

You must plug in your Yocto-Color-V2-C module with a USB 2.0 cable of type A-USB-C
If you insert a USB hub between the computer and the Yocto-Color-V2-C module, make sure to take into account the USB current limits. If you do not, be prepared to face unstable behaviors and unpredictable failures. You can find more details on this topic in the chapter about assembly and connections.
At this point, your Yocto-Color-V2-C should be connected to your computer, which should have recognized it. It is time to make it work.
Go to the Yoctopuce web site and download the VirtualHub software9. It is available for Windows, Linux, and macOS. Normally, VirtualHub serves as an abstraction layer for languages which cannot access the hardware layers of your computer. However, it also offers a succinct interface to configure your modules and to test their basic functions. You access this interface with a simple web browser10. Start VirtualHub in a command line, open your preferred web browser and enter the URL http://127.0.0.1:4444. The list of the Yoctopuce modules connected to your computer is displayed.

Module list as displayed in your web bowser
You can then physically localize each of the displayed modules by clicking on the beacon button. This puts the Yocto-led of the corresponding module in Yocto-beacon mode. It starts flashing, which allows you to easily localize it. The second effect is to display a little blue circle on the screen. You obtain the same behavior when pressing the Yocto-button of the module.
The first item to check is that your module is working well: click on the serial number corresponding to your module. This displays a window summarizing the properties of your Yocto-Color-V2-C.

Properties of the Yocto-Color-V2-C module
This window allows you, among other things, to play with the RGB leds driven by the module. There is a color square for each driven led11. To modify the color of a led, simply click on the corresponding square. A color palette then allows you to select the new color in an RGB or HSL space. Note that the module consumption varies depending on the colors that are displayed.
When, in the module list, you click on the configure button corresponding to your module, the configuration window is displayed.

Yocto-Color-V2-C module configuration
The module firmware can easily be updated with the help of the interface. Firmware destined for Yoctopuce modules are available as .byn files and can be downloaded from the Yoctopuce web site.
To update a firmware, simply click on the upgrade button on the configuration window and follow the instructions. If the update fails for one reason or another, unplug and re-plug the module and start the update process again. This solves the issue in most cases. If the module was unplugged while it was being reprogrammed, it does probably not work anymore and is not listed in the interface. However, it is always possible to reprogram the module correctly by using VirtualHub 12 in command line 13.
The logical name is a name that you choose, which allows you to access your module, in the same way a file name allows you to access its content. A logical name has a maximum length of 19 characters. Authorized characters are A..Z, a..z, 0..9, _, and -. If you assign the same logical name to two modules connected to the same computer and you try to access one of them through this logical name, behavior is undetermined: you have no way of knowing which of the two modules answers.
This parameter allows you to act on the maximal intensity of the leds of the module. This enables you, if necessary, to make it a little more discreet, while limiting its power consumption. Note that this parameter acts on all the signposting leds of the module, including the Yocto-led. If you connect a module and no led turns on, it may mean that its luminosity was set to zero.
Each Yoctopuce module has a serial number and a logical name. In the same way, each function on each Yoctopuce module has a hardware name and a logical name, the latter can be freely chosen by the user. Using logical names for functions provides a greater flexibility when programming modules.
The Yocto-Color-V2-C module offers several types of functions.
There are two instances of the ColorLed function which allow you to drive the first two leds connected to the module. These two instances are mostly used to insure compatibility with the first version of the Yocto-Color. Thus, software designed to work with a Yocto-Color works also without trouble with a Yocto-Color-V2-C.
The ColorLedCluster function, of which there is only one instance, allows you to drive an arbitrary number of RGB leds, including the first two. This function is specially helpful to drive led strips or matrixes.
The ColorLedCluster function can manage up to 150 leds, whether they are connected or not. However, the more leds to be driven, the higher the demand on the module processor. With this parameter set to the maximum, small saccades could appear during automatic transitions. You might therefore not wish to configure the module to drive leds that do not exist.
This module can store a power-on color for each led. Simply click on the color square corresponding to the led that you want to configure to obtain a color palette. You can also use the current color of the leds as power-on color.
A typical application of this function is to configure the leds power-on color from a computer, and then to power them from a simple USB charger. This is an easy way to build a custom lighting solution.
This chapter provides important information regarding the use of the Yocto-Color-V2-C module in real-world situations. Make sure to read it carefully before going too far into your project if you want to avoid pitfalls.
While developing your project, you can simply let the module hang at the end of its cable. Check only that it does not come in contact with any conducting material (such as your tools). When your project is almost at an end, you need to find a way for your modules to stop moving around.

Examples of assembly on supports
The Yocto-Color-V2-C module contains 2.5mm assembly holes. You can use these holes for screws. The screw head diameter must not be larger than 4.5mm or they will damage the module circuits. Make sure that the lower surface of the module is not in contact with the support. We recommend using spacers, but other methods are possible. Nothing prevents you from fixing the module with a glue gun; it will not be good-looking, but it will hold.
If your intend to screw your module directly against a conducting part, for example a metallic frame, insert an isolating layer in between. Otherwise you are bound to induce a short circuit: there are naked pads under your module. Simple insulating tape should be enough.
The Yocto-Color-V2-C module is designed so that you can split it into three parts, allowing you to move away the leds from the command sub-module. You can split the module by simply breaking the circuit. However, you will obtain better results if you use a good pincer, or cutting pliers. When you have split the sub-modules, you can sandpaper the protruding parts without risk.

The Yocto-Color-V2-C module is designed so that you can split it into three parts.

Sub-module wiring when separated.
When the sub-modules are split, you need to rewire them. There are several solutions available. You can connect the sub-modules by soldering simple electric cables: it is the most accessible solution, but it is far from being the most convenient. The three parts of the module all have three holes with a standard 2.54mm pitch. You can solder there a terminal14. You can also use bent headers at the 2.54mm pitch and model making servo-motor wires.

Submodule wiring example with servo wires
You need three wires to connect submodules: signal, 5V, and ground. On the Yocto-Color-V2-C, ground is shown with a square pad.
You do not need to wire the two leds, the module works perfectly if only one of the two leds is connected. Both submodules are interchangeable, but whatever the order in which the modules are connected, led 1 always corresponds to the led directly connected to the main part of the module, led 2 to the following one, and so on.
Be careful, you must always connect the modules serially, that is chained. Each submodule has an input and an output, the output of each submodule must be connected to the input of the following submodule. The length of the wire between two neighboring leds must be under 5 meters.

Pay attention to polarity and to the led direction, each has an input and an output
You can also connect any LED device based on models WS2812B, WS2812C, SK6812, WS2811 (RGB) or WS2812B, WS2812C, SK6812, WS2811 (RGBW) up to a maximum of 150 distinct LEDs.
![]()
The Yocto-Color-V2-C can drive many more than two leds
There is no direct software manner to know how many leds are connected to the controller sub-module. But you can make an educated guess by testing the variations in power consumption of the module: if you order to turn a led on and the power consumption increases, then it means that the corresponding led is present.
Each of the Yocto-Color-V2-C leds can consume up to 45mA when it emits white light at full power. However, a USB module is not supposed to consume more than 500mA. The Yocto-Color-V2-C is itself able to go above this 500mA limit, but it is going to heat up. Therefore, if you intend to use many leds and think that you will go largely above the 500mA, you should use an external power supply, wired as per the illustration below.

Wiring with an external power supply
Each of these "smart" leds contains a small processor and comes with a small SMD condenser, usually soldered close to the led, used to insure a reasonably stable power supply. If a large number of leds are connected at once to a Yocto-Color-V2-C already powered, the brief voltage drop due to the great power demand caused by the numerous condensers connected serially can make the Yocto-Color-V2-C restart. This behavior is normal.
Although USB means Universal Serial BUS, USB devices are not physically organized as a flat bus but as a tree, using point-to-point connections. This has consequences on power distribution: to make it simple, every USB port must supply power to all devices directly or indirectly connected to it. And USB puts some limits.
In theory, a USB port provides 100mA, and may provide up to 500mA if available and requested by the device. In the case of a hub without external power supply, 100mA are available for the hub itself, and the hub should distribute no more than 100mA to each of its ports. This is it, and this is not much. In particular, it means that in theory, it is not possible to connect USB devices through two cascaded hubs without external power supply. In order to cascade hubs, it is necessary to use self-powered USB hubs, that provide a full 500mA to each subport.
In practice, USB would not have been as successful if it was really so picky about power distribution. As it happens, most USB hub manufacturers have been doing savings by not implementing current limitation on ports: they simply connect the computer power supply to every port, and declare themselves as self-powered hub even when they are taking all their power from the USB bus (in order to prevent any power consumption check in the operating system). This looks a bit dirty, but given the fact that computer USB ports are usually well protected by a hardware current limitation around 2000mA, it actually works in every day life, and seldom makes hardware damage.
What you should remember: if you connect Yoctopuce modules through one, or more, USB hub without external power supply, you have no safe-guard and you depend entirely on your computer manufacturer attention to provide as much current as possible on the USB ports, and to detect overloads before they lead to problems or to hardware damages. When modules are not provided enough current, they may work erratically and create unpredictable bugs. If you want to prevent any risk, do not cascade hubs without external power supply, and do not connect peripherals requiring more than 100mA behind a bus-powered hub.
In order to help you controlling and planning overall power consumption for your project, all Yoctopuce modules include a built-in current sensor that indicates (with 5mA precision) the consumption of the module on the USB bus.
Note also that the USB cable itself may also cause power supply issues, in particular when the wires are too thin or when the cable is too long 15. Good cables are usually made using AWG 26 or AWG 28 wires for data lines and AWG 24 wires for power.
Connection methods to integrate the Yocto-Color-V2-C obviously have an impact on the system overall electromagnetic emissions, and therefore also impact the conformity with international standards.
When we perform reference measurements to validate the conformity of our products with IEC CISPR 11, we do not use any enclosure but connect the devices using a shielded USB cable, compliant with USB 2.0 specifications: the cable shield is connected to both connector shells, and the total resistance from shell to shell is under 0.6Ω. The USB cable length is 3m, in order to expose one meter horizontally, one meter vertically and keep the last meter close to the host computer within a ferrite bead.
If you use a non-shielded USB cable, or an improperly shielded cable, your system will work perfectly well but you may not remain in conformity with the emission standard. If you are building a system made of multiple devices connected using 1.27mm pitch connectors, or with a sensor moved away from the device CPU, you can generally recover the conformity by using a metallic enclosure acting as an external shield.
Still on the topic of electromagnetic compatibility, the maximum supported length of the USB cable is 3m. In addition to the voltage drop issue mentionned above, using longer wires would require to run extra tests to assert compatibility with the electromagnetic immunity standards.
The Yoctopuce API was designed to be at the same time simple to use and sufficiently generic for the concepts used to be valid for all the modules in the Yoctopuce range, and this in all the available programming languages. Therefore, when you have understood how to drive your Yocto-Color-V2-C with your favorite programming language, learning to use another module, even with a different language, will most likely take you only a minimum of time.
The Yoctopuce API is object oriented. However, for simplicity's sake, only the basics of object programming were used. Even if you are not familiar with object programming, it is unlikely that this will be a hinderance for using Yoctopuce products. Note that you will never need to allocate or deallocate an object linked to the Yoctopuce API: it is automatically managed.
There is one class per Yoctopuce function type. The name of these classes always starts with a Y followed by the name of the function, for example YTemperature, YRelay, YPressure, and so on. There is also a YModule class, dedicated to managing the modules themselves, and finally there is the static YAPI class, that supervises the global workings of the API and manages low level communications.

Structure of the Yoctopuce API
Each Yoctopuce sensor function has its dedicated class: YTemperature to measure the temperature, YVoltage to measure a voltage, YRelay to drive a relay, etc. However there is a special class that can do more: YSensor.
The YSensor class is the parent class for all Yoctopuce sensors, and can provide access to any sensor, regardless of its type. It includes methods to access all common functions. This makes it easier to create applications that use many different sensors. Moreover, if you create an application based on YSensor, it will work with all Yoctopuce sensors, even those which do no yet exist.
In the Yoctopuce API, priority was put on the ease of access to the module functions by offering the possibility to make abstractions of the modules implementing them. Therefore, it is quite possible to work with a set of functions without ever knowing exactly which module are hosting them at the hardware level. This tremendously simplifies programming projects with a large number of modules.
From the programming stand point, your Yocto-Color-V2-C is viewed as a module hosting a given number of functions. In the API, these functions are objects which can be found independently, in several ways.
Each function can be assigned an arbitrary and persistent logical name: this logical name is stored in the flash memory of the module, even if this module is disconnected. An object corresponding to an Xxx function to which a logical name has been assigned can then be directly found with this logical name and the YXxx.FindXxx method. Note however that a logical name must be unique among all the connected modules.
You can enumerate all the functions of the same type on all the connected modules with the help of the classic enumeration functions FirstXxx and nextXxxx available for each YXxx class.
Each module function has a hardware name, assigned at the factory and which cannot be modified. The functions of a module can also be found directly with this hardware name and the YXxx.FindXxx function of the corresponding class.
The YXxx.FindXxxx and YXxx.FirstXxxx methods do not work exactly the same way. If there is no available module, YXxx.FirstXxxx returns a null value. On the opposite, even if there is no corresponding module, YXxx.FindXxxx returns a valid object, which is not online but which could become so if the corresponding module is later connected.
When the object corresponding to a function is found, its methods are available in a classic way. Note that most of these subfunctions require the module hosting the function to be connected in order to be handled. This is generally not guaranteed, as a USB module can be disconnected after the control software has started. The isOnline method, available in all the classes, is then very helpful.
Even if it is perfectly possible to build a complete project while making a total abstraction of which function is hosted on which module, the modules themselves are also accessible from the API. In fact, they can be handled in a way quite similar to the functions. They are assigned a serial number at the factory which allows you to find the corresponding object with YModule.Find(). You can also assign arbitrary logical names to the modules to make finding them easier. Finally, the YModule class contains the YModule.FirstModule() and nextModule() enumeration methods allowing you to list the connected modules.
From the API standpoint, the modules and their functions are strongly uncorrelated by design. Nevertheless, the API provides the possibility to go from one to the other. Thus, the get_module() method, available for each function class, allows you to find the object corresponding to the module hosting this function. Inversely, the YModule class provides several methods allowing you to enumerate the functions available on a module.
The Yocto-Color-V2-C module provides two instances of ColorLed function, corresponding to the two RGB LEDs of the module. It also features a ColorLedCluster function allowing you to control many more LEDs at the same time.
module : Module
| attribute | type | modifiable ? |
|---|---|---|
| productName | String | read-only |
| serialNumber | String | read-only |
| logicalName | String | modifiable |
| productId | Hexadecimal number | read-only |
| productRelease | Hexadecimal number | read-only |
| firmwareRelease | String | read-only |
| persistentSettings | Enumerated | modifiable |
| luminosity | 0..100% | modifiable |
| beacon | On/Off | modifiable |
| upTime | Time | read-only |
| usbCurrent | Used current (mA) | read-only |
| rebootCountdown | Integer | modifiable |
| userVar | Integer | modifiable |
| attribute | type | modifiable ? |
|---|---|---|
| logicalName | String | modifiable |
| advertisedValue | String | modifiable |
| rgbColor | 24bit integer | modifiable |
| hslColor | 24bit integer | modifiable |
| rgbMove | Aggregate | modifiable |
| hslMove | Aggregate | modifiable |
| rgbColorAtPowerOn | 24bit integer | modifiable |
| blinkSeqSize | Integer | read-only |
| blinkSeqMaxSize | Integer | read-only |
| blinkSeqSignature | Integer | read-only |
| command | String | modifiable |
| attribute | type | modifiable ? |
|---|---|---|
| logicalName | String | modifiable |
| advertisedValue | String | modifiable |
| activeLedCount | Integer | modifiable |
| ledType | Enumerated | modifiable |
| maxLedCount | Integer | read-only |
| dynamicLedCount | Integer | read-only |
| blinkSeqMaxCount | Integer | read-only |
| blinkSeqMaxSize | Integer | read-only |
| command | String | modifiable |
| attribute | type | modifiable ? |
|---|---|---|
| logicalName | String | modifiable |
| advertisedValue | String | modifiable |
| filesCount | Integer | read-only |
| freeSpace | Integer | read-only |
Global parameters control interface for all Yoctopuce devices
The YModule class can be used with all Yoctopuce USB devices. It can be used to control the module global parameters, and to enumerate the functions provided by each module.
Character string containing the commercial name of the module, as set by the factory.
Character string containing the serial number, unique and programmed at the factory. For a Yocto-Color-V2-C module, this serial number always starts with RGBLED2C. You can use the serial number to access a given module by software.
Character string containing the logical name of the module, initially empty. This attribute can be modified at will by the user. Once initialized to an non-empty value, it can be used to access a given module. If two modules with the same logical name are in the same project, there is no way to determine which one answers when one tries accessing by logical name. The logical name is limited to 19 characters among A..Z,a..z,0..9,_, and -.
USB device identifier of the module, preprogrammed to 216 at the factory.
Release number of the module hardware, preprogrammed at the factory. The original hardware release returns value 1, revision B returns value 2, and so on.
Release version of the embedded firmware, changes each time the embedded software is updated.
State of persistent module settings: loaded from flash memory, modified by the user or saved to flash memory.
Lighting strength of the informative leds (e.g. the Yocto-Led) contained in the module. It is an integer value which varies between 0 (LEDs turned off) and 100 (maximum led intensity). The default value is 50. To change the strength of the module LEDs, or to turn them off completely, you only need to change this value.
Activity of the localization beacon of the module.
Time elapsed since the last time the module was powered on.
Current consumed by the module on the USB bus, in milli-amps.
Countdown to use for triggering a reboot of the module.
32bit integer variable available for user storage.
RGB LED control interface, available for instance in the Yocto-Color-V2, the Yocto-MaxiBuzzer or the Yocto-PowerColor
The ColorLed class allows you to drive a color LED. The color can be specified using RGB coordinates as well as HSL coordinates. The module performs all conversions form RGB to HSL automatically. It is then self-evident to turn on a LED with a given hue and to progressively vary its saturation or lightness. If needed, you can find more information on the difference between RGB and HSL in the section following this one.
Character string containing the logical name of the RGB LED, initially empty. This attribute can be modified at will by the user. Once initialized to an non-empty value, it can be used to access the RGB LED directly. If two RGB LEDs with the same logical name are used in the same project, there is no way to determine which one answers when one tries accessing by logical name. The logical name is limited to 19 characters among A..Z,a..z,0..9,_, and -.
Short character string summarizing the current state of the RGB LED, that will be automatically advertised up to the parent hub. For an RGB LED, the advertised value is the RGB color of the LED (6 hexadecimal digits).
Current color of the LED, in the shape of an integer encoded in RGB. To extract red, green, and blue components, your must: for red do a 16 bit shift to the right, for green do a 8 bit shift to the right and keep only the 8 bits on the right, for blue keep only the 8 bits on the right.
Current color of the LED (same as rgbColor), but encoded using the HSL color system.
Allows you to modify the current color of the LED to another one, in a seamless and autonomous manner. The value is an aggregate including the target RGB color as integer, and a duration in milliseconds.
Identical to rgbMove, but uses the HSL color system. In HSL, hue is a circular value (0..360 deg). There are always two paths to perform the transition: by increasing or by decreasing the hue. The module selects the shortest transition. If the difference is exactly 180 deg, the module selects the transition which increases the hue.

In HSL, the module selects the shortest hue transition. In case of a 180 deg difference,
the transition is performed clock-wise.
Color of the LED to be selected when the module is powered on.
Blinking sequence current size
Blinking sequence maximum size
Blinking sequence signature
Magic attribute used to send advanced commands to the device. If a command is not interpreted as expected, check the device logs.
RGB LED cluster control interface, available for instance in the Yocto-Color-V2, the Yocto-MaxiBuzzer or the Yocto-MaxiKnob
The YColorLedCluster class allows you to drive a color LED cluster. Unlike the ColorLed class, the YColorLedCluster class allows to handle several LEDs at once. Color changes can be done using RGB coordinates as well as HSL coordinates. The module performs all conversions form RGB to HSL automatically. It is then self-evident to turn on a LED with a given hue and to progressively vary its saturation or lightness. If needed, you can find more information on the difference between RGB and HSL in the section following this one.
Character string containing the logical name of the RGB LED cluster, initially empty. This attribute can be modified at will by the user. Once initialized to an non-empty value, it can be used to access the RGB LED cluster directly. If two RGB LED clusters with the same logical name are used in the same project, there is no way to determine which one answers when one tries accessing by logical name. The logical name is limited to 19 characters among A..Z,a..z,0..9,_, and -.
Short character string summarizing the current state of the RGB LED cluster, that will be automatically advertised up to the parent hub. For a RGB LED cluster, the advertised value is the checksum of the LED buffer (6 hexadecimal digits).
Number of LEDs currently handled by the device
Type of RGB LED currently handled by the device
Maximum count of LEDs the device can handle
Maximum count of LEDs that can perform autonomous transitions and sequences
Maximum count of recorded sequences
Sequence maximum size
Magic attribute used to send advanced commands to the device. If a command is not interpreted as expected, check the device logs.
There are several manners to define a color. The most common one consists in using its red, green, and blue (RGB) components. You can indeed define each color as a mix of these three primary colors. Unfortunately, this system is relatively hard to manipulate precisely as soon as you must define an unsaturated color. For example, to obtain pink requires some trials and errors before getting the desired result.

The RGB color space, it is often represented in the shape of a cube.
In computer science, the definition of an RGB color is given by a 0..255 triplet in hexadecimal number16. In this manner pure red is defined by 0xFF0000, pure green by 0x00FF00, pure blue by 0x0000FF, black by 0x000000, and white by 0xFFFFFF. This notation is used, for example, in HTML to define colors. The # prefix is then used instead of 0x.
There is another manner, somewhat simpler, to define a color. You decompose a color into hue, saturation, and lightness (HSL). Hue has values from 0° to 360°. It starts from red (0°), passing through yellow (60°), green (120°), cyan (180°), blue (240°), magenta (300°), to finally come back to red (360°). Saturation, with values from 0% to 100%, defines the intensity of a color: the closer to 0%, the more washed out a color appears; the closer to 100%, the brighter a color appears. Lightness, with values from 0% to 100%, defines the clearness of a color. The color gets darker when the value gets closer to 0% and clearer when getting closer to 100%. It is much easier to predict how a color changes when one of the coordinates in the HSL color space is manipulated, than in the RGB color space.

The HSL color space. It is often represented as a double cone shape, with a black
base (L=0%) and a white top tip (L100%). Hue is mapped on the circumference,
Saturation on the radius.
In computer science, one tends to normalize the HSL coordinates over 0..255 and a hexadecimal triplet is used. Thus, 00FF80 is pure red, F0FF80 is pure blue. Note that is this system, several triplets can represent the same color: all triplets ending in 00 are black, all triplets ending in FF are white. A triplet with a saturation of 0 represents grey, whatever the hue value.
The Yocto-Color-V2-C can play animations autonomously, that is without a computer. These animations are based on a sequence concept. A sequence is a series of pseudo-instructions managed by the colorLedCluster class which can manage up to eight such sequences in parallel. Each led can only be assigned to one sequence at any given time.
A sequence is defined essentially as a series of color changes performed in a loop. Thus, the code below re-initializes the sequence #0 and adds two transitions: one towards red, and one towards blue. Each one lasts a second.
Thus, all the leds assigned to this sequence are going to seesaw between red and blue with a total period of two seconds. The following lines assign the first two leds to sequence #0 and starts the sequence.
The illustration below shows how the two leds evolve over time

Running an automatic red-blue sequence with a 2 second period
You can introduce an offset when linking leds to a sequence. The leds then still run the same sequence, but with an offset. The code below assigns led 0 to sequence #0 with a 0ms offset, then assigns led #1, still to sequence #0, but with a 1000ms offset.
Instead of changing color at the same time, the leds change color alternatively, as the offset was defined as half a period.

Running the preceding sequence wit a 1 second offset between the two leds
Offsets when running a sequence allow you to make very spectacular chase effects. Let us imagine that we have 5 leds connected serially to the Yocto-Color-V2-C, the following code creates a sequence that sets a led to blue for 200ms and then switches it off for 800ms.
Note that to instantaneously go from one color to another, you can simply use move with a zero duration. Running the sequence creates a blue light going from one led to the other every 200ms.

You can create a chase effect in a few lines
You can modify a sequence running speed. The default speed is 1000, but you can decrease it or even inverse it. Below, the code that switches a led from red to yellow and inversely with a 400ms period.

Red yellow alternation with a 400ms frequency (normal speed: 1000)
If you decrease the speed by a factor of 2 with set_blinkSeqSpeed, the period increases by a factor of 2, transitions remain progressive because they are computed in real time.

Same sequence, half speed (500)
Note, sequences are computed in real time. However, the Yocto-Color-V2-C leds are refreshed at a 100Hz rate. Therefore, a change lasting less than 10ms at normal speed is taken into account but risks not being displayed, as it does not last long enough.
You can store sequences in the Yocto-Color-V2-C non volatile memory, in the same way you can store the led assignments to distinct sequences. Moreover, you can configure a sequence so that it automatically starts at module power on. The following code configures a sequence, then saves everything so that it automatically starts the next time the module restarts next.
This technique allows you to build simple light effects which do not require a computer to work. If there are preprogrammed sequences in the module, you only need to power it with a simple USB charger so that the sequences start as soon as the module is powered.
There are several methods to control you Yoctopuce module by software.
In this case, the software driving your project is compiled directly with a library which provides control of the modules. Objectively, it is the simplest and most elegant solution for the end user. The end user then only needs to plug the USB cable and run your software for everything to work. Unfortunately, this method is not always available or even possible.

The application uses the native library to control the locally connected module
Here, the main part of the code controlling the modules is located in a DLL. The software is compiled with a small library which provides control of the DLL. It is the fastest method to code module support in a given language. Indeed, the "useful" part of the control code is located in the DLL which is the same for all languages: the effort to support a new language is limited to coding the small library which controls the DLL. From the end user stand point, there are few differences: one must simply make sure that the DLL is installed on the end user's computer at the same time as the main software.

The application uses the DLL to natively control the locally connected module
Some languages do simply not allow you to easily gain access to the hardware layers of the machine. It is the case for Javascript, for instance. To deal with this case, Yoctopuce provides a solution in the form of a small piece of software called VirtualHub17. It can access the modules, and your application only needs to use a library which offers all necessary functions to control the modules via this VirtualHub. The end users will have to start VirtualHub before running the project control software itself, unless they decide to install the hub as a service/deamon, in which case VirtualHub starts automatically when the machine starts up.

The application connects itself to VirtualHub to gain access to the module
The service control method comes with a non-negligible advantage: the application does not need to run on the machine on which the modules are connected. The application can very well be located on another machine which connects itself to the service to drive the modules. Moreover, the native libraries and DLL mentioned above are also able to connect themselves remotely to one or several machines running VirtualHub.

When VirtualHub is used, the control application does not need
to reside on the same machine as the module.
Whatever the selected programming language and the control paradigm used, programming itself stays strictly identical. From one language to another, functions bear exactly the same name, and have the same parameters. The only differences are linked to the constraints of the languages themselves.
| Language | Native | Native with DLL | VirtualHub |
|---|---|---|---|
| Command line | ✔ | - | ✔ |
| Python | - | ✔ | ✔ |
| C++ | ✔ | ✔ | ✔ |
| C# .Net | - | ✔ | ✔ |
| C# UWP | ✔ | - | ✔ |
| LabVIEW | - | ✔ | ✔ |
| Java | - | ✔ | ✔ |
| Java for Android | ✔ | - | ✔ |
| TypeScript | - | - | ✔ |
| JavaScript / ECMAScript | - | - | ✔ |
| PHP | - | - | ✔ |
| VisualBasic .Net | - | ✔ | ✔ |
| Delphi | - | ✔ | ✔ |
| Objective-C | ✔ | - | ✔ |
Only one application at a given time can have native access to Yoctopuce devices. This limitation is related to the fact that two different processes cannot talk to a USB device at the same time. Usually, this kind of problem is solved by a driver that takes care of the police work to prevent multiple processes fighting over the same device. But Yoctopuce products do not use drivers. Therefore, the first process that manages to access the native mode keeps it for itself until UnregisterHub or FreeApi is called.
If your application tries to communicate in native mode with Yoctopuce devices, but that another application prevents you from accessing them, you receive the following error message:
The solution is to use VirtualHub locally on your machine and to use it as a gateway for your applications. In this way, if all your applications use VirtualHub, you do not have conflicts anymore and you can access all your devices all the time.
A YoctoHub behaves itself exactly like a computer running VirtualHub. The only difference between a program using the Yoctopuce API with modules in native USB and the same program with Yoctopuce modules connected to a YoctoHub is located at the level of the RegisterHub function call. To use USB modules connected natively, the RegisterHub parameter is usb. To use modules connected to a YoctoHub, you must simply replace this parameter by the IP address of the YoctoHub.
So there are three possible modes: native mode, network mode via VirtualHub on your local machine, or via a YoctoHub. To switch from native to network mode on your local machine, you only need to change the parameter when calling YAPI.RegisterHub, as shown in the examples below:
At this point of the user's guide, you should know the main theoretical points of your Yocto-Color-V2-C. It is now time to practice. You must download the Yoctopuce library for your favorite programming language from the Yoctopuce web site18. Then skip directly to the chapter corresponding to the chosen programming language.
All the examples described in this guide are available in the programming libraries. For some languages, the libraries also include some complete graphical applications, with their source code.
When you have mastered the basic programming of your module, you can turn to the chapter on advanced programming that describes some techniques that will help you make the most of your Yocto-Color-V2-C.
When you want to perform a punctual operation on your Yocto-Color-V2-C, such as reading a value, assigning a logical name, and so on, you can obviously use VirtualHub, but there is a simpler, faster, and more efficient method: the command line API.
The command line API is a set of executables, one by type of functionality offered by the range of Yoctopuce products. These executables are provided pre-compiled for all the Yoctopuce officially supported platforms/OS. Naturally, the executable sources are also provided19.
Download the command line API20. You do not need to run any setup, simply copy the executables corresponding to your platform/OS in a directory of your choice. You may add this directory to your PATH variable to be able to access these executables from anywhere. You are all set, you only need to connect your Yocto-Color-V2-C, open a shell, and start working by typing for example:
To use the command line API on Linux, you need either have root privileges or to define an udev rule for your system. See the Troubleshooting chapter for more details.
All the command line API executables work on the same principle. They must be called the following way
[options] manage the global workings of the commands, they allow you, for instance, to pilot a module remotely through the network, or to force the module to save its configuration after executing the command.
[target] is the name of the module or of the function to which the command applies. Some very generic commands do not need a target. You can also use the aliases "any" and "all", or a list of names separated by comas without space.
command is the command you want to run. Almost all the functions available in the classic programming APIs are available as commands. You need to respect neither the case nor the underlined characters in the command name.
[parameters] are logically the parameters needed by the command.
At any time, the command line API executables can provide a rather detailed help. Use for instance:
to know the list of available commands for a given command line API executable, or even:
to obtain a detailed description of the parameters of a command.
To control the ColorLedCluster function of your Yocto-Color-V2-C, you need the YColorLedCluster executable file.
For instance, you can launch:
This example uses the "any" target to indicate that we want to work on the first ColorLedCluster function found among all those available on the connected Yoctopuce modules when running. This prevents you from having to know the exact names of your function and of your module.
But you can use logical names as well, as long as you have configured them beforehand. Let us imagine a Yocto-Color-V2-C module with the RGBLED2C-123456 serial number which you have called "MyModule", and its colorLedCluster function which you have renamed "MyFunction". The five following calls are strictly equivalent (as long as MyFunction is defined only once, to avoid any ambiguity).
To work on all the ColorLedCluster functions at the same time, use the "all" target.
For more details on the possibilities of the YColorLedCluster executable, use:
Each module can be controlled in a similar way with the help of the YModule executable. For example, to obtain the list of all the connected modules, use:
You can also use the following command to obtain an even more detailed list of the connected modules:
Each xxx property of the module can be obtained thanks to a command of the get_xxxx() type, and the properties which are not read only can be modified with the set_xxx() command. For example:
When you want to change the settings of a module, simply use the corresponding set_xxx command. However, this change happens only in the module RAM: if the module restarts, the changes are lost. To store them permanently, you must tell the module to save its current configuration in its nonvolatile memory. To do so, use the saveToFlash command. Inversely, it is possible to force the module to forget its current settings by using the revertFromFlash method. For example:
Note that you can do the same thing in a single command with the -s option.
Warning: the number of write cycles of the nonvolatile memory of the module is limited. When this limit is reached, nothing guaranties that the saving process is performed correctly. This limit, linked to the technology employed by the module micro-processor, is located at about 100000 cycles. In short, you can use the saveToFlash() function only 100000 times in the life of the module. Make sure you do not call this function within a loop.
The command line API has the same limitation than the other APIs: there can be only one application at a given time which can access the modules natively. By default, the command line API works in native mode.
You can easily work around this limitation by using a Virtual Hub: run VirtualHub21 on the concerned machine, and use the executables of the command line API with the -r option. For example, if you use:
you obtain a list of the modules connected by USB, using a native access. If another command which accesses the modules natively is already running, this does not work. But if you run VirtualHub, and you give your command in the form:
it works because the command is not executed natively anymore, but through VirtualHub. Note that VirtualHub counts as a native application.
Python is an interpreted object oriented language developed by Guido van Rossum. Among its advantages is the fact that it is free, and the fact that it is available for most platforms, Windows as well as UNIX. It is an ideal language to write small scripts on a napkin. The Yoctopuce library is compatible with Python 2.7 and 3.x up to the latest official versions. It works under Windows, macOS, and Linux, Intel as well as ARM. Python interpreters are available on the Python web site22.
The Yoctopuce library classes23 for Python that you will use are provided as source files. Copy all the content of the Sources directory in the directory of your choice and add this directory to the PYTHONPATH environment variable. If you use an IDE to program in Python, refer to its documentation to configure it so that it automatically finds the API source files.
A section of the low-level library is written in C, but you should not need to interact directly with it: it is provided as a DLL under Windows, as a .so files under UNIX, and as a .dylib file under macOS. Everything was done to ensure the simplest possible interaction from Python: the distinct versions of the dynamic library corresponding to the distinct operating systems and architectures are stored in the cdll directory. The API automatically loads the correct file during its initialization. You should not have to worry about it.
If you ever need to recompile the dynamic library, its complete source code is located in the Yoctopuce C++ library.
In order to keep them simple, all the examples provided in this documentation are console applications. Naturally, the libraries function in a strictly identical manner if you integrate them in an application with a graphical interface.
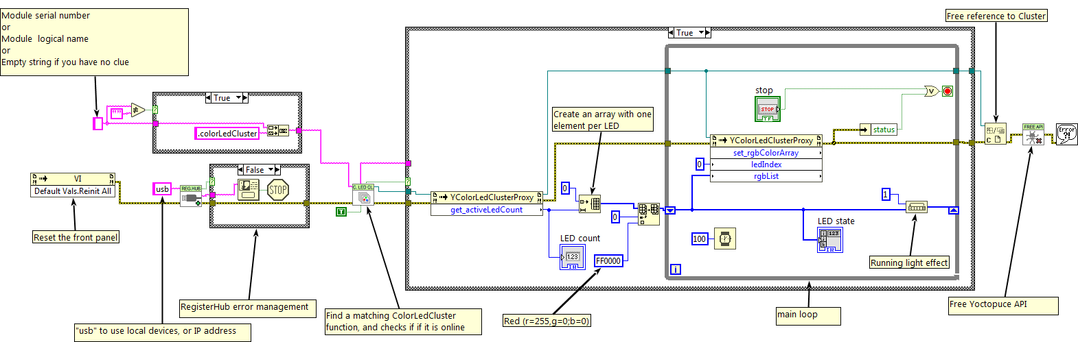
A few lines of code are enough to use a Yocto-Color-V2-C. Here is the skeleton of a Python code snipplet to use the ColorLedCluster function.
Let's look at these lines in more details.
The yAPI.RegisterHub function initializes the Yoctopuce API and indicates where the modules should be looked for. When used with the parameter "usb", it will use the modules locally connected to the computer running the library. If the initialization does not succeed, this function returns a value different from YAPI.SUCCESS and errmsg contains the error message.
The YColorLedCluster.FindColorLedCluster function allows you to find a RGB LED cluster from the serial number of the module on which it resides and from its function name. You can use logical names as well, as long as you have initialized them. Let us imagine a Yocto-Color-V2-C module with serial number RGBLED2C-123456 which you have named "MyModule", and for which you have given the colorLedCluster function the name "MyFunction". The following five calls are strictly equivalent, as long as "MyFunction" is defined only once.
YColorLedCluster.FindColorLedCluster returns an object which you can then use at will to control the RGB LED cluster.
The isOnline() method of the object returned by YColorLedCluster.FindColorLedCluster allows you to know if the corresponding module is present and in working order.
This documentation assumes that you are using the Python library downloaded directly from the Yoctopuce website, but if you are using the library installed with PIP, then you will need to prefix all imports with yoctopuce.. Meaning all the import examples shown in the documentation, such as:
need to be converted , when the yoctopuce library was installed by PIP, to:
The set_activeLedCount() method of the object returned by YColorLedCluster.FindColorLedCluster allows you to configure the number of LEDs supported by the Yocto-Color-V2-C.
The set_ledType() method of the object returned by YColorLedCluster.FindColorLedCluster sets the type of LEDs that are connected to the Yocto-Color-V2-C.
The set_rgbColor() method of the object returned by YColorLedCluster.FindColorLedCluster allows you to set the color of the corresponding leds. The color is given in RBG coordinates coded as an integer.
There is another way to change the led color. The rgb_move() method of the object returned by YColorLedCluster.FindColorLedCluster allows you run a transition between the current color and another RGB color given as a parameter. This function takes as second parameter the lapse of time allocated for the transition.
The set_rgbColor() and rgb_move() methods also exist in an HSL version. As an exercise, you could modify the example below to use the HSL system. You could then observe the differences in behavior between the two systems. In HSL, red is coded 0xFFFF80, green 0x55FF80, and blue 0xA9FF80.
Launch Python and open the corresponding sample script provided in the directory Examples/Doc-GettingStarted-Yocto-Color-V2-C of the Yoctopuce library.
In this example, you will recognize the functions explained above, but this time used with all side materials needed to make it work nicely as a small demo.
Each module can be controlled in a similar manner, you can find below a simple sample program displaying the main parameters of the module and enabling you to activate the localization beacon.
Each property xxx of the module can be read thanks to a method of type YModule.get_xxxx(), and properties which are not read-only can be modified with the help of the YModule.set_xxx() method. For more details regarding the used functions, refer to the API chapters.
When you want to modify the settings of a module, you only need to call the corresponding YModule.set_xxx() function. However, this modification is performed only in the random access memory (RAM) of the module: if the module is restarted, the modifications are lost. To memorize them persistently, it is necessary to ask the module to save its current configuration in its permanent memory. To do so, use the YModule.saveToFlash() method. Inversely, it is possible to force the module to forget its current settings by using the YModule.revertFromFlash() method. The short example below allows you to modify the logical name of a module.
Warning: the number of write cycles of the nonvolatile memory of the module is limited. When this limit is reached, nothing guaranties that the saving process is performed correctly. This limit, linked to the technology employed by the module micro-processor, is located at about 100000 cycles. In short, you can use the YModule.saveToFlash() function only 100000 times in the life of the module. Make sure you do not call this function within a loop.
Obtaining the list of the connected modules is performed with the YModule.yFirstModule() function which returns the first module found. Then, you only need to call the nextModule() function of this object to find the following modules, and this as long as the returned value is not null. Below a short example listing the connected modules.
When you implement a program which must interact with USB modules, you cannot disregard error handling. Inevitably, there will be a time when a user will have unplugged the device, either before running the software, or even while the software is running. The Yoctopuce library is designed to help you support this kind of behavior, but your code must nevertheless be conceived to interpret in the best possible way the errors indicated by the library.
The simplest way to work around the problem is the one used in the short examples provided in this chapter: before accessing a module, check that it is online with the isOnline function, and then hope that it will stay so during the fraction of a second necessary for the following code lines to run. This method is not perfect, but it can be sufficient in some cases. You must however be aware that you cannot completely exclude an error which would occur after the call to isOnline and which could crash the software. The only way to prevent this is to implement one of the two error handling techniques described below.
The method recommended by most programming languages for unpredictable error handling is the use of exceptions. By default, it is the behavior of the Yoctopuce library. If an error happens while you try to access a module, the library throws an exception. In this case, there are three possibilities:
As this latest situation is not the most desirable, the Yoctopuce library offers another possibility for error handling, allowing you to create a robust program without needing to catch exceptions at every line of code. You simply need to call the YAPI.DisableExceptions() function to commute the library to a mode where exceptions for all the functions are systematically replaced by specific return values, which can be tested by the caller when necessary. For each function, the name of each return value in case of error is systematically documented in the library reference. The name always follows the same logic: a get_state() method returns a ClassName.STATE_INVALID value, a get_currentValue method returns a ClassName.CURRENTVALUE_INVALID value, and so on. In any case, the returned value is of the expected type and is not a null pointer which would risk crashing your program. At worst, if you display the value without testing it, it will be outside the expected bounds for the returned value. In the case of functions which do not normally return information, the return value is YAPI_SUCCESS if everything went well, and a different error code in case of failure.
When you work without exceptions, you can obtain an error code and an error message explaining the source of the error. You can request them from the object which returned the error, calling the errType() and errMessage() methods. Their returned values contain the same information as in the exceptions when they are active.
C++ is not the simplest language to master. However, if you take care to limit yourself to its essential functionalities, this language can very well be used for short programs quickly coded, and it has the advantage of being easily ported from one operating system to another. Under Windows, C++ is supported with Microsoft Visual Studio 2017 and more recent versions. Under macOS, we support the XCode versions supported by Apple. And under Linux, we support all GCC version published since 2008. Moreover, under Max OS X and under Linux, you can compile the examples using a command line with GCC using the provided GNUmakefile. In the same manner under Windows, a Makefile allows you to compile examples using a command line, fully knowing the compilation and linking arguments.
Yoctopuce C++ libraries24 are integrally provided as source files. A section of the low-level library is written in pure C, but you should not need to interact directly with it: everything was done to ensure the simplest possible interaction from C++. The library is naturally also available as binary files, so that you can link it directly if you prefer.
You will soon notice that the C++ API defines many functions which return objects. You do not need to deallocate these objects yourself, the API does it automatically at the end of the application.
In order to keep them simple, all the examples provided in this documentation are console applications. Naturally, the libraries function in a strictly identical manner if you integrate them in an application with a graphical interface. You will find in the last section of this chapter all the information needed to create a wholly new project linked with the Yoctopuce libraries.
A few lines of code are enough to use a Yocto-Color-V2-C. Here is the skeleton of a C++ code snipplet to use the ColorLedCluster function.
Let's look at these lines in more details.
These two include files provide access to the functions allowing you to manage Yoctopuce modules. yocto_api.h must always be used, yocto_colorledcluster.h is necessary to manage modules containing a RGB LED cluster, such as Yocto-Color-V2-C.
The YAPI::RegisterHub function initializes the Yoctopuce API and indicates where the modules should be looked for. When used with the parameter "usb", it will use the modules locally connected to the computer running the library. If the initialization does not succeed, this function returns a value different from YAPI_SUCCESS and errmsg contains the error message.
The YColorLedCluster::FindColorLedCluster function allows you to find a RGB LED cluster from the serial number of the module on which it resides and from its function name. You can use logical names as well, as long as you have initialized them. Let us imagine a Yocto-Color-V2-C module with serial number RGBLED2C-123456 which you have named "MyModule", and for which you have given the colorLedCluster function the name "MyFunction". The following five calls are strictly equivalent, as long as "MyFunction" is defined only once.
YColorLedCluster::FindColorLedCluster returns an object which you can then use at will to control the RGB LED cluster.
The isOnline() method of the object returned by YColorLedCluster::FindColorLedCluster allows you to know if the corresponding module is present and in working order.
The set_activeLedCount() method of the object returned by yFindColorLedCluster allows you to configure the number of LEDs supported by the Yocto-Color-V2-C.
The set_ledType() method of the object returned by yFindColorLedCluster sets the type of LEDs that are connected to the Yocto-Color-V2-C.
The set_rgbColor() method of the object returned by yFindColorLedCluster allows you to set the color of the corresponding leds. The color is given in RBG coordinates coded as an integer.
There is another way to change the led color. The rgb_move() method of the object returned by yFindColorLedCluster allows you run a transition between the current color and another RGB color given as a parameter. This function takes as second parameter the lapse of time allocated for the transition.
The set_rgbColor() and rgb_move() methods also exist in an HSL version. As an exercise, you could modify the example below to use the HSL system. You could then observe the differences in behavior between the two systems. In HSL, red is coded 0xFFFF80, green 0x55FF80, and blue 0xA9FF80.
Launch your C++ environment and open the corresponding sample project provided in the directory Examples/Doc-GettingStarted-Yocto-Color-V2-C of the Yoctopuce library. If you prefer to work with your favorite text editor, open the file main.cpp, and type make to build the example when you are done.
In this example, you will recognize the functions explained above, but this time used with all side materials needed to make it work nicely as a small demo.
Each module can be controlled in a similar manner, you can find below a simple sample program displaying the main parameters of the module and enabling you to activate the localization beacon.
Each property xxx of the module can be read thanks to a method of type get_xxxx(), and properties which are not read-only can be modified with the help of the set_xxx() method. For more details regarding the used functions, refer to the API chapters.
When you want to modify the settings of a module, you only need to call the corresponding set_xxx() function. However, this modification is performed only in the random access memory (RAM) of the module: if the module is restarted, the modifications are lost. To memorize them persistently, it is necessary to ask the module to save its current configuration in its permanent memory. To do so, use the saveToFlash() method. Inversely, it is possible to force the module to forget its current settings by using the revertFromFlash() method. The short example below allows you to modify the logical name of a module.
Warning: the number of write cycles of the nonvolatile memory of the module is limited. When this limit is reached, nothing guaranties that the saving process is performed correctly. This limit, linked to the technology employed by the module micro-processor, is located at about 100000 cycles. In short, you can use the saveToFlash() function only 100000 times in the life of the module. Make sure you do not call this function within a loop.
Obtaining the list of the connected modules is performed with the yFirstModule() function which returns the first module found. Then, you only need to call the nextModule() function of this object to find the following modules, and this as long as the returned value is not NULL. Below a short example listing the connected modules.
When you implement a program which must interact with USB modules, you cannot disregard error handling. Inevitably, there will be a time when a user will have unplugged the device, either before running the software, or even while the software is running. The Yoctopuce library is designed to help you support this kind of behavior, but your code must nevertheless be conceived to interpret in the best possible way the errors indicated by the library.
The simplest way to work around the problem is the one used in the short examples provided in this chapter: before accessing a module, check that it is online with the isOnline function, and then hope that it will stay so during the fraction of a second necessary for the following code lines to run. This method is not perfect, but it can be sufficient in some cases. You must however be aware that you cannot completely exclude an error which would occur after the call to isOnline and which could crash the software. The only way to prevent this is to implement one of the two error handling techniques described below.
The method recommended by most programming languages for unpredictable error handling is the use of exceptions. By default, it is the behavior of the Yoctopuce library. If an error happens while you try to access a module, the library throws an exception. In this case, there are three possibilities:
As this latest situation is not the most desirable, the Yoctopuce library offers another possibility for error handling, allowing you to create a robust program without needing to catch exceptions at every line of code. You simply need to call the YAPI.DisableExceptions() function to commute the library to a mode where exceptions for all the functions are systematically replaced by specific return values, which can be tested by the caller when necessary. For each function, the name of each return value in case of error is systematically documented in the library reference. The name always follows the same logic: a get_state() method returns a ClassName.STATE_INVALID value, a get_currentValue method returns a ClassName.CURRENTVALUE_INVALID value, and so on. In any case, the returned value is of the expected type and is not a null pointer which would risk crashing your program. At worst, if you display the value without testing it, it will be outside the expected bounds for the returned value. In the case of functions which do not normally return information, the return value is YAPI_SUCCESS if everything went well, and a different error code in case of failure.
When you work without exceptions, you can obtain an error code and an error message explaining the source of the error. You can request them from the object which returned the error, calling the errType() and errMessage() methods. Their returned values contain the same information as in the exceptions when they are active.
Depending on your needs and on your preferences, you can integrate the library into your projects in several distinct manners. This section explains how to implement the different options.
Integrating all the sources of the library into your projects has several advantages:
To integrate the source code, the easiest way is to simply include the Sources directory of your Yoctopuce library into your IncludePath, and to add all the files of this directory (including the sub-directory yapi) to your project.
For your project to build correctly, you need to link with your project the prerequisite system libraries, that is:
With the integration of the Yoctopuce library as a static library, you do not need to install a dynamic library specific to Yoctopuce, everything is in the executable.
To use the static library, you must first compile it using the shell script build.sh on UNIX, or build.bat on Windows. This script, located in the root directory of the library, detects the OS and recompiles all the corresponding libraries as well as the examples.
Then, to integrate the static Yoctopuce library to your project, you must include the Sources directory of the Yoctopuce library into your IncludePath, and add the sub-directory Binaries/... corresponding to your operating system into your libPath.
Finally, for you project to build correctly, you need to link with your project the Yoctopuce library and the prerequisite system libraries:
Note, under Linux, if you wish to compile in command line with GCC, it is generally advisable to link system libraries as dynamic libraries, rather than as static ones. To mix static and dynamic libraries on the same command line, you must pass the following arguments:
gcc (...) -Wl,-Bstatic -lyocto-static -Wl,-Bdynamic -lm -lpthread -lusb-1.0 -lstdc++
Integration of the Yoctopuce library as a dynamic library allows you to produce an executable smaller than with the two previous methods, and to possibly update this library, if a patch reveals itself necessary, without needing to recompile the source code of the application. On the other hand, it is an integration mode which systematically requires you to copy the dynamic library on the target machine where the application will run (yocto.dll for Windows, libyocto.so.1.0.1 for macOS and Linux).
To use the dynamic library, you must first compile it using the shell script build.sh on UNIX, or build.bat on Windows. This script, located in the root directory of the library, detects the OS and recompiles all the corresponding libraries as well as the examples.
Then, To integrate the dynamic Yoctopuce library to your project, you must include the Sources directory of the Yoctopuce library into your IncludePath, and add the sub-directory Binaries/... corresponding to your operating system into your LibPath.
Finally, for you project to build correctly, you need to link with your project the dynamic Yoctopuce library and the prerequisite system libraries:
With GCC, the command line to compile is simply:
gcc (...) -lyocto -lm -lpthread -lusb-1.0 -lstdc++
C# (pronounced C-Sharp) is an object-oriented programming language promoted by Microsoft, it is somewhat similar to Java. Like Visual-Basic and Delphi, it allows you to create Windows applications quite easily. C# is supported under Windows Visual Studio 2017 and its more recent versions.
Our programming library is also compatible with Mono, the open source version of C# that also works on Linux and macOS. Under Linux, use Mono version 5.20 or more recent. Under macOS, support is limited to 32bit systems, which makes it virtually useless nowadays. You will find on our web site various articles that describe how to configure Mono to use our library.
Download the Visual C# Yoctopuce library from the Yoctopuce web site25. There is no setup program, simply copy the content of the zip file into the directory of your choice. You mostly need the content of the Sources directory. The other directories contain the documentation and a few sample programs. All sample projects are Visual C# 2010, projects, if you are using a previous version, you may have to recreate the projects structure from scratch.
The Visual C#.NET Yoctopuce library is composed of a DLL and of source files in Visual C#. The DLL is not a .NET DLL, but a classic DLL, written in C, which manages the low level communications with the modules26. The source files in Visual C# manage the high level part of the API. Therefore, your need both this DLL and the .cs files of the sources directory to create a project managing Yoctopuce modules.
The following indications are provided for Visual Studio Express 2010, but the process is similar for other versions. Start by creating your project. Then, on the Solution Explorer panel, right click on your project, and select "Add" and then "Add an existing item".
A file selection window opens. Select the yocto_api.cs file and the files corresponding to the functions of the Yoctopuce modules that your project is going to manage. If in doubt, select all the files.
You then have the choice between simply adding these files to your project, or to add them as links (the Add button is in fact a scroll-down menu). In the first case, Visual Studio copies the selected files into your project. In the second case, Visual Studio simply keeps a link on the original files. We recommend you to use links, which makes updates of the library much easier.
Then add in the same manner the yapi.dll DLL, located in the Sources/dll directory27. Then, from the Solution Explorer window, right click on the DLL, select Properties and in the Properties panel, set the Copy to output folder to always. You are now ready to use your Yoctopuce modules from Visual Studio.
In order to keep them simple, all the examples provided in this documentation are console applications. Naturally, the libraries function in a strictly identical manner if you integrate them in an application with a graphical interface.
A few lines of code are enough to use a Yocto-Color-V2-C. Here is the skeleton of a C# code snipplet to use the ColorLedCluster function.
Let's look at these lines in more details.
The YAPI.RegisterHub function initializes the Yoctopuce API and indicates where the modules should be looked for. When used with the parameter "usb", it will use the modules locally connected to the computer running the library. If the initialization does not succeed, this function returns a value different from YAPI.SUCCESS and errmsg contains the error message.
The YColorLedCluster.FindColorLedCluster function allows you to find a RGB LED cluster from the serial number of the module on which it resides and from its function name. You can use logical names as well, as long as you have initialized them. Let us imagine a Yocto-Color-V2-C module with serial number RGBLED2C-123456 which you have named "MyModule", and for which you have given the colorLedCluster function the name "MyFunction". The following five calls are strictly equivalent, as long as "MyFunction" is defined only once.
YColorLedCluster.FindColorLedCluster returns an object which you can then use at will to control the RGB LED cluster.
The isOnline() method of the object returned by YColorLedCluster.FindColorLedCluster allows you to know if the corresponding module is present and in working order.
The set_activeLedCount() method of the object returned by YColorLedCluster.FindColorLedCluster allows you to configure the number of LEDs supported by the Yocto-Color-V2-C.
The set_ledType() method of the object returned by YColorLedCluster.FindColorLedCluster sets the type of LEDs that are connected to the Yocto-Color-V2-C.
The set_rgbColor() method of the object returned by YColorLedCluster.FindColorLedCluster allows you to set the color of the corresponding leds. The color is given in RBG coordinates coded as an integer.
There is another way to change the led color. The rgb_move() method of the object returned by YColorLedCluster.FindColorLedCluster allows you run a transition between the current color and another RGB color given as a parameter. This function takes as second parameter the lapse of time allocated for the transition.
The set_rgbColor() and rgb_move() methods also exist in an HSL version. As an exercise, you could modify the example below to use the HSL system. You could then observe the differences in behavior between the two systems. In HSL, red is coded 0xFFFF80, green 0x55FF80, and blue 0xA9FF80.
Launch Microsoft Visual C# and open the corresponding sample project provided in the directory Examples/Doc-GettingStarted-Yocto-Color-V2-C of the Yoctopuce library.
In this example, you will recognize the functions explained above, but this time used with all side materials needed to make it work nicely as a small demo.
Each module can be controlled in a similar manner, you can find below a simple sample program displaying the main parameters of the module and enabling you to activate the localization beacon.
Each property xxx of the module can be read thanks to a method of type YModule.get_xxxx(), and properties which are not read-only can be modified with the help of the YModule.set_xxx() method. For more details regarding the used functions, refer to the API chapters.
When you want to modify the settings of a module, you only need to call the corresponding YModule.set_xxx() function. However, this modification is performed only in the random access memory (RAM) of the module: if the module is restarted, the modifications are lost. To memorize them persistently, it is necessary to ask the module to save its current configuration in its permanent memory. To do so, use the YModule.saveToFlash() method. Inversely, it is possible to force the module to forget its current settings by using the YModule.revertFromFlash() method. The short example below allows you to modify the logical name of a module.
Warning: the number of write cycles of the nonvolatile memory of the module is limited. When this limit is reached, nothing guaranties that the saving process is performed correctly. This limit, linked to the technology employed by the module micro-processor, is located at about 100000 cycles. In short, you can use the YModule.saveToFlash() function only 100000 times in the life of the module. Make sure you do not call this function within a loop.
Obtaining the list of the connected modules is performed with the YModule.yFirstModule() function which returns the first module found. Then, you only need to call the nextModule() function of this object to find the following modules, and this as long as the returned value is not null. Below a short example listing the connected modules.
When you implement a program which must interact with USB modules, you cannot disregard error handling. Inevitably, there will be a time when a user will have unplugged the device, either before running the software, or even while the software is running. The Yoctopuce library is designed to help you support this kind of behavior, but your code must nevertheless be conceived to interpret in the best possible way the errors indicated by the library.
The simplest way to work around the problem is the one used in the short examples provided in this chapter: before accessing a module, check that it is online with the isOnline function, and then hope that it will stay so during the fraction of a second necessary for the following code lines to run. This method is not perfect, but it can be sufficient in some cases. You must however be aware that you cannot completely exclude an error which would occur after the call to isOnline and which could crash the software. The only way to prevent this is to implement one of the two error handling techniques described below.
The method recommended by most programming languages for unpredictable error handling is the use of exceptions. By default, it is the behavior of the Yoctopuce library. If an error happens while you try to access a module, the library throws an exception. In this case, there are three possibilities:
As this latest situation is not the most desirable, the Yoctopuce library offers another possibility for error handling, allowing you to create a robust program without needing to catch exceptions at every line of code. You simply need to call the YAPI.DisableExceptions() function to commute the library to a mode where exceptions for all the functions are systematically replaced by specific return values, which can be tested by the caller when necessary. For each function, the name of each return value in case of error is systematically documented in the library reference. The name always follows the same logic: a get_state() method returns a ClassName.STATE_INVALID value, a get_currentValue method returns a ClassName.CURRENTVALUE_INVALID value, and so on. In any case, the returned value is of the expected type and is not a null pointer which would risk crashing your program. At worst, if you display the value without testing it, it will be outside the expected bounds for the returned value. In the case of functions which do not normally return information, the return value is YAPI_SUCCESS if everything went well, and a different error code in case of failure.
When you work without exceptions, you can obtain an error code and an error message explaining the source of the error. You can request them from the object which returned the error, calling the errType() and errMessage() methods. Their returned values contain the same information as in the exceptions when they are active.
LabVIEW is edited by National Instruments since 1986. It is a graphic development environment: rather than writing lines of code, the users draw their programs, somewhat like a flow chart. LabVIEW was designed mostly to interface measuring tools, hence the Virtual Instruments name for LabVIEW programs. With visual programming, drawing complex algorithms becomes quickly fastidious. The LabVIEW Yoctopuce library was thus designed to make it as easy to use as possible. In other words, LabVIEW being an environment extremely different from other languages supported by Yoctopuce, there are major differences between the LabVIEW API and the other APIs.
The LabVIEW library is based on the Yoctopuce DotNetProxy library contained in the DotNetProxyLibrary.dll DLL. In fact, it is this DotNetProxy library which takes care or most of the work by relying on the C# library which, in turn, uses the low level library coded in yapi.dll (32bits) and amd64\yapi.dll( 64bits).

LabVIEW Yoctopuce API architecture
You must therefore imperatively distribute the DotNetProxyLibrary.dll, yapi.dll, and amd64\yapi.dll with your LabVIEW applications using the Yoctopuce API.
If need be, you can find the low level API sources in the C# library and the DotNetProxyLibrary.dll sources in the DotNetProxy library.
For the LabVIEW Yoctopuce library to work correctly with your Yoctopuce modules, these modules need to have firmware 37120, or higher.
At the time of writing, the LabVIEW Yoctopuce API has been tested under Windows only. It is therefore most likely that it simply does not work with the Linux and MacOS versions of LabVIEW.
The LabVIEW Yoctopuce library uses many techniques which are not yet available in the new generation of LabVIEW. The library is therefore absolutely not compatible with LabVIEW NXG.
In order to be compatible with as many versions of Windows as possible, including Windows XP, the DotNetProxyLibrary.dll library is compiled in .NET 3.5, which is available by default on all the Windows versions since XP.
Download the LabVIEW library from the Yoctopuce web site28. It is a ZIP file in which there is a distinct directory for each version of LabVIEW. Each of these directories contains two subdirectories: the first one contains programming examples for each Yoctopuce product; the second one, called VIs, contains all the VIs of the API and the required DLLs.
Depending on Windows configuration and the method used to copy the DotNetProxyLibrary.dll on your system, Windows may block it because it comes from an other computer. This may happen when the library zip file is uncompressed with Window's file explorer. If the DLL is blocked, LabVIEW will not be able to load it and an error 1386 will occur whenever any of the Yoctopuce VIs is executed.
There are two ways to fix this. The simplest is to unblock the file with the Windows file explorer: right click / properties on the DotNetProxyLibrary.dll file, and click on the unblock button. But this has to be done each time a new version of the DLL is copied on your system.

Unblock the DotNetProxyLibrary DLL.
Alternatively, one can modify the LabVIEW configuration by creating, in the same directory as the labview.exe executable, an XML file called labview.exe.config containing the following code:
Make sure to select the correct directory depending on the LabVIEW version you are using (32 bits vs. 64 bits). You can find more information about this file on the National Instruments web site.29
To install the LabVIEW Yoctopuce API, there are several methods.
The simplest way to use the Yoctopuce library is to copy the content of the VIs directory wherever you want and to use the VIs in LabVIEW with a simple drag-n-drop operation.
To use the examples provided with the API, it is simpler if you add the directory of Yoctopuce VIs into the list of where LabVIEW must look for VIs that it has not found. You can access this list through the Tools > Options > Paths > VI Search Path menu.

Configuring the "VI Search Path"
In each LabVIEW folder of the Library, you will find a VI named "Install.vi", just open the one matching your LabVIEW version.

The provider installer
This installer provide 3 installation options:
With this option, VI files are keep in the place where the library has been unzipped. So you will have to make sure these files are not deleted as long as you need them. Here is what the installer will do if that option is chosen:
In that case all required files are copied inside the LabVIEW's installation folder, so you will be able to delete the installation folder once the original installation is complete. Note that programming examples won't be copied. Here is the exact behaviour of the installer in that case:
this option is meant to remove the LabVIEW library from your LabVIEW installation, here is how it is done:
In any case, if the labview.ini file needs to be modified, a backup copy will be made beforehand.
The installer identifies Yoctopuce VIs library folders by checking the presence of the YRegisterHub.vi file in said folders.
Once the installation is complete, a Yoctopuce palette will appear in Functions/Addons menu.
The steps to manually install the VIs directly in the LabVIEW palette are somewhat more complex. You can find the detailed procedure on the National Instruments web site 30, but here is a summary:

Three windows pop up:

In the Function window, there is a Yoctopuce icon. Double-click it to create an empty "Yoctopuce" window.




The LabVIEW Yoctopuce library contains one VI per class of the Yoctopuce API, as well as a few special VIs. All the VIs have the traditional connectors Error IN and Error Out.
The YRegisterHub VI is used to initialize the API. You must imperatively call this VI once before you do anything in relation with Yoctopuce modules.

The YRegisterHub VI
The YRegisterHub VI takes a url parameter which can be:
In the case of an IP address, the YRegisterHub VI tries to contact this address and generates and error if it does not succeed, unless the async parameter is set to TRUE. If async is set to TRUE, no error is generated and Yoctopuce modules corresponding to that IP address become automatically available as soon as the said machine can be reached.
If everything went well, the successful output contains the value TRUE. In the opposite case, it contains the value FALSE and the error msg output contains a string of characters with a description of the error.
You can use several YRegisterHub VIs with distinct URLs if you so wish. However, on the same machine, there can be only one process accessing local Yoctopuce modules directly by USB (url set to "usb"). You can easily work around this limitation by running the VirtualHub software on the local machine and using the "127.0.0.1" url.
The YFreeAPI VI enables you to free resources allocated by the Yoctopuce API.

The YFreeAPI VI
You must call the YFreeAPI VI when your code is done with the Yoctopuce API. Otherwise, direct USB access (url set to "usb") could stay locked after the execution of your VI, and stay so for as long as LabVIEW is not completely closed.
The other VIs correspond to each function/class of the Yoctopuce API, they all have the same structure:

Structure of most VIs of the API.
You can find the list of functions available on your Yocto-Color-V2-C in chapter Programming, general concepts.
If the desired function (parameter name) is not available, this does not generate an error, but the is online output contains FALSE and all the other outputs contain the value "N/A" whenever possible. If the desired function becomes available later in the life of your program, is online switches to TRUE automatically.
If the name parameter contains an empty string, the VI targets the first available function of the same type. If no function is available, is online is set to FALSE.
The YModule VI enables you to interface with the "module" section of each Yoctopuce module. It enables you to drive the module led and to know the serial number of the module.

The YModule VI
The name input works slightly differently from other VIs. If it is called with a name parameter corresponding to a function name, the YModule VI finds the Module function of the module hosting the function. You can therefore easily find the serial number of the module of any function. This enables you to build the name of other functions which are located on the same module. The following example finds the first available YHumidity function and builds the name of the YTemperature function located on the same module. The examples provided with the Yoctopuce API make extensive use of this technique.

Using the YModule VI to retrieve functions hosted on the same module
All the VIs corresponding to Yoctopuce sensors have exactly the same geometry. Both outputs enable you to retrieve the value measured by the corresponding sensor as well the unit used.

The sensor VIs have all exactly the same geometry
The update freq input parameter is a character string enabling you to configure the way in which the output value is updated:
The update frequency of the VI is a parameter managed by the physical Yoctopuce module. If several VIs try to change the frequency of the same sensor, the valid configuration is that of the latest call. It is however possible to set different update frequencies to different sensors on the same Yoctopuce module.

Changing the update frequency of the same module
The update frequency of the VI is completely independent from the sampling frequency of the sensor, which you usually cannot modify. It is useless and counterproductive to define an update frequency higher than the sensor sampling frequency.
Here is one of the simplest example of VIs using the Yoctopuce API.

Minimal example of use of the LabVIEW Yoctopuce API
This example is based on the YSensor VI which is a generic VI enabling you to interface any sensor function of a Yoctopuce module. You can replace this VI by any other from the Yoctopuce API, they all have the same geometry and work in the same way. This example is limited to three actions:
This example automatically looks for an available sensor. If there is such a sensor, we can retrieve its name through the hardware name output and the isOnline output equals TRUE. If there is no available sensor, the VI does not generate an error but emulates a ghost sensor which is "offline". However, if later in the life of the application, a sensor becomes available because it has been connected, isOnline switches to TRUE and the hardware name contains the name of the sensor. We can therefore easily add a few indicators in the previous example to know how the executions goes.

Use of the hardware name and isOnline outputs
The VIs of the Yoctopuce API are actually an entry door into the library. Internally, this mechanism works independently of the Yoctopuce VIs. Indeed, most communications with electronic modules are managed automatically as background tasks. Therefore, you do not necessarily need to take any specific care to use Yoctopuce VIs, you can for example use them in a non-delayed loop without creating any specific problem for the API.

The Yoctopuce VIs can be used in a non-delayed loop
Note that the YRegisterHub VI is not inside the loop. The YRegisterHub VI is used to initialize the API. Unless you have several URLs that you need to register, it is better to call the YRegisterHub VI only once.
When the name parameter is initialized to an empty string, the Yoctopuce VIs automatically look for a function they can work with. This is very handy when you know that there is only one function of the same type available and when you do not want to manage its name. If the name parameter contains a hardware name or a logical name, the VI looks for the corresponding function. If it does not find it, it emulates an offline function while it waits for the true function to become available.

Using names to identify the functions to be used
The LabVIEW Yoctopuce API is coded to handle errors as smoothly as possible: for example, if you use a VI to access a function which does not exist, the isOnline output is set to FALSE, the other outputs are set to NaN, and thus the inputs do not have any impact. Fatal errors are propagated through the traditional error in, error out channel.
However, the YRegisterHub VI manages connection errors slightly differently. In order to make them easier to manage, connection errors are signaled with Success and error msg outputs. If there is an issue during a call to the YRegisterHub VI, Success contains FALSE and error msg contains a description of the error.

Error handling
The most common error message is "Another process is already using yAPI". It means that another application, LabVIEW or other, already uses the API in native USB mode. For technical reasons, the native USB API can be used by only one application at the same time on the same machine. You can easily work around this limitation by using the network mode.
The Yoctopuce API contains hundreds of methods, functions, and properties. It was not possible, or desirable, to create a VI for each of them. Therefore, there is a VI per class that shows the two properties that Yoctopuce deemed the most useful, but this does not mean that the rest is not available.
Each VI corresponding to a class has two connectors create ref and optional ref which enable you to obtain a reference on the Proxy object of the .NET Proxy API on which the LabVIEW library is built.

The connectors to obtain a reference on the Proxy object corresponding to the VI
To obtain this reference, you only need to set optional ref to TRUE. Note, it is essential to close all references created in this way, otherwise you risk to quickly saturate the computer memory.
Here is an example which uses this technique to change the luminosity of the leds of a Yoctopuce module.

Regulating the luminosity of the leds of a module
Note that each reference allows you to obtain properties (property nodes) as well as methods (invoke nodes). By convention, properties are optimized to generate a minimum of communication with the modules. Therefore, we recommend to use them rather than the corresponding get_xxx and set_xxx methods which might seem equivalent but which are not optimized. Properties also enable you to retrieve the various constants of the API, prefixed with the "_" character. For technical reasons, the get_xxx and set_xxx methods are not all available as properties.

Property and Invoke nodes: Using properties, methods and constants
You can find a description of all the available properties, functions, and methods in the documentation of the .NET Proxy API.
On a given machine, there can be only one process accessing local Yoctopuce modules directly by USB (url set to "usb"). It is however possible that multiple process connect in parallel to YoctoHubs34 or tp a machine on which VirtualHub35 is running, including the local machine. Therefore, if you use the local address of your machine (127.0.0.1) and if a VirtualHub runs on it, you can work around the limitation which prevents using the native USB API in parallel.

Network mode
In the same way, there is no limitation on the number of network interfaces to which the API can connect itself in parallel. This means that it is quite possible to make multiple calls to the YRegisterHub VI. This is the only case where it is useful to call the YRegisterHub VI several times in the life of the application.

You can have multiple network connections
By default, the YRegisterHub VI tries to connect itself on the address given as parameter and generates an error (success=FALSE) when it cannot do so because nobody answers. But if the async parameter is initialized to TRUE, no error is generated when the connection does not succeed. If the connection becomes possible later in the life of the application, the corresponding modules are automatically made available.

Asynchronous connection
Almost all the Yoctopuce sensors have a data logger which enables you to store the measures of the sensors in the non-volatile memory of the module. You can configure the data logger with the VirtualHub, but also with a little bit of LabVIEW code.
To do so, you must configure the logging frequency by using the "LogFrequency" property which you can reach with a reference on the Proxy object of the sensor you are using. Then, you must turn the data logger on thanks to the YDataLogger VI. Note that, like with the YModule VI, you can obtain the YDataLogger VI corresponding to a module with its own name, but also with the name of any of the functions available on the same module.

Activating the data logger
You can retrieve the data in the data logger with the YDataLoggerContents VI.

The YDataLoggerContents VI
Retrieving the data from the logger of a Yoctopuce module is a slow process which can take up to several tens of seconds. Therefore, we designed the VI enabling this operation to work iteratively.
As a first step, you must call the VI with a sensor name, a start date, and an end date (UTC UNIX timestamp). The (0,0) pair enables you to obtain the complete content of the data logger. This first call enables you to obtain a summary of the data logger content and a context.
As a second step, you must call the YDataLoggerContents VI in a loop with the context parameter, until the progress output reaches the 100 value. At this time, the data output represents the content of the data logger.

Retrieving the content of the data logger
The results and the summary are returned as an array of structures containing the following fields:
Note that if the logging frequency is superior to 1Hz, the data logger stores only current values. In this case, averageValue, minValue, and maxValue share the same value.
Each VI corresponding to an object of the Proxy API enables you to list all the functions of the same class with the getSimilarfunctions() method of the corresponding Proxy object. Thus, you can easily perform an inventory of all the connected modules, of all the connected sensors, of all the connected relays, and so on.

Retrieving the list of all the modules which are connected
The LabVIEW Yoctopuce API is optimized so that all the VIs and .NET Proxy API object properties generate a minimum of communication with Yoctopuce modules. Thus, you can use them in loops without taking any specific precaution: you do not have to slow down the loops with a timer.

These two loops generate little USB communication and do not need to be slowed down
However, almost all the methods of the available Proxy objects initiate a communication with the Yoctopuce modules each time they are called. You should therefore avoid calling them too often without purpose.

This loop, using a method, must be slowed down
Here is an example using a Yocto-Color-V2-C in LabView. After a call the YRegisterHub VI, the ColorLedCluster VI finds the first ColorLedClusterinterface available, then gets a reference on the matching YColorLedClusterProxy object. The active leds count is retrieved from a call to get_activeLedCount. A color array of the same size is built with red value in the first element. This array is then used to call the set_rgbColorArray in a loop while sifting array elements every iteration. The result is a running light effect. Once the application is about to close, the reference on the YColorLedClusterProxy object is closed and the API is freed thanks to the YFreeAPI VI.

Example of Yocto-Color-V2-C usage in LabVIEW
If you read this documentation on screen, you can zoom on the image above. You can also find this example in the LabVIEW Yoctopuce library.
Yoctopuce does everything it can to maintain a strong coherence between its different programming libraries. However, LabVIEW being clearly apart as an environment, there are, as a consequence, important differences from the other libraries.
These differences were introduced to make the use of modules as easy as possible and requiring a minimum of LabVIEW code.
In the opposite to other languages, you must absolutely free the native API by calling the YFreeAPI VI when your code does not need to use the API anymore. If you forget this call, the native API risks to stay locked for the other applications until LabVIEW is completely closed.
In the opposite to classes of the other APIs, classes available in LabVIEW implement properties. By convention, these properties are optimized to generate a minimum of communication with the modules while automatically refreshing. By contrast, methods of type get_xxx and set_xxx systematically generate communications with the Yoctopuce modules and must be called sparingly.
There is no callback in the LabVIEW Yoctopuce API, the VIs automatically refresh: they are based on the properties of the .NET Proxy API objects.
Java is an object oriented language created by Sun Microsystem. Beside being free, its main strength is its portability. Unfortunately, this portability has an excruciating price. In Java, hardware abstraction is so high that it is almost impossible to work directly with the hardware. Therefore, the Yoctopuce API does not support native mode in regular Java. The Java API needs VirtualHub to communicate with Yoctopuce devices.
Go to the Yoctopuce web site and download the following items:
The library is available as source files as well as a jar file. Decompress the library files in a folder of your choice, connect your modules, run VirtualHub, and you are ready to start your first tests. You do not need to install any driver.
In order to keep them simple, all the examples provided in this documentation are console applications. Naturally, the libraries function in a strictly identical manner if you integrate them in an application with a graphical interface.
A few lines of code are enough to use a Yocto-Color-V2-C. Here is the skeleton of a Java code snippet to use the ColorLedCluster function.
Let us look at these lines in more details.
The yAPI.RegisterHub function initializes the Yoctopuce API and indicates where the modules should be looked for. The parameter is the address of the Virtual Hub able to see the devices. If the initialization does not succeed, an exception is thrown.
The YColorLedCluster.FindColorLedCluster function allows you to find a RGB LED cluster from the serial number of the module on which it resides and from its function name. You can use logical names as well, as long as you have initialized them. Let us imagine a Yocto-Color-V2-C module with serial number RGBLED2C-123456 which you have named "MyModule", and for which you have given the colorLedCluster function the name "MyFunction". The following five calls are strictly equivalent, as long as "MyFunction" is defined only once.
YColorLedCluster.FindColorLedCluster returns an object which you can then use at will to control the RGB LED cluster.
The isOnline() method of the object returned by YColorLedCluster.FindColorLedCluster allows you to know if the corresponding module is present and in working order.
The set_activeLedCount() method of the object returned by YColorLedCluster.FindColorLedCluster allows you to configure the number of LEDs supported by the Yocto-Color-V2-C.
The set_ledType() method of the object returned by YColorLedCluster.FindColorLedCluster sets the type of LEDs that are connected to the Yocto-Color-V2-C.
The set_rgbColor() method of the object returned by YColorLedCluster.FindColorLedCluster allows you to set the color of the corresponding leds. The color is given in RBG coordinates coded as an integer.
There is another way to change the led color. The rgb_move() method of the object returned by YColorLedCluster.FindColorLedCluster allows you run a transition between the current color and another RGB color given as a parameter. This function takes as second parameter the lapse of time allocated for the transition.
The set_rgbColor() and rgb_move() methods also exist in an HSL version. As an exercise, you could modify the example below to use the HSL system. You could then observe the differences in behavior between the two systems. In HSL, red is coded 0xFFFF80, green 0x55FF80, and blue 0xA9FF80.
Launch you Java environment and open the corresponding sample project provided in the directory Examples/Doc-GettingStarted-Yocto-Color-V2-C of the Yoctopuce library.
In this example, you will recognize the functions explained above, but this time used with all the side materials needed to make it work nicely as a small demo.
Each module can be controlled in a similar manner, you can find below a simple sample program displaying the main parameters of the module and enabling you to activate the localization beacon.
Each property xxx of the module can be read thanks to a method of type YModule.get_xxxx(), and properties which are not read-only can be modified with the help of the YModule.set_xxx() method. For more details regarding the used functions, refer to the API chapters.
When you want to modify the settings of a module, you only need to call the corresponding YModule.set_xxx() function. However, this modification is performed only in the random access memory (RAM) of the module: if the module is restarted, the modifications are lost. To memorize them persistently, it is necessary to ask the module to save its current configuration in its permanent memory. To do so, use the YModule.saveToFlash() method. Inversely, it is possible to force the module to forget its current settings by using the YModule.revertFromFlash() method. The short example below allows you to modify the logical name of a module.
Warning: the number of write cycles of the nonvolatile memory of the module is limited. When this limit is reached, nothing guaranties that the saving process is performed correctly. This limit, linked to the technology employed by the module micro-processor, is located at about 100000 cycles. In short, you can use the YModule.saveToFlash() function only 100000 times in the life of the module. Make sure you do not call this function within a loop.
Obtaining the list of the connected modules is performed with the YModule.yFirstModule() function which returns the first module found. Then, you only need to call the nextModule() function of this object to find the following modules, and this as long as the returned value is not null. Below a short example listing the connected modules.
When you implement a program which must interact with USB modules, you cannot disregard error handling. Inevitably, there will be a time when a user will have unplugged the device, either before running the software, or even while the software is running. The Yoctopuce library is designed to help you support this kind of behavior, but your code must nevertheless be conceived to interpret in the best possible way the errors indicated by the library.
The simplest way to work around the problem is the one used in the short examples provided in this chapter: before accessing a module, check that it is online with the isOnline function, and then hope that it will stay so during the fraction of a second necessary for the following code lines to run. This method is not perfect, but it can be sufficient in some cases. You must however be aware that you cannot completely exclude an error which would occur after the call to isOnline and which could crash the software.
In the Java API, error handling is implemented with exceptions. Therefore you must catch and handle correctly all exceptions that might be thrown by the API if you do not want your software to crash as soon as you unplug a device.
To tell the truth, Android is not a programming language, it is an operating system developed by Google for mobile appliances such as smart phones and tablets. But it so happens that under Android everything is programmed with the same programming language: Java. Nevertheless, the programming paradigms and the possibilities to access the hardware are slightly different from classical Java, and this justifies a separate chapter on Android programming.
In the opposite to the classical Java API, the Java for Android API can access USB modules natively. However, as there is no VirtualHub running under Android, it is not possible to remotely control Yoctopuce modules connected to a machine under Android. Naturally, the Java for Android API remains perfectly able to connect itself to VirtualHub running on another OS.
Go to the Yoctopuce web site and download the Java for Android programming library38. The library is available as source files, and also as a jar file. Connect your modules, decompress the library files in the directory of your choice, and configure your Android programming environment so that it can find them.
To keep them simple, all the examples provided in this documentation are snippets of Android applications. You must integrate them in your own Android applications to make them work. However, your can find complete applications in the examples provided with the Java for Android library.
In an ideal world, you would only need to have a smart phone running under Android to be able to make Yoctopuce modules work. Unfortunately, it is not quite so in the real world. A machine running under Android must fulfil to a few requirements to be able to manage Yoctopuce USB modules natively.
Our library can be compiled to work with older versions, as long as the Android tools allow us to support them, i.e. approximately versions of the last ten years.
Naturally, not only must your machine have a USB port, this port must also be able to run in host mode. In host mode, the machine literally takes control of the devices which are connected to it. The USB ports of a desktop computer, for example, work in host mode. The opposite of the host mode is the device mode. USB keys, for instance, work in device mode: they must be controlled by a host. Some USB ports are able to work in both modes, they are OTG (On The Go) ports. It so happens that many mobile devices can only work in device mode: they are designed to be connected to a charger or a desktop computer, and nothing else. It is therefore highly recommended to pay careful attention to the technical specifications of a product working under Android before hoping to make Yoctopuce modules work with it.
Unfortunately, having a correct version of Android and USB ports working in host mode is not enough to guaranty that Yoctopuce modules will work well under Android. Indeed, some manufacturers configure their Android image so that devices other than keyboard and mass storage are ignored, and this configuration is hard to detect. As things currently stand, the best way to know if a given Android machine works with Yoctopuce modules consists in trying.
By default, Android does not allow an application to access the devices connected to the USB port. To enable your application to interact with a Yoctopuce module directly connected on your tablet on a USB port, a few additional steps are required. If you intend to interact only with modules connected on another machine through the network, you can ignore this section.
In your AndroidManifest.xml, you must declare using the "USB Host" functionality by adding the <uses-feature android:name="android.hardware.usb.host" /> tag in the manifest section.
When first accessing a Yoctopuce module, Android opens a window to inform the user that the application is going to access the connected module. The user can deny or authorize access to the device. If the user authorizes the access, the application can access the connected device as long as it stays connected. To enable the Yoctopuce library to correctly manage these authorizations, your must provide a pointer on the application context by calling the EnableUSBHost method of the YAPI class before the first USB access. This function takes as arguments an object of the android.content.Context class (or of a subclass). As the Activity class is a subclass of Context, it is simpler to call YAPI.EnableUSBHost(this); in the method onCreate of your application. If the object passed as parameter is not of the correct type, a YAPI_Exception exception is generated.
It is possible to register your application as a default application for a USB module. In this case, as soon as a module is connected to the system, the application is automatically launched. You must add <action android:name="android.hardware.usb.action.USB_DEVICE_ATTACHED"/> in the section <intent-filter> of the main activity. The section <activity> must have a pointer to an XML file containing the list of USB modules which can run the application.
The XML file containing the list of modules allowed to run the application must be saved in the res/xml directory. This file contains a list of USB vendorId and deviceID in decimal. The following example runs the application as soon as a Yocto-Relay or a YoctoPowerRelay is connected. You can find the vendorID and the deviceID of Yoctopuce modules in the characteristics section of the documentation.
A few lines of code are enough to use a Yocto-Color-V2-C. Here is the skeleton of a Java code snippet to use the ColorLedCluster function.
Let us look at these lines in more details.
The YAPI.EnableUSBHost function initializes the API with the Context of the current application. This function takes as argument an object of the android.content.Context class (or of a subclass). If you intend to connect your application only to other machines through the network, this function is facultative.
The yAPI.RegisterHub function initializes the Yoctopuce API and indicates where the modules should be looked for. The parameter is the address of the virtual hub able to see the devices. If the string "usb" is passed as parameter, the API works with modules locally connected to the machine. If the initialization does not succeed, an exception is thrown.
The YColorLedCluster.FindColorLedCluster function allows you to find a RGB LED cluster from the serial number of the module on which it resides and from its function name. You can use logical names as well, as long as you have initialized them. Let us imagine a Yocto-Color-V2-C module with serial number RGBLED2C-123456 which you have named "MyModule", and for which you have given the colorLedCluster function the name "MyFunction". The following five calls are strictly equivalent, as long as "MyFunction" is defined only once.
YColorLedCluster.FindColorLedCluster returns an object which you can then use at will to control the RGB LED cluster.
The isOnline() method of the object returned by YColorLedCluster.FindColorLedCluster allows you to know if the corresponding module is present and in working order.
The set_activeLedCount() method of the object returned by YColorLedCluster.FindColorLedCluster allows you to configure the number of LEDs supported by the Yocto-Color-V2-C.
The set_ledType() method of the object returned by YColorLedCluster.FindColorLedCluster sets the type of LEDs that are connected to the Yocto-Color-V2-C.
The set_rgbColor() method of the object returned by YColorLedCluster.FindColorLedCluster allows you to set the color of the corresponding leds. The color is given in RBG coordinates coded as an integer.
There is another way to change the led color. The rgb_move() method of the object returned by YColorLedCluster.FindColorLedCluster allows you run a transition between the current color and another RGB color given as a parameter. This function takes as second parameter the lapse of time allocated for the transition.
The set_rgbColor() and rgb_move() methods also exist in an HSL version. As an exercise, you could modify the example below to use the HSL system. You could then observe the differences in behavior between the two systems. In HSL, red is coded 0xFFFF80, green 0x55FF80, and blue 0xA9FF80.
Launch you Java environment and open the corresponding sample project provided in the directory Examples//Doc-Examples of the Yoctopuce library.
In this example, you can recognize the functions explained above, but this time used with all the side materials needed to make it work nicely as a small demo.
Each module can be controlled in a similar manner, you can find below a simple sample program displaying the main parameters of the module and enabling you to activate the localization beacon.
Each property xxx of the module can be read thanks to a method of type YModule.get_xxxx(), and properties which are not read-only can be modified with the help of the YModule.set_xxx() method. For more details regarding the used functions, refer to the API chapters.
When you want to modify the settings of a module, you only need to call the corresponding YModule.set_xxx() function. However, this modification is performed only in the random access memory (RAM) of the module: if the module is restarted, the modifications are lost. To memorize them persistently, it is necessary to ask the module to save its current configuration in its permanent memory. To do so, use the YModule.saveToFlash() method. Inversely, it is possible to force the module to forget its current settings by using the YModule.revertFromFlash() method. The short example below allows you to modify the logical name of a module.
Warning: the number of write cycles of the nonvolatile memory of the module is limited. When this limit is reached, nothing guaranties that the saving process is performed correctly. This limit, linked to the technology employed by the module micro-processor, is located at about 100000 cycles. In short, you can use the YModule.saveToFlash() function only 100000 times in the life of the module. Make sure you do not call this function within a loop.
Obtaining the list of the connected modules is performed with the YModule.yFirstModule() function which returns the first module found. Then, you only need to call the nextModule() function of this object to find the following modules, and this as long as the returned value is not null. Below a short example listing the connected modules.
When you implement a program which must interact with USB modules, you cannot disregard error handling. Inevitably, there will be a time when a user will have unplugged the device, either before running the software, or even while the software is running. The Yoctopuce library is designed to help you support this kind of behavior, but your code must nevertheless be conceived to interpret in the best possible way the errors indicated by the library.
The simplest way to work around the problem is the one used in the short examples provided in this chapter: before accessing a module, check that it is online with the isOnline function, and then hope that it will stay so during the fraction of a second necessary for the following code lines to run. This method is not perfect, but it can be sufficient in some cases. You must however be aware that you cannot completely exclude an error which would occur after the call to isOnline and which could crash the software.
In the Java API for Android, error handling is implemented with exceptions. Therefore you must catch and handle correctly all exceptions that might be thrown by the API if you do not want your software to crash soon as you unplug a device.
TypeScript is an enhanced version of the JavaScript programming language. It is a syntaxic superset with strong typing, therefore increasing the code reliability, but transpiled - aka compiled - into JavaScript for execution in any standard Web browser or Node.js environment.
This Yoctopuce library therefore makes it possible to implement JavaScript applications using strong typing. Similarly to our EcmaScript library, it uses the new asynchronous features introduced in ECMAScript 2017, which are now available in all modern JavaScript environments. Note however that at the time of writting, Web browsers and Node.JS cannot use TypeScript code directly, so you must first compile your TypeScript into JavaScript before running it.
The library works both in a Web browser and in Node.js. In order to allow for a static resolution of dependencies, and to avoid ambiguities that can arise when using hybrid environments such as Electron, the choice of the runtime environment must be done explicitly upon import of the library, by referencing in the project either yocto_api_nodejs.js or yocto_api_html.js.
The library can be integrated in your projects in multiple ways, depending on what best fits your requirements:
1. Start by installing TypeScript on your machine if this is not yet done. In order to do so:
2. Go to the Yoctopuce web site and download the following items:
3. Extract the library files in a folder of your choice, and open a command window in the directory where you have installed it. In order to install the few dependencies which are necessary to start the examples, run this command:
When the command has run without error, you are ready to explore the examples. They are available in two different trees, depending on the environment that you need to use: example_html for running the Yoctopuce library within a Web browser, or example_nodejs if you plan to use the library in a Node.js environment.
The method to use for launching the examples depends on the environment. You will find more about it below.
JavaScript is single-threaded by design. In order to handle time-consuming I/O operations, JavaScript relies on asynchronous operations: the I/O call is only triggered but then the code execution flow is suspended. The JavaScript engine is therefore free to handle other pending tasks, such as user interface. Whenever the pending I/O call is completed, the system invokes a callback function with the result of the I/O call to resume execution of the original execution flow.
When used with plain callback functions, as pervasive in Node.js libraries, asynchronous I/O tend to produce code with poor readability, as the execution flow is broken into many disconnected callback functions. Fortunately, the ECMAScript 2015 standard came in with Promise objects and a new async / await syntax to abstract calls to asynchronous calls:
To make a long story short, async and await make it possible to write TypeScript code with all the benefits of asynchronous I/O, but without breaking the code flow. It is almost like multi-threaded execution, except that control switch between pending tasks only happens at places where the await keyword appears.
This TypeScript library uses the Promise objects and async methods, to allow you to use the await syntax. To keep it easy to remember, all public methods of the TypeScript library are async, i.e. return a Promise object, except:
In most cases, TypeScript strong typing will remind you to use await when calling an asynchronous method.
A few lines of code are enough to use a Yocto-Color-V2-C. Here is the skeleton of a TypeScript code snipplet to use the ColorLedCluster function.
Let us look at these lines in more details.
These two imports provide access to functions allowing you to manage Yoctopuce modules. yocto_api is always needed, yocto_colorledcluster is necessary to manage modules containing a RGB LED cluster, such as Yocto-Color-V2-C. Other imports can be useful in other cases, such as YModule which can let you enumerate any type of Yoctopuce device.
In order to properly bind yocto_api to the proper network libraries (provided either by Node.js or by the web browser for an HTML application), you must import at least once in your project one of the two variants yocto_api_nodejs.js or yocto_api_html.js.
Note that this example imports the Yoctopuce library as a CommonJS module, which is the most frequently used with Node.JS, but if your project is designed around EcmaScript native modules, you can also replace in the import directive the prefix yoctolib-cjs by yoctolib-esm.
The RegisterHub method allows you to indicate on which machine the Yoctopuce modules are located, more precisely on which machine the VirtualHub software is running. In our case, the 127.0.0.1:4444 address indicates the local machine, port 4444 (the standard port used by Yoctopuce). You can very well modify this address, and enter the address of another machine on which the VirtualHub software is running, or of a YoctoHub. If the host cannot be reached, this function will trigger an exception.
As explained above, using RegisterHub("usb") is not supported in TypeScript, because the JavaScript engine has no direct access to USB devices. It needs to go through the VirtualHub via a localhost connection.
The FindColorLedCluster method allows you to find a RGB LED cluster from the serial number of the module on which it resides and from its function name. You can also use logical names, as long as you have initialized them. Let us imagine a Yocto-Color-V2-C module with serial number RGBLED2C-123456 which you have named "MyModule", and for which you have given the colorLedCluster function the name "MyFunction". The following five calls are strictly equivalent, as long as "MyFunction" is defined only once.
YColorLedCluster.FindColorLedCluster returns an object which you can then use at will to control the RGB LED cluster.
The isOnline() method of the object returned by FindColorLedCluster allows you to know if the corresponding module is present and in working order.
The set_activeLedCount() method of the object returned by YColorLedCluster.FindColorLedCluster allows you to configure the number of LEDs supported by the Yocto-Color-V2-C.
The set_ledType() method of the object returned by YColorLedCluster.FindColorLedCluster sets the type of LEDs that are connected to the Yocto-Color-V2-C.
The set_rgbColor() method of the object returned by YColorLedCluster.FindColorLedCluster allows you to set the color of the corresponding leds. The color is given in RBG coordinates coded as an integer.
There is another way to change the led color. The rgb_move() method of the object returned by YColorLedCluster.FindColorLedCluster allows you run a transition between the current color and another RGB color given as a parameter. This function takes as second parameter the lapse of time allocated for the transition.
The set_rgbColor() and rgb_move() methods also exist in an HSL version. As an exercise, you could modify the example below to use the HSL system. You could then observe the differences in behavior between the two systems. In HSL, red is coded 0xFFFF80, green 0x55FF80, and blue 0xA9FF80.
Open a command window (a terminal, a shell...) and go into the directory example_nodejs/Doc-GettingStarted-Yocto-Color-V2-C within Yoctopuce library for TypeScript. In there, you will find a file named demo.ts with the sample code below, which uses the functions explained above, but this time used with all side materials needed to make it work nicely as a small demo.
If your Yocto-Color-V2-C is not connected on the host running the browser, replace in the example the address 127.0.0.1 by the IP address of the host on which the Yocto-Color-V2-C is connected and where you run the VirtualHub.
As explained at the beginning of this chapter, you need to have installed the TypeScript compiler on your machine to test these examples, and to install the typescript library dependencies. If you have done that, you can now type the following two commands in the example directory, to finalize the resolution of the example-specific dependencies:
You ar now ready to start the sample code with Node.js. The easiest way to do it is to use the following command, replacing the [...] by the arguments that you want to pass to the demo code:
This command, defined in package.json, will first start the TypeScript compiler using the simple tsc command, then run the transpiled code in Node.js.
The compilation uses the parameters specified in the file tsconfig.json, and produces
Note that the package.json file in our examples uses a relative reference to the local copy of the library, to avoid duplicating the library in each example. But of course, for your application, you can refer to the package directly in npm repository, by adding it to your project using the command:
If you want to see how to use the library within a browser rather than with Node.js, switch to the directory example_html/Doc-GettingStarted-Yocto-Color-V2-C. You will find there an HTML file named app.html, and a TypeScript file app.ts similar to the code above, but with a few changes since it has to interact through an HTML page rather than through the JavaScript console.
No installation is needed to run this example, as the TypeScript library is referenced using a relative path. However, in order to allow the browser to run the code, the HTML page must be served by a Web server. We therefore provide a simple test server for this purpose, that you can start with the command:
This command will compile the TypeScript sample code, make it available via an HTTP server on port 3000 and open a Web browser on this example. If you change the example source code, the TypeScript compiler will automatically be triggered to update the transpiled code and a simple page reload on the browser will make it possible to test the change.
As for the Node.js example, the compilation process will create a source map file which makes it possible to debug the example code in TypeScript source form within the browser debugger. Note that as of the writing of this document, this works on Chromium-based browsers but not yet in Firefox.
Each module can be controlled in a similar manner, you can find below a simple sample program displaying the main parameters of the module and enabling you to activate the localization beacon.
Each property xxx of the module can be read thanks to a method of type get_xxxx(), and properties which are not read-only can be modified with the help of the set_xxx() method. For more details regarding the used methods, refer to the API chapters.
When you want to modify the settings of a module, you only need to call the corresponding set_xxx() method. However, this modification is performed only in the random access memory (RAM) of the module: if the module is restarted, the modifications are lost. To memorize them persistently, it is necessary to ask the module to save its current configuration in its permanent memory. To do so, use the saveToFlash() method. Inversely, it is possible to force the module to forget its current settings by using the revertFromFlash() method. The short example below allows you to modify the logical name of a module.
Warning: the number of write cycles of the nonvolatile memory of the module is limited. When this limit is reached, nothing guaranties that the saving process is performed correctly. This limit, linked to the technology employed by the module micro-processor, is located at about 100000 cycles. In short, you can use the saveToFlash() method only 100000 times in the life of the module. Make sure you do not call this method within a loop.
Obtaining the list of the connected modules is performed with the YModule.FirstModule() method which returns the first module found. Then, you only need to call the nextModule() method of this object to find the following modules, and this as long as the returned value is not null. Below a short example listing the connected modules.
When you implement a program which must interact with USB modules, you cannot disregard error handling. Inevitably, there will be a time when a user will have unplugged the device, either before running the software, or even while the software is running. The Yoctopuce library is designed to help you support this kind of behavior, but your code must nevertheless be conceived to interpret in the best possible way the errors indicated by the library.
The simplest way to work around the problem is the one used in the short examples provided in this chapter: before accessing a module, check that it is online with the isOnline function, and then hope that it will stay so during the fraction of a second necessary for the following code lines to run. This method is not perfect, but it can be sufficient in some cases. You must however be aware that you cannot completely exclude an error which would occur after the call to isOnline and which could crash the software. The only way to prevent this is to implement one of the two error handling techniques described below.
The method recommended by most programming languages for unpredictable error handling is the use of exceptions. By default, it is the behavior of the Yoctopuce library. If an error happens while you try to access a module, the library throws an exception. In this case, there are three possibilities:
As this latest situation is not the most desirable, the Yoctopuce library offers another possibility for error handling, allowing you to create a robust program without needing to catch exceptions at every line of code. You simply need to call the YAPI.DisableExceptions() function to commute the library to a mode where exceptions for all the functions are systematically replaced by specific return values, which can be tested by the caller when necessary. For each function, the name of each return value in case of error is systematically documented in the library reference. The name always follows the same logic: a get_state() method returns a ClassName.STATE_INVALID value, a get_currentValue method returns a ClassName.CURRENTVALUE_INVALID value, and so on. In any case, the returned value is of the expected type and is not a null pointer which would risk crashing your program. At worst, if you display the value without testing it, it will be outside the expected bounds for the returned value. In the case of functions which do not normally return information, the return value is YAPI_SUCCESS if everything went well, and a different error code in case of failure.
When you work without exceptions, you can obtain an error code and an error message explaining the source of the error. You can request them from the object which returned the error, calling the errType() and errMessage() methods. Their returned values contain the same information as in the exceptions when they are active.
EcmaScript is the official name of the standardized version of the web-oriented programming language commonly referred to as JavaScript. This Yoctopuce library take advantages of advanced features introduced in EcmaScript 2017. It has therefore been named Library for JavaScript / EcmaScript 2017 to differentiate it from the previous Library for JavaScript, now deprecated in favor of this new version.
This library provides access to Yoctopuce devices for modern JavaScript engines. It can be used within a browser as well as with Node.js. The library will automatically detect upon initialization whether the runtime environment is a browser or a Node.js virtual machine, and use the most appropriate system libraries accordingly.
Asynchronous communication with the devices is handled across the whole library using Promise objects, leveraging the new EcmaScript 2017 async / await non-blocking syntax for asynchronous I/O (see below). This syntax is now available out-of-the-box in most Javascript engines. No transpilation is needed: no Babel, no jspm, just plain Javascript. Here is your favorite engines minimum version needed to run this code. All of them are officially released at the time we write this document.
If you need backward-compatibility with older releases, you can always run Babel to transpile your code and the library to older standards, as described a few paragraphs below.
We don't suggest using jspm anymore now that async / await are part of the standard.
JavaScript is single-threaded by design. That means, if a program is actively waiting for the result of a network-based operation such as reading from a sensor, the whole program is blocked. In browser environments, this can even completely freeze the user interface. For this reason, the use of blocking I/O in JavaScript is strongly discouraged nowadays, and blocking network APIs are getting deprecated everywhere.
Instead of using parallel threads, JavaScript relies on asynchronous I/O to handle operations with a possible long timeout: whenever a long I/O call needs to be performed, it is only triggered and but then the code execution flow is terminated. The JavaScript engine is therefore free to handle other pending tasks, such as UI. Whenever the pending I/O call is completed, the system invokes a callback function with the result of the I/O call to resume execution of the original execution flow.
When used with plain callback functions, as pervasive in Node.js libraries, asynchronous I/O tend to produce code with poor readability, as the execution flow is broken into many disconnected callback functions. Fortunately, new methods have emerged recently to improve that situation. In particular, the use of Promise objects to abstract and work with asynchronous tasks helps a lot. Any function that makes a long I/O operation can return a Promise, which can be used by the caller to chain subsequent operations in the same flow. Promises are part of EcmaScript 2015 standard.
Promise objects are good, but what makes them even better is the new async / await keywords to handle asynchronous I/O:
Long story made short, async and await make it possible to write EcmaScript code with all benefits of asynchronous I/O, but without breaking the code flow. It is almost like multi-threaded execution, except that control switch between pending tasks only happens at places where the await keyword appears.
We have therefore chosen to write our new EcmaScript library using Promises and async functions, so that you can use the friendly await syntax. To keep it easy to remember, all public methods of the EcmaScript library are async, i.e. return a Promise object, except:
JavaScript is one of those languages which do not generally allow you to directly access the hardware layers of your computer. Therefore the library can only be used to access network-enabled devices (connected through a YoctoHub), or USB devices accessible through Yoctopuce TCP/IP to USB gateway, named VirtualHub.
Go to the Yoctopuce web site and download the following items:
Extract the library files in a folder of your choice, you will find many of examples in it. Connect your modules and start the VirtualHub software. You do not need to install any driver.
Start by installing the latest Node.js version (v7.6 or later) on your system. It is very easy. You can download it from the official web site: http://nodejs.org. Make sure to install it fully, including npm, and add it to the system path.
To give it a try, go into one of the example directory (for instance example_nodejs/Doc-Inventory). You will see that it include an application description file (package.json) and a source file (demo.js). To download and setup the libraries needed by this example, just run:
Once done, you can start the example file using:
If for some reason you need to make changes to the Yoctopuce library, you can easily configure your project to use the local copy in the lib/ subdirectory rather than the official npm package. In order to do so, simply type the following command in your project directory:
For HTML examples, it is even simpler: there is nothing to install. Each example is a single HTML file that you can open in a browser to try it. In this context, loading the Yoctopuce library is no different from any standard HTML script include tag.
If you need to run this library on older JavaScript engines, you can use Babel43 to transpile your code and the library into older JavaScript standards. To install Babel with typical settings, simply use:
You would typically ask Babel to put the transpiled files in another directory, named compat for instance. Your files and all files of the Yoctopuce library should be transpiled, as follow:
Although this approach is based on node.js toolchain, it actually works as well for transpiling JavaScript files for use in a browser. The only thing that you cannot do so easily is transpiling JavaScript code embedded directly in an HTML page. You have to use an external script file for using EcmaScript 2017 syntax with Babel.
Babel has many smart features, such as a watch mode that will automatically refresh transpiled files whenever the source file is changed, but this is beyond the scope of this note. You will find more in Babel documentation.
This new library is not fully backward-compatible with the old JavaScript library, because there is no way to transparently map the old blocking API to the new asynchronous API. The method names however are the same, and old synchronous code can easily be made asynchronous just by adding the proper await keywords before the method calls. For instance, simply replace:
by
Apart from a few exceptions, most XXX_async redundant methods have been removed as well, as they would have introduced confusion on the proper way of handling asynchronous behaviors. It is however very simple to get an async method to invoke a callback upon completion, using the returned Promise object. For instance, you can replace:
by
In some cases, it might be desirable to get a sensor value using a method identical to the old synchronous methods (without using Promises), even if it returns a slightly outdated cached value since I/O is not possible. For this purpose, the EcmaScript library introduce new classes called synchronous proxies. A synchronous proxy is an object that mirrors the most recent state of the connected class, but can be read using regular synchronous function calls. For instance, instead of writing:
you can use:
You can also rewrite this last asynchronous call as:
A few lines of code are enough to use a Yocto-Color-V2-C. Here is the skeleton of a JavaScript code snippet to use the ColorLedCluster function.
Let us look at these lines in more details.
These two import provide access to functions allowing you to manage Yoctopuce modules. yocto_api is always needed, yocto_colorledcluster is necessary to manage modules containing a RGB LED cluster, such as Yocto-Color-V2-C. Other imports can be useful in other cases, such as YModule which can let you enumerate any type of Yoctopuce device.
The RegisterHub method allows you to indicate on which machine the Yoctopuce modules are located, more precisely on which machine the VirtualHub software is running. In our case, the 127.0.0.1:4444 address indicates the local machine, port 4444 (the standard port used by Yoctopuce). You can very well modify this address, and enter the address of another machine on which the VirtualHub software is running, or of a YoctoHub. If the host cannot be reached, this function will trigger an exception.
The FindColorLedCluster method allows you to find a RGB LED cluster from the serial number of the module on which it resides and from its function name. You can also use logical names, as long as you have initialized them. Let us imagine a Yocto-Color-V2-C module with serial number RGBLED2C-123456 which you have named "MyModule", and for which you have given the colorLedCluster function the name "MyFunction". The following five calls are strictly equivalent, as long as "MyFunction" is defined only once.
YColorLedCluster.FindColorLedCluster returns an object which you can then use at will to control the RGB LED cluster.
The isOnline() method of the object returned by FindColorLedCluster allows you to know if the corresponding module is present and in working order.
The set_activeLedCount() method of the object returned by YColorLedCluster.FindColorLedCluster allows you to configure the number of LEDs supported by the Yocto-Color-V2-C.
The set_ledType() method of the object returned by YColorLedCluster.FindColorLedCluster sets the type of LEDs that are connected to the Yocto-Color-V2-C.
The set_rgbColor() method of the object returned by YColorLedCluster.FindColorLedCluster allows you to set the color of the corresponding leds. The color is given in RBG coordinates coded as an integer.
There is another way to change the led color. The rgb_move() method of the object returned by YColorLedCluster.FindColorLedCluster allows you run a transition between the current color and another RGB color given as a parameter. This function takes as second parameter the lapse of time allocated for the transition.
The set_rgbColor() and rgb_move() methods also exist in an HSL version. As an exercise, you could modify the example below to use the HSL system. You could then observe the differences in behavior between the two systems. In HSL, red is coded 0xFFFF80, green 0x55FF80, and blue 0xA9FF80.
Open a command window (a terminal, a shell...) and go into the directory example_nodejs/Doc-GettingStarted-Yocto-Color-V2-C within Yoctopuce library for JavaScript / EcmaScript 2017. In there, you will find a file named demo.js with the sample code below, which uses the functions explained above, but this time used with all side materials needed to make it work nicely as a small demo.
If your Yocto-Color-V2-C is not connected on the host running the browser, replace in the example the address 127.0.0.1 with the IP address of the host on which the Yocto-Color-V2-C is connected and where you run the VirtualHub.
As explained at the beginning of this chapter, you need to have Node.js v7.6 or later installed to try this example. When done, you can type the following two commands to automatically download and install the dependencies for building this example:
If you want to see how to use the library within a browser rather than with Node.js, switch to the directory example_html/Doc-GettingStarted-Yocto-Color-V2-C. You will find there a single HTML file, with a JavaScript section similar to the code above, but with a few changes since it has to interact through an HTML page rather than through the JavaScript console.
No installation is needed to run this example, all you have to do is open the HTML file using a web browser,
Each module can be controlled in a similar manner, you can find below a simple sample program displaying the main parameters of the module and enabling you to activate the localization beacon.
Each property xxx of the module can be read thanks to a method of type get_xxxx(), and properties which are not read-only can be modified with the help of the set_xxx() method. For more details regarding the used functions, refer to the API chapters.
When you want to modify the settings of a module, you only need to call the corresponding set_xxx() function. However, this modification is performed only in the random access memory (RAM) of the module: if the module is restarted, the modifications are lost. To memorize them persistently, it is necessary to ask the module to save its current configuration in its permanent memory. To do so, use the saveToFlash() method. Inversely, it is possible to force the module to forget its current settings by using the revertFromFlash() method. The short example below allows you to modify the logical name of a module.
Warning: the number of write cycles of the nonvolatile memory of the module is limited. When this limit is reached, nothing guaranties that the saving process is performed correctly. This limit, linked to the technology employed by the module micro-processor, is located at about 100000 cycles. In short, you can use the saveToFlash() function only 100000 times in the life of the module. Make sure you do not call this function within a loop.
Obtaining the list of the connected modules is performed with the YModule.FirstModule() function which returns the first module found. Then, you only need to call the nextModule() function of this object to find the following modules, and this as long as the returned value is not null. Below a short example listing the connected modules.
When you implement a program which must interact with USB modules, you cannot disregard error handling. Inevitably, there will be a time when a user will have unplugged the device, either before running the software, or even while the software is running. The Yoctopuce library is designed to help you support this kind of behavior, but your code must nevertheless be conceived to interpret in the best possible way the errors indicated by the library.
The simplest way to work around the problem is the one used in the short examples provided in this chapter: before accessing a module, check that it is online with the isOnline function, and then hope that it will stay so during the fraction of a second necessary for the following code lines to run. This method is not perfect, but it can be sufficient in some cases. You must however be aware that you cannot completely exclude an error which would occur after the call to isOnline and which could crash the software. The only way to prevent this is to implement one of the two error handling techniques described below.
The method recommended by most programming languages for unpredictable error handling is the use of exceptions. By default, it is the behavior of the Yoctopuce library. If an error happens while you try to access a module, the library throws an exception. In this case, there are three possibilities:
As this latest situation is not the most desirable, the Yoctopuce library offers another possibility for error handling, allowing you to create a robust program without needing to catch exceptions at every line of code. You simply need to call the YAPI.DisableExceptions() function to commute the library to a mode where exceptions for all the functions are systematically replaced by specific return values, which can be tested by the caller when necessary. For each function, the name of each return value in case of error is systematically documented in the library reference. The name always follows the same logic: a get_state() method returns a ClassName.STATE_INVALID value, a get_currentValue method returns a ClassName.CURRENTVALUE_INVALID value, and so on. In any case, the returned value is of the expected type and is not a null pointer which would risk crashing your program. At worst, if you display the value without testing it, it will be outside the expected bounds for the returned value. In the case of functions which do not normally return information, the return value is YAPI_SUCCESS if everything went well, and a different error code in case of failure.
When you work without exceptions, you can obtain an error code and an error message explaining the source of the error. You can request them from the object which returned the error, calling the errType() and errMessage() methods. Their returned values contain the same information as in the exceptions when they are active.
PHP is, like Javascript, an atypical language when interfacing with hardware is at stakes. Nevertheless, using PHP with Yoctopuce modules provides you with the opportunity to very easily create web sites which are able to interact with their physical environment, and this is not available to every web server. This technique has a direct application in home automation: a few Yoctopuce modules, a PHP server, and you can interact with your home from anywhere on the planet, as long as you have an internet connection.
PHP is one of those languages which do not allow you to directly access the hardware layers of your computer. Therefore you need to run VirtualHub on the machine on which your modules are connected.
To start your tests with PHP, you need a PHP 7.1 (or more recent) server44, preferably locally on you machine. If you wish to use the PHP server of your internet provider, it is possible, but you will probably need to configure your ADSL router for it to accept and forward TCP request on the 4444 port.
Go to the Yoctopuce web site and download the following items:
Our PHP library is based on PHP 8.x. In other words, our library works perfectly with any version of PHP currently still supported. However, in order not to abandon our customers with older installations, we maintain a version compatible with PHP 7.1. which dates back to 2016.
We also offer a version of the library that follows PSR's recommendations. For simplicity's sake, this version uses the same code as the php8 version, but each class is stored in a separate file. In addition, this version uses a Yoctopuce\YoctoAPI namespace. These changes make our library much easier to use with autoload installations.
Note that the examples in the documentation do not use the PSR version.
In the library archive, there are thus three subdirectories:
Choose the right directory according to the version of the library you wish to use, unzip the files of this directory into a directory of your choice accessible to your web server, plug in your modules, launch VirtualHub, and you are ready to start testing. You do not need to install any driver.
A few lines of code are enough to use a Yocto-Color-V2-C. Here is the skeleton of a PHP code snipplet to use the ColorLedCluster function.
Let's look at these lines in more details.
These two PHP includes provides access to the functions allowing you to manage Yoctopuce modules. yocto_api.php must always be included, yocto_colorledcluster.php is necessary to manage modules containing a RGB LED cluster, such as Yocto-Color-V2-C.
The YAPI::RegisterHub function allows you to indicate on which machine the Yoctopuce modules are located, more precisely on which machine the VirtualHub software is running. In our case, the 127.0.0.1:4444 address indicates the local machine, port 4444 (the standard port used by Yoctopuce). You can very well modify this address, and enter the address of another machine on which the VirtualHub software is running.
The YColorLedCluster::FindColorLedCluster function allows you to find a RGB LED cluster from the serial number of the module on which it resides and from its function name. You can use logical names as well, as long as you have initialized them. Let us imagine a Yocto-Color-V2-C module with serial number RGBLED2C-123456 which you have named "MyModule", and for which you have given the colorLedCluster function the name "MyFunction". The following five calls are strictly equivalent, as long as "MyFunction" is defined only once.
YColorLedCluster::FindColorLedCluster returns an object which you can then use at will to control the RGB LED cluster.
The isOnline() method of the object returned by YColorLedCluster::FindColorLedCluster allows you to know if the corresponding module is present and in working order.
The set_activeLedCount() method of the object returned by yFindColorLedCluster allows you to configure the number of LEDs supported by the Yocto-Color-V2-C.
The set_ledType() method of the object returned by yFindColorLedCluster sets the type of LEDs that are connected to the Yocto-Color-V2-C.
The set_rgbColor() method of the object returned by yFindColorLedCluster allows you to set the color of the corresponding leds. The color is given in RBG coordinates coded as an integer.
There is another way to change the led color. The rgb_move() method of the object returned by yFindColorLedCluster allows you run a transition between the current color and another RGB color given as a parameter. This function takes as second parameter the lapse of time allocated for the transition.
The set_rgbColor() and rgb_move() methods also exist in an HSL version. As an exercise, you could modify the example below to use the HSL system. You could then observe the differences in behavior between the two systems. In HSL, red is coded 0xFFFF80, green 0x55FF80, and blue 0xA9FF80.
Open your preferred text editor47, copy the code sample below, save it with the Yoctopuce library files in a location which is accessible to you web server, then use your preferred web browser to access this page. The code is also provided in the directory Examples/Doc-GettingStarted-Yocto-Color-V2-C of the Yoctopuce library.
In this example, you will recognize the functions explained above, but this time used with all side materials needed to make it work nicely as a small demo.
Each module can be controlled in a similar manner, you can find below a simple sample program displaying the main parameters of the module and enabling you to activate the localization beacon.
Each property xxx of the module can be read thanks to a method of type get_xxxx(), and properties which are not read-only can be modified with the help of the set_xxx() method. For more details regarding the used functions, refer to the API chapters.
When you want to modify the settings of a module, you only need to call the corresponding set_xxx() function. However, this modification is performed only in the random access memory (RAM) of the module: if the module is restarted, the modifications are lost. To memorize them persistently, it is necessary to ask the module to save its current configuration in its permanent memory. To do so, use the saveToFlash() method. Inversely, it is possible to force the module to forget its current settings by using the revertFromFlash() method. The short example below allows you to modify the logical name of a module.
Warning: the number of write cycles of the nonvolatile memory of the module is limited. When this limit is reached, nothing guaranties that the saving process is performed correctly. This limit, linked to the technology employed by the module micro-processor, is located at about 100000 cycles. In short, you can use the saveToFlash() function only 100000 times in the life of the module. Make sure you do not call this function within a loop.
Obtaining the list of the connected modules is performed with the yFirstModule() function which returns the first module found. Then, you only need to call the nextModule() function of this object to find the following modules, and this as long as the returned value is not NULL. Below a short example listing the connected modules.
The PHP library is able to work in a specific mode called HTTP callback Yocto-API. With this mode, you can control Yoctopuce devices installed behind a NAT filter, such as a DSL router for example, and this without needing to open a port. The typical application is to control Yoctopuce devices, located on a private network, from a public web site.
A DSL router which translates network addresses (NAT) works somewhat like a private phone switchboard (a PBX): internal extensions can call each other and call the outside; but seen from the outside, there is only one official phone number, that of the switchboard itself. You cannot reach the internal extensions from the outside.

Typical DSL configuration: LAN machines are isolated from
the outside by the DSL router
Transposed to the network, we have the following: appliances connected to your home automation network can communicate with one another using a local IP address (of the 192.168.xxx.yyy type), and contact Internet servers through their public address. However, seen from the outside, you have only one official IP address, assigned to the DSL router only, and you cannot reach your network appliances directly from the outside. It is rather restrictive, but it is a relatively efficient protection against intrusions.

Responses from request from LAN machines are routed.

But requests from the outside are blocked.
Seeing Internet without being seen provides an enormous security advantage. However, this signifies that you cannot, a priori, set up your own web server at home to control a home automation installation from the outside. A solution to this problem, advised by numerous home automation system dealers, consists in providing outside visibility to your home automation server itself, by adding a routing rule in the NAT configuration of the DSL router. The issue of this solution is that it exposes the home automation server to external attacks.
The HTTP callback API solves this issue without having to modify the DSL router configuration. The module control script is located on an external site, and it is the VirtualHub which is in charge of calling it a regular intervals.

The HTTP callback API uses the VirtualHub which initiates the requests.
The callback API thus uses the VirtualHub as a gateway. All the communications are initiated by the VirtualHub. They are thus outgoing communications and therefore perfectly authorized by the DSL router.
You must configure the VirtualHub so that it calls the PHP script on a regular basis. To do so:

Click on the "configure" button on the first line

Click on the "edit" button of the "Outgoing callbacks" section

And select "Yocto-API callback".
You then only need to define the URL of the PHP script and, if need be, the user name and password to access this URL. Supported authentication methods are basic and digest. The second method is safer than the first one because it does not allow transfer of the password on the network.
From the programmer standpoint, the only difference is at the level of the yRegisterHub function call. Instead of using an IP address, you must use the callback string (or http://callback which is equivalent).
The remainder of the code stays strictly identical. On the VirtualHub interface, at the bottom of the configuration window for the HTTP callback API , there is a button allowing you to test the call to the PHP script.
Be aware that the PHP script controlling the modules remotely through the HTTP callback API can be called only by the VirtualHub. Indeed, it requires the information posted by the VirtualHub to function. To code a web site which controls Yoctopuce modules interactively, you must create a user interface which stores in a file or in a database the actions to be performed on the Yoctopuce modules. These actions are then read and run by the control script.
For the HTTP callback API to work, the PHP option allow_url_fopen
must be set. Some web site hosts do not set it by default.
The problem then manifests itself with the following error:
error: URL file-access is disabled in the server configuration
To set this option, you must create, in the repertory where the
control PHP script is located, an .htaccess file containing the
following line:
php_flag "allow_url_fopen" "On"
Depending on the security policies of the host, it is sometimes impossible
to authorize this option at the root of the web site, or even to
install PHP scripts receiving data from a POST HTTP. In this case, place
the PHP script in a subdirectory.
This method that allows you to go through NAT filters cheaply has nevertheless a price. Communications being initiated by the VirtualHub at a more or less regular interval, reaction time to an event is clearly longer than if the Yoctopuce modules were driven directly. You can configure the reaction time in the specific window of the VirtualHub, but it is at least of a few seconds in the best case.
The HTTP callback Yocto-API mode is currently available in PHP, EcmaScript (Node.JS) and Java only.
When you implement a program which must interact with USB modules, you cannot disregard error handling. Inevitably, there will be a time when a user will have unplugged the device, either before running the software, or even while the software is running. The Yoctopuce library is designed to help you support this kind of behavior, but your code must nevertheless be conceived to interpret in the best possible way the errors indicated by the library.
The simplest way to work around the problem is the one used in the short examples provided in this chapter: before accessing a module, check that it is online with the isOnline function, and then hope that it will stay so during the fraction of a second necessary for the following code lines to run. This method is not perfect, but it can be sufficient in some cases. You must however be aware that you cannot completely exclude an error which would occur after the call to isOnline and which could crash the software. The only way to prevent this is to implement one of the two error handling techniques described below.
The method recommended by most programming languages for unpredictable error handling is the use of exceptions. By default, it is the behavior of the Yoctopuce library. If an error happens while you try to access a module, the library throws an exception. In this case, there are three possibilities:
As this latest situation is not the most desirable, the Yoctopuce library offers another possibility for error handling, allowing you to create a robust program without needing to catch exceptions at every line of code. You simply need to call the YAPI.DisableExceptions() function to commute the library to a mode where exceptions for all the functions are systematically replaced by specific return values, which can be tested by the caller when necessary. For each function, the name of each return value in case of error is systematically documented in the library reference. The name always follows the same logic: a get_state() method returns a ClassName.STATE_INVALID value, a get_currentValue method returns a ClassName.CURRENTVALUE_INVALID value, and so on. In any case, the returned value is of the expected type and is not a null pointer which would risk crashing your program. At worst, if you display the value without testing it, it will be outside the expected bounds for the returned value. In the case of functions which do not normally return information, the return value is YAPI_SUCCESS if everything went well, and a different error code in case of failure.
When you work without exceptions, you can obtain an error code and an error message explaining the source of the error. You can request them from the object which returned the error, calling the errType() and errMessage() methods. Their returned values contain the same information as in the exceptions when they are active.
VisualBasic has long been the most favored entrance path to the Microsoft world. Therefore, we had to provide our library for this language, even if the new trend is shifting to C#. We support Visual Studio 2017 and its more recent versions.
Download the Visual Basic Yoctopuce library from the Yoctopuce web site48. There is no setup program, simply copy the content of the zip file into the directory of your choice. You mostly need the content of the Sources directory. The other directories contain the documentation and a few sample programs. All sample projects are Visual Basic 2010, projects, if you are using a previous version, you may have to recreate the projects structure from scratch.
The Visual Basic.NET Yoctopuce library is composed of a DLL and of source files in Visual Basic. The DLL is not a .NET DLL, but a classic DLL, written in C, which manages the low level communications with the modules49. The source files in Visual Basic manage the high level part of the API. Therefore, your need both this DLL and the .vb files of the sources directory to create a project managing Yoctopuce modules.
The following indications are provided for Visual Studio Express 2010, but the process is similar for other versions. Start by creating your project. Then, on the Solution Explorer panel, right click on your project, and select "Add" and then "Add an existing item".
A file selection window opens. Select the yocto_api.vb file and the files corresponding to the functions of the Yoctopuce modules that your project is going to manage. If in doubt, select all the files.
You then have the choice between simply adding these files to your project, or to add them as links (the Add button is in fact a scroll-down menu). In the first case, Visual Studio copies the selected files into your project. In the second case, Visual Studio simply keeps a link on the original files. We recommend you to use links, which makes updates of the library much easier.
Then add in the same manner the yapi.dll DLL, located in the Sources/dll directory50. Then, from the Solution Explorer window, right click on the DLL, select Properties and in the Properties panel, set the Copy to output folder to always. You are now ready to use your Yoctopuce modules from Visual Studio.
In order to keep them simple, all the examples provided in this documentation are console applications. Naturally, the libraries function in a strictly identical manner if you integrate them in an application with a graphical interface.
A few lines of code are enough to use a Yocto-Color-V2-C. Here is the skeleton of a Visual Basic code snipplet to use the ColorLedCluster function.
Let's look at these lines in more details.
The YAPI.RegisterHub function initializes the Yoctopuce API and indicates where the modules should be looked for. When used with the parameter "usb", it will use the modules locally connected to the computer running the library. If the initialization does not succeed, this function returns a value different from YAPI_SUCCESS and errmsg contains the error message.
The YColorLedCluster.FindColorLedCluster function allows you to find a RGB LED cluster from the serial number of the module on which it resides and from its function name. You can use logical names as well, as long as you have initialized them. Let us imagine a Yocto-Color-V2-C module with serial number RGBLED2C-123456 which you have named "MyModule", and for which you have given the colorLedCluster function the name "MyFunction". The following five calls are strictly equivalent, as long as "MyFunction" is defined only once.
YColorLedCluster.FindColorLedCluster returns an object which you can then use at will to control the RGB LED cluster.
The isOnline() method of the object returned by YColorLedCluster.FindColorLedCluster allows you to know if the corresponding module is present and in working order.
The set_activeLedCount() method of the object returned by yFindColorLedCluster allows you to configure the number of LEDs supported by the Yocto-Color-V2-C.
The set_ledType() method of the object returned by yFindColorLedCluster sets the type of LEDs that are connected to the Yocto-Color-V2-C.
The set_rgbColor() method of the object returned by yFindColorLedCluster allows you to set the color of the corresponding leds. The color is given in RBG coordinates coded as an integer.
There is another way to change the led color. The rgb_move() method of the object returned by yFindColorLedCluster allows you run a transition between the current color and another RGB color given as a parameter. This function takes as second parameter the lapse of time allocated for the transition.
The set_rgbColor() and rgb_move() methods also exist in an HSL version. As an exercise, you could modify the example below to use the HSL system. You could then observe the differences in behavior between the two systems. In HSL, red is coded 0xFFFF80, green 0x55FF80, and blue 0xA9FF80.
Launch Microsoft VisualBasic and open the corresponding sample project provided in the directory Examples/Doc-GettingStarted-Yocto-Color-V2-C of the Yoctopuce library.
In this example, you will recognize the functions explained above, but this time used with all side materials needed to make it work nicely as a small demo.
Each module can be controlled in a similar manner, you can find below a simple sample program displaying the main parameters of the module and enabling you to activate the localization beacon.
Each property xxx of the module can be read thanks to a method of type get_xxxx(), and properties which are not read-only can be modified with the help of the set_xxx() method. For more details regarding the used functions, refer to the API chapters.
When you want to modify the settings of a module, you only need to call the corresponding set_xxx() function. However, this modification is performed only in the random access memory (RAM) of the module: if the module is restarted, the modifications are lost. To memorize them persistently, it is necessary to ask the module to save its current configuration in its permanent memory. To do so, use the saveToFlash() method. Inversely, it is possible to force the module to forget its current settings by using the revertFromFlash() method. The short example below allows you to modify the logical name of a module.
Warning: the number of write cycles of the nonvolatile memory of the module is limited. When this limit is reached, nothing guaranties that the saving process is performed correctly. This limit, linked to the technology employed by the module micro-processor, is located at about 100000 cycles. In short, you can use the saveToFlash() function only 100000 times in the life of the module. Make sure you do not call this function within a loop.
Obtaining the list of the connected modules is performed with the yFirstModule() function which returns the first module found. Then, you only need to call the nextModule() function of this object to find the following modules, and this as long as the returned value is not Nothing. Below a short example listing the connected modules.
When you implement a program which must interact with USB modules, you cannot disregard error handling. Inevitably, there will be a time when a user will have unplugged the device, either before running the software, or even while the software is running. The Yoctopuce library is designed to help you support this kind of behavior, but your code must nevertheless be conceived to interpret in the best possible way the errors indicated by the library.
The simplest way to work around the problem is the one used in the short examples provided in this chapter: before accessing a module, check that it is online with the isOnline function, and then hope that it will stay so during the fraction of a second necessary for the following code lines to run. This method is not perfect, but it can be sufficient in some cases. You must however be aware that you cannot completely exclude an error which would occur after the call to isOnline and which could crash the software. The only way to prevent this is to implement one of the two error handling techniques described below.
The method recommended by most programming languages for unpredictable error handling is the use of exceptions. By default, it is the behavior of the Yoctopuce library. If an error happens while you try to access a module, the library throws an exception. In this case, there are three possibilities:
As this latest situation is not the most desirable, the Yoctopuce library offers another possibility for error handling, allowing you to create a robust program without needing to catch exceptions at every line of code. You simply need to call the YAPI.DisableExceptions() function to commute the library to a mode where exceptions for all the functions are systematically replaced by specific return values, which can be tested by the caller when necessary. For each function, the name of each return value in case of error is systematically documented in the library reference. The name always follows the same logic: a get_state() method returns a ClassName.STATE_INVALID value, a get_currentValue method returns a ClassName.CURRENTVALUE_INVALID value, and so on. In any case, the returned value is of the expected type and is not a null pointer which would risk crashing your program. At worst, if you display the value without testing it, it will be outside the expected bounds for the returned value. In the case of functions which do not normally return information, the return value is YAPI_SUCCESS if everything went well, and a different error code in case of failure.
When you work without exceptions, you can obtain an error code and an error message explaining the source of the error. You can request them from the object which returned the error, calling the errType() and errMessage() methods. Their returned values contain the same information as in the exceptions when they are active.
Delphi is a descendent of Turbo-Pascal. Originally, Delphi was produced by Borland, Embarcadero now edits it. The strength of this language resides in its ease of use, as anyone with some notions of the Pascal language can develop a Windows application in next to no time. Its only disadvantage is to cost something51.
Lazarus52 is a free IDE based on Free-Pascal, it has nothing to envy to Delphi and is available for both Windows and Linux. The Yoctopuce Delphi library is compatible with both Windows and Linux versions of Lazarus
Delphi libraries are provided not as VCL components, but directly as source files. These files are compatible with most Delphi and Lazarus versions. 53
Go to the Yoctopuce web site and download the Yoctopuce Delphi libraries54. Uncompress everything in a directory of your choice.
With Windows, the Yoctopuce Delphi / Lazarus library uses two dlls yapi.dll (32-bit version) and yapi64.dll (64-bit version). All the applications that you create with Delphi or Lazarus must have access to these DLL. The simplest way to ensure this is to make sure that they are located in the same directory as the executable file of your application. You can find these dlls in the sources/dll folder.
Under Linux, the Delphi / Lazarus library uses the following lib files:
You will find these lib files in the sources/dll folder. You have to make sure that
The simplest way to ensure this is to copy all four .so files into the /usr/lib folder. Alternatively, you can copy them next to your main source file and adjust your LD_LIBRARY_PATH environment variable accordingly.
To keep them simple, all the examples provided in this documentation are console applications. Obviously, the libraries work in a strictly identical way with VCL applications.
Note that most of these examples use command line parameters 57.
You will soon notice that the Delphi API defines many functions which return objects. You do not need to deallocate these objects yourself, the API does it automatically at the end of the application.
A few lines of code are enough to use a Yocto-Color-V2-C. Here is the skeleton of a Delphi code snipplet to use the ColorLedCluster function.
Let's look at these lines in more details.
These two units provide access to the functions allowing you to manage Yoctopuce modules. yocto_api must always be used, yocto_colorledcluster is necessary to manage modules containing a RGB LED cluster, such as Yocto-Color-V2-C.
The yRegisterHub function initializes the Yoctopuce API and specifies where the modules should be looked for. When used with the parameter 'usb', it will use the modules locally connected to the computer running the library. If the initialization does not succeed, this function returns a value different from YAPI_SUCCESS and errmsg contains the error message.
The yFindColorLedCluster function allows you to find a RGB LED cluster from the serial number of the module on which it resides and from its function name. You can also use logical names, as long as you have initialized them. Let us imagine a Yocto-Color-V2-C module with serial number RGBLED2C-123456 which you have named "MyModule", and for which you have given the colorLedCluster function the name "MyFunction". The following five calls are strictly equivalent, as long as "MyFunction" is defined only once.
yFindColorLedCluster returns an object which you can then use at will to control the RGB LED cluster.
The isOnline() method of the object returned by yFindColorLedCluster allows you to know if the corresponding module is present and in working order.
The set_activeLedCount() method of the object returned by yFindColorLedCluster allows you to configure the number of LEDs supported by the Yocto-Color-V2-C.
The set_ledType() method of the object returned by yFindColorLedCluster sets the type of LEDs that are connected to the Yocto-Color-V2-C.
The set_rgbColor() method of the object returned by yFindColorLedCluster allows you to set the color of the corresponding leds. The color is given in RBG coordinates coded as an integer.
There is another way to change the led color. The rgb_move() method of the object returned by yFindColorLedCluster allows you run a transition between the current color and another RGB color given as a parameter. This function takes as second parameter the lapse of time allocated for the transition.
The set_rgbColor() and rgb_move() methods also exist in an HSL version. As an exercise, you could modify the example below to use the HSL system. You could then observe the differences in behavior between the two systems. In HSL, red is coded 0xFFFF80, green 0x55FF80, and blue 0xA9FF80.
Launch your Delphi environment, copy the yapi.dll DLL in a directory, create a new console application in the same directory, and copy-paste the piece of code below:
In this example, you will recognize the functions explained above, but this time used with all side materials needed to make it work nicely as a small demo.
Each module can be controlled in a similar manner, you can find below a simple sample program displaying the main parameters of the module and enabling you to activate the localization beacon.
Each property xxx of the module can be read thanks to a method of type get_xxxx(), and properties which are not read-only can be modified with the help of the set_xxx() method. For more details regarding the used functions, refer to the API chapters.
When you want to modify the settings of a module, you only need to call the corresponding set_xxx() function. However, this modification is performed only in the random access memory (RAM) of the module: if the module is restarted, the modifications are lost. To memorize them persistently, it is necessary to ask the module to save its current configuration in its permanent memory. To do so, use the saveToFlash() method. Inversely, it is possible to force the module to forget its current settings by using the revertFromFlash() method. The short example below allows you to modify the logical name of a module.
Warning: the number of write cycles of the nonvolatile memory of the module is limited. When this limit is reached, nothing guaranties that the saving process is performed correctly. This limit, linked to the technology employed by the module micro-processor, is located at about 100000 cycles. In short, you can use the saveToFlash() function only 100000 times in the life of the module. Make sure you do not call this function within a loop.
Obtaining the list of the connected modules is performed with the yFirstModule() function which returns the first module found. Then, you only need to call the nextModule() function of this object to find the following modules, and this as long as the returned value is not nil. Below a short example listing the connected modules.
When you implement a program which must interact with USB modules, you cannot disregard error handling. Inevitably, there will be a time when a user will have unplugged the device, either before running the software, or even while the software is running. The Yoctopuce library is designed to help you support this kind of behavior, but your code must nevertheless be conceived to interpret in the best possible way the errors indicated by the library.
The simplest way to work around the problem is the one used in the short examples provided in this chapter: before accessing a module, check that it is online with the isOnline function, and then hope that it will stay so during the fraction of a second necessary for the following code lines to run. This method is not perfect, but it can be sufficient in some cases. You must however be aware that you cannot completely exclude an error which would occur after the call to isOnline and which could crash the software. The only way to prevent this is to implement one of the two error handling techniques described below.
The method recommended by most programming languages for unpredictable error handling is the use of exceptions. By default, it is the behavior of the Yoctopuce library. If an error happens while you try to access a module, the library throws an exception. In this case, there are three possibilities:
As this latest situation is not the most desirable, the Yoctopuce library offers another possibility for error handling, allowing you to create a robust program without needing to catch exceptions at every line of code. You simply need to call the YAPI.DisableExceptions() function to commute the library to a mode where exceptions for all the functions are systematically replaced by specific return values, which can be tested by the caller when necessary. For each function, the name of each return value in case of error is systematically documented in the library reference. The name always follows the same logic: a get_state() method returns a ClassName.STATE_INVALID value, a get_currentValue method returns a ClassName.CURRENTVALUE_INVALID value, and so on. In any case, the returned value is of the expected type and is not a null pointer which would risk crashing your program. At worst, if you display the value without testing it, it will be outside the expected bounds for the returned value. In the case of functions which do not normally return information, the return value is YAPI_SUCCESS if everything went well, and a different error code in case of failure.
When you work without exceptions, you can obtain an error code and an error message explaining the source of the error. You can request them from the object which returned the error, calling the errType() and errMessage() methods. Their returned values contain the same information as in the exceptions when they are active.
Universal Windows Platform (UWP) is not a language per say, but a software platform created by Microsoft. This platform allows you to run a new type of applications: the universal Windows applications. These applications can work on all machines running under Windows 10. This includes computers, tablets, smart phones, XBox One, and also Windows IoT Core.
The Yoctopuce UWP library allows you to use Yoctopuce modules in a universal Windows application and is written in C# in its entirety. You can add it to a Visual Studio 201758 project.
The Universal Windows Platform does not use the Win32 API but only the Windows Runtime API which is available on all the versions of Windows 10 and for any architecture. Thanks to this library, you can use UWP on all the Windows 10 versions, including Windows 10 IoT Core.
However, using the new UWP API has some consequences: the Windows Runtime API to access the USB ports is asynchronous, and therefore the Yoctopuce library must be asynchronous as well. Concretely, the asynchronous methods do not return a result directly but a Task or Task<> object and the result can be obtained later. Fortunately, the C# language, version 6, supports the async and await keywords, which simplifies using these functions enormously. You can thus use asynchronous functions in the same way as traditional functions as long as you respect the following two rules:
For you not to have to wonder wether a function is asynchronous or not, there is the following convention: all the public methods of the UWP library are asynchronous, that is that you must call them with the await keyword, except:
Download the Yoctopuce library for Universal Windows Platform from the Yoctopuce web site59. There is no installation software, simply copy the content of the zip file in a directory of your choice. You essentially need the content of the Sources directory. The other directories contain documentation and a few sample programs. Sample projects are Visual Studio 2017 projects. Visual Studio 2017 is available on the Microsoft web site60.
Start by creating your project. Then, from the Solution Explorer panel right click on your project and select Add then Existing element .
A file chooser opens: select all the files in the library Sources directory.
You then have the choice between simply adding the files to your project or adding them as a link (the Add button is actually a drop-down menu). In the first case, Visual Studio copies the selected files into your project. In the second case, Visual Studio simply creates a link to the original files. We recommend to use links, as a potential library update is thus much easier.
By default a Universal Windows application doesn't have access rights to the USB ports. If you want to access USB devices, you must imperatively declare it in the Package.appxmanifest file.
Unfortunately, the edition window of this file doesn't allow this operation and you must modify the Package.appxmanifest file by hand. In the "Solution Explorer" panel, right click on the Package.appxmanifest and select "View Code".
In this XML file, we must add a DeviceCapability node in the Capabilities node. This node must have a "Name" attribute with a "humaninterfacedevice" value.
Inside this node, you must declare all the modules that can be used. Concretely, for each module, you must add a "Device" node with an "Id" attribute, which has for value a character string "vidpid:USB_VENDORID USB_DEVICE_ID". The Yoctopuce USB_VENDORID is 24e0 and you can find the USB_DEVICE_ID of each Yoctopuce device in the documentation in the "Characteristics" section. Finally, the "Device" node must contain a "Function" node with the "Type" attribute with a value of "usage:ff00 0001".
For the Yocto-Color-V2-C, here is what you must add in the "Capabilities" node:
Unfortunately, it's not possible to write a rule authorizing all Yoctopuce modules. Therefore, you must imperatively add each module that you want to use.
A few lines of code are enough to use a Yocto-Color-V2-C. Here is the skeleton of a C# code snippet to use the ColorLedCluster function.
Let us look at these lines in more details.
The YAPI.RegisterHub function initializes the Yoctopuce API and indicates where the modules should be looked for. The parameter is the address of the virtual hub able to see the devices. If the string "usb" is passed as parameter, the API works with modules locally connected to the machine. If the initialization does not succeed, an exception is thrown.
The YColorLedCluster.FindColorLedCluster function allows you to find a RGB LED cluster from the serial number of the module on which it resides and from its function name. You can use logical names as well, as long as you have initialized them. Let us imagine a Yocto-Color-V2-C module with serial number RGBLED2C-123456 which you have named "MyModule", and for which you have given the colorLedCluster function the name "MyFunction". The following five calls are strictly equivalent, as long as "MyFunction" is defined only once.
YColorLedCluster.FindColorLedCluster returns an object which you can then use at will to control the RGB LED cluster.
The isOnline() method of the object returned by YColorLedCluster.FindColorLedCluster allows you to know if the corresponding module is present and in working order.
The set_activeLedCount() method of the object returned by YColorLedCluster.FindColorLedCluster allows you to configure the number of LEDs supported by the Yocto-Color-V2-C.
The set_ledType() method of the object returned by YColorLedCluster.FindColorLedCluster sets the type of LEDs that are connected to the Yocto-Color-V2-C.
The set_rgbColor() method of the object returned by YColorLedCluster.FindColorLedCluster allows you to set the color of the corresponding leds. The color is given in RBG coordinates coded as an integer.
There is another way to change the led color. The rgb_move() method of the object returned by YColorLedCluster.FindColorLedCluster allows you run a transition between the current color and another RGB color given as a parameter. This function takes as second parameter the lapse of time allocated for the transition.
The set_rgbColor() and rgb_move() methods also exist in an HSL version. As an exercise, you could modify the example below to use the HSL system. You could then observe the differences in behavior between the two systems. In HSL, red is coded 0xFFFF80, green 0x55FF80, and blue 0xA9FF80.
Launch Visual Studio and open the corresponding project provided in the directory Examples/Doc-GettingStarted-Yocto-Color-V2-C of the Yoctopuce library.
Visual Studio projects contain numerous files, and most of them are not linked to the use of the Yoctopuce library. To simplify reading the code, we regrouped all the code that uses the library in the Demo class, located in the demo.cs file. Properties of this class correspond to the different fields displayed on the screen, and the Run() method contains the code which is run when the "Start" button is pushed.
In this example, you can recognize the functions explained above, but this time used with all the side materials needed to make it work nicely as a small demo.
Each module can be controlled in a similar manner, you can find below a simple sample program displaying the main parameters of the module and enabling you to activate the localization beacon.
Each property xxx of the module can be read thanks to a method of type YModule.get_xxxx(), and properties which are not read-only can be modified with the help of the YModule.set_xxx() method. For more details regarding the used functions, refer to the API chapters.
When you want to modify the settings of a module, you only need to call the corresponding YModule.set_xxx() function. However, this modification is performed only in the random access memory (RAM) of the module: if the module is restarted, the modifications are lost. To memorize them persistently, it is necessary to ask the module to save its current configuration in its permanent memory. To do so, use the YModule.saveToFlash() method. Inversely, it is possible to force the module to forget its current settings by using the YModule.revertFromFlash() method. The short example below allows you to modify the logical name of a module.
Warning: the number of write cycles of the nonvolatile memory of the module is limited. When this limit is reached, nothing guaranties that the saving process is performed correctly. This limit, linked to the technology employed by the module micro-processor, is located at about 100000 cycles. In short, you can use the YModule.saveToFlash() function only 100000 times in the life of the module. Make sure you do not call this function within a loop.
Obtaining the list of the connected modules is performed with the YModule.yFirstModule() function which returns the first module found. Then, you only need to call the nextModule() function of this object to find the following modules, and this as long as the returned value is not null. Below a short example listing the connected modules.
When you implement a program which must interact with USB modules, you cannot disregard error handling. Inevitably, there will be a time when a user will have unplugged the device, either before running the software, or even while the software is running. The Yoctopuce library is designed to help you support this kind of behavior, but your code must nevertheless be conceived to interpret in the best possible way the errors indicated by the library.
The simplest way to work around the problem is the one used in the short examples provided in this chapter: before accessing a module, check that it is online with the isOnline function, and then hope that it will stay so during the fraction of a second necessary for the following code lines to run. This method is not perfect, but it can be sufficient in some cases. You must however be aware that you cannot completely exclude an error which would occur after the call to isOnline and which could crash the software.
In the Universal Windows Platform library, error handling is implemented with exceptions. You must therefore intercept and correctly handle these exceptions if you want to have a reliable project which does not crash as soon as you disconnect a module.
Library thrown exceptions are always of the YAPI_Exception type, so you can easily separate them from other exceptions in a try{...} catch{...} block.
Example:
Objective-C is language of choice for programming on macOS, due to its integration with the Cocoa framework. Yoctopuce supports the XCode versions supported by Apple. The Yoctopuce library is ARC compatible. You can therefore implement your projects either using the traditional retain / release method, or using the Automatic Reference Counting.
Yoctopuce Objective-C libraries61 are integrally provided as source files. A section of the low-level library is written in pure C, but you should not need to interact directly with it: everything was done to ensure the simplest possible interaction from Objective-C.
You will soon notice that the Objective-C API defines many functions which return objects. You do not need to deallocate these objects yourself, the API does it automatically at the end of the application.
In order to keep them simple, all the examples provided in this documentation are console applications. Naturally, the libraries function in a strictly identical manner if you integrate them in an application with a graphical interface. You can find on Yoctopuce blog a detailed example62 with video shots showing how to integrate the library into your projects.
A few lines of code are enough to use a Yocto-Color-V2-C. Here is the skeleton of a Objective-C code snipplet to use the ColorLedCluster function.
Let's look at these lines in more details.
These two import files provide access to the functions allowing you to manage Yoctopuce modules. yocto_api.h must always be used, yocto_colorledcluster.h is necessary to manage modules containing a RGB LED cluster, such as Yocto-Color-V2-C.
The [YAPI RegisterHub] function initializes the Yoctopuce API and indicates where the modules should be looked for. When used with the parameter @"usb", it will use the modules locally connected to the computer running the library. If the initialization does not succeed, this function returns a value different from YAPI_SUCCESS and errmsg contains the error message.
The [ColorLedCluster FindColorLedCluster] function allows you to find a RGB LED cluster from the serial number of the module on which it resides and from its function name. You can use logical names as well, as long as you have initialized them. Let us imagine a Yocto-Color-V2-C module with serial number RGBLED2C-123456 which you have named "MyModule", and for which you have given the colorLedCluster function the name "MyFunction". The following five calls are strictly equivalent, as long as "MyFunction" is defined only once.
[ColorLedCluster FindColorLedCluster] returns an object which you can then use at will to control the RGB LED cluster.
The isOnline method of the object returned by [ColorLedCluster FindColorLedCluster] allows you to know if the corresponding module is present and in working order.
The set_activeLedCount() method of the object returned by YColorLedCluster.FindColorLedCluster allows you to configure the number of LEDs supported by the Yocto-Color-V2-C.
The set_ledType() method of the object returned by YColorLedCluster.FindColorLedCluster sets the type of LEDs that are connected to the Yocto-Color-V2-C.
The set_rgbColor() method of the object returned by YColorLedCluster.FindColorLedCluster allows you to set the color of the corresponding leds. The color is given in RBG coordinates coded as an integer.
There is another way to change the led color. The rgb_move() method of the object returned by YColorLedCluster.FindColorLedCluster allows you run a transition between the current color and another RGB color given as a parameter. This function takes as second parameter the lapse of time allocated for the transition.
The set_rgbColor() and rgb_move() methods also exist in an HSL version. As an exercise, you could modify the example below to use the HSL system. You could then observe the differences in behavior between the two systems. In HSL, red is coded 0xFFFF80, green 0x55FF80, and blue 0xA9FF80.
Launch Xcode 4.2 and open the corresponding sample project provided in the directory Examples/Doc-GettingStarted-Yocto-Color-V2-C of the Yoctopuce library.
In this example, you will recognize the functions explained above, but this time used with all side materials needed to make it work nicely as a small demo.
Each module can be controlled in a similar manner, you can find below a simple sample program displaying the main parameters of the module and enabling you to activate the localization beacon.
Each property xxx of the module can be read thanks to a method of type get_xxxx, and properties which are not read-only can be modified with the help of the set_xxx: method. For more details regarding the used functions, refer to the API chapters.
When you want to modify the settings of a module, you only need to call the corresponding set_xxx: function. However, this modification is performed only in the random access memory (RAM) of the module: if the module is restarted, the modifications are lost. To memorize them persistently, it is necessary to ask the module to save its current configuration in its permanent memory. To do so, use the saveToFlash method. Inversely, it is possible to force the module to forget its current settings by using the revertFromFlash method. The short example below allows you to modify the logical name of a module.
Warning: the number of write cycles of the nonvolatile memory of the module is limited. When this limit is reached, nothing guaranties that the saving process is performed correctly. This limit, linked to the technology employed by the module micro-processor, is located at about 100000 cycles. In short, you can use the saveToFlash function only 100000 times in the life of the module. Make sure you do not call this function within a loop.
Obtaining the list of the connected modules is performed with the yFirstModule() function which returns the first module found. Then, you only need to call the nextModule() function of this object to find the following modules, and this as long as the returned value is not NULL. Below a short example listing the connected modules.
When you implement a program which must interact with USB modules, you cannot disregard error handling. Inevitably, there will be a time when a user will have unplugged the device, either before running the software, or even while the software is running. The Yoctopuce library is designed to help you support this kind of behavior, but your code must nevertheless be conceived to interpret in the best possible way the errors indicated by the library.
The simplest way to work around the problem is the one used in the short examples provided in this chapter: before accessing a module, check that it is online with the isOnline function, and then hope that it will stay so during the fraction of a second necessary for the following code lines to run. This method is not perfect, but it can be sufficient in some cases. You must however be aware that you cannot completely exclude an error which would occur after the call to isOnline and which could crash the software. The only way to prevent this is to implement one of the two error handling techniques described below.
The method recommended by most programming languages for unpredictable error handling is the use of exceptions. By default, it is the behavior of the Yoctopuce library. If an error happens while you try to access a module, the library throws an exception. In this case, there are three possibilities:
As this latest situation is not the most desirable, the Yoctopuce library offers another possibility for error handling, allowing you to create a robust program without needing to catch exceptions at every line of code. You simply need to call the YAPI.DisableExceptions() function to commute the library to a mode where exceptions for all the functions are systematically replaced by specific return values, which can be tested by the caller when necessary. For each function, the name of each return value in case of error is systematically documented in the library reference. The name always follows the same logic: a get_state() method returns a ClassName.STATE_INVALID value, a get_currentValue method returns a ClassName.CURRENTVALUE_INVALID value, and so on. In any case, the returned value is of the expected type and is not a null pointer which would risk crashing your program. At worst, if you display the value without testing it, it will be outside the expected bounds for the returned value. In the case of functions which do not normally return information, the return value is YAPI_SUCCESS if everything went well, and a different error code in case of failure.
When you work without exceptions, you can obtain an error code and an error message explaining the source of the error. You can request them from the object which returned the error, calling the errType() and errMessage() methods. Their returned values contain the same information as in the exceptions when they are active.
Yoctopuce modules can be driven from most common programming languages. New languages are regularly added, depending on the interest expressed by Yoctopuce product users. Nevertheless, some languages are not, and will never be, supported by Yoctopuce. There can be several reasons for this: compilers which are not available anymore, unadapted environments, and so on.
However, there are alternative methods to access Yoctopuce modules from an unsupported programming language.
The easiest method to drive Yoctopuce modules from an unsupported programming language is to use the command line API through system calls. The command line API is in fact made of a group of small executables which are easy to call. Their output is also easy to analyze. As most programming languages allow you to make system calls, the issue is solved with a few lines of code.
However, if the command line API is the easiest solution, it is neither the fastest nor the most efficient. For each call, the executable must initialize its own API and make an inventory of USB connected modules. This requires about one second per call.
A .NET Assembly enables you to share a set of pre-compiled classes to offer a service, by stating entry points which can be used by third-party applications. In our case, it's the whole Yoctopuce library which is available in the .NET Assembly, so that it can be used in any environment which supports .NET Assembly dynamic loading.
The Yoctopuce library as a .NET Assembly does not contain only the standard C# Yoctopuce library, as this would not have allowed an optimal use in all environments. Indeed, we cannot expect host applications to necessarily offer a thread system or a callback system, although they are very useful to manage plug-and-play events and sensors with a high refresh rate. Likewise, we cannot expect from external applications a transparent behavior in cases where a function call in Assembly creates a delay because of network communications.
Therefore, we added to it an additional layer, called .NET Proxy library. This additional layer offers an interface very similar to the standard library but somewhat simplified, as it internally manages all the callback mechanisms. Instead, this library offers mirror objects, called Proxys, which publish through Properties the main attributes of the Yoctopuce functions such as the current measure, configuration parameters, the state, and so on.

.NET Assembly Architecture
The callback mechanism automatically updates the properties of the Proxys objects, without the host application needing to care for it. The later can thus, at any time and without any risk of latency, display the value of all properties of Yoctopuce Proxy objects.
Pay attention to the fact that the yapi.dll low-level communication library is not included in the .NET Assembly. You must therefore keep it together with DotNetProxyLibrary.dll. The 32 bit version must be located in the same directory as DotNetProxyLibrary.dll, while the 64 bit version must be in a subdirectory amd64.
Here is how to load our Proxy .NET Assembly in MATLAB and how to read the value of the first sensor connected by USB found on the machine:
PowerShell commands are a little stranger, but we can recognize the same structure:
With regards to classic Yoctopuce libraries, the following differences in particular should be noted:
To obtain an object referring to the first found module, we call YModuleProxy.FindModule(""). If there is no connected module, this method returns an object with its module.IsOnline property set to False. As soon as a module is connected, the property changes to True and the module hardware identifier is updated.
To list modules, you can call the module.GetSimilarFunctions() method which returns an array of character strings containing the identifiers of all the modules which were found.
Callback functions are implemented internally and they update the object properties. You can therefore simply poll the properties, without significant performance penalties. Be aware that if you use one of the function that disables callbacks, the automatic refresh of object properties may not work anymore.
A new method YAPIProxy.GetLog makes it possible to retrieve low-level debug logs without using callbacks.
In order to maximize compatibility with host applications, the .NET Proxy library does not use true .NET enumerated types, but simple integers. For each enumerated type, the library includes public constants named according to the possible values. Contrarily to standard Yoctopuce libraries, numeric values always start from 1, as the value 0 is reserved to return an invalid value, for instance when the device is disconnected.
For all numeric results, rather than using an arbitrary constant, the invalid value returned in case of error is NaN. You should therefore use function isNaN() to detect this value.
If for a reason or another you do not want to use the Proxy library, and if your environment allows it, you can use the standard C# API as it is located in the Assembly, under the YoctoLib namespace. Beware however not to mix both types of use: either you go through the Proxy library, or you use he YoctoLib version directly, but not both!
For the LabVIEW Yoctopuce library to work correctly with your Yoctopuce modules, these modules need to have firmware 37120, or higher.
In order to be compatible with as many versions of Windows as possible, including Windows XP, the DotNetProxyLibrary.dll library is compiled in .NET 3.5, which is available by default on all the Windows versions since XP. As of today, we have never met any non-Windows environment able to load a .NET Assembly, so we only ship the low-level communication dll for Windows together with the assembly.
VirtualHub is available on almost all current platforms. It is generally used as a gateway to provide access to Yoctopuce modules from languages which prevent direct access to hardware layers of a computer (JavaScript, PHP, Java, ...).
In fact, VirtualHub is a small web server able to route HTTP requests to Yoctopuce modules. This means that if you can make an HTTP request from your programming language, you can drive Yoctopuce modules, even if this language is not officially supported.
At a low level, the modules are driven through a REST API. Thus, to control a module, you only need to perform appropriate requests on the VirtualHub. By default, the VirtualHub HTTP port is 4444.
An important advantage of this technique is that preliminary tests are very easy to implement. You only need a VirtualHub and a simple web browser. If you copy the following URL in your preferred browser, while VirtualHub is running, you obtain the list of the connected modules.
Note that the result is displayed as text, but if you request whitePages.xml, you obtain an XML result. Likewise, whitePages.json allows you to obtain a JSON result. The html extension even allows you to display a rough interface where you can modify values in real time. The whole REST API is available in these different formats.
Each Yoctopuce module has its own REST interface, available in several variants. Let us imagine a Yocto-Color-V2-C with the RGBLED2C-12345 serial number and the myModule logical name. The following URL allows you to know the state of the module.
You can naturally also use the module logical name rather than its serial number.
To retrieve the value of a module property, simply add the name of the property below module. For example, if you want to know the signposting led luminosity, send the following request:
To change the value of a property, modify the corresponding attribute. Thus, to modify the luminosity, send the following request:
The module functions can be manipulated in the same way. To know the state of the colorLedCluster function, build the following URL:
Note that if you can use logical names for the modules instead of their serial number, you cannot use logical names for functions. Only hardware names are authorized to access functions.
You can retrieve a module function attribute in a way rather similar to that used with the modules. For example:
Rather logically, attributes can be modified in the same manner.
You can find the list of available attributes for your Yocto-Color-V2-C at the beginning of the Programming chapter.
This section only applies to devices with a built-in data logger.
The preview of all recorded data streams can be retrieved in JSON format using the following URL:
Individual measures for any given stream can be obtained by appending the desired function identifier as well as start time of the stream:
The low level Yoctopuce API is available under several formats of dynamic libraries written in C. The sources are available with the C++ API. If you use one of these low level libraries, you do not need VirtualHub anymore.
| Filename | Platform |
|---|---|
| libyapi.dylib | Max OS X |
| libyapi-amd64.so | Linux Intel (64 bits) |
| libyapi-armel.so | Linux ARM EL (32 bits) |
| libyapi-armhf.so | Linux ARM HL (32 bits) |
| libyapi-aarch64.so | Linux ARM (64 bits) |
| libyapi-i386.so | Linux Intel (32 bits) |
| yapi64.dll | Windows (64 bits) |
| yapi.dll | Windows (32 bits) |
These dynamic libraries contain all the functions necessary to completely rebuild the whole high level API in any language able to integrate these libraries. This chapter nevertheless restrains itself to describing basic use of the modules.
The three essential functions of the low level API are the following:
The yapiInitAPI function initializes the API and must be called once at the beginning of the program. For a USB type connection, the connection_type parameter takes value 1. The errmsg parameter must point to a 255 character buffer to retrieve a potential error message. This pointer can also point to null. The function returns a negative integer in case of error, zero otherwise.
The yapiUpdateDeviceList manages the inventory of connected Yoctopuce modules. It must be called at least once. To manage hot plug and detect potential newly connected modules, this function must be called at regular intervals. The forceupdate parameter must take value 1 to force a hardware scan. The errmsg parameter must point to a 255 character buffer to retrieve a potential error message. This pointer can also point to null. The function returns a negative integer in case of error, zero otherwise.
Finally, the yapiHTTPRequest function sends HTTP requests to the module REST API. The device parameter contains the serial number or the logical name of the module which you want to reach. The request parameter contains the full HTTP request (including terminal line breaks). buffer points to a character buffer long enough to contain the answer. buffsize is the size of the buffer. fullsize is a pointer to an integer to which will be assigned the actual size of the answer. The errmsg parameter must point to a 255 character buffer to retrieve a potential error message. This pointer can also point to null. The function returns a negative integer in case of error, zero otherwise.
The format of the requests is the same as the one described in the VirtualHub et HTTP GET section. All the character strings used by the API are strings made of 8-bit characters: Unicode and UTF8 are not supported.
The resutlt returned in the buffer variable respects the HTTP protocol. It therefore includes an HTTP header. This header ends with two empty lines, that is a sequence of four ASCII characters 13, 10, 13, 10.
Here is a sample program written in pascal using the yapi.dll DLL to read and then update the luminosity of a module.
To perform an inventory of Yoctopuce modules, you need two functions from the dynamic library:
The yapiGetAllDevices function retrieves the list of all connected modules as a list of handles. buffer points to a 32-bit integer array which contains the returned handles. maxsize is the size in bytes of the buffer. To neededsize is assigned the necessary size to store all the handles. From this, you can deduce either the number of connected modules or that the input buffer is too small. The errmsg parameter must point to a 255 character buffer to retrieve a potential error message. This pointer can also point to null. The function returns a negative integer in case of error, zero otherwise.
The yapiGetDeviceInfo function retrieves the information related to a module from its handle. devdesc is a 32-bit integer representing the module and which was obtained through yapiGetAllDevices. infos points to a data structure in which the result is stored. This data structure has the following format:
| Name | Type | Size (bytes) | Description |
|---|---|---|---|
| vendorid | int | 4 | Yoctopuce USB ID |
| deviceid | int | 4 | Module USB ID |
| devrelease | int | 4 | Module version |
| nbinbterfaces | int | 4 | Number of USB interfaces used by the module |
| manufacturer | char[] | 20 | Yoctopuce (null terminated) |
| productname | char[] | 28 | Model (null terminated) |
| serial | char[] | 20 | Serial number (null terminated) |
| logicalname | char[] | 20 | Logical name (null terminated) |
| firmware | char[] | 22 | Firmware version (null terminated) |
| beacon | byte | 1 | Beacon state (0/1) |
The errmsg parameter must point to a 255 character buffer to retrieve a potential error message.
Here is a sample program written in pascal using the yapi.dll DLL to list the connected modules.
Each entry point from the yapi.dll is duplicated. You will find one regular C-decl version and one Visual Basic 6 compatible version, prefixed with vb6_.
As all the sources of the Yoctopuce API are fully provided, you can very well port the whole API in the language of your choice. Note, however, that a large portion of the API source code is automatically generated.
Therefore, it is not necessary for you to port the complete API. You only need to port the yocto_api file and one file corresponding to a function, for example yocto_relay. After a little additional work, Yoctopuce is then able to generate all other files. Therefore, we highly recommend that you contact Yoctopuce support before undertaking to port the Yoctopuce library in another language. Collaborative work is advantageous to both parties.
The preceding chapters have introduced, in each available language, the basic programming functions which can be used with your Yocto-Color-V2-C module. This chapter presents in a more generic manner a more advanced use of your module. Examples are provided in the language which is the most popular among Yoctopuce customers, that is C#. Nevertheless, you can find complete examples illustrating the concepts presented here in the programming libraries of each language.
To remain as concise as possible, examples provided in this chapter do not perform any error handling. Do not copy them "as is" in a production application.
The methods to manage Yoctopuce modules which we presented to you in preceding chapters were polling functions, consisting in permanently asking the API if something had changed. While easy to understand, this programming technique is not the most efficient, nor the most reactive. Therefore, the Yoctopuce programming API also provides an event programming model. This technique consists in asking the API to signal by itself the important changes as soon as they are detected. Each time a key parameter is modified, the API calls a callback function which you have defined in advance.
Hot-plug management is important when you work with USB modules because, sooner or later, you will have to connect or disconnect a module when your application is running. The API is designed to manage module unexpected arrival or departure in a transparent way. But your application must take this into account if it wants to avoid pretending to use a disconnected module.
Event programming is particularly useful to detect module connection/disconnection. Indeed, it is simpler to be told of new connections rather than to have to permanently list the connected modules to deduce which ones just arrived and which ones left. To be warned as soon as a module is connected, you need three pieces of code.
The callback is the function which is called each time a new Yoctopuce module is connected. It takes as parameter the relevant module.
You must then tell the API that it must call the callback when a new module is connected.
Note that if modules are already connected when the callback is registered, the callback is called for each of the already connected modules.
A classis issue of callback programming is that these callbacks can be triggered at any time, including at times when the main program is not ready to receive them. This can have undesired side effects, such as dead-locks and other race conditions. Therefore, in the Yoctopuce API, module arrival/departure callbacks are called only when the UpdateDeviceList() function is running. You only need to call UpdateDeviceList() at regular intervals from a timer or from a specific thread to precisely control when the calls to these callbacks happen:
In a similar way, it is possible to have a callback when a module is disconnected. You can find a complete example implemented in your favorite programming language in the Examples/Prog-EventBased directory of the corresponding library.
Be aware that in most programming languages, callbacks must be global procedures, and not methods. If you wish for the callback to call the method of an object, define your callback as a global procedure which then calls your method.
It is possible to update the firmware directly from the web interface of VirtualHub or of a YoctoHub. The configuration panel of the module has an "upgrade" button to start a wizard that will guide you through the firmware update procedure.
In case the firmware update fails for any reason, and the module does no start anymore, simply unplug the module then plug it back while maintaining the Yocto-button down. The module will boot in "firmware update" mode and will appear in the VirtualHub interface below the module list.
All the command line tools can update Yoctopuce modules thanks to the downloadAndUpdate command. The module selection mechanism works like for a traditional command. The [target] is the name of the module that you want to update. You can also use the "any" or "all" aliases, or even a name list, where the names are separated by commas, without spaces.
The following example updates all the Yoctopuce modules connected by USB.
You can update your module firmware from your Android phone or tablet with the Yocto-Firmware application. This application lists all the Yoctopuce modules connected by USB and checks if a more recent firmware is available on www.yoctopuce.com. If a more recent firmware is available, you can update the module. The application is responsible for downloading and installing the new firmware while preserving the module parameters.
Please note: while the firmware is being updated, the module restarts several times. Android interprets a USB device reboot as a disconnection and reconnection of the USB device and asks the authorization to use the USB port again. The user must click on OK for the update process to end successfully.
If you need to integrate firmware updates in your application, the libraries offer you an API to update your modules.
The get_allSettings() method returns a binary buffer enabling you to save a module persistent parameters. This function is very useful to save the network configuration of a YoctoHub for example.
You can then apply these parameters to other modules with the set_allSettings() method.
The first step to update a Yoctopuce module is to find which firmware you must use. The checkFirmware(path, onlynew) method of the YModule object does exactly this. The method checks that the firmware given as argument (path) is compatible with the module. If the onlynew parameter is set, this method checks that the firmware is more recent than the version currently used by the module. When the file is not compatible (or if the file is older than the installed version), this method returns an empty string. In the opposite, if the file is valid, the method returns a file access path.
The following piece of code checks that the c:\tmp\METEOMK1.17328.byn is compatible with the module stored in the m variable .
The argument can be a directory (instead of a file). In this case, the method checks all the files of the directory recursively and returns the most recent compatible firmware. The following piece of code checks whether there is a more recent firmware in the c:\tmp\ directory.
You can also give the "www.yoctopuce.com" string as argument to check whether there is a more recent published firmware on Yoctopuce's web site. In this case, the method returns the firmware URL. You can use this URL to download the firmware on your disk or use this URL when updating the firmware (see below). Obviously, this possibility works only if your machine is connected to Internet.
A firmware update can take several minutes. That is why the update process is run as a background task and is driven by the user code thanks to the YFirmwareUdpate class.
To update a Yoctopuce module, you must obtain an instance of the YFirmwareUdpate class with the updateFirmware method of a YModule object. The only parameter of this method is the path of the firmware that you want to install. This method does not immediately start the update, but returns a YFirmwareUdpate object configured to update the module.
The startUpdate() method starts the update as a background task. This background task automatically takes care of
The get_progress() and get_progressMessage() methods enable you to follow the progression of the update. get_progress() returns the progression as a percentage (100 = update complete). get_progressMessage() returns a character string describing the current operation (deleting, writing, rebooting, ...). If the get_progress method returns a negative value, the update process failed. In this case, the get_progressMessage() returns an error message.
The following piece of code starts the update and displays the progress on the standard output.
You can update a module firmware using the Android library. However, for modules connected by USB, Android asks the user to authorize the application to access the USB port.
During firmware update, the module restarts several times. Android interprets a USB device reboot as a disconnection and a reconnection to the USB port, and prevents all USB access as long as the user has not closed the pop-up window. The use has to click on OK for the update process to continue correctly. You cannot update a module connected by USB to an Android device without having the user interacting with the device.
If you want to erase all the parameters of a module or if your module does not start correctly anymore, you can install a firmware from the "update" mode.
To force the module to work in "update" mode, disconnect it, wait a few seconds, and reconnect it while maintaining the Yocto-button down. This will restart the module in "update" mode. This update mode is protected against corruptions and is always available.
In this mode, the module is not detected by the YModule objects anymore. To obtain the list of connected modules in "update" mode, you must use the YAPI.GetAllBootLoaders() function. This function returns a character string array with the serial numbers of the modules in "update" mode.
The update process is identical to the standard case (see the preceding section), but you must manually instantiate the YFirmwareUpdate object instead of calling module.updateFirmware(). The constructor takes as argument three parameters: the module serial number, the path of the firmware to be installed, and a byte array with the parameters to be restored at the end of the update (or null to restore default parameters).
This chapter summarizes the high-level API functions to drive your Yocto-Color-V2-C. Syntax and exact type names may vary from one language to another, but, unless otherwise stated, all the functions are available in every language. For detailed information regarding the types of arguments and return values for a given language, refer to the definition file for this language (yocto_api.* as well as the other yocto_* files that define the function interfaces).
For languages which support exceptions, all of these functions throw exceptions in case of error by default, rather than returning the documented error value for each function. This is by design, to facilitate debugging. It is however possible to disable the use of exceptions using the yDisableExceptions() function, in case you prefer to work with functions that return error values.
This chapter does not repeat the programming concepts described earlier, in order to stay as concise as possible. In case of doubt, do not hesitate to go back to the chapter describing in details all configurable attributes.
General functions
These general functions should be used to initialize and configure the Yoctopuce library. In most cases, a simple call to function yRegisterHub() should be enough. The module-specific functions yFind...() or yFirst...() should then be used to retrieve an object that provides interaction with the module.
In order to use the functions described here, you should include:
js | <script type='text/javascript' src='yocto_api.js'></script> |
cpp | #include "yocto_api.h" |
m | #import "yocto_api.h" |
uwp | import com.yoctopuce.YoctoAPI.YModule; |
ts | in HTML: import { YAPI, YErrorMsg, YModule, YSensor } from '../../dist/esm/yocto_api_browser.js'; in Node.js: import { YAPI, YErrorMsg, YModule, YSensor } from 'yoctolib-cjs/yocto_api_nodejs.js'; |
es | in HTML: <script src="../../lib/yocto_api.js"></script> in node.js: require('yoctolib-es2017/yocto_api.js'); |
| Global functions | |||||
|---|---|---|---|---|---|
| YAPI.AddUdevRule(force) | |||||
Adds a UDEV rule which authorizes all users to access Yoctopuce modules connected to the USB ports. | |||||
| |||||
| YAPI.CheckLogicalName(name) | |||||
Checks if a given string is valid as logical name for a module or a function. | |||||
| |||||
| YAPI.ClearHTTPCallbackCacheDir(removeFiles) | |||||
Disables the HTTP callback cache. | |||||
|
| |||||
| YAPI.DisableExceptions() | |||||
Disables the use of exceptions to report runtime errors. | |||||
| |||||
| YAPI.EnableExceptions() | |||||
Re-enables the use of exceptions for runtime error handling. | |||||
| |||||
| YAPI.EnableUSBHost(osContext) | |||||
This function is used only on Android. | |||||
|
| |||||
| YAPI.FreeAPI() | |||||
Waits for all pending communications with Yoctopuce devices to be completed then frees dynamically allocated resources used by the Yoctopuce library. | |||||
| |||||
| YAPI.GetAPIVersion() | |||||
Returns the version identifier for the Yoctopuce library in use. | |||||
| |||||
| YAPI.GetCacheValidity() | |||||
Returns the validity period of the data loaded by the library. | |||||
| |||||
| YAPI.GetDeviceListValidity() | |||||
Returns the delay between each forced enumeration of the used YoctoHubs. | |||||
| |||||
| YAPI.GetDllArchitecture() | |||||
Returns the system architecture for the Yoctopuce communication library in use. | |||||
|
| |||||
| YAPI.GetDllPath() | |||||
Returns the paths of the DLLs for the Yoctopuce library in use. | |||||
|
| |||||
| YAPI.GetLog(lastLogLine) | |||||
Retrieves Yoctopuce low-level library diagnostic logs. | |||||
|
| |||||
| YAPI.GetNetworkTimeout() | |||||
Returns the network connection delay for yRegisterHub() and yUpdateDeviceList(). | |||||
| |||||
| YAPI.GetTickCount() | |||||
Returns the current value of a monotone millisecond-based time counter. | |||||
| |||||
| YAPI.HandleEvents(errmsg) | |||||
Maintains the device-to-library communication channel. | |||||
| |||||
| YAPI.InitAPI(mode, errmsg) | |||||
Initializes the Yoctopuce programming library explicitly. | |||||
| |||||
| YAPI.PreregisterHub(url, errmsg) | |||||
Fault-tolerant alternative to yRegisterHub(). | |||||
| |||||
| YAPI.RegisterDeviceArrivalCallback(arrivalCallback) | |||||
Register a callback function, to be called each time a device is plugged. | |||||
| |||||
| YAPI.RegisterDeviceRemovalCallback(removalCallback) | |||||
Register a callback function, to be called each time a device is unplugged. | |||||
| |||||
| YAPI.RegisterHub(url, errmsg) | |||||
Set up the Yoctopuce library to use modules connected on a given machine. | |||||
| |||||
| YAPI.RegisterHubDiscoveryCallback(hubDiscoveryCallback) | |||||
Register a callback function, to be called each time an Network Hub send an SSDP message. | |||||
| |||||
| YAPI.RegisterHubWebsocketCallback(ws, errmsg, authpwd) | |||||
Variant to yRegisterHub() used to initialize Yoctopuce API on an existing Websocket session, as happens for incoming WebSocket callbacks. | |||||
|
| |||||
| YAPI.RegisterLogFunction(logfun) | |||||
Registers a log callback function. | |||||
| |||||
| YAPI.SelectArchitecture(arch) | |||||
Select the architecture or the library to be loaded to access to USB. | |||||
|
| |||||
| YAPI.SetCacheValidity(cacheValidityMs) | |||||
Change the validity period of the data loaded by the library. | |||||
| |||||
| YAPI.SetDelegate(object) | |||||
(Objective-C only) Register an object that must follow the protocol YDeviceHotPlug. | |||||
| |||||
| YAPI.SetDeviceListValidity(deviceListValidity) | |||||
Modifies the delay between each forced enumeration of the used YoctoHubs. | |||||
| |||||
| YAPI.SetHTTPCallbackCacheDir(directory) | |||||
Enables the HTTP callback cache. | |||||
|
| |||||
| YAPI.SetNetworkTimeout(networkMsTimeout) | |||||
Modifies the network connection delay for yRegisterHub() and yUpdateDeviceList(). | |||||
| |||||
| YAPI.SetTimeout(callback, ms_timeout, args) | |||||
Invoke the specified callback function after a given timeout. | |||||
| |||||
| YAPI.SetUSBPacketAckMs(pktAckDelay) | |||||
Enables the acknowledge of every USB packet received by the Yoctopuce library. | |||||
|
| |||||
| YAPI.Sleep(ms_duration, errmsg) | |||||
Pauses the execution flow for a specified duration. | |||||
| |||||
| YAPI.TestHub(url, mstimeout, errmsg) | |||||
Test if the hub is reachable. | |||||
| |||||
| YAPI.TriggerHubDiscovery(errmsg) | |||||
Force a hub discovery, if a callback as been registered with yRegisterHubDiscoveryCallback it will be called for each net work hub that will respond to the discovery. | |||||
| |||||
| YAPI.UnregisterHub(url) | |||||
Set up the Yoctopuce library to no more use modules connected on a previously registered machine with RegisterHub. | |||||
| |||||
| YAPI.UpdateDeviceList(errmsg) | |||||
Triggers a (re)detection of connected Yoctopuce modules. | |||||
| |||||
| YAPI.UpdateDeviceList_async(callback, context) | |||||
Triggers a (re)detection of connected Yoctopuce modules. | |||||
|
|
Global parameters control interface for all Yoctopuce devices
The YModule class can be used with all Yoctopuce USB devices. It can be used to control the module global parameters, and to enumerate the functions provided by each module.
In order to use the functions described here, you should include:
js | <script type='text/javascript' src='yocto_api.js'></script> |
cpp | #include "yocto_api.h" |
m | #import "yocto_api.h" |
uwp | import com.yoctopuce.YoctoAPI.YModule; |
ts | in HTML: import { YAPI, YErrorMsg, YModule, YSensor } from '../../dist/esm/yocto_api_browser.js'; in Node.js: import { YAPI, YErrorMsg, YModule, YSensor } from 'yoctolib-cjs/yocto_api_nodejs.js'; |
es | in HTML: <script src="../../lib/yocto_api.js"></script> in node.js: require('yoctolib-es2017/yocto_api.js'); |
| Global functions | |||||
|---|---|---|---|---|---|
| YModule.FindModule(func) | |||||
Allows you to find a module from its serial number or from its logical name. | |||||
| |||||
| YModule.FindModuleInContext(yctx, func) | |||||
Retrieves a module for a given identifier in a YAPI context. | |||||
| |||||
| YModule.FirstModule() | |||||
Starts the enumeration of modules currently accessible. | |||||
| |||||
| YModule methods | |||||
| module→addFileToHTTPCallback(filename) | |||||
Adds a file to the uploaded data at the next HTTP callback. | |||||
| |||||
| module→checkFirmware(path, onlynew) | |||||
Tests whether the byn file is valid for this module. | |||||
| |||||
| module→clearCache() | |||||
Invalidates the cache. | |||||
| |||||
| module→describe() | |||||
Returns a descriptive text that identifies the module. | |||||
| |||||
| module→download(pathname) | |||||
Downloads the specified built-in file and returns a binary buffer with its content. | |||||
| |||||
| module→functionBaseType(functionIndex) | |||||
Retrieves the base type of the nth function on the module. | |||||
| |||||
| module→functionCount() | |||||
Returns the number of functions (beside the "module" interface) available on the module. | |||||
| |||||
| module→functionId(functionIndex) | |||||
Retrieves the hardware identifier of the nth function on the module. | |||||
| |||||
| module→functionName(functionIndex) | |||||
Retrieves the logical name of the nth function on the module. | |||||
| |||||
| module→functionType(functionIndex) | |||||
Retrieves the type of the nth function on the module. | |||||
| |||||
| module→functionValue(functionIndex) | |||||
Retrieves the advertised value of the nth function on the module. | |||||
| |||||
| module→get_allSettings() | |||||
Returns all the settings and uploaded files of the module. | |||||
| |||||
| module→get_beacon() | |||||
Returns the state of the localization beacon. | |||||
| |||||
| module→get_errorMessage() | |||||
Returns the error message of the latest error with this module object. | |||||
| |||||
| module→get_errorType() | |||||
Returns the numerical error code of the latest error with this module object. | |||||
| |||||
| module→get_firmwareRelease() | |||||
Returns the version of the firmware embedded in the module. | |||||
| |||||
| module→get_functionIds(funType) | |||||
Retrieve all hardware identifier that match the type passed in argument. | |||||
| |||||
| module→get_hardwareId() | |||||
Returns the unique hardware identifier of the module. | |||||
| |||||
| module→get_icon2d() | |||||
Returns the icon of the module. | |||||
| |||||
| module→get_lastLogs() | |||||
Returns a string with last logs of the module. | |||||
| |||||
| module→get_logicalName() | |||||
Returns the logical name of the module. | |||||
| |||||
| module→get_luminosity() | |||||
Returns the luminosity of the module informative LEDs (from 0 to 100). | |||||
| |||||
| module→get_parentHub() | |||||
Returns the serial number of the YoctoHub on which this module is connected. | |||||
| |||||
| module→get_persistentSettings() | |||||
Returns the current state of persistent module settings. | |||||
| |||||
| module→get_productId() | |||||
Returns the USB device identifier of the module. | |||||
| |||||
| module→get_productName() | |||||
Returns the commercial name of the module, as set by the factory. | |||||
| |||||
| module→get_productRelease() | |||||
Returns the release number of the module hardware, preprogrammed at the factory. | |||||
| |||||
| module→get_rebootCountdown() | |||||
Returns the remaining number of seconds before the module restarts, or zero when no reboot has been scheduled. | |||||
| |||||
| module→get_serialNumber() | |||||
Returns the serial number of the module, as set by the factory. | |||||
| |||||
| module→get_subDevices() | |||||
Returns a list of all the modules that are plugged into the current module. | |||||
| |||||
| module→get_upTime() | |||||
Returns the number of milliseconds spent since the module was powered on. | |||||
| |||||
| module→get_url() | |||||
Returns the URL used to access the module. | |||||
| |||||
| module→get_usbCurrent() | |||||
Returns the current consumed by the module on the USB bus, in milli-amps. | |||||
| |||||
| module→get_userData() | |||||
Returns the value of the userData attribute, as previously stored using method set_userData. | |||||
| |||||
| module→get_userVar() | |||||
Returns the value previously stored in this attribute. | |||||
| |||||
| module→hasFunction(funcId) | |||||
Tests if the device includes a specific function. | |||||
| |||||
| module→isOnline() | |||||
Checks if the module is currently reachable, without raising any error. | |||||
| |||||
| module→isOnline_async(callback, context) | |||||
Checks if the module is currently reachable, without raising any error. | |||||
|
| |||||
| module→load(msValidity) | |||||
Preloads the module cache with a specified validity duration. | |||||
| |||||
| module→load_async(msValidity, callback, context) | |||||
Preloads the module cache with a specified validity duration (asynchronous version). | |||||
|
| |||||
| module→log(text) | |||||
Adds a text message to the device logs. | |||||
| |||||
| module→nextModule() | |||||
Continues the module enumeration started using yFirstModule(). | |||||
| |||||
| module→reboot(secBeforeReboot) | |||||
Schedules a simple module reboot after the given number of seconds. | |||||
| |||||
| module→registerBeaconCallback(callback) | |||||
Register a callback function, to be called when the localization beacon of the module has been changed. | |||||
| |||||
| module→registerConfigChangeCallback(callback) | |||||
Register a callback function, to be called when a persistent settings in a device configuration has been changed (e.g. | |||||
| |||||
| module→registerLogCallback(callback) | |||||
Registers a device log callback function. | |||||
| |||||
| module→revertFromFlash() | |||||
Reloads the settings stored in the nonvolatile memory, as when the module is powered on. | |||||
| |||||
| module→saveToFlash() | |||||
Saves current settings in the nonvolatile memory of the module. | |||||
| |||||
| module→set_allSettings(settings) | |||||
Restores all the settings of the device. | |||||
| |||||
| module→set_allSettingsAndFiles(settings) | |||||
Restores all the settings and uploaded files to the module. | |||||
| |||||
| module→set_beacon(newval) | |||||
Turns on or off the module localization beacon. | |||||
| |||||
| module→set_logicalName(newval) | |||||
Changes the logical name of the module. | |||||
| |||||
| module→set_luminosity(newval) | |||||
Changes the luminosity of the module informative leds. | |||||
| |||||
| module→set_userData(data) | |||||
Stores a user context provided as argument in the userData attribute of the function. | |||||
| |||||
| module→set_userVar(newval) | |||||
Stores a 32 bit value in the device RAM. | |||||
| |||||
| module→triggerConfigChangeCallback() | |||||
Triggers a configuration change callback, to check if they are supported or not. | |||||
| |||||
| module→triggerFirmwareUpdate(secBeforeReboot) | |||||
Schedules a module reboot into special firmware update mode. | |||||
| |||||
| module→updateFirmware(path) | |||||
Prepares a firmware update of the module. | |||||
| |||||
| module→updateFirmwareEx(path, force) | |||||
Prepares a firmware update of the module. | |||||
| |||||
| module→wait_async(callback, context) | |||||
Waits for all pending asynchronous commands on the module to complete, and invoke the user-provided callback function. | |||||
|
RGB LED control interface, available for instance in the Yocto-Color-V2, the Yocto-MaxiBuzzer or the Yocto-PowerColor
The ColorLed class allows you to drive a color LED. The color can be specified using RGB coordinates as well as HSL coordinates. The module performs all conversions form RGB to HSL automatically. It is then self-evident to turn on a LED with a given hue and to progressively vary its saturation or lightness. If needed, you can find more information on the difference between RGB and HSL in the section following this one.
In order to use the functions described here, you should include:
es | in HTML: <script src="../../lib/yocto_colorled.js"></script> in node.js: require('yoctolib-es2017/yocto_colorled.js'); |
js | <script type='text/javascript' src='yocto_colorled.js'></script> |
cpp | #include "yocto_colorled.h" |
m | #import "yocto_colorled.h" |
uwp | import com.yoctopuce.YoctoAPI.YColorLed; |
ts | in HTML: import { YColorLed } from '../../dist/esm/yocto_colorled.js'; in Node.js: import { YColorLed } from 'yoctolib-cjs/yocto_colorled.js'; |
| Global functions | |||||
|---|---|---|---|---|---|
| YColorLed.FindColorLed(func) | |||||
Retrieves an RGB LED for a given identifier. | |||||
| |||||
| YColorLed.FindColorLedInContext(yctx, func) | |||||
Retrieves an RGB LED for a given identifier in a YAPI context. | |||||
| |||||
| YColorLed.FirstColorLed() | |||||
Starts the enumeration of RGB LEDs currently accessible. | |||||
| |||||
| YColorLed.FirstColorLedInContext(yctx) | |||||
Starts the enumeration of RGB LEDs currently accessible. | |||||
| |||||
| YColorLed.GetSimilarFunctions() | |||||
Enumerates all functions of type ColorLed available on the devices currently reachable by the library, and returns their unique hardware ID. | |||||
|
| |||||
| YColorLed methods | |||||
| colorled→addHslMoveToBlinkSeq(HSLcolor, msDelay) | |||||
Add a new transition to the blinking sequence, the move will be performed in the HSL space. | |||||
| |||||
| colorled→addRgbMoveToBlinkSeq(RGBcolor, msDelay) | |||||
Adds a new transition to the blinking sequence, the move is performed in the RGB space. | |||||
| |||||
| colorled→clearCache() | |||||
Invalidates the cache. | |||||
| |||||
| colorled→describe() | |||||
Returns a short text that describes unambiguously the instance of the RGB LED in the form TYPE(NAME)=SERIAL.FUNCTIONID. | |||||
| |||||
| colorled→get_advertisedValue() | |||||
Returns the current value of the RGB LED (no more than 6 characters). | |||||
| |||||
| colorled→get_blinkSeqMaxSize() | |||||
Returns the maximum length of the blinking sequence. | |||||
| |||||
| colorled→get_blinkSeqSignature() | |||||
Returns the blinking sequence signature. | |||||
| |||||
| colorled→get_blinkSeqSize() | |||||
Returns the current length of the blinking sequence. | |||||
| |||||
| colorled→get_errorMessage() | |||||
Returns the error message of the latest error with the RGB LED. | |||||
| |||||
| colorled→get_errorType() | |||||
Returns the numerical error code of the latest error with the RGB LED. | |||||
| |||||
| colorled→get_friendlyName() | |||||
Returns a global identifier of the RGB LED in the format MODULE_NAME.FUNCTION_NAME. | |||||
| |||||
| colorled→get_functionDescriptor() | |||||
Returns a unique identifier of type YFUN_DESCR corresponding to the function. | |||||
| |||||
| colorled→get_functionId() | |||||
Returns the hardware identifier of the RGB LED, without reference to the module. | |||||
| |||||
| colorled→get_hardwareId() | |||||
Returns the unique hardware identifier of the RGB LED in the form SERIAL.FUNCTIONID. | |||||
| |||||
| colorled→get_hslColor() | |||||
Returns the current HSL color of the LED. | |||||
| |||||
| colorled→get_logicalName() | |||||
Returns the logical name of the RGB LED. | |||||
| |||||
| colorled→get_module() | |||||
Gets the YModule object for the device on which the function is located. | |||||
| |||||
| colorled→get_module_async(callback, context) | |||||
Gets the YModule object for the device on which the function is located (asynchronous version). | |||||
|
| |||||
| colorled→get_rgbColor() | |||||
Returns the current RGB color of the LED. | |||||
| |||||
| colorled→get_rgbColorAtPowerOn() | |||||
Returns the configured color to be displayed when the module is turned on. | |||||
| |||||
| colorled→get_serialNumber() | |||||
Returns the serial number of the module, as set by the factory. | |||||
| |||||
| colorled→get_userData() | |||||
Returns the value of the userData attribute, as previously stored using method set_userData. | |||||
| |||||
| colorled→hslMove(hsl_target, ms_duration) | |||||
Performs a smooth transition in the HSL color space between the current color and a target color. | |||||
| |||||
| colorled→isOnline() | |||||
Checks if the RGB LED is currently reachable, without raising any error. | |||||
| |||||
| colorled→isOnline_async(callback, context) | |||||
Checks if the RGB LED is currently reachable, without raising any error (asynchronous version). | |||||
|
| |||||
| colorled→isReadOnly() | |||||
Indicates whether changes to the function are prohibited or allowed. | |||||
| |||||
| colorled→load(msValidity) | |||||
Preloads the RGB LED cache with a specified validity duration. | |||||
| |||||
| colorled→loadAttribute(attrName) | |||||
Returns the current value of a single function attribute, as a text string, as quickly as possible but without using the cached value. | |||||
| |||||
| colorled→load_async(msValidity, callback, context) | |||||
Preloads the RGB LED cache with a specified validity duration (asynchronous version). | |||||
|
| |||||
| colorled→muteValueCallbacks() | |||||
Disables the propagation of every new advertised value to the parent hub. | |||||
| |||||
| colorled→nextColorLed() | |||||
Continues the enumeration of RGB LEDs started using yFirstColorLed(). | |||||
| |||||
| colorled→registerValueCallback(callback) | |||||
Registers the callback function that is invoked on every change of advertised value. | |||||
| |||||
| colorled→resetBlinkSeq() | |||||
Resets the preprogrammed blinking sequence. | |||||
| |||||
| colorled→rgbMove(rgb_target, ms_duration) | |||||
Performs a smooth transition in the RGB color space between the current color and a target color. | |||||
| |||||
| colorled→set_hslColor(newval) | |||||
Changes the current color of the LED, using a specific HSL color. | |||||
| |||||
| colorled→set_logicalName(newval) | |||||
Changes the logical name of the RGB LED. | |||||
| |||||
| colorled→set_rgbColor(newval) | |||||
Changes the current color of the LED, using an RGB color. | |||||
| |||||
| colorled→set_rgbColorAtPowerOn(newval) | |||||
Changes the color that the LED displays by default when the module is turned on. | |||||
| |||||
| colorled→set_userData(data) | |||||
Stores a user context provided as argument in the userData attribute of the function. | |||||
| |||||
| colorled→startBlinkSeq() | |||||
Starts the preprogrammed blinking sequence. | |||||
| |||||
| colorled→stopBlinkSeq() | |||||
Stops the preprogrammed blinking sequence. | |||||
| |||||
| colorled→unmuteValueCallbacks() | |||||
Re-enables the propagation of every new advertised value to the parent hub. | |||||
| |||||
| colorled→wait_async(callback, context) | |||||
Waits for all pending asynchronous commands on the module to complete, and invoke the user-provided callback function. | |||||
| |||||
| colorled→saveLedsConfigAtPowerOn() | |||||
Saves the LEDs power-on configuration. | |||||
|
|
RGB LED cluster control interface, available for instance in the Yocto-Color-V2, the Yocto-MaxiBuzzer or the Yocto-MaxiKnob
The YColorLedCluster class allows you to drive a color LED cluster. Unlike the ColorLed class, the YColorLedCluster class allows to handle several LEDs at once. Color changes can be done using RGB coordinates as well as HSL coordinates. The module performs all conversions form RGB to HSL automatically. It is then self-evident to turn on a LED with a given hue and to progressively vary its saturation or lightness. If needed, you can find more information on the difference between RGB and HSL in the section following this one.
In order to use the functions described here, you should include:
js | <script type='text/javascript' src='yocto_colorledcluster.js'></script> |
cpp | #include "yocto_colorledcluster.h" |
m | #import "yocto_colorledcluster.h" |
uwp | import com.yoctopuce.YoctoAPI.YColorLedCluster; |
ts | in HTML: import { YColorLedCluster } from '../../dist/esm/yocto_colorledcluster.js'; in Node.js: import { YColorLedCluster } from 'yoctolib-cjs/yocto_colorledcluster.js'; |
es | in HTML: <script src="../../lib/yocto_colorledcluster.js"></script> in node.js: require('yoctolib-es2017/yocto_colorledcluster.js'); |
| Global functions | |||||
|---|---|---|---|---|---|
| YColorLedCluster.FindColorLedCluster(func) | |||||
Retrieves a RGB LED cluster for a given identifier. | |||||
| |||||
| YColorLedCluster.FindColorLedClusterInContext(yctx, func) | |||||
Retrieves a RGB LED cluster for a given identifier in a YAPI context. | |||||
| |||||
| YColorLedCluster.FirstColorLedCluster() | |||||
Starts the enumeration of RGB LED clusters currently accessible. | |||||
| |||||
| YColorLedCluster.FirstColorLedClusterInContext(yctx) | |||||
Starts the enumeration of RGB LED clusters currently accessible. | |||||
| |||||
| YColorLedCluster.GetSimilarFunctions() | |||||
Enumerates all functions of type ColorLedCluster available on the devices currently reachable by the library, and returns their unique hardware ID. | |||||
|
| |||||
| YColorLedCluster methods | |||||
| colorledcluster→addHslMoveToBlinkSeq(seqIndex, hslValue, delay) | |||||
Adds an HSL transition to a sequence. | |||||
| |||||
| colorledcluster→addJumpToBlinkSeq(seqIndex, linkSeqIndex) | |||||
Adds to a sequence a jump to another sequence. | |||||
| |||||
| colorledcluster→addMirrorToBlinkSeq(seqIndex) | |||||
Adds a mirror ending to a sequence. | |||||
| |||||
| colorledcluster→addRgbMoveToBlinkSeq(seqIndex, rgbValue, delay) | |||||
Adds an RGB transition to a sequence. | |||||
| |||||
| colorledcluster→addUnlinkToBlinkSeq(seqIndex) | |||||
Adds a to a sequence a hard stop code. | |||||
| |||||
| colorledcluster→clearCache() | |||||
Invalidates the cache. | |||||
| |||||
| colorledcluster→describe() | |||||
Returns a short text that describes unambiguously the instance of the RGB LED cluster in the form TYPE(NAME)=SERIAL.FUNCTIONID. | |||||
| |||||
| colorledcluster→get_activeLedCount() | |||||
Returns the number of LEDs currently handled by the device. | |||||
| |||||
| colorledcluster→get_advertisedValue() | |||||
Returns the current value of the RGB LED cluster (no more than 6 characters). | |||||
| |||||
| colorledcluster→get_blinkSeqMaxCount() | |||||
Returns the maximum number of sequences that the device can handle. | |||||
| |||||
| colorledcluster→get_blinkSeqMaxSize() | |||||
Returns the maximum length of sequences. | |||||
| |||||
| colorledcluster→get_blinkSeqSignatures(seqIndex, count) | |||||
Returns a list on 32 bit signatures for specified blinking sequences. | |||||
| |||||
| colorledcluster→get_blinkSeqState(seqIndex, count) | |||||
Returns a list of integers with the started state for specified blinking sequences. | |||||
| |||||
| colorledcluster→get_blinkSeqStateAtPowerOn(seqIndex, count) | |||||
Returns a list of integers with the "auto-start at power on" flag state for specified blinking sequences. | |||||
| |||||
| colorledcluster→get_blinkSeqStateSpeed(seqIndex, count) | |||||
Returns a list of integers with the current speed for specified blinking sequences. | |||||
| |||||
| colorledcluster→get_dynamicLedCount() | |||||
Returns the maximum number of LEDs that can perform autonomous transitions and sequences. | |||||
| |||||
| colorledcluster→get_errorMessage() | |||||
Returns the error message of the latest error with the RGB LED cluster. | |||||
| |||||
| colorledcluster→get_errorType() | |||||
Returns the numerical error code of the latest error with the RGB LED cluster. | |||||
| |||||
| colorledcluster→get_friendlyName() | |||||
Returns a global identifier of the RGB LED cluster in the format MODULE_NAME.FUNCTION_NAME. | |||||
| |||||
| colorledcluster→get_functionDescriptor() | |||||
Returns a unique identifier of type YFUN_DESCR corresponding to the function. | |||||
| |||||
| colorledcluster→get_functionId() | |||||
Returns the hardware identifier of the RGB LED cluster, without reference to the module. | |||||
| |||||
| colorledcluster→get_hardwareId() | |||||
Returns the unique hardware identifier of the RGB LED cluster in the form SERIAL.FUNCTIONID. | |||||
| |||||
| colorledcluster→get_ledType() | |||||
Returns the RGB LED type currently handled by the device. | |||||
| |||||
| colorledcluster→get_linkedSeqArray(ledIndex, count) | |||||
Returns a list on sequence index for each RGB LED. | |||||
| |||||
| colorledcluster→get_logicalName() | |||||
Returns the logical name of the RGB LED cluster. | |||||
| |||||
| colorledcluster→get_maxLedCount() | |||||
Returns the maximum number of LEDs that the device can handle. | |||||
| |||||
| colorledcluster→get_module() | |||||
Gets the YModule object for the device on which the function is located. | |||||
| |||||
| colorledcluster→get_module_async(callback, context) | |||||
Gets the YModule object for the device on which the function is located (asynchronous version). | |||||
|
| |||||
| colorledcluster→get_rgbColorArray(ledIndex, count) | |||||
Returns a list on 24bit RGB color values with the current colors displayed on the RGB LEDs. | |||||
| |||||
| colorledcluster→get_rgbColorArrayAtPowerOn(ledIndex, count) | |||||
Returns a list on 24bit RGB color values with the RGB LEDs startup colors. | |||||
| |||||
| colorledcluster→get_rgbColorBuffer(ledIndex, count) | |||||
Returns a binary buffer with content from the LED RGB buffer, as is. | |||||
| |||||
| colorledcluster→get_serialNumber() | |||||
Returns the serial number of the module, as set by the factory. | |||||
| |||||
| colorledcluster→get_userData() | |||||
Returns the value of the userData attribute, as previously stored using method set_userData. | |||||
| |||||
| colorledcluster→hslArrayOfs_move(ledIndex, hslList, delay) | |||||
Sets up a smooth HSL color transition to the specified pixel-by-pixel list of HSL color codes. | |||||
| |||||
| colorledcluster→hslArray_move(hslList, delay) | |||||
Sets up a smooth HSL color transition to the specified pixel-by-pixel list of HSL color codes. | |||||
| |||||
| colorledcluster→hsl_move(ledIndex, count, hslValue, delay) | |||||
Allows you to modify the current color of a group of adjacent LEDs to another color, in a seamless and autonomous manner. | |||||
| |||||
| colorledcluster→isOnline() | |||||
Checks if the RGB LED cluster is currently reachable, without raising any error. | |||||
| |||||
| colorledcluster→isOnline_async(callback, context) | |||||
Checks if the RGB LED cluster is currently reachable, without raising any error (asynchronous version). | |||||
|
| |||||
| colorledcluster→isReadOnly() | |||||
Indicates whether changes to the function are prohibited or allowed. | |||||
| |||||
| colorledcluster→linkLedToBlinkSeq(ledIndex, count, seqIndex, offset) | |||||
Links adjacent LEDs to a specific sequence. | |||||
| |||||
| colorledcluster→linkLedToBlinkSeqAtPowerOn(ledIndex, count, seqIndex, offset) | |||||
Links adjacent LEDs to a specific sequence at device power-on. | |||||
| |||||
| colorledcluster→linkLedToPeriodicBlinkSeq(ledIndex, count, seqIndex, periods) | |||||
Links adjacent LEDs to a specific sequence. | |||||
| |||||
| colorledcluster→load(msValidity) | |||||
Preloads the RGB LED cluster cache with a specified validity duration. | |||||
| |||||
| colorledcluster→loadAttribute(attrName) | |||||
Returns the current value of a single function attribute, as a text string, as quickly as possible but without using the cached value. | |||||
| |||||
| colorledcluster→load_async(msValidity, callback, context) | |||||
Preloads the RGB LED cluster cache with a specified validity duration (asynchronous version). | |||||
|
| |||||
| colorledcluster→muteValueCallbacks() | |||||
Disables the propagation of every new advertised value to the parent hub. | |||||
| |||||
| colorledcluster→nextColorLedCluster() | |||||
Continues the enumeration of RGB LED clusters started using yFirstColorLedCluster(). | |||||
| |||||
| colorledcluster→registerValueCallback(callback) | |||||
Registers the callback function that is invoked on every change of advertised value. | |||||
| |||||
| colorledcluster→resetBlinkSeq(seqIndex) | |||||
Stops a sequence execution and resets its contents. | |||||
| |||||
| colorledcluster→rgbArrayOfs_move(ledIndex, rgbList, delay) | |||||
Sets up a smooth RGB color transition to the specified pixel-by-pixel list of RGB color codes. | |||||
| |||||
| colorledcluster→rgbArray_move(rgbList, delay) | |||||
Sets up a smooth RGB color transition to the specified pixel-by-pixel list of RGB color codes. | |||||
| |||||
| colorledcluster→rgb_move(ledIndex, count, rgbValue, delay) | |||||
Allows you to modify the current color of a group of adjacent LEDs to another color, in a seamless and autonomous manner. | |||||
| |||||
| colorledcluster→saveBlinkSeq(seqIndex) | |||||
Saves the definition of a sequence. | |||||
| |||||
| colorledcluster→saveLedsConfigAtPowerOn() | |||||
Saves the LEDs power-on configuration. | |||||
| |||||
| colorledcluster→set_activeLedCount(newval) | |||||
Changes the number of LEDs currently handled by the device. | |||||
| |||||
| colorledcluster→set_blinkSeqSpeed(seqIndex, speed) | |||||
Changes the execution speed of a sequence. | |||||
| |||||
| colorledcluster→set_blinkSeqStateAtPowerOn(seqIndex, autostart) | |||||
Configures a sequence to make it start automatically at device startup. | |||||
| |||||
| colorledcluster→set_hslColor(ledIndex, count, hslValue) | |||||
Changes the current color of consecutive LEDs in the cluster, using a HSL color. | |||||
| |||||
| colorledcluster→set_hslColorArray(ledIndex, hslList) | |||||
Sends 24bit HSL colors (provided as a list of integers) to the LED HSL buffer, as is. | |||||
| |||||
| colorledcluster→set_hslColorAtPowerOn(ledIndex, count, hslValue) | |||||
Changes the color at device startup of consecutive LEDs in the cluster, using a HSL color. | |||||
| |||||
| colorledcluster→set_hslColorBuffer(ledIndex, buff) | |||||
Sends a binary buffer to the LED HSL buffer, as is. | |||||
| |||||
| colorledcluster→set_ledType(newval) | |||||
Changes the RGB LED type currently handled by the device. | |||||
| |||||
| colorledcluster→set_logicalName(newval) | |||||
Changes the logical name of the RGB LED cluster. | |||||
| |||||
| colorledcluster→set_rgbColor(ledIndex, count, rgbValue) | |||||
Changes the current color of consecutive LEDs in the cluster, using a RGB color. | |||||
| |||||
| colorledcluster→set_rgbColorArray(ledIndex, rgbList) | |||||
Sends 24bit RGB colors (provided as a list of integers) to the LED RGB buffer, as is. | |||||
| |||||
| colorledcluster→set_rgbColorAtPowerOn(ledIndex, count, rgbValue) | |||||
Changes the color at device startup of consecutive LEDs in the cluster, using a RGB color. | |||||
| |||||
| colorledcluster→set_rgbColorBuffer(ledIndex, buff) | |||||
Sends a binary buffer to the LED RGB buffer, as is. | |||||
| |||||
| colorledcluster→set_userData(data) | |||||
Stores a user context provided as argument in the userData attribute of the function. | |||||
| |||||
| colorledcluster→startBlinkSeq(seqIndex) | |||||
Starts a sequence execution: every LED linked to that sequence starts to run it in a loop. | |||||
| |||||
| colorledcluster→stopBlinkSeq(seqIndex) | |||||
Stops a sequence execution. | |||||
| |||||
| colorledcluster→unlinkLedFromBlinkSeq(ledIndex, count) | |||||
Unlinks adjacent LEDs from a sequence. | |||||
| |||||
| colorledcluster→unmuteValueCallbacks() | |||||
Re-enables the propagation of every new advertised value to the parent hub. | |||||
| |||||
| colorledcluster→wait_async(callback, context) | |||||
Waits for all pending asynchronous commands on the module to complete, and invoke the user-provided callback function. | |||||
|
If it is the first time that you use a Yoctopuce module and you do not really know where to start, have a look at the Yoctopuce blog. There is a section dedicated to beginners 63.
Most of Yoctopuce API programming examples are command line programs and require some parameters to work properly. You have to start them from your operating system command prompt, or configure your IDE to run them with the proper parameters. 64.
To work correctly under Linux, the library needs to have write access to all the Yoctopuce USB peripherals. However, by default under Linux, USB privileges of the non-root users are limited to read access. To avoid having to run the library as root, you need to create a new udev rule to authorize one or several users to have write access to the Yoctopuce peripherals.
To add a new udev rule to your installation, you must add a file with a name following the "##-arbitraryName.rules" format, in the "/etc/udev/rules.d" directory. When the system is starting, udev reads all the files with a ".rules" extension in this directory, respecting the alphabetical order (for example, the "51-custom.rules" file is interpreted AFTER the "50-udev-default.rules" file).
The "50-udev-default" file contains the system default udev rules. To modify the default behavior, you therefore need to create a file with a name that starts with a number larger than 50, that will override the system default rules. Note that to add a rule, you need a root access on the system.
In the udev_conf directory of the VirtualHub for Linux65 archive, there are two rule examples which you can use as a basis.
This rule provides all the users with read and write access to the Yoctopuce USB devices. Access rights for all other devices are not modified. If this scenario suits you, you only need to copy the "51-yoctopuce_all.rules" file into the "/etc/udev/rules.d" directory and to restart your system.
# udev rules to allow write access to all users # for Yoctopuce USB devices SUBSYSTEM=="usb", ATTR{idVendor}=="24e0", MODE="0666"
This rule authorizes the "yoctogroup" group to have read and write access to Yoctopuce USB peripherals. Access rights for all other peripherals are not modified. If this scenario suits you, you only need to copy the "51-yoctopuce_group.rules" file into the "/etc/udev/rules.d" directory and restart your system.
# udev rules to allow write access to all users of "yoctogroup" # for Yoctopuce USB devices SUBSYSTEM=="usb", ATTR{idVendor}=="24e0", MODE="0664", GROUP="yoctogroup"
There are two main flavors of executable on ARM: HF (Hard Float) binaries, and EL (EABI Little Endian) binaries. These two families are not compatible at all. The compatibility of a given ARM platform with of one of these two families depends on the hardware and on the OS build. ArmHL and ArmEL compatibility problems are quite difficult to detect. Most of the time, the OS itself is unable to make a difference between an HF and an EL executable and will return meaningless messages when you try to use the wrong type of binary.
All pre-compiled Yoctopuce binaries are provided in both formats, as two separate ArmHF et ArmEL executables. If you do not know what family your ARM platform belongs to, just try one executable from each family.
If your Yocto-Color-V2-C is connected by USB, if its blue led is on, but if the operating system cannot see the module, check that you are using a true USB cable with data wires, and not a charging cable. Charging cables have only power wires.
If when initializing the Yoctopuce API, you obtain the "Another process named xxx is already using yAPI" error message, it means that another application is already using Yoctopuce USB modules. On a single machine only one process can access Yoctopuce modules by USB at a time. You can easily work around this limitation by using VirtualHub and the network mode 66.
If your Yocto-Color-V2-C behaves erratically and/or disconnects itself from the USB bus without apparent reason, check that it is correctly powered. Avoid cables with a length above 2 meters. If needed, insert a powered USB hub 67 68.
If a firmware update of your Yocto-Color-V2-C fails, it is possible that the module is no longer working. If this is the case, plug in your module while holding down the Yocto-Button. The Yocto-LED should light up brightly and remain steady. Release the button. Your Yocto-Color-V2-C should then appear at the bottom of the VirtualHub user interface as a module waiting to be flashed. This operation also reverts the module to its factory configuration.
If, when performing a call to RegisterHub() with a VirtualHub address, another previously registered VirtualHub disconnects, make sure the machine running these VirtualHubs do not have the same Hostname. Same Hostname can happen very easily when the operating system is installed from a monolithic image, Raspberry Pi are the best example. The Yoctopuce API uses serial numbers to communicate with devices and VirtualHub serial numbers are created on the fly based the hostname of the machine running VirtualHub.
If, after sending a bunch of commands to a Yoctopuce device, you are under the impression that the last ones have been ignored, a typical example is a quick and dirty program meant to configure a device, make sure you used a YAPI.FreeAPI() at the end of the program. Commands are sent to Yoctopuce modules asynchronously thanks to a background thread. When the main program terminates, that thread is killed no matter if some command are left to be sent. However API.FreeAPI() waits until there is no more command to send before freeing the API resources and returning.
Yoctopuce strives to reduce the production of electronic waste. If you believe that your Yocto-Color-V2-C is not working anymore, start by contacting Yoctopuce support by e-mail to diagnose the failure. Even if you know that the device was damaged by mistake, Yoctopuce engineers might be able to repair it, and thus avoid creating electronic waste.
Waste Electrical and Electronic Equipment (WEEE)
If you really want to get rid of your Yocto-Color-V2-C, do not throw it
away in a trash bin but bring it to your local WEEE recycling point. In this
way, it will be disposed properly by a specialized WEEE recycling center.
You can find below a summary of the main technical characteristics of your Yocto-Color-V2-C module.
| Product ID | RGBLED2C |
| Hardware release† | Rev. B |
| USB connector | USB-C |
| Width | 20 mm |
| Length | 60 mm |
| Weight | 5 g |
| Supported RGB LEDs | WS2812B, WS2812C, SK6812, WS2811 |
| Supported RGBW LEDs | SK6812RGBW |
| Max number of LEDs | 150 |
| Protection class, according to IEC 61140 | class III |
| Normal operating temperature | 5...40 °C |
| Extended operating temperature‡ | -25...80 °C |
| RoHS compliance | RoHS III (2011/65/UE+2015/863) |
| USB Vendor ID | 0x24E0 |
| USB Device ID | 0x00D8 |
| Suggested enclosure | YoctoBox-Long-Thin-Black |
| Harmonized tariff code | 9032.9000 |
| Made in | Switzerland |
† These specifications are for the current hardware revision. Specifications for earlier revisions may differ.
‡ The extended temperature range is defined based on components specifications and has been tested during a limited duration (1h). When using the device in harsh environments for a long period of time, we strongly advise to run extensive tests before going to production.