Le Yocto-IO-V2-C est un module électronique de 60x20mm qui offre quatre entrées/sorties digitales électriquement isolées du bus USB. Chaque bit d'entrée/sortie peut être configuré individuellement comme une entrée bipolaire, entrée open-drain (pull-up interne), sortie type TTL/CMOS ou sortie open-drain (collecteur ouvert).
Sans alimentation externe, les entrées/sorties peuvent fonctionner en 3V ou 5V pour des signaux logiques (faible courant). Avec une alimentation externe, les entrées/sorties peuvent fonctionner jusqu'à 28V et 500 mA par canal (1A en pointe), ce qui permet, par exemple, de piloter des petits relais .

Le module Yocto-IO-V2-C
Le Yocto-IO-V2-C n'est pas en lui-même un produit complet. C'est un composant destiné à être intégré dans une solution d'automatisation en laboratoire, ou pour le contrôle de procédés industriels, ou pour des applications similaires en milieu résidentiel ou commercial. Pour pouvoir l'utiliser, il faut au minimum l'installer à l'intérieur d'un boîtier de protection et le raccorder à un ordinateur de contrôle.
Yoctopuce vous remercie d'avoir fait l'acquisition de ce Yocto-IO-V2-C et espère sincèrement qu'il vous donnera entière satisfaction. Les ingénieurs Yoctopuce se sont donné beaucoup de mal pour que votre Yocto-IO-V2-C soit facile à installer n'importe où et soit facile à piloter depuis un maximum de langages de programmation. Néanmoins, si ce module venait à vous décevoir, ou si vous avez besoin d'informations supplémentaires, n'hésitez pas à contacter Yoctopuce:
| Adresse e-mail: | support@yoctopuce.com |
| Site Internet: | www.yoctopuce.com |
| Adresse postale: | Route de Cartigny 33 |
| Localité: | 1236 Cartigny |
| Pays: | Suisse |
Le Yocto-IO-V2-C est conçu pour respecter la norme de sécurité IEC 61010-1:2010. Il ne causera pas de danger majeur pour l'opérateur et la zone environnante, même en condition de premier défaut, pour autant qu'il soit intégré et utilisé conformément aux instructions contenues dans cette documentation, et en particulier dans cette section.
Le Yocto-IO-V2-C ne doit pas être utilisé sans boîtier de protection, en raison des composants électriques à nu. Pour une sécurité optimale, il devrait être mis dans un boîtier non métallique, non-inflammable, résistant à un choc de 5 J, par exemple en polycarbonate (LEXAN ou autre) d'indice de protection IK08 et classifié V-1 ou mieux selon la norme IEC 60695-11-10. L'utilisation d'un boîtier de qualité inférieure peut nécessiter des avertissements spécifiques pour l'utilisateur et/ou compromettre la conformité avec la norme de sécurité.
Si un dégat est constaté sur le circuit électronique ou sur le boîtier, il doit être remplacé afin de ne pas compromettre la sécurité d'utilisation et d'éviter d'endommager d'autres parties du système par les surcharges éventuelles que pourrait causer un court-circuit.
Pour faciliter l'entretien du circuit et l'identification des risques lors de la maintenance, vous devriez coller l'étiquette autocollante synthétique identifiant le Yocto-IO-V2-C, fournie avec le circuit électronique, à proximité immédiate du module. Si le module est dans un boîtier dédié, l'étiquette devrait être collée sur la surface extérieur du boîtier. L'étiquette est résistante à l'humidité et au frottement usuel qui peut survenir durant un entretien normal.

L'étiquette d'identification est intégrée à l'étiquette de l'emballage.
La norme de sécurité vérifiée correspond aux instruments de laboratoire, pour le contrôle de procédés industriels, ou pour des applications similaires en milieu résidentiel ou commercial. Si vous comptez utiliser le Yocto-IO-V2-C pour un autre type d'applications, vous devrez vérifier les critères de conformité en fonction de la norme applicable à votre application.
En particulier, le Yocto-IO-V2-C n'est pas certifié pour utilisation dans un environnement médical, ni pour les applications critiques à la santé, ni pour toute autre application menaçant la vie humaine.
Le Yocto-IO-V2-C n'est pas certifié pour utilisation dans les zones dangereuses, ni pour les environnements explosifs. Les conditions environnementales assignées sont décrites ci-dessous.
Le module Yocto-IO-V2-C a été conçu pour travailler uniquement avec des très basses
tension de sécurité. Ne dépassez pas les tensions indiquées dans ce manuel, et ne raccordez
en aucun cas sur le bornier du Yocto-IO-V2-C un fil susceptible d'être connecté au réseau secteur.
Les produits Yoctopuce sont conçus pour une utilisation intérieure dans un environnement usuel de bureau ou de laboratoire (degré de pollution 2 selon IEC 60664): la pollution de l'air doit être faible et essentiellement non conductrice. L'humidité relative prévue est de 10% à 90% RH, sans condensation. L'utilisation dans un environnement avec une pollution solide ou conductrice significative exige de protéger le module contre cette pollution par un boîtier certifié IP67 ou IP68. Les produits Yoctopuce sont conçus pour une utilisation jusqu'à une altitude de 2000m.
Le fonctionnement de tous les modules Yoctopuce est garanti conforme à la documentation et aux spécifications de précision pour des conditions de température ambiante normales selon IEC61010-1, soit 5°C à 40°C. De plus, la plupart des modules peuvent aussi être utilisés sur une plage de température étendue, à laquelle quelques limitations peuvent s'appliquer selon les cas.
La plage de température de fonctionnement étendue du Yocto-IO-V2-C est -30...85°C. Cette plage de température a été déterminée en fonction des recommandations officielles des fabricants des composants utilisés dans le Yocto-IO-V2-C, et par des tests de durée limitée (1h) dans les conditions extrêmes, en environnement controllé. Si vous envisagez d'utiliser le Yocto-IO-V2-C dans des conditions de température extrêmes pour une période prolongée, il est recommandé de faire des tests extensifs avant la mise en production.

| 1: | prise USB-C | 5: | Masse |
| 2: | Yocto-bouton | 6: | Entrée/sortie 0 : masse |
| 3: | Yocto-LED | 7: | Entrée/sortie 3 : signal |
| 4: | Leds d'état 0 à 3 | 8: | Alimentation externe |
Tous les Yocto-modules ont un certain nombre de fonctionnalités en commun.
Le Yocto-IO-V2-C est équipé d'une connectique USB au format type-C mais il utilise le protocole USB 1.1, il est donc compatible avec n'importe quel hôte USB . Alternativement vous pouvez souder un câble USB ou un connecteur au pas 1.27mm directement dans les trous prévus à cet effet, derrière le connecteur USB-C.
Si, lorsque que vous branchez votre Yocto-IO-V2-C au bout d'un câble USB-C, votre module s'allume mais n'est pas détecté par votre ordinateur, vérifiez que la fiche USB-C est bien enfoncée et que vous utilisez un câble USB normal et non pas un câble de charge sans lignes de données.
Si vous utilisez une source de tension autre qu'un port USB hôte standard pour alimenter le module par le connecteur USB, vous devez respecter les caractéristiques assignées par le standard USB 2.0:
En cas de tension supérieure, le module risque fort d'être détruit. En cas de tension inférieure, le comportement n'est pas déterminé, mais il peut conduire à une corruption du firmware.
Le Yocto-bouton a deux fonctions. Premièrement, il permet d'activer la Yocto-balise (voir la Yocto-led ci-dessous). Deuxièmement, si vous branchez un Yocto-module en maintenant ce bouton appuyé, il vous sera possible de reprogrammer son firmware avec une nouvelle version. Notez qu'il existe une méthode plus simple pour mettre à jour le firmware depuis l'interface utilisateur, mais cette méthode-là peut fonctionner même lorsque le firmware chargé sur le module est incomplet ou corrompu.
En temps normal la Yocto-Led sert à indiquer le bon fonctionnement du module: elle émet alors une faible lumière bleue qui varie lentement mimant ainsi une respiration. La Yocto-Led cesse de respirer lorsque le module ne communique plus, par exemple s'il est alimenté par un hub sans connexion avec un ordinateur allumé.
Lorsque vous appuyez sur le Yocto-bouton, la Led passe en mode Yocto-balise: elle se met alors à flasher plus vite et beaucoup plus fort, dans le but de permettre une localisation facile d'un module lorsqu'on en a plusieurs identiques. Il est en effet possible de déclencher la Yocto-balise par logiciel, tout comme il est possible de détecter par logiciel une Yocto-balise allumée.
La Yocto-Led a une troisième fonctionnalité moins plaisante: lorsque ce logiciel interne qui contrôle le module rencontre une erreur fatale, elle se met à flasher SOS en morse1. Si cela arrivait débranchez puis rebranchez le module. Si le problème venait à se reproduire vérifiez que le module contient bien la dernière version du firmware, et dans l'affirmative contactez le support Yoctopuce2.
Chaque Yocto-module est capable de mesurer sa propre consommation de courant sur le bus USB. La distribution du courant sur un bus USB étant relativement critique, cette fonctionnalité peut être d'un grand secours. La consommation de courant du module est consultable par logiciel uniquement.
Chaque Yocto-module a un numéro de série unique attribué en usine, pour les modules Yocto-IO-V2-C ce numéro commence par YMNIIO2C. Le module peut être piloté par logiciel en utilisant ce numéro de série. Ce numéro de série ne peut pas être changé.
Le nom logique est similaire au numéro de série, c'est une chaîne de caractères sensée être unique qui permet référencer le module par logiciel. Cependant, contrairement au numéro de série, le nom logique peut être modifié à volonté. L'intérêt est de pouvoir fabriquer plusieurs exemplaires du même projet sans avoir à modifier le logiciel de pilotage. Il suffit de programmer les mêmes noms logiques dans chaque exemplaire. Attention, le comportement d'un projet devient imprévisible s'il contient plusieurs modules avec le même nom logique et que le logiciel de pilotage essaye d'accéder à l'un de ces module à l'aide de son nom logique. A leur sortie d'usine, les modules n'ont pas de nom logique assigné, c'est à vous de le définir.
A chacune des quatre entrés/sorties correspond un bornier d'entrée/sortie, la masse est commune aux quatre canaux.
Le circuit d'entrée/sortie est un circuit de très basse tension de sécurité (TBTS). Il ne doit pas être connecté à des tensions supérieures à 28V, ni être mis en commun avec un circuit d'alimentation réseau.
La résistance du Yocto-IO-V2-C aux ondes de choc électromagnétique et aux tensions transitoires causées par la foudre n'a pas été testée. Donc si vous comptez l'utiliser avec des câbles de plus de 30m ou passant à l'extérieur, vous devrez effectuer ces tests par vous-même (cf. norme IEC 61000-4-5).
A chaque entrée-sortie correspond une Led verte, qui s'illumine quand le niveau logique de l'entrée/sortie correspondante est à 1.
Le Yocto-IO-V2-C peut alimenter ses entrées/sorties en 3V ou 5V (prélevés sur le bus USB), mais il peut aussi travailler avec des tensions plus élevées: il supporte en effet qu'à 28V tant en entrée qu'en sortie. Mais cette tension doit alors être fournie par une alimentation externe branchée sur ce port d'alimentation externe.
Attention: lorsque l'alimentation choisie est le 3V ou 5V prélevé sur le bus USB, cette tension apparaîtra aussi sur le bornier d'alimentation externe. Vous pouvez l'utiliser pour alimenter un circuit digital à très faible consommation, mais sachez que vous n'avez droit qu'à 100mA en tout, y compris pour la somme des consommations sur les canaux configurés en sortie.
Lors qu'il est alimenté par le bus USB uniquement, le Yocto-IO-V2-C ne peut être utilisé que pour des communications purement digitales (niveaux logiques, par exemple pour interfacer un module CMOS ou TTL). Prenez note des limitations suivantes:
Si vous avez besoin de fournir plus de courant, ou d'utiliser une tension différente, par exemple pour piloter un relais, vous devez fournir une source d'alimentation externe. Avec une source d'alimentation externe, chaque canal peut piloter jusqu'à 28V et 500mA (impédance de sortie: env. 1 Ohm) avec des pointes occasionnelles a 1A.
Le Yocto-IO-V2-C est conçu sous forme de deux circuits électriques bien distincts, séparés par une barrière d'isolation fonctionnelle. Cette isolation ne joue aucun rôle pour la sécurité, puisque les deux circuits du Yocto-IO-V2-C travaillent en très basses tensions de sécurité (TBTS) et sont accessibles sans risque pour l'utilisateur à tout moment. L'isolation est simplement destinée à améliorer la fiabilité et le confort d'utilisation du Yocto-IO-V2-C, permettant aux deux circuits de travailler avec des références de terre différentes.
Bien qu'elle ne joue pas de rôle pour la sécurité, la barrière d'isolation a été conçue selon les règles qui s'appliqueraient pour une isolation supplémentaire sur un circuit secondaire. Ses caractéristiques sont les suivantes 3:
Les quatre entrées/sorties du Yocto-IO-V2-C ne sont pas électriquement isolées l'une de l'autreelles partagent une masse commune, et la tension de pilotage des sorties est la même pour toutes. Si vous branchez plusieurs appareils différents au même Yocto-IO-V2-C, assurez-vous qu'ils partagent la même terre et la même tension de signalisation.
Les accessoires ci-dessous ne sont pas nécessaires à l'utilisation du module Yocto-IO-V2-C, mais pourraient vous être utiles selon l'utilisation que vous en faites. Il s'agit en général de produits courants que vous pouvez vous procurer chez vos fournisseurs habituels de matériel de bricolage. Pour vous éviter des recherches, ces produits sont en général aussi disponibles sur le shop de Yoctopuce.
Pour fixer le module Yocto-IO-V2-C à un support, vous pouvez placer des petites vis de 2.5mm avec une tête de 4.5mm au maximum dans les trous prévus. Il est conseillé de les visser dans des entretoises filetées, que vous pourrez fixer sur le support. Vous trouverez plus de détail à ce sujet dans le chapitre concernant le montage et la connectique.
Si vous désirez placer plusieurs modules Yoctopuce dans un espace très restreint, vous pouvez les connecter ensemble à l'aide d'un micro-hub USB. Yoctopuce fabrique des hubs multi-TT particulièrement petits précisément destinés à cet usage, dont la taille peut être réduite à 20mm par 36mm, et qui se montent en soudant directement les modules au hub via des connecteurs droits ou des câbles nappe. Pour plus de détails, consulter la fiche produit du micro-hub USB.
Vous pouvez ajouter une connectivité réseau à votre Yocto-IO-V2-C grâce aux hubs YoctoHub-Ethernet, YoctoHub-Wireless et YoctoHub-GSM qui offrent respectivement une connectivité Ethernet, Wifi et GSM. Chacun de ces hubs peut piloter jusqu'à trois modules Yoctopuce et se comporte exactement comme un ordinateur normal qui ferait tourner l'application VirtualHub5.
Si vous désirez raccorder le module Yocto-IO-V2-C à un Micro-hub USB ou a un YoctoHub en évitant l'encombrement d'un vrai cable USB, vous pouvez utiliser les 4 pads au pas 1.27mm juste derrière le connecteur USB. Vous avez alors deux possibilités.
Vous pouvez monter directement le module sur le hub à l'aide d'un jeu de vis et entretoises, et les connecter à l'aide de connecteurs board-to-board au pas 1.27mm. Pour éviter les court-circuits, soudez de préférence le connecteur femelle sur le hub et le connecteur mâle sur le Yocto-IO-V2-C.
Vous pouvez aussi utiliser un petit câble à 4 fils doté de connecteurs au pas 1.27mm (ou 1.25mm, la différence est négligeable pour 4 pins), ce qui vous permet de déporter le module d'une dizaine de centimètres. N'allongez pas trop la distance si vous utilisez ce genre de câble, car il n'est pas blindé et risque donc de provoquer des émissions électromagnétiques indésirables.
Votre Yocto-IO-V2-C a été conçu pour pouvoir être installé tel quel dans votre projet. Néanmoins Yoctopuce commercialise des boîtiers spécialement conçus pour les modules Yoctopuce. Ces boîtiers sont munis de pattes de fixation amovibles et d'aimants de fixation. Vous trouverez plus d'informations à propos de ces boîtiers sur le site de Yoctopuce6. Le boîtier recommandé pour votre Yocto-IO-V2-C est le modèle YoctoBox-Long-Thick-Black

Vous pouvez installer votre Yocto-IO-V2-C dans un boîtier optionnel.
Par design, tous les modules Yoctopuce se pilotent de la même façon, c'est pourquoi les documentations des modules de la gamme sont très semblables. Si vous avez déjà épluché la documentation d'un autre module Yoctopuce, vous pouvez directement sauter à la description de sa configuration.
Pour pouvoir profiter pleinement de votre module Yocto-IO-V2-C, vous devriez disposer des éléments suivants.
Les modules de Yoctopuce sont destinés à être pilotés par un ordinateur (ou éventuellement un microprocesseur embarqué). Vous écrirez vous-même le programme qui pilotera le module selon vos besoins, à l'aide des informations fournies dans ce manuel.
Yoctopuce fourni les librairies logicielles permettant de piloter ses modules pour les systèmes d'exploitation suivants: Windows, Linux, macOS et Android. Les modules Yoctopuce ne nécessitent pas l'installation de driver (ou pilote) spécifiques, car ils utilisent le driver HID7 fourni en standard dans tous les systèmes d'exploitation.
La règle générale concernant les versions de système d'exploitation supportées est la suivante: les outils de développement Yoctopuce sont supportés pour toutes les versions couvertes par le support de l'éditeur du système d'exploitation, y compris la durée du support étendu (long term support ou LTS). Yoctopuce attache une attention particulière au support à long terme, et lorsque c'est possible avec un effort raisonnable, nos outils sont construits de sorte à pouvoir être utilisés sur des anciens systèmes même plusieurs années encore après la fin du support étendu par le fabricant.
De plus, les librairies de programmation pour piloter nos modules étant disponibles en code source, il vous est en généralement possible de les recompiler pour fonctionner sur des systèmes d'exploitation encore plus anciens. A ce jour, notre librairie de programmation peut toujours être compilée pour fonctionner sur des systèmes d'exploitation publiés en 2008, tels que Windows XP SP3 ou Linux Debian Squeeze.
Les architectures supportées par les librairies logicielles de Yoctopuce sont les suivantes:
Sous Linux, la communication avec nos modules USB requiert impérativement la librairie libusb en version 1.0 ou plus récente, qui est disponible sur toutes les distributions courantes. Les librairies et les outils en ligne de commande devraient pouvoir être facilement recompilés sur n'importe quelle variante d'UNIX (Linux, FreeBSD, ...) datant des quinze dernières années pour laquelle libusb-1.0 est disponible et fonctionnel.
Sous Android, la possibilité de connecter un module USB dépend du fait que la tablette ou le téléphone supporte le mode USB Host.
Il existe plusieurs formes de connecteurs USB. La taille "normale" correspond à celle que vous utilisez probablement pour brancher votre imprimante. La taille "mini" a plus ou moins disparu. La taille "micro" était la plus petite au moment où les premier modules Yoctopuce ont été conçus. Depuis quelques années, les connecteurs USB-C sont apparus et sont en passe de supplanter tous les autres. C'est pourquoi, depuis 2024, Yoctopuce a entrepris de migrer progressivement ses produits vers USB-C8.

Les connecteurs USB 2.0 les plus courants: A, B, Mini B, Micro B et USB-C.
Pour connecter votre module Yocto-IO-V2-C à un ordinateur, vous avez donc besoin d'un
cable USB de type A-USB-C ou éventuellement type C- USB-C. Vous trouverez
ce cable en vente à des prix très variables selon les sources, sous la dénomination
USB A to USB-C Data cable. Prenez garde à ne pas acheter par mégarde un
simple câble de charge, qui ne fournirait que le courant mais sans les fils de données.
Le bon câble est disponible sur le shop de Yoctopuce.

Vous devez raccorder votre module Yocto-IO-V2-C à l'aide d'un cable USB 2.0 de type A - USB-C
Si vous branchez un hub USB entre l'ordinateur et le module Yocto-IO-V2-C, prenez garde à ne pas dépasser les limites de courant imposées par USB, sous peine de faire face des comportements instables non prévisibles. Vous trouverez plus de détails à ce sujet dans le chapitre concernant le montage et la connectique.
Arrivé à ce point, votre Yocto-IO-V2-C devrait être branché à votre ordinateur, qui devrait l'avoir reconnu. Il est temps de le faire fonctionner.
Rendez-vous sur le site de Yoctopuce et téléchargez le programme VirtualHub9, Il est disponible pour Windows, Linux et macOS. En temps normal le programme VirtualHub sert de couche d'abstraction pour les langages qui ne peuvent pas accéder aux couches matérielles de votre ordinateur. Mais il offre aussi une interface sommaire pour configurer vos modules et tester les fonctions de base, on accède à cette interface à l'aide d'un simple browser web 10. Lancez VirtualHub en ligne de commande, ouvrez votre browser préféré et tapez l'adresse http://127.0.0.1:4444. Vous devriez voir apparaître la liste des modules Yoctopuce raccordés à votre ordinateur.

Liste des modules telle qu'elle apparaît dans votre browser.
Il est alors possible de localiser physiquement chacun des modules affichés en cliquant sur le bouton beacon, cela a pour effet de mettre la Yocto-Led du module correspondant en mode "balise", elle se met alors à clignoter ce qui permet de la localiser facilement. Cela a aussi pour effet d'afficher une petite pastille bleue à l'écran. Vous obtiendrez le même comportement en appuyant sur le Yocto-bouton d'un module.
La première chose à vérifier est le bon fonctionnement de votre module: cliquez sur le numéro de série correspondant à votre module, et une fenêtre résumant les propriétés de votre Yocto-IO-V2-C.

Propriétés du module Yocto-IO-V2-C.
Cette fenêtre vous permet entre autres de tester les entrées/sorties du module. Pour les canaux configurés en entrées, les cases cochées correspondent à un niveau logique 1. Vous pouvez changer le niveau logique des sorties en cochant les cases correspondantes.
Si, dans la liste de modules, vous cliquez sur le bouton configure correspondant à votre module, la fenêtre de configuration apparaît.

Configuration du module Yocto-IO-V2-C.
Le firmware du module peut être facilement mis à jour à l'aide de l'interface. Les firmwares destinés aux modules Yoctopuce se présentent sous la forme de fichiers .byn et peuvent être téléchargés depuis le site web de Yoctopuce.
Pour mettre à jour un firmware, cliquez simplement sur le bouton upgrade de la fenêtre de configuration et suivez les instructions. Si pour une raison ou une autre, la mise à jour venait à échouer, débranchez puis rebranchez le module. Recommencer la procédure devrait résoudre alors le problème. Si le module a été débranché alors qu'il était en cours de reprogrammation, il ne fonctionnera probablement plus et ne sera plus listé dans l'interface. Mais il sera toujours possible de le reprogrammer correctement en utilisant le programme VirtualHub11 en ligne de commande 12.
Le nom logique est un nom choisi par vous, qui vous permettra d'accéder à votre module, de la même manière qu'un nom de fichier vous permet d'accéder à son contenu. Un nom logique doit faire au maximum 19 caractères, les caractères autorisés sont les caractères A..Z a..z 0..9 _ et -. Si vous donnez le même nom logique à deux modules raccordés au même ordinateur, et que vous tentez d'accéder à l'un des modules à l'aide de ce nom logique, le comportement est indéterminé: vous n'avez aucun moyen de savoir lequel des deux va répondre.
Ce paramètre vous permet d'agir sur l'intensité maximale des leds présentes sur le module. Ce qui vous permet, si nécessaire, de le rendre un peu plus discret tout en limitant sa consommation. Notez que ce paramètre agit sur toutes les leds de signalisation du module, y compris la Yocto-Led. Si vous branchez un module et que rien ne s'allume, cela veut peut être dire que sa luminosité a été réglée à zéro.
Chaque module Yoctopuce a un numéro de série, et un nom logique. De manière analogue, chaque fonction présente sur chaque module Yoctopuce a un nom matériel et un nom logique, ce dernier pouvant être librement choisi par l'utilisateur. Utiliser des noms logiques pour les fonctions permet une plus grande flexibilité au niveau de la programmation des modules
La seule fonction du Yocto-IO-V2-C est DigitalIO qui correspond aux quatre entrées/sorties. Chaque entrée/sortie peut fonctionner selon quatre modes différents.
La configuration des canaux est sauvée dans la mémoire flash du Yocto-IO-V2-C, ce qui signifie qu'elle résiste à une mise hors tension. Le Yocto-IO-V2-C est livré avec les quatre canaux configurés en entrées simples.
Chaque entrée/sortie peut fonctionner en mode inversé: Le niveau logique est simplement inversé par rapport au fonctionnement normal. Cette fonctionnalité est particulièrement utile pour la fonction pulse: elle permet de faire des pulses inversés.
Ce chapitre fournit des explications importantes pour utiliser votre module Yocto-IO-V2-C en situation réelle. Prenez soin de le lire avant d'aller trop loin dans votre projet si vous voulez éviter les mauvaises surprises.
Pendant la mise au point de votre projet vous pouvez vous contenter de laisser le module se promener au bout de son câble. Veillez simplement à ce qu'il ne soit pas en contact avec quoi que soit de conducteur (comme vos outils). Une fois votre projet pratiquement terminé il faudra penser à faire en sorte que vos modules ne puissent pas se promener à l'intérieur.

Exemples de montage sur un support.
Le module Yocto-IO-V2-C dispose de trous de montage 3mm. Vous pouvez utiliser ces trous pour y passer des vis. Le diamètre de la tête de ces vis ne devra pas dépasser 8mm, sous peine d'endommager les circuits du module. Veillez à que la surface inférieure du module ne soit pas en contact avec le support. La méthode recommandée consiste à utiliser des entretoises, mais il en existe d'autres. Rien ne vous empêche de le fixer au pistolet à colle; ça ne sera pas très joli mais ça tiendra.
Bien que USB signifie Universal Serial BUS, les périphériques USB ne sont pas organisés physiquement en bus mais en arbre, avec des connections point-à-point. Cela a des conséquences en termes de distribution électrique: en simplifiant, chaque port USB doit alimenter électriquement tous les périphériques qui lui sont directement ou indirectement connectés. Et USB impose des limites.
En théorie, un port USB fournit 100mA, et peut lui fournir (à sa guise) jusqu'à 500mA si le périphérique les réclame explicitement. Dans le cas d'un hub non-alimenté, il a droit à 100mA pour lui-même et doit permettre à chacun de ses 4 ports d'utiliser 100mA au maximum. C'est tout, et c'est pas beaucoup. Cela veut dire en particulier qu'en théorie, brancher deux hub USB non-alimentés en cascade ne marche pas. Pour cascader des hubs USB, il faut utiliser des hubs USB alimentés, qui offriront 500mA sur chaque port.
En pratique, USB n'aurait pas eu le succès qu'il a s'il était si contraignant. Il se trouve que par économie, les fabricants de hubs omettent presque toujours d'implémenter la limitation de courant sur les ports: ils se contentent de connecter l'alimentation de tous les ports directement à l'ordinateur, tout en se déclarant comme hub alimenté même lorsqu'ils ne le sont pas (afin de désactiver tous les contrôles de consommation dans le système d'exploitation). C'est assez malpropre, mais dans la mesure où les ports des ordinateurs sont eux en général protégés par une limitation de courant matérielle vers 2000mA, ça ne marche pas trop mal, et cela fait rarement des dégâts.
Ce que vous devez en retenir: si vous branchez des modules Yoctopuce via un ou des hubs non alimentés, vous n'aurez aucun garde-fou et dépendrez entièrement du soin qu'aura mis le fabricant de votre ordinateur pour fournir un maximum de courant sur les ports USB et signaler les excès avant qu'ils ne conduisent à des pannes ou des dégâts matériels. Si les modules sont sous-alimentés, ils pourraient avoir un comportement bizarre et produire des pannes ou des bugs peu reproductibles. Si vous voulez éviter tout risque, ne cascadez pas les hubs non-alimentés, et ne branchez pas de périphérique consommant plus de 100mA derrière un hub non-alimenté.
Pour vous faciliter le contrôle et la planification de la consommation totale de votre projet, tous les modules Yoctopuce sont équipés d'une sonde de courant qui indique (à 5mA près) la consommation du module sur le bus USB.
Notez enfin que le câble USB lui-même peut aussi représenter une cause de problème d'alimentation, en particulier si les fils sont trop fins ou si le câble est trop long 13. Les bons câbles utilisent en général des fils AWG 26 ou AWG 28 pour les fils de données et des fils AWG 24 pour les fils d'alimentation.
Les choix de connectique pour intégrer le Yocto-IO-V2-C ont naturellement une incidence sur les émissions électromagnétiques du système, et donc sur la conformité avec les normes concernées.
Les mesures de référence que nous effectuons pour valider la conformité avec la norme IEC CISPR 11 sont faites sans aucun boîtier, mais en raccordant les modules par un câble USB blindé, conforme à la spécification USB 2.0: le blindage du câble est relié au blindage des deux connecteurs, et la résistance totale entre le blindage des deux connecteurs est inférieure 0.6Ω. Le câble utilisé fait 3m, de sorte à exposer un segment d'un mètre horizontal, un segment d'un mètre vertical et de garder le dernier mètre le plus proche de l'ordinateur hôte à l'intérieur d'un bloc de ferrite.
Si vous utilisez un câble non blindé ou incorrectement blindé, votre système fonctionnera sans problème mais vous risquez de n'être pas conforme à la norme. Dans le cadre de systèmes composés de plusieurs modules raccordés par des câbles au pas 1.27mm, ou de capteurs déportés, vous pourrez en général récupérer la conformité avec la norme d'émission en utilisant un boîtier métallique offrant une enveloppe de blindage externe.
Toujours par rapport aux normes de compatibilité électromagnétique, la longueur maximale supportée du câble USB est de 3m. En plus de pouvoir causer des problèmes de chute de tension, l'utilisation de câbles plus long aurait des incidences sur les tests d'immunité électromagnétique à effectuer pour respecter les normes.
L'API Yoctopuce a été pensée pour être à la fois simple à utiliser, et suffisamment générique pour que les concepts utilisés soient valables pour tous les modules de la gamme Yoctopuce et ce dans tous les langages de programmation disponibles. Ainsi, une fois que vous aurez compris comment piloter votre Yocto-IO-V2-C dans votre langage de programmation favori, il est très probable qu'apprendre à utiliser un autre module, même dans un autre langage, ne vous prendra qu'un minimum de temps.
L'API Yoctopuce est une API orientée objet. Mais, dans un souci de simplicité, seules les bases de la programmation objet ont été utilisées. Même si la programmation objet ne vous est pas familière, il est peu probable que cela vous soit un obstacle à l'utilisation des produits Yoctopuce. Notez que vous n'aurez jamais à allouer ou désallouer un objet lié à l'API Yoctopuce: cela est géré automatiquement.
Il existe une classe par type de fonctionnalité Yoctopuce. Le nom de ces classes commence toujours par un Y suivi du nom de la fonctionnalité, par exemple YTemperature, YRelay, YPressure, etc.. Il existe aussi une classe YModule, dédiée à la gestion des modules en temps que tels, et enfin il existe la classe statique YAPI, qui supervise le fonctionnement global de l'API et gère les communications à bas niveau.

Structure de l'API Yoctopuce.
A chaque fonctionnalité d'un module Yoctopuce, correspond une classe: YTemperature pour mesurer la température, YVoltage pour mesurer une tension, YRelay pour contrôler un relais, etc. Il existe cependant une classe spéciale qui peut faire plus: YSensor.
Cette classe YSensor est la classe parente de tous les senseurs Yoctopuce, elle permet de contrôler n'importe quel senseur, quel que soit son type, en donnant accès au fonctions communes à tous les senseurs. Cette classe permet de simplifier la programmation d'applications qui utilisent beaucoup de senseurs différents. Mieux encore, si vous programmez une application basée sur la classe YSensor, elle sera compatible avec tous les senseurs Yoctopuce, y compris ceux qui n'existent pas encore.
Dans l'API Yoctopuce, la priorité a été mise sur la facilité d'accès aux fonctionnalités des modules en offrant la possibilité de faire abstraction des modules qui les implémentent. Ainsi, il est parfaitement possible de travailler avec un ensemble de fonctionnalités sans jamais savoir exactement quel module les héberge au niveau matériel. Cela permet de considérablement simplifier la programmation de projets comprenant un nombre important de modules.
Du point de vue programmation, votre Yocto-IO-V2-C se présente sous la forme d'un module hébergeant un certain nombre de fonctionnalités. Dans l'API , ces fonctionnalités se présentent sous la forme d'objets qui peuvent être retrouvés de manière indépendante, et ce de plusieurs manières.
Chacune des fonctionnalités peut se voir assigner un nom logique arbitraire et persistant: il restera stocké dans la mémoire flash du module, même si ce dernier est débranché. Un objet correspondant à une fonctionnalité Xxx munie d'un nom logique pourra ensuite être retrouvée directement à l'aide de ce nom logique et de la méthode YXxx.FindXxx. Notez cependant qu'un nom logique doit être unique parmi tous les modules connectés.
Vous pouvez énumérer toutes les fonctionnalités d'un même type sur l'ensemble des modules connectés à l'aide des fonctions classiques d'énumération FirstXxx et nextXxxx disponibles dans chacune des classes YXxx.
Chaque fonctionnalité d'un module dispose d'un nom hardware, assigné en usine qui ne peut être modifié. Les fonctionnalités d'un module peuvent aussi être retrouvées directement à l'aide de ce nom hardware et de la fonction YXxx.FindXxx de la classe correspondante.
Les méthodes YXxx.FindXxxx et YXxx.FirstXxxx ne fonctionnent pas exactement de la même manière. Si aucun module n'est disponible YXxx.FirstXxxx renvoie une valeur nulle. En revanche, même si aucun module ne correspond, YXxx.FindXxxx renverra objet valide, qui ne sera pas "online" mais qui pourra le devenir, si le module correspondant est connecté plus tard.
Une fois l'objet correspondant à une fonctionnalité retrouvé, ses méthodes sont disponibles de manière tout à fait classique. Notez que la plupart de ces sous-fonctions nécessitent que le module hébergeant la fonctionnalité soit branché pour pouvoir être manipulées. Ce qui n'est en général jamais garanti, puisqu'un module USB peut être débranché après le démarrage du programme de contrôle. La méthode isOnline(), disponible dans chaque classe, vous sera alors d'un grand secours.
Bien qu'il soit parfaitement possible de construire un projet en faisant abstraction de la répartition des fonctionnalités sur les différents modules, ces derniers peuvent être facilement retrouvés à l'aide de l'API. En fait, ils se manipulent d'une manière assez semblable aux fonctionnalités. Ils disposent d'un numéro de série affecté en usine qui permet de retrouver l'objet correspondant à l'aide de YModule.Find(). Les modules peuvent aussi se voir affecter un nom logique arbitraire qui permettra de les retrouver ensuite plus facilement. Et enfin la classe YModule comprend les méthodes d'énumération YModule.FirstModule() et nextModule() qui permettent de dresser la liste des modules connectés.
Du point de vue de l'API, les modules et leurs fonctionnalités sont donc fortement décorrélés à dessein. Mais l'API offre néanmoins la possibilité de passer de l'un à l'autre. Ainsi la méthode get_module(), disponible dans chaque classe de fonctionnalité, permet de retrouver l'objet correspondant au module hébergeant cette fonctionnalité. Inversement, la classe YModule dispose d'un certain nombre de méthodes permettant d'énumérer les fonctionnalités disponibles sur un module.
Le module Yocto-IO-V2-C offre une instance de la fonction DigitalIO, dont chaque bit correspond à l'une des huit d'entrées/sorties disponibles sur le module.
module : Module
| attribut | type | modifiable ? |
|---|---|---|
| productName | Texte | lecture seule |
| serialNumber | Texte | lecture seule |
| logicalName | Texte | modifiable |
| productId | Entier (hexadécimal) | lecture seule |
| productRelease | Entier (hexadécimal) | lecture seule |
| firmwareRelease | Texte | lecture seule |
| persistentSettings | Type énuméré | modifiable |
| luminosity | 0..100% | modifiable |
| beacon | On/Off | modifiable |
| upTime | Temps | lecture seule |
| usbCurrent | Courant consommé (en mA) | lecture seule |
| rebootCountdown | Nombre entier | modifiable |
| userVar | Nombre entier | modifiable |
| attribut | type | modifiable ? |
|---|---|---|
| logicalName | Texte | modifiable |
| advertisedValue | Texte | modifiable |
| portState | Champs de bits | modifiable |
| portDirection | Champs de bits | modifiable |
| portOpenDrain | Champs de bits | modifiable |
| portPolarity | Champs de bits | modifiable |
| portDiags | Bits d'erreur d'un port DigitalIO | lecture seule |
| portSize | Nombre entier | lecture seule |
| outputVoltage | Type énuméré | modifiable |
| command | Texte | modifiable |
Interface de contrôle des paramètres généraux des modules Yoctopuce
La classe YModule est utilisable avec tous les modules USB de Yoctopuce. Elle permet de contrôler les paramètres généraux du module, et d'énumérer les fonctions fournies par chaque module.
Chaîne de caractères contenant le nom commercial du module, préprogrammé en usine.
Chaîne de caractères contenant le numéro de série, unique et préprogrammé en usine. Pour un module Yocto-IO-V2-C, ce numéro de série commence toujours par YMNIIO2C. Il peut servir comme point de départ pour accéder par programmation à un module particulier.
Chaîne de caractères contenant le nom logique du module, initialement vide. Cet attribut peut être changé au bon vouloir de l'utilisateur. Une fois initialisé à une valeur non vide, il peut servir de point de départ pour accéder à un module particulier. Si deux modules avec le même nom logique se trouvent sur le même montage, il n'y a pas moyen de déterminer lequel va répondre si l'on tente un accès par ce nom logique. Le nom logique du module est limité à 19 caractères parmi A..Z,a..z,0..9,_ et -.
Identifiant USB du module, préprogrammé à la valeur 207 en usine.
Numéro de révision du module hardware, préprogrammé en usine. La révision originale du retourne la valeur 1, la révision B retourne la valeur 2, etc.
Version du logiciel embarqué du module, elle change à chaque fois que le logiciel embarqué est mis à jour.
Etat des réglages persistants du module: chargés depuis la mémoire non-volatile, modifiés par l'utilisateur ou sauvegardés dans la mémoire non volatile.
Intensité lumineuse maximale des leds informatives (comme la Yocto-Led) présentes sur le module. C'est une valeur entière variant entre 0 (leds éteintes) et 100 (leds à l'intensité maximum). La valeur par défaut est 50. Pour changer l'intensité maximale des leds de signalisation du module, ou les éteindre complètement, il suffit donc de modifier cette valeur.
Etat de la balise de localisation du module.
Temps écoulé depuis la dernière mise sous tension du module.
Courant consommé par le module sur le bus USB, en milli-ampères.
Compte à rebours pour déclencher un redémarrage spontané du module.
Attribut de type entier 32 bits à disposition de l'utilisateur.
Interface pour intéragir avec les ports d'E/S digitaux, disponibles par exemple dans le Yocto-IO et le Yocto-Maxi-IO-V2
La classe YDigitalIO permet de piloter un port d'entrée/sortie numérique Yoctopuce. Elle permet de configurer la direction de chaque canel, de lire l'état de chaque canal et de changer l'état de chaque canal configuré en sortie. Il est possible d'interragir sur tous les canaux simultanément, ou de les changer indépendamment. La pluspart des fonctions utilisent une représentation binaire des canaux où le bit 0 correspond au canal N°0, le bit 1 correspond au canal N°1 et ainsi de suite. Si la représentation binaire des entiers ne vous est pas familière, vous trouverez plus d'informations ici: https://fr.wikipedia.org/wiki/Syst%C3%A8me_binaire. Il est aussi possible de créer des courtes impulsions de durée déterminée. Le comportement électrique de chanque entrée/sortie peut être modifié (open drain et invesrion de polarité).
Chaîne de caractères contenant le nom logique du port d'E/S digital, initialement vide. Cet attribut peut être changé au bon vouloir de l'utilisateur. Un fois initialisé à une valeur non vide, il peut servir de point de départ pour accéder à directement au port d'E/S digital. Si deux ports d'E/S digitaux portent le même nom logique dans un projet, il n'y a pas moyen de déterminer lequel va répondre si l'on tente un accès par ce nom logique. Le nom logique du module est limité à 19 caractères parmi A..Z,a..z,0..9,_ et -.
Courte chaîne de caractères résumant l'état actuel du port d'E/S digital, et qui sera publiée automatiquement jusqu'au hub parent. Pour un port d'E/S digital, la valeur publiée est l'état du port, en hexadécimal.
Etat du port d'E/S digital: le bit 0 représente l'input 0 et ainsi de suite.
Direction de chaque bit du port (bitmap). 0 représente un bit en entrée, 1 représente un bit en sortie. Par défaut, tous les bits sont configurés comme des entrées.
Type d'interface électrique de chaque bit du port (bitmap). 0 représente une entrée ou une sortie digitale standard, 1 représente une entrée ou sortie en mode collecteur ouvert (drain ouvert).
Polarité chaque bit du port. Un bit à 1 inverse le fonctionnement de l'entrée sortie.
Diagnostique de l'état du port. Le bit 0 signale un court-circuit sur la sortie 0, etc. Le bit 8 indique un défaut d'alimentation, et le bit 9 indique une surchauffe (courant excessif). En fonctionnement normal, le diagnostique devrait être à zéro.
Nombre de bits implémentés dans le port d'E/S.
Source de tension utilisée pour piloter les bits en sortie.
Attribut magique permettant d'envoyer une commande au port d'E/S. Si une commande n'est pas interprétée comme attendue, consultez les logs du module.
Il y existe plusieurs méthodes pour contrôler un module USB Yoctopuce depuis un programme.
Dans ce cas de figure le programme pilotant votre projet est directement compilé avec une librairie qui offre le contrôle des modules. C'est objectivement la solution la plus simple et la plus élégante pour l'utilisateur final. Il lui suffira de brancher le câble USB et de lancer votre programme pour que tout fonctionne. Malheureusement, cette technique n'est pas toujours disponible ou même possible.

L'application utilise la librairie native pour contrôler le module connecté en local
Ici l'essentiel du code permettant de contrôler les modules se trouve dans une DLL, et le programme est compilé avec une petite librairie permettant de contrôler cette DLL. C'est la manière la plus rapide pour coder le support des modules dans un language particulier. En effet la partie "utile" du code de contrôle se trouve dans la DLL qui est la même pour tous les langages, offrir le support pour un nouveau langage se limite à coder la petite librairie qui contrôle la DLL. Du point de de l'utilisateur final, il y a peu de différences: il faut simplement être sûr que la DLL sera installée sur son ordinateur en même temps que le programme principal.

L'application utilise la DLL pour contrôler nativement le module connecté en local
Certains langages ne permettent tout simplement pas d'accéder facilement au niveau matériel de la machine. C'est le cas de Javascript par exemple. Pour gérer ce cas, Yoctopuce offre la solution sous la forme d'un petit service, appelé VirtualHub qui, lui, est capable d'accéder aux modules, et votre application n'a plus qu'à utiliser une librairie qui offrira toutes les fonctions nécessaires au contrôle des modules en passant par l'intermédiaire de ce VirtualHub. L'utilisateur final se verra obligé de lancer VirtualHub avant de lancer le programme de contrôle du projet proprement dit, à moins qu'il ne décide d'installer VirtualHub sous la forme d'un service/démon, auquel cas VirtualHub se lancera automatiquement au démarrage de la machine..

L'application se connecte au service VirtualHub pour connecter le module.
En revanche la méthode de contrôle par un service offre un avantage non négligeable: l'application n'est pas n'obligée de tourner sur la machine où se trouvent les modules: elle peut parfaitement se trouver sur un autre machine qui se connectera au service pour piloter les modules. De plus, les librairie natives et DLL évoquées plus haut sont aussi capables de se connecter à distance à une ou plusieurs instances de VirtualHub.

Lorsqu'on utilise VirtualHub, l'application de contrôle n'a plus besoin
d'être sur la même machine que le module.
Quel que soit langage de programmation choisi et le paradigme de contrôle utilisé, la programmation reste strictement identique. D'un langage à l'autre les fonctions ont exactement le même nom, prennent les mêmes paramètres. Les seules différences sont liées aux contraintes des langages eux-mêmes.
| Language | Natif | Natif avec .DLL/.so | VirtualHub |
|---|---|---|---|
| Ligne de commande | ✔ | - | ✔ |
| Python | - | ✔ | ✔ |
| C++ | ✔ | ✔ | ✔ |
| C# .Net | - | ✔ | ✔ |
| C# UWP | ✔ | - | ✔ |
| LabVIEW | - | ✔ | ✔ |
| Java | - | ✔ | ✔ |
| Java pour Android | ✔ | - | ✔ |
| TypeScript | - | - | ✔ |
| JavaScript / ECMAScript | - | - | ✔ |
| PHP | - | - | ✔ |
| VisualBasic .Net | - | ✔ | ✔ |
| Delphi | - | ✔ | ✔ |
| Objective-C | ✔ | - | ✔ |
Une seule application à la fois peut avoir accès nativement aux modules Yoctopuce. Cette limitation est liée au fait que deux processus différents ne peuvent pas parler en même temps à un périphérique USB. En général, ce type de problème est réglé par un driver qui se charge de faire la police pour éviter que plusieurs processus ne se battent pour le même périphérique. Mais les produits Yoctopuce n'utilisent pas de drivers. Par conséquent, le premier processus qui arrive à accéder au mode natif le garde pour lui jusqu'à ce que UnregisterHub ou FreeApi soit appelé.
Si votre application essaie de communiquer en mode natif avec les modules Yoctopuce, mais qu'une autre application vous empêche d'y accéder, vous revecrez le message d'erreur suivant:
La solution est d'utiliser VirtualHub localement sur votre machine et de vous en servir comme passerelle pour vos applications. Ainsi, si toutes vos application utilisent VirtualHub, vous n'aurez plus de conflit et vous pourrez accéder en tout temps à tous vos modules.
Pour passer du mode natif au mode réseau sur votre machine locale, il vous suffit de changer le paramètre de l'appel à YAPI.RegisterHub et d'indiquer 127.0.0.1 à la place de usb.
Un YoctoHub se comporte exactement comme un ordinateur faisant tourner VirtualHub. La seule différence entre un programme utilisant l'API Yoctopuce utilisant des modules en USB natif et ce même programme utilisant des modules Yoctopuce connectés à un YoctoHub se situe au niveau de l'appel à RegisterHub. Pour utiliser des modules USB connectés en natif, le paramètre de RegisterHub est usb, pour utiliser des modules connectés à un YoctoHub, il suffit de remplacer ce paramètre par l'adresse IP du YoctoHub.
Il y a donc trois cas de figure: le mode natif, le mode réseau à travers VirtualHub sur votre machine locale, ou à travers un YoctoHub. Pour passer de l'un à l'autre, il vous suffit de changer le paramètre de l'appel à YAPI.RegisterHub comme dans les exemples ci-dessous:
Selon vos besoins et vos préférences, il est possible d'utiliser la librairie Yoctopuce avec des fonctions de haut niveau ou des fonctions de bas niveau.
Par fonctions de haut niveau, on entend des fonctions et des objets différenciés par module, dont les méthodes fournissent explicitement accès aux différentes fonctions et attributs.
Par fonctions de bas niveau, on entend on contraire une fonction très générique qui permet un accès au module indépendant de son type, mais qui n'offre aucune abstraction pour accéder aux différentes fonctions et attributs.
Le principal avantage à utiliser les fonctions de haut niveau est qu'elles permettent d'écrire en général du code plus simple, moins sujet aux erreurs 14. Le prix à payer pour cette simplification du code est de devoir lire la documentation de ces fonctions et classes pour les utiliser. C'est l'information que vous trouverez dans les chapitres suivants.
L'avantage des fonctions de bas niveau est qu'elles permettent aux développeurs expérimentés d'obtenir le résultat désiré en dépendant le moins possible d'une librairie tierce. Dans le cas des modules Yoctopuce, qui implémentent une interface de type REST, il est même possible de se passer entièrement de librairie pour certains types de projet, et de communiquer directement par HTTP avec l'API REST. Vous trouverez plus de détail sur les fonctions de bas niveau et leur utilisation dans une documentation séparée, prochainement disponible sur le site de Yoctopuce.
Lorsque vous désirez effectuer une opération ponctuelle sur votre Yocto-IO-V2-C, comme la lecture d'une valeur, le changement d'un nom logique, etc.. vous pouvez bien sur utiliser VirtualHub, mais il existe une méthode encore plus simple, rapide et efficace: l'API en ligne de commande.
L'API en ligne de commande se présente sous la forme d'un ensemble d'exécutables, un par type de fonctionnalité offerte par l'ensemble des produits Yoctopuce. Ces exécutables sont fournis pré-compilés pour toutes les plateformes/OS officiellement supportés par Yoctopuce. Bien entendu, les sources de ces exécutables sont aussi fournies15.
Téléchargez l'API en ligne de commande16. Il n'y a pas de programme d'installation à lancer, copiez simplement les exécutables correspondant à votre plateforme/OS dans le répertoire de votre choix. Ajoutez éventuellement ce répertoire à votre variable environnement PATH pour avoir accès aux exécutables depuis n'importe où. C'est tout, il ne vous reste plus qu'à brancher votre Yocto-IO-V2-C, ouvrir un shell et commencer à travailler en tapant par exemple:
Sous Linux, pour utiliser l'API en ligne de commande, vous devez soit être root, soit définir une règle udev pour votre système. Vous trouverez plus de détails au chapitre Problèmes courants.
Tous les exécutables de l'API en ligne de commande fonctionnent sur le même principe: ils doivent être appelés de la manière suivante:
Les [options] gèrent le fonctionnement global des commandes , elles permettent par exemple de piloter des modules à distance à travers le réseau, ou encore elles peuvent forcer les modules à sauver leur configuration après l'exécution de la commande.
La [cible] est le nom du module ou de la fonction auquel la commande va s'appliquer. Certaines commandes très génériques n'ont pas besoin de cible. Vous pouvez aussi utiliser les alias "any" ou "all", ou encore une liste de noms, séparés par des virgules, sans espace.
La commande est la commande que l'on souhaite exécuter. La quasi-totalité des fonctions disponibles dans les API de programmation classiques sont disponibles sous forme de commandes. Vous n'êtes pas obligé des respecter les minuscules/majuscules et les caractères soulignés dans le nom de la commande.
Les [paramètres] sont, assez logiquement, les paramètres dont la commande a besoin.
A tout moment les exécutables de l'API en ligne de commande sont capables de fournir une aide assez détaillée: Utilisez par exemple
pour connaître la liste de commandes disponibles pour un exécutable particulier de l'API en ligne de commande, ou encore:
Pour obtenir une description détaillée des paramètres d'une commande.
Pour contrôler la fonction DigitalIO de votre Yocto-IO-V2-C, vous avez besoin de l'exécutable YDigitalIO.
Vous pouvez par exemple lancer:
Cet exemple utilise la cible "any" pour signifier que l'on désire travailler sur la première fonction DigitalIO trouvée parmi toutes celles disponibles sur les modules Yoctopuce accessibles au moment de l'exécution. Cela vous évite d'avoir à connaître le nom exact de votre fonction et celui de votre module.
Mais vous pouvez tout aussi bien utiliser des noms logiques que vous auriez préalablement configurés. Imaginons un module Yocto-IO-V2-C avec le numéros de série YMNIIO2C-123456 que vous auriez appelé "MonModule" et dont vous auriez nommé la fonction digitalIO "MaFonction", les cinq appels suivants seront strictement équivalents (pour autant que MaFonction ne soit définie qu'une fois, pour éviter toute ambiguïté).
Pour travailler sur toutes les fonctions DigitalIO à la fois, utilisez la cible "all".
Pour plus de détails sur les possibilités de l'exécutableYDigitalIO, utilisez:
Chaque module peut être contrôlé d'une manière similaire à l'aide de l'exécutable YModule. Par exemple, pour obtenir la liste de tous les modules connectés, utilisez:
Vous pouvez aussi utiliser la commande suivante pour obtenir une liste encore plus détaillée des modules connectés:
Chaque propriété xxx du module peut être obtenue grâce à une commande du type get_xxxx(), et les propriétés qui ne sont pas en lecture seule peuvent être modifiées à l'aide de la commande set_xxx(). Par exemple:
Lorsque que vous souhaitez modifier les réglages d'un module, il suffit d'utiliser la commande set_xxx correspondante, cependant cette modification n'a lieu que dans la mémoire vive du module: si le module redémarre, les modifications seront perdues. Pour qu'elle soient mémorisées de manière persistante, il est nécessaire de demander au module de sauvegarder sa configuration courante dans sa mémoire non volatile. Pour cela il faut utiliser la commande saveToFlash. Inversement il est possible de forcer le module à oublier ses réglages courants en utilisant la méthode revertFromFlash. Par exemple:
Notez que vous pouvez faire la même chose en seule fois à l'aide de l'option -s
Attention, le nombre de cycles d'écriture de la mémoire non volatile du module est limité. Passé cette limite plus rien ne garantit que la sauvegarde des réglages se passera correctement. Cette limite, liée à la technologie employée par le micro-processeur du module se situe aux alentour de 100000 cycles. Pour résumer vous ne pouvez employer la commande saveToFlash que 100000 fois au cours de la vie du module. Veillez donc à ne pas appeler cette commande depuis l'intérieur d'une boucle.
L'API en ligne de commande est sujette à la même limitation que les autres API: il ne peut y avoir q'une seule application à la fois qui accède aux modules de manière native. Par défaut l'API en ligne de commande fonctionne en natif.
Cette limitation peut aisément être contournée en utilisant VirtualHub: il suffit de faire tourner VirtualHub17 sur la machine concernée et d'utiliser les executables de l'API en ligne de commande avec l'option -r par exemple, si vous utilisez:
Vous obtenez un inventaire des modules connectés par USB, en utilisant un accès natif. Si il y a déjà une autre commande en cours qui accède aux modules en natif, cela ne fonctionnera pas. Mais si vous lancez VirtualHub et que vous lancez votre commande sous la forme:
cela marchera parce que la commande ne sera plus exécutée nativement, mais à travers VirtualHub. Notez que VirtualHub compte comme une application native.
Python est un langage interprété orienté objet développé par Guido van Rossum. Il offre l'avantage d'être gratuit et d'être disponible pour la plupart de plate-formes tant Windows qu'Unix. C'est un language idéal pour écrire des petits scripts sur un coin de table. La librairie Yoctopuce est compatible avec Python 2.7 et 3.x jusqu'aux toutes dernières versions officielles. Elle fonctionne sous Windows, macOS et Linux tant Intel qu'ARM. Les interpréteurs Python sont disponibles sur le site de Python 18.
Les classes de la librairie Yoctopuce19 pour Python que vous utiliserez vous sont fournies au format source. Copiez tout le contenu du répertoire Sources dans le répertoire de votre choix et ajoutez ce répertoire à la variable d'environnement PYTHONPATH. Si vous utilisez un IDE pour programmer en Python, référez-vous à sa documentation afin le configurer de manière à ce qu'il retrouve automatiquement les fichiers sources de l'API.
Une partie de la librairie de bas-niveau est écrite en C, mais vous n'aurez a priori pas besoin d'interagir directement avec elle: cette partie est fournie sous forme de DLL sous Windows, de fichier .so sous Unix et de fichier .dylib sous macOS. Tout a été fait pour que l'interaction avec cette librairie se fasse aussi simplement que possible depuis Python: les différentes versions de la librairie dynamique correspondant aux différents systèmes d'exploitation et architectures sont stockées dans le répertoire cdll. L'API va charger automatiquement le bon fichier lors de son initialisation. Vous n'aurez donc pas à vous en soucier.
Si un jour vous deviez vouloir recompiler la librairie dynamique, vous trouverez tout son code source dans la librairie Yoctopuce pour le C++.
Afin de les garder simples, tous les exemples fournis dans cette documentation sont des applications consoles. Il va de soit que que le fonctionnement des librairies est strictement identiques si vous les intégrez dans une application dotée d'une interface graphique.
Il suffit de quelques lignes de code pour piloter un Yocto-IO-V2-C. Voici le squelette d'un fragment de code Python qui utilise la fonction DigitalIO.
Voyons maintenant en détail ce que font ces quelques lignes.
La fonction YAPI.RegisterHub initialise l'API de Yoctopuce en indiquant où les modules doivent être recherchés. Utilisée avec le paramètre "usb", elle permet de travailler avec les modules connectés localement à la machine. Si l'initialisation se passe mal, cette fonction renverra une valeur différente de YAPI.SUCCESS, et retournera via l'objet errmsg une explication du problème.
La fonction YDigitalIO.FindDigitalIO permet de retrouver un port d'E/S digital en fonction du numéro de série de son module hôte et de son nom de fonction. Mais vous pouvez tout aussi bien utiliser des noms logiques que vous auriez préalablement configurés. Imaginons un module Yocto-IO-V2-C avec le numéros de série YMNIIO2C-123456 que vous auriez appelé "MonModule" et dont vous auriez nommé la fonction digitalIO "MaFonction", les cinq appels suivants seront strictement équivalents (pour autant que MaFonction ne soit définie qu'une fois, pour éviter toute ambiguïté):
YDigitalIO.FindDigitalIO renvoie un objet que vous pouvez ensuite utiliser à loisir pour contrôler le port d'E/S digital.
La méthode isOnline() de l'objet renvoyé par YDigitalIO.FindDigitalIO permet de savoir si le module correspondant est présent et en état de marche.
Cette documentation suppose que vous utilisez la librairie Python téléchargée directement depuis le site web de Yoctopuce, mais si vous avez installé la librairie Yoctopuce avec PIP, alors vous devrez préfixer tous les imports avec yoctopuce.. Ainsi tous les exemples donnés dans la documentation, tels que:
doivent être convertis, lorsque que la librairie Yoctopuce a été installée par PIP, en:
La méthode set_portState() de l'objet renvoyé par YDigitalIO.FindDigitalIO permet d'affecter chacune des sorties en une seule fois. Le paramètre est un entier représentant un bitmap: Bit 0 pour la première sortie, Bit 1 pour la deuxième, etc..
Lancez votre interpréteur Python et ouvrez le script correspondant, fourni dans le répertoire Examples/Doc-GettingStarted-Yocto-IO-V2-C de la librairie Yoctopuce.
Vous reconnaîtrez dans cet exemple l'utilisation des fonctions expliquées ci-dessus, cette fois utilisées avec le décorum nécessaire à en faire un petit programme d'exemple concret.
Chaque module peut-être contrôlé d'une manière similaire, vous trouverez ci-dessous un simple programme d'exemple affichant les principaux paramètres d'un module et permettant d'activer la balise de localisation.
Chaque propriété xxx du module peut être lue grâce à une méthode du type YModule.get_xxxx(), et les propriétés qui se sont pas en lecture seule peuvent être modifiées à l'aide de la méthode YModule.set_xxx() Pour plus de détails concernant ces fonctions utilisées, reportez-vous aux chapitre API
Lorsque que vous souhaitez modifier les réglages d'un module, il suffit d'appeler la fonction YModule.set_xxx() correspondante, cependant cette modification n'a lieu que dans la mémoire vive du module: si le module redémarre, les modifications seront perdues. Pour qu'elle soient mémorisées de manière persistante, il est nécessaire de demander au module de sauvegarder sa configuration courante dans sa mémoire non volatile. Pour cela il faut utiliser la méthode YModule.saveToFlash(). Inversement il est possible de forcer le module à oublier ses réglages courants en utilisant la méthode YModule.revertFromFlash(). Ce petit exemple ci-dessous vous permet changer le nom logique d'un module.
Attention, le nombre de cycles d'écriture de la mémoire non volatile du module est limité. Passé cette limite plus rien ne garantit que la sauvegarde des réglages se passera correctement. Cette limite, liée à la technologie employée par le micro-processeur du module se situe aux alentour de 100000 cycles. Pour résumer vous ne pouvez employer la fonction YModule.saveToFlash() que 100000 fois au cours de la vie du module. Veillez donc à ne pas appeler cette fonction depuis l'intérieur d'une boucle.
Obtenir la liste des modules connectés se fait à l'aide de la fonction YModule.yFirstModule() qui renvoie le premier module trouvé, il suffit ensuite d'appeler la mehode nextModule() de cet objet pour trouver les modules suivants, et ce tant que la réponse n'est pas un null. Ci-dessous un petit exemple listant les module connectés
Lorsque vous implémentez un programme qui doit interagir avec des modules USB, vous ne pouvez pas faire abstraction de la gestion des erreurs. Il y aura forcément une occasion où un utilisateur aura débranché le périphérique, soit avant de lancer le programme, soit même en pleine opération. La librairie Yoctopuce est prévue pour vous aider à supporter ce genre de comportements, mais votre code doit néanmoins être fait pour se comporter au mieux pour interpréter les erreurs signalées par la librairie.
La manière la plus simple de contourner le problème est celle que nous avons employé pour les petits exemples précédents de ce chapitre: avant d'accéder à un module, on vérifie qu'il est en ligne avec la méthode isOnline() et on suppose ensuite qu'il va y rester pendant la fraction de seconde nécessaire à exécuter les lignes de code suivantes. Ce n'est pas parfait, mais ça peut suffire dans certains cas. Il faut toutefois être conscient qu'on ne peut pas totalement exclure une erreur se produisant après le isOnline(), qui pourrait faire planter le programme. La seule manière de l'éviter est d'implémenter une des deux techniques de gestion des erreurs décrites ci-dessous.
La méthode recommandée par la plupart des langages de programmation pour la gestion des erreurs imprévisibles est l'utilisation d'exceptions. C'est le comportement par défaut de la librairie Yoctopuce. Si une erreur se produit alors qu'on essaie d'accéder à un module, la librairie va lancer une exception. Dans ce cas, de trois choses l'une:
Comme cette dernière situation n'est pas la plus souhaitable, la librairie Yoctopuce offre une autre alternative pour la gestion des erreurs, permettant de faire un programme robuste sans devoir attraper les exceptions à chaque ligne de code. Il suffit d'appeler la fonction YAPI.DisableExceptions() pour commuter la librairie dans un mode où les exceptions de chaque fonction sont systématiquement remplacées par des valeurs de retour particulières, qui peuvent être testées par l'appelant lorsque c'est pertinent. Le nom de la valeur de retour en cas d'erreur pour chaque fonction est systématiquement documenté dans la référence de la librairie. Il suit toujours la même logique: une méthode get_state() retournera une valeur NomDeClasse.STATE_INVALID, une méthode get_currentValue retournera une valeur NomDeClasse.CURRENTVALUE_INVALID, etc. Dans tous les cas, la valeur retournée sera du type attendu, et ne sera pas un pointeur nul qui risquerait de faire crasher votre programme. Au pire, si vous affichez la valeur sans la tester, elle sera hors du cadre attendu pour la valeur retournée. Dans le cas de fonctions qui ne retournent à priori pas d'information, la valeur de retour sera YAPI.SUCCESS si tout va bien, et un code d'erreur différent en cas d'échec.
Quand vous travaillez sans les exceptions, il est possible d'obtenir un code d'erreur et un message expliquant l'origine de l'erreur en le demandant à l'objet qui a retourné une erreur à l'aide des méthodes errType() et errMessage(). Ce sont les même informations qui auraient été associées à l'exception si elles avaient été actives.
Le C++ n'est pas le langage le plus simple à maîtriser. Pourtant, si on prend soin à se limiter aux fonctionnalités essentielles, c'est un langage tout à fait utilisable pour des petits programmes vite faits, et qui a l'avantage d'être très portable d'un système d'exploitation à l'autre. Sous Windows, C++ est supporté avec Microsoft Visual Studio 2017 et les versions plus récentes. Sous macOS, nous supportons les versions de XCode supportées par Apple. Sous Linux, nous supportons toutes les versions de gcc publiées depuis 2008. Par ailleurs, aussi bien sous macOS que sous Linux, vous pouvez compiler les exemples en ligne de commande avec GCC en utilisant le GNUmakefile fourni. De même, sous Windows, un Makefile vous permet de compiler les exemples en ligne de commande, en pleine connaissance des arguments de compilation et link.
Les librairies Yoctopuce20 pour C++ vous sont fournies au format source dans leur intégralité. Une partie de la librairie de bas-niveau est écrite en C pur sucre, mais vous n'aurez à priori pas besoin d'interagir directement avec elle: tout a été fait pour que l'interaction soit le plus simple possible depuis le C++. La librairie vous est fournie bien entendu aussi sous forme binaire, de sorte à pouvoir la linker directement si vous le préférez.
Vous allez rapidement vous rendre compte que l'API C++ defini beaucoup de fonctions qui retournent des objets. Vous ne devez jamais désallouer ces objets vous-même. Ils seront désalloués automatiquement par l'API à la fin de l'application.
Afin des les garder simples, tous les exemples fournis dans cette documentation sont des applications consoles. Il va de soit que que les fonctionnement des librairies est strictement identiques si vous les intégrez dans une application dotée d'une interface graphique. Vous trouverez dans la dernière section de ce chapitre toutes les informations nécessaires à la création d'un projet à neuf linké avec les librairies Yoctopuce.
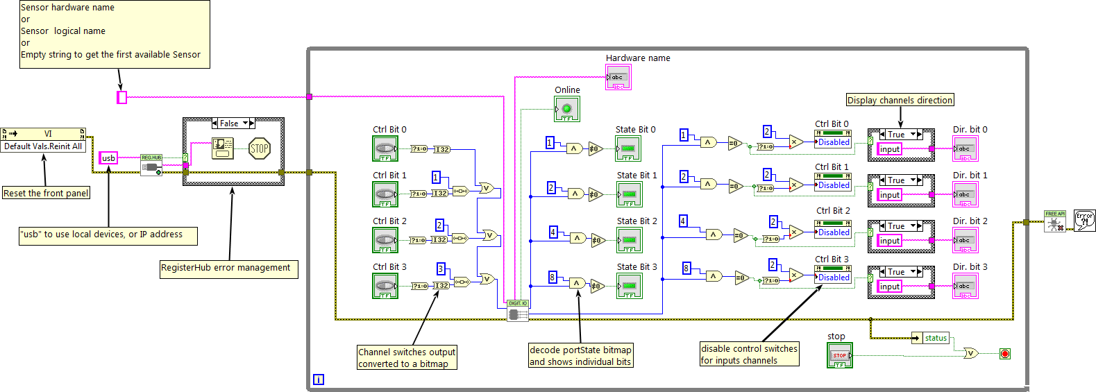
Il suffit de quelques lignes de code pour piloter un Yocto-IO-V2-C. Voici le squelette d'un fragment de code C++ qui utilise la fonction DigitalIO.
Voyons maintenant en détail ce que font ces quelques lignes.
Ces deux fichiers inclus permettent d'avoir accès aux fonctions permettant de gérer les modules Yoctopuce. yocto_api.h doit toujours être utilisé, yocto_digitalio.h est nécessaire pour gérer les modules contenant un port d'E/S digital, comme le Yocto-IO-V2-C.
La fonction YAPI::RegisterHub initialise l'API de Yoctopuce en indiquant où les modules doivent être recherchés. Utilisée avec le paramètre "usb", elle permet de travailler avec les modules connectés localement à la machine. Si l'initialisation se passe mal, cette fonction renverra une valeur différente de YAPI_SUCCESS, et retournera via le paramètre errmsg un explication du problème.
La fonction YDigitalIO::FindDigitalIO permet de retrouver un port d'E/S digital en fonction du numéro de série de son module hôte et de son nom de fonction. Mais vous pouvez tout aussi bien utiliser des noms logiques que vous auriez préalablement configurés. Imaginons un module Yocto-IO-V2-C avec le numéros de série YMNIIO2C-123456 que vous auriez appelé "MonModule" et dont vous auriez nommé la fonction digitalIO "MaFonction", les cinq appels suivants seront strictement équivalents (pour autant que MaFonction ne soit définie qu'une fois, pour éviter toute ambiguïté):
YDigitalIO::FindDigitalIO renvoie un objet que vous pouvez ensuite utiliser à loisir pour contrôler le port d'E/S digital.
La méthode isOnline() de l'objet renvoyé par YDigitalIO::FindDigitalIO permet de savoir si le module correspondant est présent et en état de marche.
La méthode set_portState() de l'objet renvoyé par yFindDigitalIO permet d'affecter chacune des sorties en une seule fois. Le paramètre est un entier représentant un bitmap: Bit 0 pour la première sortie, bit 1 pour la deuxième, etc..
Lancez votre environnement C++ et ouvrez le projet exemple correspondant, fourni dans le répertoire Examples/Doc-GettingStarted-Yocto-IO-V2-C de la librairie Yoctopuce. Si vous préférez travailler avec votre éditeur de texte préféré, ouvrez le fichier main.cpp, vous taperez simplement make dans le répertoire de l'exemple pour le compiler.
Vous reconnaîtrez dans cet exemple l'utilisation des fonctions expliquées ci-dessus, cette fois utilisées avec le décorum nécessaire à en faire un petit programme d'exemple concret.
Chaque module peut-être contrôlé d'une manière similaire, vous trouverez ci dessous un simple programme d'exemple affichant les principaux paramètres d'un module et permettant d'activer la balise de localisation.
Chaque propriété xxx du module peut être lue grâce à une méthode du type get_xxxx(), et les propriétés qui se sont pas en lecture seule peuvent être modifiées à l'aide de la méthode set_xxx() Pour plus de détails concernant ces fonctions utilisées, reportez-vous aux chapitre API
Lorsque que vous souhaitez modifier les réglages d'un module, il suffit d'appeler la fonction set_xxx() correspondante, cependant cette modification n'a lieu que dans la mémoire vive du module: si le module redémarre, les modifications seront perdues. Pour qu'elle soient mémorisées de manière persistante, il est nécessaire de demander au module de sauvegarder sa configuration courante dans sa mémoire non volatile. Pour cela il faut utiliser la méthode saveToFlash(). Inversement il est possible de forcer le module à oublier ses réglages courants en utilisant la méthode revertFromFlash(). Ce petit exemple ci-dessous vous permet changer le nom logique d'un module.
Attention, le nombre de cycles d'écriture de la mémoire non volatile du module est limité. Passé cette limite plus rien ne garantit que la sauvegarde des réglages se passera correctement. Cette limite, liée à la technologie employée par le micro-processeur du module se situe aux alentour de 100000 cycles. Pour résumer vous ne pouvez employer la fonction saveToFlash() que 100000 fois au cours de la vie du module. Veillez donc à ne pas appeler cette fonction depuis l'intérieur d'une boucle.
Obtenir la liste des modules connectés se fait à l'aide de la fonction yFirstModule() qui renvoie le premier module trouvé, il suffit ensuite d'appeler la fonction nextModule() de cet objet pour trouver les modules suivants, et ce tant que la réponse n'est pas un NULL. Ci-dessous un petit exemple listant les module connectés
Lorsque vous implémentez un programme qui doit interagir avec des modules USB, vous ne pouvez pas faire abstraction de la gestion des erreurs. Il y aura forcément une occasion où un utilisateur aura débranché le périphérique, soit avant de lancer le programme, soit même en pleine opération. La librairie Yoctopuce est prévue pour vous aider à supporter ce genre de comportements, mais votre code doit néanmoins être fait pour se comporter au mieux pour interpréter les erreurs signalées par la librairie.
La manière la plus simple de contourner le problème est celle que nous avons employé pour les petits exemples précédents de ce chapitre: avant d'accéder à un module, on vérifie qu'il est en ligne avec la méthode isOnline() et on suppose ensuite qu'il va y rester pendant la fraction de seconde nécessaire à exécuter les lignes de code suivantes. Ce n'est pas parfait, mais ça peut suffire dans certains cas. Il faut toutefois être conscient qu'on ne peut pas totalement exclure une erreur se produisant après le isOnline(), qui pourrait faire planter le programme. La seule manière de l'éviter est d'implémenter une des deux techniques de gestion des erreurs décrites ci-dessous.
La méthode recommandée par la plupart des langages de programmation pour la gestion des erreurs imprévisibles est l'utilisation d'exceptions. C'est le comportement par défaut de la librairie Yoctopuce. Si une erreur se produit alors qu'on essaie d'accéder à un module, la librairie va lancer une exception. Dans ce cas, de trois choses l'une:
Comme cette dernière situation n'est pas la plus souhaitable, la librairie Yoctopuce offre une autre alternative pour la gestion des erreurs, permettant de faire un programme robuste sans devoir attraper les exceptions à chaque ligne de code. Il suffit d'appeler la fonction YAPI.DisableExceptions() pour commuter la librairie dans un mode où les exceptions de chaque fonction sont systématiquement remplacées par des valeurs de retour particulières, qui peuvent être testées par l'appelant lorsque c'est pertinent. Le nom de la valeur de retour en cas d'erreur pour chaque fonction est systématiquement documenté dans la référence de la librairie. Il suit toujours la même logique: une méthode get_state() retournera une valeur NomDeClasse.STATE_INVALID, une méthode get_currentValue retournera une valeur NomDeClasse.CURRENTVALUE_INVALID, etc. Dans tous les cas, la valeur retournée sera du type attendu, et ne sera pas un pointeur nul qui risquerait de faire crasher votre programme. Au pire, si vous affichez la valeur sans la tester, elle sera hors du cadre attendu pour la valeur retournée. Dans le cas de fonctions qui ne retournent à priori pas d'information, la valeur de retour sera YAPI.SUCCESS si tout va bien, et un code d'erreur différent en cas d'échec.
Quand vous travaillez sans les exceptions, il est possible d'obtenir un code d'erreur et un message expliquant l'origine de l'erreur en le demandant à l'objet qui a retourné une erreur à l'aide des méthodes errType() et errMessage(). Ce sont les même informations qui auraient été associées à l'exception si elles avaient été actives.
Selon vos besoins et vos préférences, vous pouvez être mené à intégrer de différentes manières la librairie à vos projets. Cette section explique comment implémenter les différentes options.
L'intégration de toutes les sources de la librairie dans vos projets a plusieurs avantages:
Pour intégrer le code source, le plus simple est d'inclure simplement le répertoire Sources de la librairie Yoctopuce à votre IncludePath, et d'ajouter tous les fichiers de ce répertoire (y compris le sous-répertoire yapi) à votre projet.
Pour que votre projet se construise ensuite correctement, il faudra linker avec votre projet les librairies systèmes requises, à savoir:
L'intégration de de la librairie Yoctopuce sous forme de librairie statique permet une compilation rapide du programme en une seule commande. Elle ne requiert pas non plus l'installation d'une librairie dynamique spécifique à Yoctopuce sur le système final, tout est dans l'exécutable.
Pour utiliser la librairie statique, il faut la compiler à l'aide du shell script build.sh sous UNIX, ou build.bat sous Windows. Ce script qui se situe à la racine de la librairie, détecte l'OS et recompile toutes les librairies ainsi que les exemples correspondants.
Ensuite, pour intégrer la librairie statique Yoctopuce à votre projet, vous devez inclure le répertoire Sources de la librairie Yoctopuce à votre IncludePath, et ajouter le sous-répertoire de Binaries/... correspondant à votre système d'exploitation à votre LibPath.
Finalement, pour que votre projet se construise ensuite correctement, il faudra linker avec votre projet la librairie Yoctopuce et les librairies systèmes requises:
Attention, sous Linux, si vous voulez compiler en ligne de commande avec GCC, il est en général souhaitable de linker les librairies systèmes en dynamique et non en statique. Pour mélanger sur la même ligne de commande des librairies statiques et dynamiques, il faut passer les arguments suivants:
gcc (...) -Wl,-Bstatic -lyocto-static -Wl,-Bdynamic -lm -lpthread -lusb-1.0 -lstdc++
L'intégration de la librairie Yoctopuce sous forme de librairie dynamique permet de produire un exécutable plus petit que les deux méthodes précédentes, et de mettre éventuellement à jour cette librairie si un correctif s'avérait nécessaire sans devoir recompiler le code source de l'application. Par contre, c'est un mode d'intégration qui exigera systématiquement de copier la librairie dynamique sur la machine cible ou l'application devra être lancée (yocto.dll sous Windows, libyocto.so.1.0.1 sous macOS et Linux).
Pour utiliser la librairie dynamique, il faut la compiler à l'aide du shell script build.sh sous UNIX, ou build.bat sous Windows. Ce script qui se situe à la racine de la librairie, détecte l'OS et recompile toutes les librairies ainsi que les exemples correspondant.
Ensuite, pour intégrer la librairie dynamique Yoctopuce à votre projet, vous devez inclure le répertoire Sources de la librairie Yoctopuce à votre IncludePath, et ajouter le sous-répertoire de Binaries/... correspondant à votre système d'exploitation à votre LibPath.
Finalement, pour que votre projet se construise ensuite correctement, il faudra linker avec votre projet la librairie dynamique Yoctopuce et les librairies systèmes requises:
Avec GCC, la ligne de commande de compilation est simplement:
gcc (...) -lyocto -lm -lpthread -lusb-1.0 -lstdc++
C# (prononcez C-Sharp) est un langage orienté objet promu par Microsoft qui n'est pas sans rappeller Java. Tout comme Visual Basic et Delphi, il permet de créer des applications Windows relativement facilement. C# est supporté sous Windows Visual Studio 2017 et ses versions plus récentes.
Notre librairie est aussi compatible avec Mono, la version open source de C# qui fonctionne sous Linux et macOS. Sous Linux, utilisez la version 5.20 ou plus récente. Le support de Mono sous macOS est limité aux systèmes 32bits, ce qui le rend de nos jours à peu près inutile.Vous trouverez sur notre site web différents articles qui décrivent comment indiquer à Mono comment accéder à notre librairie.
Téléchargez la librairie Yoctopuce pour Visual C# depuis le site web de Yoctopuce21. Il n'y a pas de programme d'installation, copiez simplement de contenu du fichier zip dans le répertoire de votre choix. Vous avez besoin essentiellement du contenu du répertoire Sources. Les autres répertoires contiennent la documentation et quelques programmes d'exemple. Les projets d'exemple sont des projets Visual C# 2010, si vous utilisez une version antérieure, il est possible que vous ayez à reconstruire la structure de ces projets.
La librairie Yoctopuce pour Visual C# .NET se présente sous la forme d'une DLL et de fichiers sources en Visual C#. La DLL n'est pas une DLL .NET mais une DLL classique, écrite en C, qui gère les communications à bas niveau avec les modules22. Les fichiers sources en Visual C# gèrent la partie haut niveau de l'API. Vous avez donc besoin de cette DLL et des fichiers .cs du répertoire Sources pour créer un projet gérant des modules Yoctopuce.
Les indications ci-dessous sont fournies pour Visual Studio express 2010, mais la procédure est semblable pour les autres versions.
Commencez par créer votre projet, puis depuis le panneau Explorateur de solutions effectuez un clic droit sur votre projet, et choisissez Ajouter puis Elément existant.
Une fenêtre de sélection de fichiers apparaît: sélectionnez le fichier yocto_api.cs et les fichiers correspondant aux fonctions des modules Yoctopuce que votre projet va gérer. Dans le doute, vous pouvez aussi sélectionner tous les fichiers.
Vous avez alors le choix entre simplement ajouter ces fichiers à votre projet, ou les ajouter en tant que lien (le bouton Ajouter est en fait un menu déroulant). Dans le premier cas, Visual Studio va copier les fichiers choisis dans votre projet, dans le second Visual Studio va simplement garder un lien sur les fichiers originaux. Il est recommandé d'utiliser des liens, une éventuelle mise à jour de la librairie sera ainsi beaucoup plus facile.
Ensuite, ajoutez de la même manière la dll yapi.dll, qui se trouve dans le répertoire Sources/dll23. Puis depuis la fenêtre Explorateur de solutions, effectuez un clic droit sur la DLL, choisissez Propriété et dans le panneau Propriétés, mettez l'option Copier dans le répertoire de sortie à toujours copier. Vous êtes maintenant prêt à utiliser vos modules Yoctopuce depuis votre environnement Visual Studio.
Afin de les garder simples, tous les exemples fournis dans cette documentation sont des applications consoles. Il va de soit que que les fonctionnement des librairies est strictement identiques si vous les intégrez dans une application dotée d'une interface graphique.
Il suffit de quelques lignes de code pour piloter un Yocto-IO-V2-C. Voici le squelette d'un fragment de code C# qui utilise la fonction DigitalIO.
Voyons maintenant en détail ce que font ces quelques lignes.
La fonction YAPI.RegisterHub initialise l'API de Yoctopuce en indiquant où les modules doivent être recherchés. Utilisée avec le paramètre "usb", elle permet de travailler avec les modules connectés localement à la machine. Si l'initialisation se passe mal, cette fonction renverra une valeur différente de YAPI.SUCCESS, et retournera via le paramètre errmsg une explication du problème.
La fonction YDigitalIO.FindDigitalIO permet de retrouver un port d'E/S digital en fonction du numéro de série de son module hôte et de son nom de fonction. Mais vous pouvez tout aussi bien utiliser des noms logiques que vous auriez préalablement configurés. Imaginons un module Yocto-IO-V2-C avec le numéros de série YMNIIO2C-123456 que vous auriez appelé "MonModule" et dont vous auriez nommé la fonction digitalIO "MaFonction", les cinq appels suivants seront strictement équivalents (pour autant que MaFonction ne soit définie qu'une fois, pour éviter toute ambiguïté):
YDigitalIO.FindDigitalIO renvoie un objet que vous pouvez ensuite utiliser à loisir pour contrôler le port d'E/S digital.
La méthode isOnline() de l'objet renvoyé par YDigitalIO.FindDigitalIO permet de savoir si le module correspondant est présent et en état de marche.
La méthode set_portState() de l'objet renvoyé par YDigitalIO.FindDigitalIO permet d'affecter chacune des sorties en une seule fois. Le paramètre est un entier représentant un bitmap: Bit 0 pour la première sortie, Bit 1 pour la deuxième, etc..
Lancez Visual C# et ouvrez le projet exemple correspondant, fourni dans le répertoire Examples/Doc-GettingStarted-Yocto-IO-V2-C de la librairie Yoctopuce.
Vous reconnaîtrez dans cet exemple l'utilisation des fonctions expliquées ci-dessus, cette fois utilisées avec le décorum nécessaire à en faire un petit programme d'exemple concret.
Chaque module peut-être contrôlé d'une manière similaire, vous trouverez ci-dessous un simple programme d'exemple affichant les principaux paramètres d'un module et permettant d'activer la balise de localisation.
Chaque propriété xxx du module peut être lue grâce à une méthode du type YModule.get_xxxx(), et les propriétés qui se sont pas en lecture seule peuvent être modifiées à l'aide de la méthode YModule.set_xxx() Pour plus de détails concernant ces fonctions utilisées, reportez-vous aux chapitre API
Lorsque que vous souhaitez modifier les réglages d'un module, il suffit d'appeler la fonction YModule.set_xxx() correspondante, cependant cette modification n'a lieu que dans la mémoire vive du module: si le module redémarre, les modifications seront perdues. Pour qu'elle soient mémorisées de manière persistante, il est nécessaire de demander au module de sauvegarder sa configuration courante dans sa mémoire non volatile. Pour cela il faut utiliser la méthode YModule.saveToFlash(). Inversement il est possible de forcer le module à oublier ses réglages courants en utilisant la méthode YModule.revertFromFlash(). Ce petit exemple ci-dessous vous permet changer le nom logique d'un module.
Attention, le nombre de cycles d'écriture de la mémoire non volatile du module est limité. Passé cette limite plus rien ne garantit que la sauvegarde des réglages se passera correctement. Cette limite, liée à la technologie employée par le micro-processeur du module se situe aux alentour de 100000 cycles. Pour résumer vous ne pouvez employer la fonction YModule.saveToFlash() que 100000 fois au cours de la vie du module. Veillez donc à ne pas appeler cette fonction depuis l'intérieur d'une boucle.
Obtenir la liste des modules connectés se fait à l'aide de la fonction YModule.yFirstModule() qui renvoie le premier module trouvé, il suffit ensuite d'appeler la méthode nextModule() de cet objet pour trouver les modules suivants, et ce tant que la réponse n'est pas un null. Ci-dessous un petit exemple listant les module connectés
Lorsque vous implémentez un programme qui doit interagir avec des modules USB, vous ne pouvez pas faire abstraction de la gestion des erreurs. Il y aura forcément une occasion où un utilisateur aura débranché le périphérique, soit avant de lancer le programme, soit même en pleine opération. La librairie Yoctopuce est prévue pour vous aider à supporter ce genre de comportements, mais votre code doit néanmoins être fait pour se comporter au mieux pour interpréter les erreurs signalées par la librairie.
La manière la plus simple de contourner le problème est celle que nous avons employé pour les petits exemples précédents de ce chapitre: avant d'accéder à un module, on vérifie qu'il est en ligne avec la méthode isOnline() et on suppose ensuite qu'il va y rester pendant la fraction de seconde nécessaire à exécuter les lignes de code suivantes. Ce n'est pas parfait, mais ça peut suffire dans certains cas. Il faut toutefois être conscient qu'on ne peut pas totalement exclure une erreur se produisant après le isOnline(), qui pourrait faire planter le programme. La seule manière de l'éviter est d'implémenter une des deux techniques de gestion des erreurs décrites ci-dessous.
La méthode recommandée par la plupart des langages de programmation pour la gestion des erreurs imprévisibles est l'utilisation d'exceptions. C'est le comportement par défaut de la librairie Yoctopuce. Si une erreur se produit alors qu'on essaie d'accéder à un module, la librairie va lancer une exception. Dans ce cas, de trois choses l'une:
Comme cette dernière situation n'est pas la plus souhaitable, la librairie Yoctopuce offre une autre alternative pour la gestion des erreurs, permettant de faire un programme robuste sans devoir attraper les exceptions à chaque ligne de code. Il suffit d'appeler la fonction YAPI.DisableExceptions() pour commuter la librairie dans un mode où les exceptions de chaque fonction sont systématiquement remplacées par des valeurs de retour particulières, qui peuvent être testées par l'appelant lorsque c'est pertinent. Le nom de la valeur de retour en cas d'erreur pour chaque fonction est systématiquement documenté dans la référence de la librairie. Il suit toujours la même logique: une méthode get_state() retournera une valeur NomDeClasse.STATE_INVALID, une méthode get_currentValue retournera une valeur NomDeClasse.CURRENTVALUE_INVALID, etc. Dans tous les cas, la valeur retournée sera du type attendu, et ne sera pas un pointeur nul qui risquerait de faire crasher votre programme. Au pire, si vous affichez la valeur sans la tester, elle sera hors du cadre attendu pour la valeur retournée. Dans le cas de fonctions qui ne retournent à priori pas d'information, la valeur de retour sera YAPI.SUCCESS si tout va bien, et un code d'erreur différent en cas d'échec.
Quand vous travaillez sans les exceptions, il est possible d'obtenir un code d'erreur et un message expliquant l'origine de l'erreur en le demandant à l'objet qui a retourné une erreur à l'aide des méthodes errType() et errMessage(). Ce sont les même informations qui auraient été associées à l'exception si elles avaient été actives.
LabVIEW est édité par National Instruments depuis 1986. C'est un environnement de développement graphique: plutôt que d'écrire des lignes de code, l'utilisateur dessine son programme, un peu comme un organigramme. LabVIEW est surtout pensé pour interfacer des instruments de mesures d'où le nom Virtual Instruments (VI) des programmes LabVIEW. Avec la programmation visuelle, dessiner des algorithmes complexes devient très vite fastidieux, c'est pourquoi la librairie Yoctopuce pour LabVIEW a été pensée pour être aussi simple de possible à utiliser. Autrement dit, LabVIEW étant un environnement extrêmement différent des autres langages supportés par l'API Yoctopuce, vous rencontrerez des différences majeures entre l'API LabVIEW et les autres API.
La librairie LabVIEW est basée sur la librairie Yoctopuce DotNetProxy contenue dans la DLL DotNetProxyLibrary.dll. C'est en fait cette librairie DotNetProxy qui se charge du gros du travail en s'appuyant sur la librairie Yoctopuce C# qui, elle, utilise l'API bas niveau codée dans yapi.dll (32bits) et amd64\yapi.dll (64bits).

Architecture de l'API Yoctopuce pour LabVIEW
Vos applications LabVIEW utilisant l'API Yoctopuce devront donc impérativement être distribuées avec les DLL DotNetProxyLibrary.dll, yapi.dll et amd64\yapi.dll
Si besoin est, vous trouverez les sources de l'API bas niveau dans la librairie C# et les sources de DotNetProxyLibrary.dll dans la librairie DotNetProxy.
Pour que la librairie Yoctopuce pour LabVIEW fonctionne convenablement avec vos modules Yoctopuce, ces derniers doivent avoir au moins le firmware 37120
Au moment de l'écriture de ce manuel, l'API Yoctopuce pour LabVIEW n'a été testée que sous Windows. Il y a donc de fortes chances pour qu'elle ne fonctionne tout simplement pas avec les versions Linux et MacOS de LabVIEW.
La librairie Yoctopuce pour LabVIEW faisant appel à de nombreuses techniques qui ne sont pas encore disponibles dans la nouvelle génération de LabVIEW, elle n'est absolument pas compatible avec LabVIEW NXG.
Afin d'être compatible avec un maximum de version de Windows, y compris Windows XP, la librairie DotNetProxyLibrary.dll est compilée en .NET 3.5, qui est disponible par défaut sur toutes les versions de Windows depuis XP.
Téléchargez la librairie pour LabVIEW depuis le site web de Yoctopuce24. Il s'agit d'un fichier ZIP dans lequel vous trouverez un répertoire par version de LabVIEW. Chacun de ses répertoires contient deux sous-répertoires. Le premier contient des exemples de programmation pour chaque produit Yoctopuce; le second, nommé VIs, contient tous les VI de l'API et les DLL nécessaires.
Suivant la configuration de Windows et la méthode utilisée pour la copier, la DLL DotNetProxyLibrary.dll peut se faire bloquer par Windows parce que ce dernier aura détecté qu'elle provient d'une autre machine. Un cas typique est la décompression de l'archive de la librairie avec l'explorateur de fichier de Windows. Si la DLL est bloquée, LabVIEW ne pourra pas la charger, ce qui entrainera une erreur 1386 lors de l'exécution de n'importe quel VI de la librairie Yoctopuce.
Il y a deux manières de corriger le problème. La plus simple consiste à utiliser l'explorateur de fichier de Windows pour afficher les propriétés de la DLL et la débloquer. Mais cette manipulation devra être répété à chaque fois qu'une nouvelle version de la DLL sera copiée sur votre système.

Débloquer la DLL DotNetProxyLibrary.dll.
La seconde méthode consiste à créer dans le même répertoire que l'exécutable labview.exe un fichier XML nommé labview.exe.config et contenant le code suivant :
Veillez à choisir le bon répertoire en fonction de la version de LabVIEW que vous utilisez (32 bits vs 64 bits). Vous trouverez plus d'information à propos de ce fichier sur le site web de National Instrument25.
Pour installer l'API Yoctopuce pour LabVIEW vous avez plusieurs méthodes à votre disposition.
La manière la plus simple pour installer la librairie Yoctopuce consiste à copier le contenu du répertoire VIs où bon vous semble, et à utiliser les VIs dans LabVIEW avec une simple opération de Drag and Drop.
Pour pouvoir utiliser les exemples fournis avec l'API, vous aurez avantage à ajouter le répertoire des VIs Yoctopuce dans la liste des répertoires où LabVIEW doit chercher les VIs qu'il n'a pas trouvé. Cette liste est accessible via le menu Tools > Options > Paths > VI Search Path.

Configuration du "VI Search Path"
Dans chaque répertoire LabVIEW200xx de la librairie, vous trouverez un VI appelé "Install.vi". Ouvrez simplement celui qui correspond à votre version de LabVIEW.

L'installeur fourni avec la librairie
Cet installeur offre trois options d'installation:
Avec cette option, les VI sont conservés à l'endroit où la librairie à été décompressée. Vous aurez donc à faire en sorte qu'ils ne soit pas effacés tant que vous en aurez besoin. Voici ce que fait exactement l'installeur quand cette option est choisie:
Dans ce cas, tous les fichiers nécessaires au bon fonctionnement de la librairie sont copiés dans le répertoire d'installation de LabVIEW. Vous pourrez donc effacer les fichiers originaux une fois l'installation terminée. Notez cependant que les exemples de programmation ne sont pas copiés. Voici ce que fait l'installeur exactement:
Cette option supprime la Librairie Yoctopuce de votre installation LabVIEW:
Dans tous les cas, si le fichier labview.ini a besoin d'être modifié, une copie de backup est automatiquement réalisée avant.
L'installeur reconnait les répertoires contenant la librairie Yoctopuce en testant l'existence du fichier YRegisterHub.vi.
Une fois l'installation terminée, vous trouverez une palette Yoctopuce dans le menu Fonction/Suppléments.
Les étapes pour installer manuellement les VIs directement dans la Palette LabView sont un peu plus complexes, vous trouverez la procédure complète sur le site de National Instruments26, mais voici un résumé:

Trois fenêtres vont apparaître:

Dans la fenêtre Function, vous trouverez une icône Yoctopuce. Double-cliquez dessus, ce qui fera apparaitre une fenêtre "Yoctopuce" vide.




La librairie Yoctopuce pour LabVIEW comprend un VI par classe de l'API Yoctopuce, plus quelques VI spéciaux. Tous les VIs disposent des connecteurs traditionnels Error IN et Error Out.
Le VI YRegisterHub permet d'initialiser l'API. Ce VI doit impérativement être appelé une fois avant de faire quoi que ce soit qui soit en relation avec des modules Yoctopuce

Le VI YRegisterHub
Le VI YRegisterHub prend un paramètre url qui peut être soit:
Dans le cas d'une adresse IP, le VI YRegisterHub va essayer de contacter cette adresse et génèrera une erreur s'il n'y arrive pas, à moins que le paramètre async ne soit mis à TRUE. Si async est mis à TRUE, aucune erreur ne sera générée, et les modules Yoctopuce correspondant à cette adresse IP seront automatiquement mis à disposition dès que la machine concernée sera joignable.
Si tout s'est bien passé, la sortie successful contiendra la valeur TRUE. Dans le cas contraire elle contiendra la valeur FALSE et la sortie error msg contiendra une chaîne de caractères contenant une description de l'erreur
Vous pouvez utiliser plusieurs VI YRegisterHub avec des urls différentes si vous le souhaitez. En revanche, sur la même machine, il ne peut y avoir qu'un seul processus qui accède aux modules Yoctopuce locaux directement par USB (url mis à "usb"). Cette limitation peut facilement être contournée en faisant tourner le logiciel VirtualHub sur la machine locale et en utilisant l'url "127.0.0.1".
Le VI YFreeAPI permet de libérer les ressources allouée par l'API Yoctopuce.

Le VI YFreeAPI
Le VI YFreeAPI doit être appelé une fois que votre code en a fini avec l'API Yoctopuce, faute de quoi l'accès direct par USB (url mis à "usb") pourrait rester bloqué une fois l'exécution de votre VI terminé, et ce tant que LabVIEW n'aura pas été complètement fermé.
Les autres VIs correspondent à une fonction/classe de l'API Yoctopuce, ils ont tous la même structure:

Structure de la plupart des VIs de l'API.
Vous trouverez la liste des fonctions disponibles sur votre Yocto-IO-V2-C au chapitre Programmation, concepts généraux.
Si la fonction recherchée (paramètre name) n'est pas accessible, cela ne génèrera pas d'erreur mais la sortie is online contiendra FALSE et toutes les sorties contiendront les valeurs "N/A" quand c'est possible. Si la fonction recherchée devient disponible plus tard dans la vie de votre programme, is online passera à TRUE.
Si le paramètre name contient une chaîne vide, le VI ciblera la première fonction disponible du même type qu'il trouvera. Si aucune fonction n'est disponible, is online contiendra FALSE.
Le module YModule permet d'interfacer la partie "module" de chaque module Yoctopuce. Il permet de piloter la balise du module et de connaître le numéro de série d'un module.

Le VI YModule
L'entrée name fonctionne de manière légèrement différente des autres VIs. S'il est appelé avec le paramètre name correspondant à un nom de fonction, le VI YModule trouvera la fonction Module du module hébergeant la fonction. Il est donc possible de trouver facilement le numéro de série du module d'une fonction quelconque. Cela permet de construire le nom d'autres fonctions qui se trouveraient sur le même module. L'exemple ci dessous trouve la première fonction YHumidity disponible et construit le nom de la fonction YTemperature qui se trouve sur le même module. Les exemples fournis avec l'API Yoctopuce font un usage extensif de cette technique.

Utilisation du VI YModule pour retrouver les fonctions hébergés sur le même module
Tous les VI correspondant à des senseurs Yoctopuce ont exactement la même géométrie. Les deux sorties permettent de récupérer la valeur mesurée par le capteur correspondant ainsi que l'unité utilisée.

Les VI senseurs ont tous exactement la même géométrie
Le paramètre d'entrée update freq est une chaîne de caractères qui permet de configurer la façon dont la valeur de sortie est mis à jour:
La fréquence de mise à jour du VI est un paramètre géré par le module Yoctopuce physique. Si plusieurs VI essayent de changer la fréquence d'un même capteur, la configuration retenue sera celle du dernier appel. Par contre, il est tout à fait possible de configurer des fréquences différentes pour des capteurs du même module Yoctopuce.

Changement de la fréquence de mise à jour du même module
La fréquence de mise à jour du VI est complètement indépendante de la fréquence d'échantillonnage du capteur qui n'est généralement pas modifiable. Il est inutile et contre-productif de définir une fréquence de mise à jour supérieure à la fréquence d'échantillonnage du capteur.
Voici un exemple parmi les plus simples de VI utilisant l'API Yoctopuce.

Exemple minimal d'utilisation de l'API Yoctopuce pour LabVIEW
Cet exemple s'appuie sur le VI YSensor qui est un VI générique qui permet d'interfacer n'importe quelle fonction senseur d'un module Yoctopuce. Vous pouvez remplacer ce VI par n'importe quel autre de l'API Yoctopuce, ils ont tous la même géométrie et fonctionnent tous de la même manière. Cet exemple se contente de faire trois choses:
Cet exemple cherche automatiquement un senseur disponible, si un tel senseur est trouvé on pourra connaitre son nom via la sortie hardware name et la sortie isOnline sera à TRUE. Si aucun senseur n'est disponible, le VI ne génèrera pas d'erreur mais émulera un senseur fantôme qui sera "offline". Par contre si plus tard, dans la vie de l'application, un senseur devient disponible parce qu'il à été branché, isOnline passera à TRUE et le hardware name contiendra le nom du capteur. On peut donc facilement ajouter quelques indicateurs à l'exemple précédent pour savoir comment se passe l'exécution.

Utilisation des sorties hardware name et isOnline
Les VIs de l'API Yoctopuce ne sont qu'une porte d'entrée sur la mécanique interne de la librairie Yoctopuce. Cette mécanique fonctionne indépendamment des VIs Yoctopuce. En effet, la plupart des communications avec les modules électroniques sont gérées automatiquement en arrière plan. C'est pourquoi vous n'avez pas forcément besoin de prendre de précaution particulière pour utiliser les VI Yoctopuce, vous pouvez par exemple les utiliser dans une boucle non temporisée sans que cela pose de problème particulier à l'API.

Les VIs Yoctopuce peuvent être utilisés dans une boucle non temporisée
Notez que le VI YRegisterHub n'est pas dans la boucle. Le VI YRegisterHub sert à l'initialiser l'API, donc à moins que vous n'ayez plusieurs url à enregistrer, il n'est pas souhaitable de l'appeler plusieurs fois.
Lorsque que le paramètre name est initialisé à une chaîne vide, les VI Yoctopuce recherchent automatiquement la fonction avec laquelle ils peuvent travailler, ce qui est très pratique lorsqu'on sait qu'il n'y a qu'une seule fonction du même type disponible que qu'on ne souhaite pas se soucier de gérer som nom. Si le paramètre name contient un nom matériel ou un nom logique, le VI cherchera la fonction correspondante, si il ne la trouve pas il émulera une fonction qui sera offline en attendant que la vraie fonction devienne disponible.

Utilisation de noms pour identifier les fonctions à utiliser
L'API Yoctopuce pour LabVIEW est codée pour gérer les erreurs d'une manière aussi gracieuse que possible: par exemple si vous utilisez un VI pour accéder à une fonction qui n'existe pas, sa sortie isOnline sera à FALSE, les autres sorties seront affecté à NaN et les entrées n'auront pas d'effet. Les erreurs fatales sont propagée à travers le canal traditionnel error in, error out.
Cependant, le VI YRegisterHub gère les erreurs de connexion de manière un peu différente. Afin de les rendre plus faciles à gérer, les erreurs de connexions sont signalées à l'aide de sorties Success et error msg. Si un problème apparait lors de l'appel au VI YRegisterHub, success contiendra FALSE et error msg contiendra une description de l'erreur.

Gestion des erreurs
Le message d'erreur le plus courant est "Another process is already using yAPI". Il signifie qu'une autre application, LabVIEW ou autre, utilise déjà l'API en module USB natif. En effet, pour des raison techniques, l'API USB native ne peut être utilisée que par une seule application à la fois sur la même machine. Cette limitation peut être facilement contourné en utilisant le mode réseau.
L'API Yoctopuce contient des centaines de méthodes, fonctions et propriétés. Il n'était ni possible, ni souhaitable de créer un VI pour chacune d'entre elles. C'est pourquoi il y a un VI par classe qui expose les deux propriétés que Yoctopuce a jugé les plus utiles, mais cela ne veut pas dire que les autres ne sont pas accessibles.
Chaque VI correspondant à une classe dispose de deux connecteurs create ref et optional ref qui permettent d'obtenir une référence sur l'objet Proxy de l'API .NET Proxy sur laquelle est construite la librairie LabVIEW.

Les connecteurs pour obtenir une référence sur l'objet Proxy correspondant au VI
Pour obtenir cette référence, il suffit de mettre optional ref à TRUE. Attention, il est impératif de fermer toute référence créée de cette manière, sous peine de saturer rapidement la mémoire de l'ordinateur.
Voici un exemple qui utilise cette technique pour modifier la luminosité des LEDs d'un module Yoctopuce

Contrôle de la luminosité des LEDs d'un module
Notez que chaque référence permet d'obtenir aussi bien des propriétés (noeud property) que des méthodes (noeud invoke). Par convention, les propriétés sont optimisées pour générer un minimum de communication avec les modules, c'est pourquoi il est recommandé de les utiliser plutôt les méthodes get_xxx et set_xxx correspondantes qui pourraient sembler équivalentes mais qui ne sont pas optimisées. Les propriétés permettent aussi récupérer les différentes constantes de l'API, qui sont préfixées avec le caractère "_". Pour des raisons techniques, les méthodes get_xxx et set_xxx ne sont pas toutes disponibles sous forme de propriétés.

Noeuds Property et Invoke: Utilisation de propriétés, méthodes et constantes
Vous trouverez la description de toutes les propriétés, fonctions et méthodes disponibles dans la documentation de l'API .NET Proxy.
Sur une même machine, il ne peut y avoir qu'un seul processus qui accède aux modules Yoctopuce locaux directement par USB (url mis à "usb"). Par contre, plusieurs processus peuvent se connecter en parallèle à des YoctoHubs30 ou à une machine sur laquelle tourne le logiciel VirtualHub31, y compris la machine locale. Si vous utilisez l'adresse réseau locale de votre machine (127.0.0.1) et qu'un VirtualHub tourne dessus, vous pourrez ainsi contourner la limitation qui empêche l'utilisation en parallèle de l'API native USB.

Utilisation en mode réseau
Il n'y a pas non plus de limitation sur le nombre d'interfaces réseau auxquels l'API peut se connecter en parallèle. Autrement dit, il est tout à fait possible de faire des appels multiples au VI YRegisterHub. C'est le seul cas où il y a un intérêt à appeler le VI YRegisterHub plusieurs fois au cours de la vie de l'application.

Les connexions réseau multiples sont possibles
Par défaut, le VI YRegisterHub essaye se connecter sur l'adresse donnée en paramètre et génère une erreur (success=FALSE) s'il n'y arrive pas parce que personne ne répond. Mais si le paramètre async est initialisé à TRUE, aucune erreur ne sera générée en cas d'erreur de connexion, mais si la connexion devient possible plus tard dans la vie de l'application, les modules correspondants seront automatiquement accessibles.

Connexion asynchrone
Quasiment tous les senseurs Yoctopuce disposent d'un enregistreur de données qui permet de stocker les mesures des senseurs dans la mémoire non volatile du module. La configuration de l'enregistreur de données peut être réalisée avec le VirtualHub, mais aussi à l'aide d'un peu de code LabVIEW
Pour ce faire, il faut configurer la fréquence d'enregistrement en utilisant la propriété "LogFrequency" que l'on atteint avec une référence sur l'objet Proxy du senseur utilisé, puis il faut mettre en marche l'enregistreur grâce au VI YDataLogger. Noter qu'à la manière du VI YModule, le VI YDataLogger correspondant à un module peut être obtenu avec son propre nom, mais aussi avec le nom de n'importe laquelle des fonctions présentes sur le même module.

Enclenchement de l'enregistrement de données dans le datalogger
La récupération des données de l'enregistreur se fait l'aide du VI YDataLoggerContents.

Le VI YDataLoggerContents
Extraire les données de l'enregistreur d'un module Yoctopuce est un processus lent qui peut prendre plusieurs dizaines de secondes. C'est pourquoi le VI qui permet cette opération a été conçu pour fonctionner de manière itérative.
Dans un premier temps le VI doit être appelé avec un nom de senseur, une date de début et une date de fin (timestamp UNIX en UTC). Le couple (0,0) permet d'obtenir la totalité du contenu de l'enregistreur. Ce premier appel permet d'obtenir un résumé du contenu du datalogger et un contexte.
Dans un deuxième temps, il faut rappeler le VI YDataLoggerContents en boucle avec le paramètre contexte, jusqu'à ce que la sortie progress atteigne la valeur 100. A ce moment la sortie data représente le contenu de l'enregistreur

Récupération du contenu de l'engistreur de données
Les résultats et le résumé sont rendus sous la forme d'un tableau de structures qui contiennent les champs suivants:
Notez que si la fréquence d'enregistrement est supérieure à 1 Hz, l'enregistreur ne mémorise que des valeurs instantanées, dans ce cas averageValue, minValue, et maxValue auront la même valeur.
Chaque VI correspondant à un objet de l'API .NET Proxy permet de faire une énumération de toutes les fonctions de la même classe via la méthode getSimilarfunctions() de l'objet Proxy correspondant. Ainsi il est ainsi aisé de faire un inventaire de tous les modules connectés, de tous les capteurs connectés, de tous les relais connectés, etc....

Récupération de la liste de tous les modules connectés
L'API Yoctopuce pour LabVIEW été optimisée de manière à ce que les tous les VIs et les propriétés de objets Proxy génèrent un minimum de communication avec les modules Yoctopuce. Ainsi vous pouvez les utiliser dans des boucles sans prendre de précaution particulière: vous n'êtes pas obligés de ralentir les boucles avec un timer.

Ces deux boucles génèrent peu de communications USB et n'ont pas besoin d'être ralenties
En revanche, presque toutes les méthodes des objets Proxy disponibles vont générer une communication avec les modules Yoctopuce à chaque fois qu'elles seront appelées, il conviendra donc d'éviter de les appeler trop souvent inutilement.

Cette boucle, qui utilise une méthode, doit être ralentie
Voici un exemple qui illustre l'utilisation d'un Yocto-IO-V2-C dans LabVIEW. Après un appel au VI RegisterHub, le VI YDigitalIO trouve la première interface DigitalIO disponible et affiche la valeur et la direction de chaque bit. Des interrupteurs permettent de modifier chaque bit. Les interrupteurs qui correspondent à des entrées sont automatiquement désactivés. Une fois l'application terminée, l'API Yoctopuce est libérée à l'aide du du VI YFreeAPI.

Exemple d'utilisation du Yocto-IO-V2-C dans LabVIEW
Si vous lisez cette documentation sur un écran, vous pouvez zoomer sur l'image ci-dessus. Vous pourrez aussi retrouver cet exemple dans la librairie Yoctopuce pour LabVIEW
Yoctopuce fait tout son possible pour maintenir une forte cohérence entre les différentes librairies de programmation. Cependant, LabVIEW étant un environnement clairement à part, il en résulte des différences importantes avec les autres librairies.
Ces différences ont aussi été introduites pour rendre l'utilisation des modules aussi facile et intuitive que possible en nécessitant un minimum de code LabVIEW.
Contrairement aux autres langages, il est indispensable de libérer l'API native en appelant le VI YFreeApi lorsque votre code n'a plus besoin d'utiliser l'API. Si cet appel est omis, l'API native risque de rester bloquée pour les autres applications tant que LabVIEW ne sera pas complètement fermé.
Contrairement aux classes des autres API, les classes disponibles dans LabVIEW implémentent des propriétés. Par convention, ces propriétés sont optimisées pour générer un minimum de communication avec les modules tout en se rafraichissant automatiquement. En revanche, les méthodes de type get_xxx et set_xxx génèrent systématiquement des communications avec les modules Yoctopuce et doivent être appelées à bon escient.
Il n'y a pas de callbacks dans l'API Yoctopuce pour LabVIEW, les VIs se rafraichissenti automatiquement: ils sont basés sur les propriétés des objets de l'API .NET Proxy.
Java est un langage orienté objet développé par Sun Microsystem. Son principal avantage est la portabilité, mais cette portabilité a un coût. Java fait une telle abstraction des couches matérielles qu'il est très difficile d'interagir directement avec elles. C'est pourquoi l'API java standard de Yoctopuce ne fonctionne pas en natif: elle doit passer par l'intermédiaire de VirtualHub pour pouvoir communiquer avec les modules Yoctopuce.
Connectez vous sur le site de Yoctopuce et téléchargez les éléments suivants:
La librairie est disponible en fichier sources, mais elle aussi disponible sous la forme d'un fichier jar. Branchez vos modules, Décompressez les fichiers de la librairie dans un répertoire de votre choix. Lancez VirtualHub et vous pouvez commencer vos premiers tests. Vous n'avez pas besoin d'installer de driver.
Afin de les garder simples, tous les exemples fournis dans cette documentation sont des applications consoles. Il va de soit que que le fonctionnement des librairies est strictement identiques si vous les intégrez dans une application dotée d'une interface graphique.
Il suffit de quelques lignes de code pour piloter un Yocto-IO-V2-C. Voici le squelette d'un fragment de code Java qui utilise la fonction DigitalIO.
Voyons maintenant en détail ce que font ces quelques lignes.
La fonction YAPI.RegisterHub initialise l'API de Yoctopuce en indiquant où les modules doivent être recherchés. Le paramètre est l'adresse du virtual hub capable de voir les modules. Si l'initialisation se passe mal, une exception sera générée.
La fonction YDigitalIO.FindDigitalIO permet de retrouver un port d'E/S digital en fonction du numéro de série de son module hôte et de son nom de fonction. Mais vous pouvez tout aussi bien utiliser des noms logiques que vous auriez préalablement configurés. Imaginons un module Yocto-IO-V2-C avec le numéros de série YMNIIO2C-123456 que vous auriez appelé "MonModule" et dont vous auriez nommé la fonction digitalIO "MaFonction", les cinq appels suivants seront strictement équivalents (pour autant que MaFonction ne soit définie qu'une fois, pour éviter toute ambiguïté):
YDigitalIO.FindDigitalIO renvoie un objet que vous pouvez ensuite utiliser à loisir pour contrôler le port d'E/S digital.
La méthode isOnline() de l'objet renvoyé par YDigitalIO.FindDigitalIO permet de savoir si le module correspondant est présent et en état de marche.
La méthode set_portState() de l'objet renvoyé par YDigitalIO.FindDigitalIO permet d'affecter chacune des sorties en une seule fois. Le paramètre est un entier représentant un bitmap: Bit 0 pour la première sortie, Bit 1 pour la deuxième, etc..
Lancez votre environnement java et ouvrez le projet correspondant, fourni dans le répertoire Examples/Doc-GettingStarted-Yocto-IO-V2-C de la librairie Yoctopuce.
Vous reconnaîtrez dans cet exemple l'utilisation des fonctions expliquées ci-dessus, cette fois utilisées avec le décorum nécessaire à en faire un petit programme d'exemple concret.
Chaque module peut-être contrôlé d'une manière similaire, vous trouverez ci-dessous un simple programme d'exemple affichant les principaux paramètres d'un module et permettant d'activer la balise de localisation.
Chaque propriété xxx du module peut être lue grâce à une méthode du type YModule.get_xxxx(), et les propriétés qui se sont pas en lecture seule peuvent être modifiées à l'aide de la méthode YModule.set_xxx() Pour plus de détails concernant ces fonctions utilisées, reportez-vous aux chapitre API
Lorsque que vous souhaitez modifier les réglages d'un module, il suffit d'appeler la fonction YModule.set_xxx() correspondante, cependant cette modification n'a lieu que dans la mémoire vive du module: si le module redémarre, les modifications seront perdues. Pour qu'elle soient mémorisées de manière persistante, il est nécessaire de demander au module de sauvegarder sa configuration courante dans sa mémoire non volatile. Pour cela il faut utiliser la méthode YModule.saveToFlash(). Inversement il est possible de forcer le module à oublier ses réglages courants en utilisant la méthode YModule.revertFromFlash(). Ce petit exemple ci-dessous vous permet changer le nom logique d'un module.
Attention, le nombre de cycles d'écriture de la mémoire non volatile du module est limité. Passé cette limite plus rien ne garantit que la sauvegarde des réglages se passera correctement. Cette limite, liée à la technologie employée par le micro-processeur du module se situe aux alentour de 100000 cycles. Pour résumer vous ne pouvez employer la fonction YModule.saveToFlash() que 100000 fois au cours de la vie du module. Veillez donc à ne pas appeler cette fonction depuis l'intérieur d'une boucle.
Obtenir la liste des modules connectés se fait à l'aide de la fonction YModule.yFirstModule() qui renvoie le premier module trouvé, il suffit ensuite d'appeler la mehode nextModule() de cet objet pour trouver les modules suivants, et ce tant que la réponse n'est pas un null. Ci-dessous un petit exemple listant les module connectés
Lorsque vous implémentez un programme qui doit interagir avec des modules USB, vous ne pouvez pas faire abstraction de la gestion des erreurs. Il y aura forcément une occasion où un utilisateur aura débranché le périphérique, soit avant de lancer le programme, soit même en pleine opération. La librairie Yoctopuce est prévue pour vous aider à supporter ce genre de comportements, mais votre code doit néanmoins être fait pour se comporter au mieux pour interpréter les erreurs signalées par la librairie.
La manière la plus simple de contourner le problème est celle que nous avons employé pour les petits exemples précédents de ce chapitre: avant d'accéder à un module, on vérifie qu'il est en ligne avec la méthode isOnline() et on suppose ensuite qu'il va y rester pendant la fraction de seconde nécessaire à exécuter les lignes de code suivantes. Ce n'est pas parfait, mais ça peut suffire dans certains cas. Il faut toutefois être conscient qu'on ne peut pas totalement exclure une erreur se produisant après le isOnline(), qui pourrait faire planter le programme.
Dans l'API java, le traitement d'erreur est implémenté au moyen d'exceptions. Vous devrez donc intercepter et traiter correctement ces exceptions si vous souhaitez avoir un projet fiable qui ne crashera pas des que vous débrancherez un module.
A vrai dire, Android n'est pas un langage de programmation, c'est un système d'exploitation développé par Google pour les appareils portables tels que smart phones et tablettes. Mais il se trouve que sous Android tout est programmé avec le même langage de programmation: Java. En revanche les paradigmes de programmation et les possibilités d'accès au hardware sont légèrement différentes par rapport au Java classique, ce qui justifie un chapitre à part sur la programmation Android.
Contrairement à l'API Java classique, l'API Java pour Android accède aux modules USB de manière native. En revanche, comme il n'existe pas de VirtualHub tournant sous Android, il n'est pas possible de prendre le contrôle à distance de modules Yoctopuce pilotés par une machine sous Android. Bien sûr, l'API Java pour Android reste parfaitement capable de se connecter à VirtualHub tournant sur un autre OS.
Connectez-vous sur le site de Yoctopuce et téléchargez la librairie de programmation pour Java pour Android34. La librairie est disponible en fichiers sources, mais elle aussi disponible sous la forme d'un fichier jar. Branchez vos modules, décompressez les fichiers de la librairie dans le répertoire de votre choix. Et configurez votre environnement de programmation Android pour qu'il puisse les trouver.
Afin de les garder simples, tous les exemples fournis dans cette documentation sont des fragments d'application Android. Vous devrez les intégrer dans vos propres applications Android pour les faire fonctionner. En revanche vous pourrez trouver des applications complètes dans les exemples fournis avec la librairie Java pour Android.
Dans un monde idéal, il suffirait d'avoir un téléphone sous Android pour pouvoir faire fonctionner des modules Yoctopuce. Malheureusement, la réalité est légèrement différente, un appareil tournant sous Android doit répondre à un certain nombre d'exigences pour pouvoir faire fonctionner des modules USB Yoctopuce en natif.
Notre librairie peut être compilée pour fonctionner avec les anciennes versions aussi longtemps que les outils Android nous permettent de les supporter, soit environ les versions des dix dernières années.
Il faut bien sûr que votre machine dispose non seulement d'un port USB, mais il faut aussi que ce port soit capable de tourner en mode host. En mode host, la machine prend littéralement le contrôle des périphériques qui lui sont raccordés. Les ports USB d'un ordinateur bureau, par exemple, fonctionnent mode host. Le pendant du mode host est le mode device. Les clefs USB par exemple fonctionnent en mode device: elles ne peuvent qu'être contrôlées par un host. Certains ports USB sont capables de fonctionner dans les deux modes, ils s'agit de ports OTG (On The Go). Il se trouve que beaucoup d'appareils portables ne fonctionnent qu'en mode "device": ils sont conçus pour être branchés à chargeur ou un ordinateur de bureau, rien de plus. Il est donc fortement recommandé de lire attentivement les spécifications techniques d'un produit fonctionnant sous Android avant d'espérer le voir fonctionner avec des modules Yoctopuce.
Disposer d'une version correcte d'Android et de ports USB fonctionnant en mode host ne suffit malheureusement pas pour garantir un bon fonctionnement avec des modules Yoctopuce sous Android. En effet certains constructeurs configurent leur image Android afin que les périphériques autres que clavier et mass storage soit ignorés, et cette configuration est difficilement détectable. En l'état actuel des choses, le meilleur moyen de savoir avec certitude si un matériel Android spécifique fonctionne avec les modules Yoctopuce consiste à essayer.
Par défaut Android n’autorise pas une application à accéder aux périphériques connectés au port USB. Pour que votre application puisse interagir avec un module Yoctopuce branché directement sur votre tablette sur un port USB quelques étapes supplémentaires sont nécessaires. Si vous comptez uniquement interagir avec des modules connectés sur une autre machine par IP, vous pouvez ignorer cette section.
Il faut déclarer dans son AndroidManifest.xml l'utilisation de la fonctionnalité "USB Host" en ajoutant le tag <uses-feature android:name="android.hardware.usb.host" /> dans la section manifest.
Lors du premier accès à un module Yoctopuce, Android va ouvrir une fenêtre pour informer l'utilisateur que l'application va accéder module connecté. L'utilisateur peut refuser ou autoriser l’accès au périphérique. Si l'utilisateur accepte, l'application pourra accéder au périphérique connecté jusqu'à la prochaine déconnexion du périphérique. Pour que la librairie Yoctopuce puisse gérer correctement ces autorisations, il faut lui fournir un pointeur sur le contexte de l'application en appelant la méthode EnableUSBHost de la classe YAPI avant le premier accès USB. Cette fonction prend en argument un objet de la classe android.content.Context (ou d'une sous-classe). Comme la classe Activity est une sous-classe de Context, le plus simple est de d'appeler YAPI.EnableUSBHost(this); dans la méthode onCreate de votre application. Si l'objet passé en paramètre n'est pas du bon type, une exception YAPI_Exception sera générée.
Il est possible d'enregistrer son application comme application par défaut pour un module USB, dans ce cas des qu'un module sera connecté au système, l'application sera lancée automatiquement. Il faut ajouter <action android:name="android.hardware.usb.action.USB_DEVICE_ATTACHED"/> dans la section <intent-filter> de l'activité principale. La section <activity> doit contenir un pointeur sur un fichier xml qui contient la liste des modules USB qui peuvent lancer l'application.
Le fichier XML qui contient la liste des modules qui peuvent lancer l'application doit être sauvé dans le répertoire res/xml. Ce fichier contient une liste de vendorId et deviceID USB en décimal. L'exemple suivant lance l'application dès qu'un Yocto-Relay ou un Yocto-PowerRelay est connecté. Vous pouvez trouver le vendorId et deviceId des modules Yoctopuce dans la section caractéristiques de la documentation.
Il suffit de quelques lignes de code pour piloter un Yocto-IO-V2-C. Voici le squelette d'un fragment de code Java qui utilise la fonction DigitalIO.
Voyons maintenant en détail ce que font ces quelques lignes.
La fonction YAPI.EnableUSBHost initialise l'API avec le Context de l'application courante. Cette fonction prend en argument un objet de la classe android.content.Context (ou d'une sous-classe). Si vous comptez uniquement vous connecter à d'autres machines par IP vous cette fonction est factultative.
La fonction YAPI.RegisterHub initialise l'API de Yoctopuce en indiquant où les modules doivent être recherchés. Le paramètre est l'adresse du virtual hub capable de voir les modules. Si l'on passe la chaine de caractère "usb", l'API va travailler avec les modules connectés localement à la machine. Si l'initialisation se passe mal, une exception sera générée.
La fonction YDigitalIO.FindDigitalIO permet de retrouver un port d'E/S digital en fonction du numéro de série de son module hôte et de son nom de fonction. Mais vous pouvez tout aussi bien utiliser des noms logiques que vous auriez préalablement configurés. Imaginons un module Yocto-IO-V2-C avec le numéros de série YMNIIO2C-123456 que vous auriez appelé "MonModule" et dont vous auriez nommé la fonction digitalIO "MaFonction", les cinq appels suivants seront strictement équivalents (pour autant que MaFonction ne soit définie qu'une fois, pour éviter toute ambiguïté):
YDigitalIO.FindDigitalIO renvoie un objet que vous pouvez ensuite utiliser à loisir pour contrôler le port d'E/S digital.
La méthode isOnline() de l'objet renvoyé par YDigitalIO.FindDigitalIO permet de savoir si le module correspondant est présent et en état de marche.
La méthode set_portState() de l'objet renvoyé par YDigitalIO.FindDigitalIO permet d'affecter chacune des sorties en une seule fois. Le paramètre est un entier représentant un bitmap: Bit 0 pour la première sortie, Bit 1 pour la deuxième, etc..
Lancez votre environnement java et ouvrez le projet correspondant, fourni dans le répertoire Examples/Doc-Examples de la librairie Yoctopuce.
Vous reconnaîtrez dans cet exemple l'utilisation des fonctions expliquées ci-dessus, cette fois utilisées avec le décorum nécessaire à en faire un petit programme d'exemple concret.
Chaque module peut-être contrôlé d'une manière similaire, vous trouverez ci-dessous un simple programme d'exemple affichant les principaux paramètres d'un module et permettant d'activer la balise de localisation.
Chaque propriété xxx du module peut être lue grâce à une méthode du type YModule.get_xxxx(), et les propriétés qui se sont pas en lecture seule peuvent être modifiées à l'aide de la méthode YModule.set_xxx() Pour plus de détails concernant ces fonctions utilisées, reportez-vous aux chapitre API
Lorsque que vous souhaitez modifier les réglages d'un module, il suffit d'appeler la fonction YModule.set_xxx() correspondante, cependant cette modification n'a lieu que dans la mémoire vive du module: si le module redémarre, les modifications seront perdues. Pour qu'elle soient mémorisées de manière persistante, il est nécessaire de demander au module de sauvegarder sa configuration courante dans sa mémoire non volatile. Pour cela il faut utiliser la méthode YModule.saveToFlash(). Inversement il est possible de forcer le module à oublier ses réglages courants en utilisant la méthode YModule.revertFromFlash(). Ce petit exemple ci-dessous vous permet changer le nom logique d'un module.
Attention, le nombre de cycles d'écriture de la mémoire non volatile du module est limité. Passé cette limite plus rien ne garantit que la sauvegarde des réglages se passera correctement. Cette limite, liée à la technologie employée par le micro-processeur du module se situe aux alentour de 100000 cycles. Pour résumer vous ne pouvez employer la fonction YModule.saveToFlash() que 100000 fois au cours de la vie du module. Veillez donc à ne pas appeler cette fonction depuis l'intérieur d'une boucle.
Obtenir la liste des modules connectés se fait à l'aide de la fonction YModule.yFirstModule() qui renvoie le premier module trouvé, il suffit ensuite d'appeler la mehode nextModule() de cet objet pour trouver les modules suivants, et ce tant que la réponse n'est pas un null. Ci-dessous un petit exemple listant les module connectés
Lorsque vous implémentez un programme qui doit interagir avec des modules USB, vous ne pouvez pas faire abstraction de la gestion des erreurs. Il y aura forcément une occasion où un utilisateur aura débranché le périphérique, soit avant de lancer le programme, soit même en pleine opération. La librairie Yoctopuce est prévue pour vous aider à supporter ce genre de comportements, mais votre code doit néanmoins être fait pour se comporter au mieux pour interpréter les erreurs signalées par la librairie.
La manière la plus simple de contourner le problème est celle que nous avons employé pour les petits exemples précédents de ce chapitre: avant d'accéder à un module, on vérifie qu'il est en ligne avec la méthode isOnline() et on suppose ensuite qu'il va y rester pendant la fraction de seconde nécessaire à exécuter les lignes de code suivantes. Ce n'est pas parfait, mais ça peut suffire dans certains cas. Il faut toutefois être conscient qu'on ne peut pas totalement exclure une erreur se produisant après le isOnline(), qui pourrait faire planter le programme.
Dans l'API java pour Android, le traitement d'erreur est implémenté au moyen d'exceptions. Vous devrez donc intercepter et traiter correctement ces exceptions si vous souhaitez avoir un projet fiable qui ne crashera pas des que vous débrancherez un module.
TypeScript est une version améliorée du langage de programmation JavaScript. Il s'agit d'un sur-ensemble syntaxique avec typage fort, permettant d'améliorer la fiabilité du code, mais qui est transcompilé en JavaScript avant l'exécution, pour être ensuite interprêté par n'importe quel navigateur Web ou par Node.js.
Cette librairie de programmation Yoctopuce permet donc de coder des applications JavaScript tout en bénéficiant d'un typage fort. Comme notre librairie EcmaScript, elle utilise les fonctionnalités asynchrones introduites dans la version ECMAScript 2017 et qui sont maintenant disponibles nativement dans tous les environnements JavaScript modernes. Néanmoins, à ce jour, le code TypeScript n'est pas utilisable directement dans un navigateur Web ou Node.js, donc il est nécessaire de le compiler en JavaScript avant l'exécution.
La librairie peut travailler aussi bien dans un navigateur internet que dans un environnement Node.js. Pour satisfaire aux exigences de résolution statique des dépendances, et pour éviter les ambiguïtés qui surgiraient lors de l'utilisation d'environnements hybrides tels qu'Electron, la sélection de l'environnement doit être faite explicitement à l'import de la librairie, en important dans le projet soit yocto_api_nodejs.js, soit yocto_api_html.js.
La librairie peut être intégrée à vos projets de plusieurs manières, selon ce qui convient le mieux à votre projet:
1. Commencez par installer TypeScript sur votre machine si cela n'est pas déjà fait. Pour cela:
2. Connectez-vous ensuite sur le site Web de Yoctopuce et téléchargez les éléments suivants:
3. Décompressez les fichiers de la librairie dans un répertoire de votre choix, et ouvrez une fenêtre de commande dans le répertoire où vous l'avez installée. Lancez la commande suivante pour installer les quelques dépendances qui sont nécessaires au lancement des exemples:
Une fois cette commande terminée sans erreur, vous êtes prêt pour l'exploration des exemples. Ceux-ci sont fournis dans deux exemples différents, selon l'environnement d'exécution choisi: example_html pour l'exécution de la librairie Yoctopuce dans un navigateur Web, ou example_nodejs si vous provoyez d'utiliser la librairie dans un environnement Node.js.
La manière de lancer les exemples dépend de l'environnement choisi. Vous trouverez les instructions détaillées un peu plus loin.
JavaScript a été conçu pour éviter toute situation de concurrence durant l'exécution. Il n'y a jamais qu'un seul thread en JavaScript. Pour gérer les attentes dans les entrées/sorties, JavaScript utilise les opérations asynchrones: lorsqu'une fonction potentiellement bloquante doit être appelée, l'opération est déclenchée mais le flot d'exécution est immédiatement suspendu. Le moteur JavaScript est alors libre pour exécuter d'autres tâches, comme la gestion de l'interface utilisateur par exemple. Lorsque l'opération bloquante se termine finalement, le système relance le code en appelant une fonction de callback, en passant en paramètre le résultat de l'opération, pour permettre de continuer la tâche originale.
L'utilisation d'opérations asynchrones avec des fonctions de callback a la fâcheuse tendance de rentre le code illisible puisqu'elle découpe systématiquement le flot du code en petites fonctions de callback déconnectées les unes des autres. Heureusement, le standard ECMAScript 2015 a apporté les objets Promise et la syntaxe async / await pour la gestion des appels asynchrones:
En clair, async et await permettent d'écrire du code TypeScript avec tous les avantages des entrées/sorties asynchrones, mais sans interrompre le flot d'écriture du code. Cela revient quasiment à une exécution multi-tâche, mais en garantissant que le passage de contrôle d'une tâche à l'autre ne se produira que là où le mot-clé await apparaît.
Cette librairie TypeScript utilise donc les objets Promise et des méthodes async, pour vous permettre d'utiliser la notation await si pratique. Et pour ne pas devoir vous poser la question pour chaque méthode de savoir si elle est asynchrone ou pas, la convention est la suivante: en principe toutes les méthodes publiques de la librairie TypeScript sont async, c'est-à-dire qu'elles retournent un objet Promise, sauf:
Dans la plupart des cas, le typage fort de TypeScript sera là pour vous rappeler d'utiliser await lors de l'appel d'une méthode asynchrone.
Il suffit de quelques lignes de code pour piloter un Yocto-IO-V2-C. Voici le squelette d'un fragment de code TypeScript qui utilise la fonction DigitalIO.
Voyons maintenant en détail ce que font ces quelques lignes.
Ces deux imports permettent d'avoir accès aux fonctions permettant de gérer les modules Yoctopuce. yocto_api doit toujours être inclus, et yocto_digitalio est nécessaire pour gérer les modules contenant un port d'E/S digital, comme le Yocto-IO-V2-C. D'autres classes peuvent être utiles dans d'autres cas, comme YModule qui vous permet de faire une énumération de n'importe quel type de module Yoctopuce.
Pour que yocto_api soit correctement lié aux librairies réseau à utiliser pour établir la connexion (soit celles de Node.js, soit celles du navigateur dans le cas d'une application HTML), il faut que vous référenciez au moins une fois dans votre projet soit la variante yocto_api_nodejs.js, soit yocto_api_html.js.
Notez que cet exemple importe la librairie au format CommonJS, le plus utilisé avec Node.JS à ce jour, mais si votre projet est construit pour utiliser les modules natifs EcmaScript, il suffit de remplace dans l'import le préfix yoctolib-cjs par yoctolib-esm.
La méthode RegisterHub permet d'indiquer sur quelle machine se trouvent les modules Yoctopuce, ou plus exactement la machine sur laquelle tourne le programme VirtualHub. Dans notre cas l'adresse 127.0.0.1:4444 indique la machine locale, en utilisant le port 4444 (le port standard utilisé par Yoctopuce). Vous pouvez parfaitement changer cette adresse, et mettre l'adresse d'une autre machine sur laquelle tournerait un autre VirtualHub, ou d'un YoctoHub. Si l'hôte n'est pas joignable, la fonction déclanche une exception.
Comme expliqué précédemment, il n'est pas possible d'utiliser directement RegisterHub("usb") en TypeScript, car la machine virtuelle JavaScript n'a pas accès directement aux périphériques USB. Elle doit nécessairement passer par le programme VirtualHub via une connection par l'adresse 127.0.0.1.
La méthode FindDigitalIO permet de retrouver un port d'E/S digital en fonction du numéro de série de son module hôte et de son nom de fonction. Mais vous pouvez tout aussi bien utiliser des noms logiques que vous auriez préalablement configurés. Imaginons un module Yocto-IO-V2-C avec le numéros de série YMNIIO2C-123456 que vous auriez appelé "MonModule" et dont vous auriez nommé la fonction digitalIO "MaFonction", les cinq appels suivants seront strictement équivalents (pour autant que MaFonction ne soit définie qu'une fois, pour éviter toute ambiguïté):
YDigitalIO.FindDigitalIO renvoie un objet que vous pouvez ensuite utiliser à loisir pour contrôler le port d'E/S digital.
La méthode isOnline() de l'objet renvoyé par FindDigitalIO permet de savoir si le module correspondant est présent et en état de marche.
La méthode set_portState() de l'objet renvoyé par YDigitalIO.FindDigitalIO permet d'affecter chacune des sorties en une seule fois. Le paramètre est un entier représentant un bitmap: Bit 0 pour la première sortie, Bit 1 pour la deuxième, etc..
Ouvrez une fenêtre de commande (un terminal, un shell...) et allez dans le répertoire example_nodejs/Doc-GettingStarted-Yocto-IO-V2-C de la librairie Yoctopuce pour TypeScript. Vous y trouverez un fichier nommé demo.ts avec le code d'exemple ci-dessous, qui reprend les fonctions expliquées précédemment, mais cette fois utilisées avec le décorum nécessaire à en faire un petit programme d'exemple concret.
Si le Yocto-IO-V2-C n'est pas branché sur la machine où fonctionne le navigateur internet, remplacez dans l'exemple l'adresse 127.0.0.1 par l'adresse IP de la machine où est branché le Yocto-IO-V2-C et où vous avez lancé le VirtualHub.
Comme décrit au début de ce chapitre, vous devez avoir installé le complateur TypeScript sur votre machine pour essayer ces exemples, et installé les dépendances de la librairie TypeScript. Si vous l'avez fait, vous pouvez maintenant taper la commande suivantes dans le répertoire de l'exemple lui-même, pour finaliser la résolution de ses dépendances:
Cette commande, définie dans le fichier package.json, a pour effet de compiler le code source TypeScript à l'aide de la simple commande tsc, puis de lancer le code compilé dans Node.js.
La compilation utilise les paramètres spécifiés dans le fichier tsconfig.json, et produit
Notez que le fichier package.json de nos exemples référence directement la version locale de la librairie par un path relatif, pour éviter de dupliquer la librairie dans chaque exemple. Bien sur, pour votre application de production, vous pourrez utiliser le package directement depuis le repository npm en l'ajoutant à votre projet à l'aide de la commande:
Si vous voulez voir comment utiliser la librairie dans un navigateur plutôt que dans Node.js, changez de répertoire et allez dans example_html/Doc-GettingStarted-Yocto-IO-V2-C. Vous y trouverez un fichier html app.html, et un fichier TypeScript app.ts similaire au code ci-dessus, mais avec quelques variantes pour permettre une interaction à travers la page HTML plutôt que sur la console JavaScript.
Aucune installation n'est nécessaire pout utiliser cet exemple HTML, puisqu'il référence la librairie TypeScript via un chemin relatif. Par contre, pour que le navigateur puisse exécuter le code, il faut que la page HTML soit publié par un serveur Web. Nous fournissons un petit serveur de test pour cet usage, que vous pouvez lancer avec la commande:
Cette commande va compiler le code d'exemple TypeScript, le mettre à disposition via un serveur HTTP sur le port 3000 et ouvrir un navigateur sur cet exemple. Si vous modifiez le code d'exemple, il sera automatiquement recompilé et il vous suffira de recharger la page sur le navigateur pour retester.
Comme pour l'exemple Node.js, la compilation produit un fichier .js.map qui permet de debugger dans le navigateur directement sur le fichier source TypeScript. Notez qu'au moment où cette documentation est rédigée, le debug en format source dans le navigateur fonctionne pour les browsers basés sur Chromium, mais pas encore dans Firefox.
Chaque module peut-être contrôlé d'une manière similaire, vous trouverez ci dessous un simple programme d'exemple affichant les principaux paramètres d'un module et permettant d'activer la balise de localisation.
Chaque propriété xxx du module peut être lue grâce à une méthode du type get_xxxx(), et les propriétés qui se sont pas en lecture seule peuvent être modifiées à l'aide de la méthode set_xxx() Pour plus de détails concernant ces méthodes utilisées, reportez-vous aux chapitre API
Lorsque que vous souhaitez modifier les réglages d'un module, il suffit d'appeler la méthode set_xxx() correspondante, cependant cette modification n'a lieu que dans la mémoire vive du module: si le module redémarre, les modifications seront perdues. Pour qu'elle soient mémorisées de manière persistante, il est nécessaire de demander au module de sauvegarder sa configuration courante dans sa mémoire non volatile. Pour cela il faut utiliser la méthode saveToFlash(). Inversement il est possible de forcer le module à oublier ses réglages courants en utilisant la méthode revertFromFlash(). Ce petit exemple ci-dessous vous permet changer le nom logique d'un module.
Attention, le nombre de cycle d'écriture de la mémoire non volatile du module est limité. Passé cette limite plus rien ne garantit de que la sauvegarde des réglages se passera correctement. Cette limite, liée à la technologie employé par le micro-processeur du module se situe aux alentour de 100000 cycles. Pour résumer vous ne pouvez employer la méthode saveToFlash() que 100000 fois au cours de la vie du module. Veillez donc à ne pas appeler cette méthode depuis l'intérieur d'une boucle.
Obtenir la liste des modules connectés se fait à l'aide de la méthode YModule.FirstModule() qui renvoie le premier module trouvé, il suffit ensuite d'appeler la méthode nextModule() de cet objet pour trouver les modules suivants, et ce tant que la réponse n'est pas un null. Ci-dessous un petit exemple listant les module connectés
Lorsque vous implémentez un programme qui doit interagir avec des modules USB, vous ne pouvez pas faire abstraction de la gestion des erreurs. Il y aura forcément une occasion où un utilisateur aura débranché le périphérique, soit avant de lancer le programme, soit même en pleine opération. La librairie Yoctopuce est prévue pour vous aider à supporter ce genre de comportements, mais votre code doit néanmoins être fait pour se comporter au mieux pour interpréter les erreurs signalées par la librairie.
La manière la plus simple de contourner le problème est celle que nous avons employé pour les petits exemples précédents de ce chapitre: avant d'accéder à un module, on vérifie qu'il est en ligne avec la méthode isOnline() et on suppose ensuite qu'il va y rester pendant la fraction de seconde nécessaire à exécuter les lignes de code suivantes. Ce n'est pas parfait, mais ça peut suffire dans certains cas. Il faut toutefois être conscient qu'on ne peut pas totalement exclure une erreur se produisant après le isOnline(), qui pourrait faire planter le programme. La seule manière de l'éviter est d'implémenter une des deux techniques de gestion des erreurs décrites ci-dessous.
La méthode recommandée par la plupart des langages de programmation pour la gestion des erreurs imprévisibles est l'utilisation d'exceptions. C'est le comportement par défaut de la librairie Yoctopuce. Si une erreur se produit alors qu'on essaie d'accéder à un module, la librairie va lancer une exception. Dans ce cas, de trois choses l'une:
Comme cette dernière situation n'est pas la plus souhaitable, la librairie Yoctopuce offre une autre alternative pour la gestion des erreurs, permettant de faire un programme robuste sans devoir attraper les exceptions à chaque ligne de code. Il suffit d'appeler la fonction YAPI.DisableExceptions() pour commuter la librairie dans un mode où les exceptions de chaque fonction sont systématiquement remplacées par des valeurs de retour particulières, qui peuvent être testées par l'appelant lorsque c'est pertinent. Le nom de la valeur de retour en cas d'erreur pour chaque fonction est systématiquement documenté dans la référence de la librairie. Il suit toujours la même logique: une méthode get_state() retournera une valeur NomDeClasse.STATE_INVALID, une méthode get_currentValue retournera une valeur NomDeClasse.CURRENTVALUE_INVALID, etc. Dans tous les cas, la valeur retournée sera du type attendu, et ne sera pas un pointeur nul qui risquerait de faire crasher votre programme. Au pire, si vous affichez la valeur sans la tester, elle sera hors du cadre attendu pour la valeur retournée. Dans le cas de fonctions qui ne retournent à priori pas d'information, la valeur de retour sera YAPI.SUCCESS si tout va bien, et un code d'erreur différent en cas d'échec.
Quand vous travaillez sans les exceptions, il est possible d'obtenir un code d'erreur et un message expliquant l'origine de l'erreur en le demandant à l'objet qui a retourné une erreur à l'aide des méthodes errType() et errMessage(). Ce sont les même informations qui auraient été associées à l'exception si elles avaient été actives.
EcmaScript est le nom officiel de la version standardisée du langage de programmation communément appelé JavaScript. Cette librairie de programmation Yoctopuce utilise les nouvelles fonctionnalités introduites dans la version EcmaScript 2017. La librairie porte ainsi le nom Librairie pour JavaScript / EcmaScript 2017, afin de la différentier de la précédente Librairie pour JavaScript qu'elle remplace.
Cette librairie permet d'accéder aux modules Yoctopuce depuis tous les environnements JavaScript modernes. Elle fonctionne aussi bien depuis un navigateur internet que dans un environnement Node.js. La librairie détecte automatiquement à l'initialisation si le contexte d'utilisation est un browser ou une machine virtuelle Node.js, et utilise les librairies systèmes les plus appropriées en conséquence.
Les communications asynchrones avec les modules sont gérées dans toute la librairie à l'aide d'objets Promise, en utilisant la nouvelle syntaxe EcmaScript 2017 async / await non bloquante pour la gestion des entrées/sorties asynchrones (voir ci-dessous). Cette syntaxe est désormais disponible sans autres dans la plupart des moteurs JavaScript: il n'est plus nécessaire de transpiler le code avec Babel ou jspm. Voici la version minimum requise de vos moteurs JavaScript préférés, tous disponibles au téléchargement:
Si vous avez besoin de la compatibilité avec des anciennes versions, vous pouvez toujours utiliser Babel pour transpiler votre code et la libriairie vers un standard antérieur de JavaScript, comme décrit un peu plus bas.
Nous ne recommendons plus l'utilisation de jspm dès lors que async / await sont standardisés.
JavaScript a été conçu pour éviter toute situation de concurrence durant l'exécution. Il n'y a jamais qu'un seul thread en JavaScript. Cela signifie que si un programme effectue une attente active durant une communication réseau, par exemple pour lire un capteur, le programme entier se trouve bloqué. Dans un navigateur, cela peut se traduire par un blocage complet de l'interface utilisateur. C'est pourquoi l'utilisation de fonctions d'entrée/sortie bloquantes en JavaScript est sévèrement découragée de nos jours, et les API bloquantes se font toutes déclarer deprecated.
Plutôt que d'utiliser des threads parallèles, JavaScript utilise les opérations asynchrones pour gérer les attentes dans les entrées/sorties: lorsqu'une fonction potentiellement bloquante doit être appelée, l'opération est uniquement déclenchée mais le flot d'exécution est immédiatement terminé. La moteur JavaScript est alors libre pour exécuter d'autres tâches, comme la gestion de l'interface utilisateur par exemple. Lorsque l'opération bloquante se termine finalement, le système relance le code en appelant une fonction de callback, en passant en paramètre le résultat de l'opération, pour permettre de continuer la tâche originale.
Lorsqu'on les utilises avec des simples fonctions de callback, comme c'est fait quasi systématiquement dans les librairies Node.js, les opérations asynchrones ont la fâcheuse tendance de rentre le code illisible puisqu'elles découpent systématiquement le flot du code en petites fonctions de callback déconnectées les unes des autres. Heureusement, de nouvelles idées sont apparues récemment pour améliorer la situation. En particulier, l'utilisation d'objets Promise pour travailler avec les opérations asynchrones aide beaucoup. N'importe quelle fonction qui effectue une opération potentiellement longue peut retourner une promesse de se terminer, et cet objet Promise peut être utilisé par l'appelant pour chaîner d'autres opérations en un flot d'exécution. La classe Promise fait partie du standard EcmaScript 2015.
Les objets Promise sont utiles, mais ce qui les rend vraiment pratique est la nouvelle syntaxe async / await pour la gestion des appels asynchrones:
En clair, async et await permettent d'écrire du code EcmaScript avec tous les avantages des entrées/sorties asynchrones, mais sans interrompre le flot d'écriture du code. Cela revient quasiment à une exécution multi-tâche, mais en garantissant que le passage de contrôle d'une tâche à l'autre ne se produira que là où le mot-clé await apparaît.
Nous avons donc décidé d'écrire cette nouvelle librairie EcmaScript en utilisant les objets Promise et des fonctions async, pour vous permettre d'utiliser la notation await si pratique. Et pour ne pas devoir vous poser la question pour chaque méthode de savoir si elle est asynchrone ou pas, la convention est la suivante: toutes les méthodes publiques de la librairie EcmaScript sont async, c'est-à-dire qu'elles retournent un objet Promise, sauf:
JavaScript fait partie de ces langages qui ne vous permettront pas d'accéder directement aux couches matérielles de votre ordinateur. C'est pourquoi si vous désirez travailler avec des modules USB branchés par USB, vous devrez faire tourner la passerelle de Yoctopuce appelée VirtualHub sur la machine à laquelle sont branchés les modules.
Connectez vous sur le site de Yoctopuce et téléchargez les éléments suivants:
Décompressez les fichiers de la librairie dans un répertoire de votre choix, branchez vos modules et lancez le programme VirtualHub. Vous n'avez pas besoin d'installer de driver.
Commencez par installer sur votre machine de développement la version actuelle de Node.js (7.6 ou plus récente), C'est très simple. Vous pouvez l'obtenir sur le site officiel: http://nodejs.org. Assurez vous de l'installer entièrement, y compris npm, et de l'ajouter à votre system path.
Vous pouvez ensuite prendre l'exemple de votre choix dans le répertoire example_nodejs (par exemple example_nodejs/Doc-Inventory). Allez dans ce répertoire. Vous y trouverez un fichier décrivant l'application (package.json) et le code source de l'application (demo.js). Pour charger automatiquement et configurer les librairies nécessaires à l'exemple, tapez simplement:
Une fois que c'est fait, vous pouvez directement lancer le code de l'application:
Si pour une raison ou une autre vous devez faire des modifications au code de la librairie, vous pouvez facilement configurer votre projet pour utiliser le code source de la librairie qui se trouve dans le répertoire lib/ plutôt que le package npm officiel. Pour cela, lancez simplement la commande suivante dans le répertoire de votre projet:
Pour les exemples HTML, c'est encore plus simple: il n'y a rien à installer. Chaque exemple est un simple fichier HTML que vous pouvez ouvrir directement avec un navigateur pour l'essayer. L'inclusion de la librairie Yoctopuce ne demande rien de plus qu'un simple tag HTML <script>.
Si vous avez besoin d'utiliser cette librairie avec des moteurs JavaScript plus anciens, vous pouvez utiliser Babel39 pour transpiler votre code et la librairie dans une version antérieure du langage. Pour installer Babel avec les réglages usuels, tapez:
Normalement vous demanderez à Babel de poser les fichiers transpilés dans un autre répertoire, nommé comopat par exemple. Pour ce faire, utilisez par exemple les commandes suivantes:
Bien que ces outils de transpilation soient basés sur node.js, ils fonctionnent en réalité pour traduire n'importe quel type de fichier JavaScript, y compris du code destiné à fonctionner dans un navigateur. La seule chose qui ne peut pas être faite aussi facilement est la transpilation de sciptes codés en dure à l'intérieur même d'une page HTML. Il vous faudra donc sortir ce code dans un fichier .js externe si il utiliser la syntaxe EcmaScript 2017, afin de le transpiler séparément avec Babel.
Babel dipose de nombreuses fonctionnalités intéressantes, comme un mode de surveillance qui traduite automatiquement au vol vos fichiers dès qu'il détecte qu'un fichier source a changé. Consultez les détails dans la documentation de Babel.
Cette nouvelle librairie n'est pas compatible avec l'ancienne librairie JavaScript, car il n'existe pas de possibilité d'implémenter l'ancienne API bloquante sur la base d'une API asynchrone. Toutefois, les noms des méthodes sont les mêmes, et l'ancien code source synchrone peut facilement être rendu asynchrone simplement en ajoutant le mot-clé await devant les appels de méthode. Remplacez par exemple:
par
Mis à part quelques exceptions, la plupart des méthodes redondantes XXX_async ont été supprimées, car elles auraient introduit de la confusion sur la manière correcte de gérer les appels asynchrones. Si toutefois vous avez besoin d'appeler un callback explicitement, il est très facile de faire appeler une fonction de callback à la résolution d'une méthode async, en utilisant l'objet Promise retourné. Par exemple, vous pouvez réécrire:
par
Si vous portez une application vers la nouvelle librairie, vous pourriez être amené à désirer des méthodes synchrones similaires à l'ancienne librairie (sans objet Promise), quitte à ce qu'elles retournent la dernière valeur reçue du capteur telle que stockée en cache, puisqu'il n'est pas possible de faire des communications bloquantes. Pour cela, la nouvelle librairie introduit un nouveau type de classes appelés proxys synchrones. Un proxy synchrone est un objet qui reflète la dernière value connue d'un objet d'interface, mais peut être accédé à l'aide de fonctions synchrones habituelles. Par exemple, plutôt que d'utiliser:
on peut utiliser:
Ce dernier appel asynchrone peut aussi être formulé comme:
Il suffit de quelques lignes de code pour piloter un Yocto-IO-V2-C. Voici le squelette d'un fragment de code JavaScript qui utilise la fonction DigitalIO.
Voyons maintenant en détail ce que font ces quelques lignes.
Ces deux imports permettent d'avoir accès aux fonctions permettant de gérer les modules Yoctopuce. yocto_api doit toujours être inclus, yocto_digitalio est nécessaire pour gérer les modules contenant un port d'E/S digital, comme le Yocto-IO-V2-C. D'autres classes peuvent être utiles dans d'autres cas, comme YModule qui vous permet de faire une énumération de n'importe quel type de module Yoctopuce.
La méthode RegisterHub permet d'indiquer sur quelle machine se trouvent les modules Yoctopuce, ou plus exactement la machine sur laquelle tourne le programme VirtualHub. Dans notre cas l'adresse 127.0.0.1:4444 indique la machine locale, en utilisant le port 4444 (le port standard utilisé par Yoctopuce). Vous pouvez parfaitement changer cette adresse, et mettre l'adresse d'une autre machine sur laquelle tournerait un autre VirtualHub, ou d'un YoctoHub. Si l'hôte n'est pas joignable, la fonction déclanche une exception.
La méthode FindDigitalIO permet de retrouver un port d'E/S digital en fonction du numéro de série de son module hôte et de son nom de fonction. Mais vous pouvez tout aussi bien utiliser des noms logiques que vous auriez préalablement configurés. Imaginons un module Yocto-IO-V2-C avec le numéros de série YMNIIO2C-123456 que vous auriez appelé "MonModule" et dont vous auriez nommé la fonction digitalIO "MaFonction", les cinq appels suivants seront strictement équivalents (pour autant que MaFonction ne soit définie qu'une fois, pour éviter toute ambiguïté):
YDigitalIO.FindDigitalIO renvoie un objet que vous pouvez ensuite utiliser à loisir pour contrôler le port d'E/S digital.
La méthode isOnline() de l'objet renvoyé par FindDigitalIO permet de savoir si le module correspondant est présent et en état de marche.
La méthode set_portState() de l'objet renvoyé par YDigitalIO.FindDigitalIO permet d'affecter chacune des sorties en une seule fois. Le paramètre est un entier représentant un bitmap: Bit 0 pour la première sortie, Bit 1 pour la deuxième, etc..
Ouvrez une fenêtre de commande (un terminal, un shell...) et allez dans le répertoire example_nodejs/Doc-GettingStarted-Yocto-IO-V2-C de la librairie Yoctopuce pour JavaScript / EcmaScript 2017. Vous y trouverez un fichier nommé demo.js avec le code d'exemple ci-dessous, qui reprend les fonctions expliquées précédemment, mais cette fois utilisées avec le décorum nécessaire à en faire un petit programme d'exemple concret.
Si le Yocto-IO-V2-C n'est pas branché sur la machine où fonctionne le navigateur internet, remplacez dans l'exemple l'adresse 127.0.0.1 par l'adresse IP de la machine où est branché le Yocto-IO-V2-C et où vous avez lancé le VirtualHub.
Comme décrit au début de ce chapitre, vous devez avoir installé Node.js v7.6 ou suivant pour essayer ces exemples. Si vous l'avez fait, vous pouvez maintenant taper les deux commandes suivantes pour télécharger automatiquement les librairies dont cet exemple dépend:
Si vous voulez voir comment utiliser la librairie dans un navigateur plutôt que dans Node.js, changez de répertoire et allez dans example_html/Doc-GettingStarted-Yocto-IO-V2-C. Vous y trouverez un fichier html, avec une section JavaScript similaire au code précédent, mais avec quelques variantes pour permettre une interaction à travers la page HTML plutôt que sur la console JavaScript
Aucune installation n'est nécessaire pout utiliser cet exemple, il suffit d'ouvrir la page HTML avec un navigateur web.
Chaque module peut-être contrôlé d'une manière similaire, vous trouverez ci dessous un simple programme d'exemple affichant les principaux paramètres d'un module et permettant d'activer la balise de localisation.
Chaque propriété xxx du module peut être lue grâce à une méthode du type get_xxxx(), et les propriétés qui se sont pas en lecture seule peuvent être modifiées à l'aide de la méthode set_xxx() Pour plus de détails concernant ces fonctions utilisées, reportez-vous aux chapitre API
Lorsque que vous souhaitez modifier les réglages d'un module, il suffit d'appeler la fonction set_xxx() correspondante, cependant cette modification n'a lieu que dans la mémoire vive du module: si le module redémarre, les modifications seront perdues. Pour qu'elle soient mémorisées de manière persistante, il est nécessaire de demander au module de sauvegarder sa configuration courante dans sa mémoire non volatile. Pour cela il faut utiliser la méthode saveToFlash(). Inversement il est possible de forcer le module à oublier ses réglages courants en utilisant la méthode revertFromFlash(). Ce petit exemple ci-dessous vous permet changer le nom logique d'un module.
Attention, le nombre de cycle d'écriture de la mémoire non volatile du module est limité. Passé cette limite plus rien ne garantit de que la sauvegarde des réglages se passera correctement. Cette limite, liée à la technologie employé par le micro-processeur du module se situe aux alentour de 100000 cycles. Pour résumer vous ne pouvez employer la fonction saveToFlash() que 100000 fois au cours de la vie du module. Veillez donc à ne pas appeler cette fonction depuis l'intérieur d'une boucle.
Obtenir la liste des modules connectés se fait à l'aide de la fonction YModule.FirstModule() qui renvoie le premier module trouvé, il suffit ensuite d'appeler la fonction nextModule() de cet objet pour trouver les modules suivants, et ce tant que la réponse n'est pas un null. Ci-dessous un petit exemple listant les module connectés
Lorsque vous implémentez un programme qui doit interagir avec des modules USB, vous ne pouvez pas faire abstraction de la gestion des erreurs. Il y aura forcément une occasion où un utilisateur aura débranché le périphérique, soit avant de lancer le programme, soit même en pleine opération. La librairie Yoctopuce est prévue pour vous aider à supporter ce genre de comportements, mais votre code doit néanmoins être fait pour se comporter au mieux pour interpréter les erreurs signalées par la librairie.
La manière la plus simple de contourner le problème est celle que nous avons employé pour les petits exemples précédents de ce chapitre: avant d'accéder à un module, on vérifie qu'il est en ligne avec la méthode isOnline() et on suppose ensuite qu'il va y rester pendant la fraction de seconde nécessaire à exécuter les lignes de code suivantes. Ce n'est pas parfait, mais ça peut suffire dans certains cas. Il faut toutefois être conscient qu'on ne peut pas totalement exclure une erreur se produisant après le isOnline(), qui pourrait faire planter le programme. La seule manière de l'éviter est d'implémenter une des deux techniques de gestion des erreurs décrites ci-dessous.
La méthode recommandée par la plupart des langages de programmation pour la gestion des erreurs imprévisibles est l'utilisation d'exceptions. C'est le comportement par défaut de la librairie Yoctopuce. Si une erreur se produit alors qu'on essaie d'accéder à un module, la librairie va lancer une exception. Dans ce cas, de trois choses l'une:
Comme cette dernière situation n'est pas la plus souhaitable, la librairie Yoctopuce offre une autre alternative pour la gestion des erreurs, permettant de faire un programme robuste sans devoir attraper les exceptions à chaque ligne de code. Il suffit d'appeler la fonction YAPI.DisableExceptions() pour commuter la librairie dans un mode où les exceptions de chaque fonction sont systématiquement remplacées par des valeurs de retour particulières, qui peuvent être testées par l'appelant lorsque c'est pertinent. Le nom de la valeur de retour en cas d'erreur pour chaque fonction est systématiquement documenté dans la référence de la librairie. Il suit toujours la même logique: une méthode get_state() retournera une valeur NomDeClasse.STATE_INVALID, une méthode get_currentValue retournera une valeur NomDeClasse.CURRENTVALUE_INVALID, etc. Dans tous les cas, la valeur retournée sera du type attendu, et ne sera pas un pointeur nul qui risquerait de faire crasher votre programme. Au pire, si vous affichez la valeur sans la tester, elle sera hors du cadre attendu pour la valeur retournée. Dans le cas de fonctions qui ne retournent à priori pas d'information, la valeur de retour sera YAPI.SUCCESS si tout va bien, et un code d'erreur différent en cas d'échec.
Quand vous travaillez sans les exceptions, il est possible d'obtenir un code d'erreur et un message expliquant l'origine de l'erreur en le demandant à l'objet qui a retourné une erreur à l'aide des méthodes errType() et errMessage(). Ce sont les même informations qui auraient été associées à l'exception si elles avaient été actives.
PHP est, tout comme Javascript, un langage assez atypique lorsqu'il s'agit de discuter avec du hardware. Néanmoins, utiliser PHP avec des modules Yoctopuce offre l'opportunité de construire très facilement des sites web capables d'interagir avec leur environnement physique, ce qui n'est pas donné à tous les serveurs web. Cette technique trouve une application directe dans la domotique: quelques modules Yoctopuce, un serveur PHP et vous pourrez interagir avec votre maison depuis n'importe ou dans le monde. Pour autant que vous ayez une connexion internet.
PHP fait lui aussi partie de ces langages qui ne vous permettront pas d'accéder directement aux couches matérielles de votre ordinateur. C'est pourquoi vous devrez faire tourner VirtualHub sur la machine à laquelle sont branchés les modules.
Pour démarrer vos essais en PHP, vous allez avoir besoin d'un serveur PHP 7.1 ou plus récent 40 de préférence en local sur votre machine. Si vous souhaiter utiliser celui qui se trouve chez votre provider internet, c'est possible, mais vous devrez probablement configurer votre routeur ADSL pour qu'il accepte et forwarde les requêtes TCP sur le port 4444.
Connectez vous sur le site de Yoctopuce et téléchargez les éléments suivants:
Notre librairie PHP est basée sur PHP 8.x. C'est-à-dire que notre librairie fonctionne parfaitement avec n'importe quelle version de PHP actuellement encore supportée. Toutefois, afin de ne pas abandonner nos clients qui ont des installations plus anciennes, nous maintenons une version compatible avec PHP 7.1. qui date de 2016.
Par ailleurs, nous proposons également une version de la librairie qui suit les recommandations PSR. Pour simplifier, cette version est de même code que la version php8 mais chaque classe est stockée dans un fichier séparé. De plus, cette version utilise un namespace Yoctopuce\YoctoAPI. Ces changements rendent notre librairie beaucoup plus facilement utilisable avec des installations qui utilisent l'autoload.
Notez que les exemples de la documentation n'utilisent pas la version PSR.
Dans l'archive de la librairie, il y a donc trois sous-répertoire :
Choisissez le bon répertoire en fonction de la version de la librairie que vous souhaitez utiliser, décompressez les fichiers de ce répertoire dans un répertoire de votre choix accessible à votre serveur web, branchez vos modules, lancez VirtualHub, et vous pouvez commencer vos premiers tests. Vous n'avez pas besoin d'installer de driver.
Il suffit de quelques lignes de code pour piloter un Yocto-IO-V2-C. Voici le squelette d'un fragment de code PHP qui utilise la fonction DigitalIO.
Voyons maintenant en détail ce que font ces quelques lignes.
Ces deux includes PHP permettent d'avoir accès aux fonctions permettant de gérer les modules Yoctopuce. yocto_api.php doit toujours être inclus, yocto_digitalio.php est nécessaire pour gérer les modules contenant un port d'E/S digital, comme le Yocto-IO-V2-C.
La fonction YAPI::RegisterHub permet d'indiquer sur quelle machine se trouve les modules Yoctopuce, ou plus exactemenent sur quelle machine tourne le programme VirtualHub. Dans notre cas l'adresse 127.0.0.1:4444 indique la machine locale, en utilisant le port 4444 (le port standard utilisé par Yoctopuce). Vous pouvez parfaitement changer cette adresse, et mettre l'adresse d'une autre machine sur laquelle tournerait un autre VirtualHub.
La fonction YDigitalIO::FindDigitalIO permet de retrouver un port d'E/S digital en fonction du numéro de série de son module hôte et de son nom de fonction. Mais vous pouvez tout aussi bien utiliser des noms logiques que vous auriez préalablement configurés. Imaginons un module Yocto-IO-V2-C avec le numéros de série YMNIIO2C-123456 que vous auriez appelé "MonModule" et dont vous auriez nommé la fonction digitalIO "MaFonction", les cinq appels suivants seront strictement équivalents (pour autant que MaFonction ne soit définie qu'une fois, pour éviter toute ambiguïté):
YDigitalIO::FindDigitalIO renvoie un objet que vous pouvez ensuite utiliser à loisir pour contrôler le port d'E/S digital.
La méthode isOnline() de l'objet renvoyé par YDigitalIO::FindDigitalIO permet de savoir si le module correspondant est présent et en état de marche.
La méthode set_portState() de l'objet renvoyé par yFindDigitalIO permet d'affecter chacune des sorties en une seule fois. Le paramètre est un entier représentant un bitmap: Bit 0 pour la première sortie, bit 1 pour la deuxième, etc..
Ouvrez votre éditeur de texte préféré43, recopiez le code ci dessous, sauvez-le dans un répertoire accessible par votre serveur web/PHP avec les fichiers de la librairie, et ouvrez-la page avec votre browser favori. Vous trouverez aussi ce code dans le répertoire Examples/Doc-GettingStarted-Yocto-IO-V2-C de la librairie Yoctopuce.
Vous reconnaîtrez dans cet exemple l'utilisation des fonctions expliquées ci-dessus, cette fois utilisées avec le décorum nécessaire à en faire un petit programme d'exemple concret.
Chaque module peut-être contrôlé d'une manière similaire, vous trouverez ci dessous un simple programme d'exemple affichant les principaux paramètres d'un module et permettant d'activer la balise de localisation.
Chaque propriété xxx du module peut être lue grâce à une méthode du type get_xxxx(), et les propriétés qui se sont pas en lecture seule peuvent être modifiées à l'aide de la méthode set_xxx() Pour plus de détails concernant ces fonctions utilisées, reportez-vous aux chapitre API
Lorsque que vous souhaitez modifier les réglages d'un module, il suffit d'appeler la fonction set_xxx() correspondante, cependant cette modification n'a lieu que dans la mémoire vive du module: si le module redémarre, les modifications seront perdues. Pour qu'elle soient mémorisées de manière persistante, il est nécessaire de demander au module de sauvegarder sa configuration courante dans sa mémoire non volatile. Pour cela il faut utiliser la méthode saveToFlash(). Inversement il est possible de forcer le module à oublier ses réglages courants en utilisant la méthode revertFromFlash(). Ce petit exemple ci-dessous vous permet changer le nom logique d'un module.
Attention, le nombre de cycle d'écriture de la mémoire non volatile du module est limité. Passé cette limite plus rien ne garantit de que la sauvegarde des réglages se passera correctement. Cette limite, lié à la technologie employé par le micro-processeur du module se situe aux alentour de 100000 cycles. Pour résumer vous ne pouvez employer la fonction saveToFlash() que 100000 fois au cours de la vie du module. Veillez donc à ne pas appeler cette fonction depuis l'intérieur d'une boucle.
Obtenir la liste des modules connectés se fait à l'aide de la fonction yFirstModule() qui renvoie le premier module trouvé, il suffit ensuite d'appeler la fonction nextModule() de cet objet pour trouver les modules suivants, et ce tant que la réponse n'est pas un NULL. Ci-dessous un petit exemple listant les module connectés
La librairie PHP est capable de fonctionner dans un mode spécial appelé Yocto-API par callback HTTP. Ce mode permet de contrôler des modules Yoctopuce installés derrière un filtre NAT tel qu'un routeur DSL par exemple, et ce sans avoir à un ouvrir un port. L'application typique est le contrôle de modules Yoctopuce situés sur réseau privé depuis un site Web publique.
Un routeur DSL qui effectue de la traduction d'adresse réseau (NAT) fonctionne un peu comme un petit central téléphonique privé: les postes internes peuvent s'appeler l'un l'autre ainsi que faire des appels vers l'extérieur, mais vu de l'extérieur, il n'existe qu'un numéro de téléphone officiel, attribué au central téléphonique lui-même. Les postes internes ne sont pas atteignables depuis l'extérieur.

Configuration DSL typique, les machines du LAN sont isolées
de l'extérieur par le router DSL
Ce qui, transposé en terme de réseau, donne : les appareils connectés sur un réseau domestique peuvent communiquer entre eux en utilisant une adresse IP locale (du genre 192.168.xxx.yyy), et contacter des serveurs sur Internet par leur adresse publique, mais vu de l'extérieur, il n'y a qu'une seule adresse IP officielle, attribuée au routeur DSL exclusivement. Les différents appareils réseau ne sont pas directement atteignables depuis l'extérieur. C'est assez contraignant, mais c'est une protection relativement efficace contre les intrusions.

Les réponses aux requêtes venant des machines du LAN sont routées.

Mais les requêtes venant de l'extérieur sont bloquées.
Voir Internet sans être vu représente un avantage de sécurité énorme. Cependant, cela signifie qu'a priori, on ne peut pas simplement monter son propre serveur Web publique chez soi pour une installation domotique et offrir un accès depuis l'extérieur. Une solution à ce problème, préconisée par de nombreux vendeurs de domotique, consiste à donner une visibilité externe au serveur de domotique lui-même, en ouvrant un port et en ajoutant une règle de routage dans la configuration NAT du routeur DSL. Le problème de cette solution est qu'il expose le serveur de domotique aux attaques externes.
L'API par callback HTTP résoud ce problème sans qu'il soit nécessaire de modifier la configuration du routeur DSL. Le script de contrôle des modules est placé sur un site externe, et c'est le Virtual Hub qui est chargé de l'appeler à intervalle régulier.

L'API par callback HTTP utilise le VirtualHub, et c'est lui qui initie les requêtes.
L'API callback se sert donc du Virtual Hub comme passerelle. Toutes les communications sont initiées par le Virtual Hub, ce sont donc des communication sortantes, et par conséquent parfaitement autorisée par le routeur DSL.
Il faut configurer le VirtualHub pour qu'il appelle le script PHP régulièrement. Pour cela il faut:

Cliquer sur le bouton "configure" de la première ligne

Cliquer sur le bouton "edit" de la section Outgoing callbacks.

Et choisir "Yocto-API callback".
Il suffit alors de définir l'URL du script PHP et, si nécessaire, le nom d'utilisateur et le mot de passe pour accéder à cette URL. Les méthodes d'authentification supportées sont basic et digest. La seconde est plus sûre que la première car elle permet de ne pas transférer le mot de passe sur le réseau.
Du point de vue du programmeur, la seule différence se trouve au niveau de l'appel à la fonction yRegisterHub; au lieu d'utiliser une adresse IP, il faut utiliser la chaîne callback (ou http://callback, qui est équivalent).
La suite du code reste strictement identique. Sur l'interface du VirtualHub, il y a en bas de la fenêtre de configuration de l'API par callback HTTP un bouton qui permet de tester l'appel au script PHP.
Il est à noter que le script PHP qui contrôle les modules à distance via l'API par callback HTTP ne peut être appelé que par le VirtualHub. En effet, il a besoin des informations postées par le VirtualHub pour fonctionner. Pour coder un site Web qui contrôle des modules Yoctopuce de manière interactive, il faudra créer une interface utilisateur qui stockera dans un fichier ou une base de données les actions à effectuer sur les modules Yoctopuce. Ces actions seront ensuite lues puis exécutés par le script de contrôle.
Pour que l'API par callback HTTP fonctionne, l'option de PHP allow_url_fopen
doit être activée. Certains hébergeurs de site web ne l'activent pas
par défaut. Le problème se manifeste alors avec l'erreur suivante:
error: URL file-access is disabled in the server configuration
Pour activer cette option, il suffit de créer dans le même répertoire
que le script PHP de contrôle un fichier .htaccess contenant
la ligne suivante:
php_flag "allow_url_fopen" "On"
Selon la politique de sécurité de l'hébergeur, il n'est parfois pas possible
d'autoriser cette option à la racine du site web, où même d'installer
des scripts PHP recevant des données par un POST HTTP. Dans
ce cas il suffit de placer le script PHP dans un sous-répertoire.
Cette méthode de fonctionnement qui permet de passer les filtres NAT à moindre frais a malgré tout un prix. Les communications étant initiées par le Virtual Hub à intervalle plus ou moins régulier, le temps de réaction à un événement est nettement plus grand que si les modules Yoctopuce étaient pilotés en direct. Vous pouvez configurer le temps de réaction dans la fenêtre ad-hoc du Virtual Hub, mais il sera nécessairement de quelques secondes dans le meilleur des cas.
Le mode Yocto-API par callback HTTP n'est pour l'instant disponible qu'en PHP, EcmaScript (Node.JS) et Java.
Lorsque vous implémentez un programme qui doit interagir avec des modules USB, vous ne pouvez pas faire abstraction de la gestion des erreurs. Il y aura forcément une occasion où un utilisateur aura débranché le périphérique, soit avant de lancer le programme, soit même en pleine opération. La librairie Yoctopuce est prévue pour vous aider à supporter ce genre de comportements, mais votre code doit néanmoins être fait pour se comporter au mieux pour interpréter les erreurs signalées par la librairie.
La manière la plus simple de contourner le problème est celle que nous avons employé pour les petits exemples précédents de ce chapitre: avant d'accéder à un module, on vérifie qu'il est en ligne avec la méthode isOnline() et on suppose ensuite qu'il va y rester pendant la fraction de seconde nécessaire à exécuter les lignes de code suivantes. Ce n'est pas parfait, mais ça peut suffire dans certains cas. Il faut toutefois être conscient qu'on ne peut pas totalement exclure une erreur se produisant après le isOnline(), qui pourrait faire planter le programme. La seule manière de l'éviter est d'implémenter une des deux techniques de gestion des erreurs décrites ci-dessous.
La méthode recommandée par la plupart des langages de programmation pour la gestion des erreurs imprévisibles est l'utilisation d'exceptions. C'est le comportement par défaut de la librairie Yoctopuce. Si une erreur se produit alors qu'on essaie d'accéder à un module, la librairie va lancer une exception. Dans ce cas, de trois choses l'une:
Comme cette dernière situation n'est pas la plus souhaitable, la librairie Yoctopuce offre une autre alternative pour la gestion des erreurs, permettant de faire un programme robuste sans devoir attraper les exceptions à chaque ligne de code. Il suffit d'appeler la fonction YAPI.DisableExceptions() pour commuter la librairie dans un mode où les exceptions de chaque fonction sont systématiquement remplacées par des valeurs de retour particulières, qui peuvent être testées par l'appelant lorsque c'est pertinent. Le nom de la valeur de retour en cas d'erreur pour chaque fonction est systématiquement documenté dans la référence de la librairie. Il suit toujours la même logique: une méthode get_state() retournera une valeur NomDeClasse.STATE_INVALID, une méthode get_currentValue retournera une valeur NomDeClasse.CURRENTVALUE_INVALID, etc. Dans tous les cas, la valeur retournée sera du type attendu, et ne sera pas un pointeur nul qui risquerait de faire crasher votre programme. Au pire, si vous affichez la valeur sans la tester, elle sera hors du cadre attendu pour la valeur retournée. Dans le cas de fonctions qui ne retournent à priori pas d'information, la valeur de retour sera YAPI.SUCCESS si tout va bien, et un code d'erreur différent en cas d'échec.
Quand vous travaillez sans les exceptions, il est possible d'obtenir un code d'erreur et un message expliquant l'origine de l'erreur en le demandant à l'objet qui a retourné une erreur à l'aide des méthodes errType() et errMessage(). Ce sont les même informations qui auraient été associées à l'exception si elles avaient été actives.
VisualBasic a longtemps été la porte d'entrée privilégiée vers le monde Microsoft. Nous nous devions donc d'offrir notre interface pour ce langage, même si la nouvelle tendance est le C#. Nous supportons Visual Studio 2017 et les versions plus récentes.
Téléchargez la librairie Yoctopuce pour Visual Basic depuis le site web de Yoctopuce44. Il n'y a pas de programme d'installation, copiez simplement de contenu du fichier zip dans le répertoire de votre choix. Vous avez besoin essentiellement du contenu du répertoire Sources. Les autres répertoires contiennent la documentation et quelques programmes d'exemple. Les projets d'exemple sont des projets Visual Basic 2010, si vous utilisez une version antérieure, il est possible que vous ayez à reconstruire la structure de ces projets.
La librairie Yoctopuce pour Visual Basic .NET se présente sous la forme d'une DLL et de fichiers sources en Visual Basic. La DLL n'est pas une DLL .NET mais une DLL classique, écrite en C, qui gère les communications à bas niveau avec les modules45. Les fichiers sources en Visual Basic gèrent la partie haut niveau de l'API. Vous avez donc besoin de cette DLL et des fichiers .vb du répertoire Sources pour créer un projet gérant des modules Yoctopuce.
Les indications ci-dessous sont fournies pour Visual Studio express 2010, mais la procédure est semblable pour les autres versions.
Commencez par créer votre projet, puis depuis le panneau Explorateur de solutions effectuez un clic droit sur votre projet, et choisissez Ajouter puis Elément existant.
Une fenêtre de sélection de fichiers apparaît: sélectionnez le fichier yocto_api.vb et les fichiers correspondant aux fonctions des modules Yoctopuce que votre projet va gérer. Dans le doute, vous pouvez aussi sélectionner tous les fichiers.
Vous avez alors le choix entre simplement ajouter ces fichiers à votre projet, ou les ajouter en tant que lien (le bouton Ajouter est en fait un menu déroulant). Dans le premier cas, Visual Studio va copier les fichiers choisis dans votre projet, dans le second Visual Studio va simplement garder un lien sur les fichiers originaux. Il est recommandé d'utiliser des liens, une éventuelle mise à jour de la librairie sera ainsi beaucoup plus facile.
Ensuite, ajoutez de la même manière la dll yapi.dll, qui se trouve dans le répertoire Sources/dll46. Puis depuis la fenêtre Explorateur de solutions, effectuez un clic droit sur la DLL, choisissez Propriété et dans le panneau Propriétés, mettez l'option Copier dans le répertoire de sortie à toujours copier. Vous êtes maintenant prêt à utiliser vos modules Yoctopuce depuis votre environnement Visual Studio.
Afin de les garder simples, tous les exemples fournis dans cette documentation sont des applications consoles. Il va de soit que que les fonctionnement des librairies est strictement identiques si vous les intégrez dans une application dotée d'une interface graphique.
Il suffit de quelques lignes de code pour piloter un Yocto-IO-V2-C. Voici le squelette d'un fragment de code VisualBasic .NET qui utilise la fonction DigitalIO.
Voyons maintenant en détail ce que font ces quelques lignes.
La fonction YAPI.RegisterHub initialise l'API de Yoctopuce en indiquant où les modules doivent être recherchés. Utilisée avec le paramètre "usb", elle permet de travailler avec les modules connectés localement à la machine. Si l'initialisation se passe mal, cette fonction renverra une valeur différente de YAPI_SUCCESS, et retournera via le paramètre errmsg un explication du problème.
La fonction YDigitalIO.FindDigitalIO permet de retrouver un port d'E/S digital en fonction du numéro de série de son module hôte et de son nom de fonction. Mais vous pouvez tout aussi bien utiliser des noms logiques que vous auriez préalablement configurés. Imaginons un module Yocto-IO-V2-C avec le numéros de série YMNIIO2C-123456 que vous auriez appelé "MonModule" et dont vous auriez nommé la fonction digitalIO "MaFonction", les cinq appels suivants seront strictement équivalents (pour autant que MaFonction ne soit définie qu'une fois, pour éviter toute ambiguïté):
YDigitalIO.FindDigitalIO renvoie un objet que vous pouvez ensuite utiliser à loisir pour contrôler le port d'E/S digital.
La méthode isOnline() de l'objet renvoyé par YDigitalIO.FindDigitalIO permet de savoir si le module correspondant est présent et en état de marche.
La méthode set_portState() de l'objet renvoyé par yFindDigitalIO permet d'affecter chacune des sorties en une seule fois. Le paramètre est un entier représentant un bitmap: Bit 0 pour la première sortie, bit 1 pour la deuxième, etc..
Lancez Microsoft VisualBasic et ouvrez le projet exemple correspondant, fourni dans le répertoire Examples/Doc-GettingStarted-Yocto-IO-V2-C de la librairie Yoctopuce.
Vous reconnaîtrez dans cet exemple l'utilisation des fonctions expliquées ci-dessus, cette fois utilisées avec le décorum nécessaire à en faire un petit programme d'exemple concret.
Chaque module peut-être contrôlé d'une manière similaire, vous trouverez ci dessous un simple programme d'exemple affichant les principaux paramètres d'un module et permettant d'activer la balise de localisation.
Chaque propriété xxx du module peut être lue grâce à une méthode du type get_xxxx(), et les propriétés qui se sont pas en lecture seule peuvent être modifiées à l'aide de la méthode set_xxx() Pour plus de détails concernant ces fonctions utilisées, reportez-vous aux chapitre API
Lorsque que vous souhaitez modifier les réglages d'un module, il suffit d'appeler la fonction set_xxx() correspondante, cependant cette modification n'a lieu que dans la mémoire vive du module: si le module redémarre, les modifications seront perdues. Pour qu'elle soient mémorisées de manière persistante, il est nécessaire de demander au module de sauvegarder sa configuration courante dans sa mémoire non volatile. Pour cela il faut utiliser la méthode saveToFlash(). Inversement il est possible de forcer le module à oublier ses réglages courants en utilisant la méthode revertFromFlash(). Ce petit exemple ci-dessous vous permet changer le nom logique d'un module.
Attention, le nombre de cycles d'écriture de la mémoire non volatile du module est limité. Passé cette limite plus rien ne garantit que la sauvegarde des réglages se passera correctement. Cette limite, liée à la technologie employée par le micro-processeur du module se situe aux alentour de 100000 cycles. Pour résumer vous ne pouvez employer la fonction saveToFlash() que 100000 fois au cours de la vie du module. Veillez donc à ne pas appeler cette fonction depuis l'intérieur d'une boucle.
Obtenir la liste des modules connectés se fait à l'aide de la fonction yFirstModule() qui renvoie le premier module trouvé, il suffit ensuite d'appeler la fonction nextModule() de cet objet pour trouver les modules suivants, et ce tant que la réponse n'est pas un Nothing. Ci-dessous un petit exemple listant les module connectés
Lorsque vous implémentez un programme qui doit interagir avec des modules USB, vous ne pouvez pas faire abstraction de la gestion des erreurs. Il y aura forcément une occasion où un utilisateur aura débranché le périphérique, soit avant de lancer le programme, soit même en pleine opération. La librairie Yoctopuce est prévue pour vous aider à supporter ce genre de comportements, mais votre code doit néanmoins être fait pour se comporter au mieux pour interpréter les erreurs signalées par la librairie.
La manière la plus simple de contourner le problème est celle que nous avons employé pour les petits exemples précédents de ce chapitre: avant d'accéder à un module, on vérifie qu'il est en ligne avec la méthode isOnline() et on suppose ensuite qu'il va y rester pendant la fraction de seconde nécessaire à exécuter les lignes de code suivantes. Ce n'est pas parfait, mais ça peut suffire dans certains cas. Il faut toutefois être conscient qu'on ne peut pas totalement exclure une erreur se produisant après le isOnline(), qui pourrait faire planter le programme. La seule manière de l'éviter est d'implémenter une des deux techniques de gestion des erreurs décrites ci-dessous.
La méthode recommandée par la plupart des langages de programmation pour la gestion des erreurs imprévisibles est l'utilisation d'exceptions. C'est le comportement par défaut de la librairie Yoctopuce. Si une erreur se produit alors qu'on essaie d'accéder à un module, la librairie va lancer une exception. Dans ce cas, de trois choses l'une:
Comme cette dernière situation n'est pas la plus souhaitable, la librairie Yoctopuce offre une autre alternative pour la gestion des erreurs, permettant de faire un programme robuste sans devoir attraper les exceptions à chaque ligne de code. Il suffit d'appeler la fonction YAPI.DisableExceptions() pour commuter la librairie dans un mode où les exceptions de chaque fonction sont systématiquement remplacées par des valeurs de retour particulières, qui peuvent être testées par l'appelant lorsque c'est pertinent. Le nom de la valeur de retour en cas d'erreur pour chaque fonction est systématiquement documenté dans la référence de la librairie. Il suit toujours la même logique: une méthode get_state() retournera une valeur NomDeClasse.STATE_INVALID, une méthode get_currentValue retournera une valeur NomDeClasse.CURRENTVALUE_INVALID, etc. Dans tous les cas, la valeur retournée sera du type attendu, et ne sera pas un pointeur nul qui risquerait de faire crasher votre programme. Au pire, si vous affichez la valeur sans la tester, elle sera hors du cadre attendu pour la valeur retournée. Dans le cas de fonctions qui ne retournent à priori pas d'information, la valeur de retour sera YAPI.SUCCESS si tout va bien, et un code d'erreur différent en cas d'échec.
Quand vous travaillez sans les exceptions, il est possible d'obtenir un code d'erreur et un message expliquant l'origine de l'erreur en le demandant à l'objet qui a retourné une erreur à l'aide des méthodes errType() et errMessage(). Ce sont les même informations qui auraient été associées à l'exception si elles avaient été actives.
Delphi est l'héritier de Turbo-Pascal. A l'origine, Delphi était produit par Borland, mais c'est maintenant Embarcadero qui l'édite. Sa force réside dans sa facilité d'utilisation, il permet à quiconque ayant des notions de Pascal de programmer une application Windows en deux temps trois mouvements. Son seul défaut est d'être payant47.
Lazarus48 est un IDE gratuit basé sur Free-Pascal qui n'a pas grand chose à envier à Delphi. Il a aussi l'avantage d'exister pour Windows et Linux. La librairie Yoctopuce pour Delphi est compatible avec Lazarus tant sous Windows que Linux.
Les librairies pour Delphi / Lazarus sont fournies non pas sous forme de composants VCL, mais directement sous forme de fichiers source. Ces fichiers sont compatibles avec la plupart des versions de Delphi / Lazarus 49.
Connectez-vous sur le site de Yoctopuce et téléchargez la la librairie Yoctopuce pour Delphi50. Décompressez le tout dans le répertoire de votre choix.
Sous Windows, la librairie Delphi / Lazarus utilise deux DLL: yapi.dll pour exécutables 32bits et yapi64.dll pour les exécutable 64bits. Toutes les applications que vous créerez avec Delphi ou Lazarus devront avoir accès à ces DLL. Le plus simple est de faire en sorte qu'elles soient présentes dans le même répertoire que l'exécutable de votre application. Vous trouverez ces DLL dans le répertoire sources/dll.
Sous Linux, la librairie Delphi / Lazarus utilise les librairies suivantes:
Vous trouverez ces fichiers lib dans le répertoire sources/dll. Vous devez faire en sorte que :
La solution la plus simple pour remplir ces conditions consiste à copier ces quatre fichiers dans le répertoire /usr/lib. Une autre solution consiste à les copier dans le même répertoire que votre code source et à ajuster votre variable d'environnement LD_LIBRARY_PATHen conséquence.
Afin de les garder simples, tous les exemples fournis dans cette documentation sont des applications consoles. Il va de soit que le fonctionnement des librairies est strictement identique avec des applications fenêtrées.
Notez que la plupart de ces exemples utilisent des paramètres passés sur le ligne de commande53.
Vous allez rapidement vous rendre compte que l'API Delphi définit beaucoup de fonctions qui retournent des objets. Vous ne devez jamais désallouer ces objets vous-même. Ils seront désalloués automatiquement par l'API à la fin de l'application.
Il suffit de quelques lignes de code pour piloter un Yocto-IO-V2-C. Voici le squelette d'un fragment de code Delphi qui utilise la fonction DigitalIO.
Voyons maintenant en détail ce que font ces quelques lignes.
Ces deux unités permettent d'avoir accès aux fonctions permettant de gérer les modules Yoctopuce. yocto_api doit toujours être utilisé, yocto_digitalio est nécessaire pour gérer les modules contenant un port d'E/S digital, comme le Yocto-IO-V2-C.
La fonction yRegisterHub initialise l'API de Yoctopuce en indiquant où les modules doivent être recherchés. Utilisée avec le paramètre 'usb', elle permet de travailler avec les modules connectés localement à la machine. Si l'initialisation se passe mal, cette fonction renverra une valeur différente de YAPI_SUCCESS, et retournera via le paramètre errmsg un explication du problème.
La fonction yFindDigitalIO permet de retrouver un port d'E/S digital en fonction du numéro de série de son module hôte et de son nom de fonction. Mais vous pouvez tout aussi bien utiliser des noms logiques que vous auriez préalablement configurés. Imaginons un module Yocto-IO-V2-C avec le numéros de série YMNIIO2C-123456 que vous auriez appelé "MonModule" et dont vous auriez nommé la fonction digitalIO "MaFonction", les cinq appels suivants seront strictement équivalents (pour autant que MaFonction ne soit définie qu'une fois, pour éviter toute ambiguïté):
yFindDigitalIO renvoie un objet que vous pouvez ensuite utiliser à loisir pour contrôler le port d'E/S digital.
La méthode isOnline() de l'objet renvoyé par yFindDigitalIO permet de savoir si le module correspondant est présent et en état de marche.
La méthode set_portState() de l'objet renvoyé par yFindDigitalIO permet d'affecter chacune des sorties en une seule fois. Le paramètre est un entier représentant un bitmap: Bit 0 pour la première sortie, bit 1 pour la deuxième, etc..
Lancez votre environnement Delphi, copiez la DLL yapi.dll dans un répertoire et créez une nouvelle application console dans ce même répertoire, et copiez-coller le code ci dessous.
Vous reconnaîtrez dans cet exemple l'utilisation des fonctions expliquées ci-dessus, cette fois utilisées avec le décorum nécessaire à en faire un petit programme d'exemple concret.
Chaque module peut-être contrôlé d'une manière similaire, vous trouverez ci dessous un simple programme d'exemple affichant les principaux paramètres d'un module et permettant d'activer la balise de localisation.
Chaque propriété xxx du module peut être lue grâce à une méthode du type get_xxxx(), et les propriétés qui se sont pas en lecture seule peuvent être modifiées à l'aide de la méthode set_xxx() Pour plus de détails concernant ces fonctions utilisées, reportez-vous aux chapitre API
Lorsque que vous souhaitez modifier les réglages d'un module, il suffit d'appeler la fonction set_xxx() correspondante, cependant cette modification n'a lieu que dans la mémoire vive du module: si le module redémarre, les modifications seront perdues. Pour qu'elle soient mémorisées de manière persistante, il est nécessaire de demander au module de sauvegarder sa configuration courante dans sa mémoire non volatile. Pour cela il faut utiliser la méthode saveToFlash(). Inversement il est possible de forcer le module à oublier ses réglages courants en utilisant la méthode revertFromFlash(). Ce petit exemple ci-dessous vous permet changer le nom logique d'un module.
Attention, le nombre de cycles d'écriture de la mémoire non volatile du module est limité. Passé cette limite plus rien ne garantit que la sauvegarde des réglages se passera correctement. Cette limite, liée à la technologie employée par le micro-processeur du module se situe aux alentour de 100000 cycles. Pour résumer vous ne pouvez employer la fonction saveToFlash() que 100000 fois au cours de la vie du module. Veillez donc à ne pas appeler cette fonction depuis l'intérieur d'une boucle.
Obtenir la liste des modules connectés se fait à l'aide de la fonction yFirstModule() qui renvoie le premier module trouvé, il suffit ensuite d'appeler la fonction nextModule() de cet objet pour trouver les modules suivants, et ce tant que la réponse n'est pas un nil. Ci-dessous un petit exemple listant les module connectés
Lorsque vous implémentez un programme qui doit interagir avec des modules USB, vous ne pouvez pas faire abstraction de la gestion des erreurs. Il y aura forcément une occasion où un utilisateur aura débranché le périphérique, soit avant de lancer le programme, soit même en pleine opération. La librairie Yoctopuce est prévue pour vous aider à supporter ce genre de comportements, mais votre code doit néanmoins être fait pour se comporter au mieux pour interpréter les erreurs signalées par la librairie.
La manière la plus simple de contourner le problème est celle que nous avons employé pour les petits exemples précédents de ce chapitre: avant d'accéder à un module, on vérifie qu'il est en ligne avec la méthode isOnline() et on suppose ensuite qu'il va y rester pendant la fraction de seconde nécessaire à exécuter les lignes de code suivantes. Ce n'est pas parfait, mais ça peut suffire dans certains cas. Il faut toutefois être conscient qu'on ne peut pas totalement exclure une erreur se produisant après le isOnline(), qui pourrait faire planter le programme. La seule manière de l'éviter est d'implémenter une des deux techniques de gestion des erreurs décrites ci-dessous.
La méthode recommandée par la plupart des langages de programmation pour la gestion des erreurs imprévisibles est l'utilisation d'exceptions. C'est le comportement par défaut de la librairie Yoctopuce. Si une erreur se produit alors qu'on essaie d'accéder à un module, la librairie va lancer une exception. Dans ce cas, de trois choses l'une:
Comme cette dernière situation n'est pas la plus souhaitable, la librairie Yoctopuce offre une autre alternative pour la gestion des erreurs, permettant de faire un programme robuste sans devoir attraper les exceptions à chaque ligne de code. Il suffit d'appeler la fonction YAPI.DisableExceptions() pour commuter la librairie dans un mode où les exceptions de chaque fonction sont systématiquement remplacées par des valeurs de retour particulières, qui peuvent être testées par l'appelant lorsque c'est pertinent. Le nom de la valeur de retour en cas d'erreur pour chaque fonction est systématiquement documenté dans la référence de la librairie. Il suit toujours la même logique: une méthode get_state() retournera une valeur NomDeClasse.STATE_INVALID, une méthode get_currentValue retournera une valeur NomDeClasse.CURRENTVALUE_INVALID, etc. Dans tous les cas, la valeur retournée sera du type attendu, et ne sera pas un pointeur nul qui risquerait de faire crasher votre programme. Au pire, si vous affichez la valeur sans la tester, elle sera hors du cadre attendu pour la valeur retournée. Dans le cas de fonctions qui ne retournent à priori pas d'information, la valeur de retour sera YAPI.SUCCESS si tout va bien, et un code d'erreur différent en cas d'échec.
Quand vous travaillez sans les exceptions, il est possible d'obtenir un code d'erreur et un message expliquant l'origine de l'erreur en le demandant à l'objet qui a retourné une erreur à l'aide des méthodes errType() et errMessage(). Ce sont les même informations qui auraient été associées à l'exception si elles avaient été actives.
Universal Windows Platform, abrégé UWP, est n'est pas un langage à proprememt parler mais une plate-forme logicielle créée par Micorosft. Cette platform permet d'executer un nouveau type d'applications : les application universelle Windows. Ces applicaiton peuvent fonctionner sur toutes les machines qui fonctione sous Windows 10. Cela comprend les PCs, les tablettes, les smartphones, la XBox One, mais aussi Windows IoT Core.
La librairie Yoctopuce UWP permet d'utiliser les modules Yoctopuce dans une application universelle Winodws et est entièrement écrite C#. Elle peut être ajoutée a un projet Visual Studio 201754.
La librairie Universal Windows Platform n'utilise pas l'API win32 mais uniquement l'API Windows Runtime qui est disponible sur toutes les versions de Windows 10 et pour n'importe quelle architecture. Grâce à cela la librairie UWP peut être utilisé sur toutes les versions de Windows 10, y compris Windows 10 IoT Core.
Cependant, l'utilisation des nouvelles API UWP n'est pas sans conséquence: l'API Windows Runtime pour accéder aux ports USB est asynchrone, et par conséquent la librairie Yoctopuce doit aussi être asynchrone. Concrètement les méthodes asynchrones ne retournent pas directement le résultat mais un objet Task ou Task<> et le résultat peut être obtenu plus tard. Fort heureusement, le langage C# version 6 supporte les mots-clefs async et await qui simplifie beaucoup l'utilisation de ces fonctions. Il est ainsi possible d'utiliser les fonctions asynchrones de la même manière que les fonctions traditionnelles pour autant que les deux règles suivantes soient respectées:
Notre librairie suit ces deux règles et peut donc d’utiliser la notation await.
Pour ne pas devoir vous poser la question pour chaque méthode de savoir si elle est asynchrone ou pas, la convention est la suivante: toutes les méthodes publiques de la librairie UWP sont asyncrones, c'est-à-dire qui faut les appeler en ajoutant le mot clef await, sauf:
Téléchargez la librairie Yoctopuce pour Universal Windows Platform depuis le site web de Yoctopuce 55. Il n'y a pas de programme d'installation, copiez simplement de contenu du fichier zip dans le répertoire de votre choix. Vous avez besoin essentiellement du contenu du répertoire Sources. Les autres répertoires contiennent la documentation et quelques programmes d'exemple. Les projets d'exemple sont des projets Visual Studio 2017 qui est disponible sur le site de Microsoft 56.
Commencez par créer votre projet , puis depuis le panneau Explorateur de solutions effectuez un clic droit sur votre projet, et choisissez Ajouter puis Élément existant .
Une fenêtre de sélection de fichiers apparaît: sélectionnez tous les fichiers du répertoire Sources de la librairie.
Vous avez alors le choix entre simplement ajouter ces fichiers à votre projet, ou les ajouter en tant que lien (le bouton Ajouter est en fait un menu déroulant). Dans le premier cas, Visual Studio va copier les fichiers choisis dans votre projet, dans le second Visual Studio va simplement garder un lien sur les fichiers originaux. Il est recommandé d'utiliser des liens, une éventuelle mise à jour de la librairie sera ainsi beaucoup plus facile.
Par défaut, une application Universal Windows n'a pas le droit d’accéder aux ports USB. Si l'on désire accéder à un périphérique USB, il faut impérativement le déclarer dans le fichier Package.appxmanifest.
Malheureusement, la fenêtre d'édition de ce fichier ne permet pas cette opération et il faut modifier le fichier Package.appxmanifest à la main. Dans le panneau "Solutions Explorer", faites un clic droit sur le fichier Package.appxmanifest et sélectionner "View Code".
Dans ce fichier XML, il faut rajouter un nœud DeviceCapability dans le nœud Capabilities. Ce nœud doit avoir un attribut "Name" qui vaut "humaninterfacedevice".
A l’intérieur de ce nœud, il faut déclarer tous les modules qui peuvent être utilisés. Concrètement, pour chaque module, il faut ajouter un nœud "Device" avec un attribut "Id" dont la valeur est une chaîne de caractères "vidpid:USB_VENDORID USB_DEVICE_ID". Le USB_VENDORID de Yoctopuce est 24e0 et le USB_DEVICE_ID de chaque module Yoctopuce peut être trouvé dans la documentation dans la section "Caractéristiques". Pour finir, le nœud "Device" doit contenir un nœud "Function" avec l'attribut "Type" dont la valeur est "usage:ff00 0001".
Pour le Yocto-IO-V2-C voici ce qu'il faut ajouter dans le nœud "Capabilities":
Malheureusement, il n'est pas possible d'écrire un règle qui autorise tous les modules Yoctopuce, par conséquent il faut impérativement ajouter chaque module que l'on désire utiliser.
Il suffit de quelques lignes de code pour piloter un Yocto-IO-V2-C. Voici le squelette d'un fragment de code c# qui utilise la fonction DigitalIO.
Voyons maintenant en détail ce que font ces quelques lignes.
La fonction YAPI.RegisterHub initialise l'API de Yoctopuce en indiquant où les modules doivent être recherchés. Le paramètre est l'adresse du virtual hub capable de voir les modules. Si l'on passe la chaîne de caractère "usb", l'API va travailler avec les modules connectés localement à la machine. Si l'initialisation se passe mal, une exception sera générée.
La fonction YDigitalIO.FindDigitalIO permet de retrouver un port d'E/S digital en fonction du numéro de série de son module hôte et de son nom de fonction. Mais vous pouvez tout aussi bien utiliser des noms logiques que vous auriez préalablement configurés. Imaginons un module Yocto-IO-V2-C avec le numéros de série YMNIIO2C-123456 que vous auriez appelé "MonModule" et dont vous auriez nommé la fonction digitalIO "MaFonction", les cinq appels suivants seront strictement équivalents (pour autant que MaFonction ne soit définie qu'une fois, pour éviter toute ambiguïté):
YDigitalIO.FindDigitalIO renvoie un objet que vous pouvez ensuite utiliser à loisir pour contrôler le port d'E/S digital.
La méthode isOnline() de l'objet renvoyé par YDigitalIO.FindDigitalIO permet de savoir si le module correspondant est présent et en état de marche.
La méthode set_portState() de l'objet renvoyé par YDigitalIO.FindDigitalIO permet d'affecter chacune des sorties en une seule fois. Le paramètre est un entier représentant un bitmap: Bit 0 pour la première sortie, Bit 1 pour la deuxième, etc..
Lancez Visual Studio et ouvrez le projet correspondant, fourni dans le répertoire Examples/Doc-GettingStarted-Yocto-IO-V2-C de la librairie Yoctopuce.
Le projets Visual Studio contient de nombreux fichiers dont la plupart ne sont pas liés à l'utilisation de la librairie Yoctopuce. Pour simplifier la lecture du code nous avons regroupé tout le code qui utilise la librairie dans la classe Demo qui se trouve dans le fichier demo.cs. Les propriétés de cette classe correspondent aux différentes champs qui sont affichés à l'écran, et la méthode Run() contient le code qui est exécuté quand le bouton "Start" est pressé.
Vous reconnaîtrez dans cet exemple l'utilisation des fonctions expliquées ci-dessus, cette fois utilisées avec le décorum nécessaire à en faire un petit programme d'exemple concret.
Chaque module peut-être contrôlé d'une manière similaire, vous trouverez ci-dessous un simple programme d'exemple affichant les principaux paramètres d'un module et permettant d'activer la balise de localisation.
Chaque propriété xxx du module peut être lue grâce à une méthode du type YModule.get_xxxx(), et les propriétés qui se sont pas en lecture seule peuvent être modifiées à l'aide de la méthode YModule.set_xxx() Pour plus de détails concernant ces fonctions utilisées, reportez-vous aux chapitre API
Lorsque que vous souhaitez modifier les réglages d'un module, il suffit d'appeler la fonction YModule.set_xxx() correspondante, cependant cette modification n'a lieu que dans la mémoire vive du module: si le module redémarre, les modifications seront perdues. Pour qu'elle soient mémorisées de manière persistante, il est nécessaire de demander au module de sauvegarder sa configuration courante dans sa mémoire non volatile. Pour cela il faut utiliser la méthode YModule.saveToFlash(). Inversement il est possible de forcer le module à oublier ses réglages courants en utilisant la méthode YModule.revertFromFlash(). Ce petit exemple ci-dessous vous permet changer le nom logique d'un module.
Attention, le nombre de cycles d'écriture de la mémoire non volatile du module est limité. Passé cette limite plus rien ne garantit que la sauvegarde des réglages se passera correctement. Cette limite, liée à la technologie employée par le micro-processeur du module se situe aux alentour de 100000 cycles. Pour résumer vous ne pouvez employer la fonction YModule.saveToFlash() que 100000 fois au cours de la vie du module. Veillez donc à ne pas appeler cette fonction depuis l'intérieur d'une boucle.
Obtenir la liste des modules connectés se fait à l'aide de la fonction YModule.yFirstModule() qui renvoie le premier module trouvé, il suffit ensuite d'appeler la méthode nextModule() de cet objet pour trouver les modules suivants, et ce tant que la réponse n'est pas un null. Ci-dessous un petit exemple listant les module connectés
Lorsque vous implémentez un programme qui doit interagir avec des modules USB, vous ne pouvez pas faire abstraction de la gestion des erreurs. Il y aura forcément une occasion où un utilisateur aura débranché le périphérique, soit avant de lancer le programme, soit même en pleine opération. La librairie Yoctopuce est prévue pour vous aider à supporter ce genre de comportements, mais votre code doit néanmoins être fait pour se comporter au mieux pour interpréter les erreurs signalées par la librairie.
La manière la plus simple de contourner le problème est celle que nous avons employé pour les petits exemples précédents de ce chapitre: avant d'accéder à un module, on vérifie qu'il est en ligne avec la méthode isOnline() et on suppose ensuite qu'il va y rester pendant la fraction de seconde nécessaire à exécuter les lignes de code suivantes. Ce n'est pas parfait, mais ça peut suffire dans certains cas. Il faut toutefois être conscient qu'on ne peut pas totalement exclure une erreur se produisant après le isOnline(), qui pourrait faire planter le programme.
Dans la librairie Universal Windows Platform, le traitement d'erreur est implémenté au moyen d'exceptions. Vous devrez donc intercepter et traiter correctement ces exceptions si vous souhaitez avoir un projet fiable qui ne crashera pas des que vous débrancherez un module.
Les exceptions lancées de la librairie sont toujours de type YAPI_Exception, ce qui permet facilement de les séparer des autres exceptions dans un bloc try{...} catch{...}.
Exemple:
Objective-C est le langage de prédilection pour programmer sous macOS, en raison de son intégration avec le générateur d'interfaces Cocoa. Yoctopuce supporte les versions de XCode supportées par Apple. La librairie Yoctopuce est compatible ARC. Il vous sera donc possible de coder vos projet soit en utilisant la traditionnelle méthode de retain / release, soit en activant l'Automatic Reference Counting.
Les librairies Yoctopuce57 pour Objective-C vous sont fournies au format source dans leur intégralité. Une partie de la librairie de bas-niveau est écrite en C pur sucre, mais vous n'aurez à priori pas besoin d'interagir directement avec elle: tout a été fait pour que l'interaction soit le plus simple possible depuis Objective-C.
Vous allez rapidement vous rendre compte que l'API Objective-C définit beaucoup de fonctions qui retournent des objets. Vous ne devez jamais désallouer ces objets vous-même. Ils seront désalloués automatiquement par l'API à la fin de l'application.
Afin des les garder simples, tous les exemples fournis dans cette documentation sont des applications consoles. Il va de soit que que les fonctionnement des librairies est strictement identiques si vous les intégrez dans une application dotée d'une interface graphique. Vous trouverez sur le blog de Yoctopuce un exemple détaillé58 avec des séquences vidéo montrant comment intégrer les fichiers de la librairie à vos projets.
Il suffit de quelques lignes de code pour piloter un Yocto-IO-V2-C. Voici le squelette d'un fragment de code Objective-C qui utilise la fonction DigitalIO.
Voyons maintenant en détail ce que font ces quelques lignes.
Ces deux fichiers importés permettent d'avoir accès aux fonctions permettant de gérer les modules Yoctopuce. yocto_api.h doit toujours être utilisé, yocto_digitalio.h est nécessaire pour gérer les modules contenant un port d'E/S digital, comme le Yocto-IO-V2-C.
La fonction [YAPI RegisterHub] initialise l'API de Yoctopuce en indiquant où les modules doivent être recherchés. Utilisée avec le paramètre @"usb", elle permet de travailler avec les modules connectés localement à la machine. Si l'initialisation se passe mal, cette fonction renverra une valeur différente de YAPI_SUCCESS, et retournera via le paramètre errmsg un explication du problème.
La fonction [DigitalIO FindDigitalIO], permet de retrouver un port d'E/S digital en fonction du numéro de série de son module hôte et de son nom de fonction. Mais vous pouvez tout aussi bien utiliser des noms logiques que vous auriez préalablement configurés. Imaginons un module Yocto-IO-V2-C avec le numéros de série YMNIIO2C-123456 que vous auriez appelé "MonModule" et dont vous auriez nommé la fonction digitalIO "MaFonction", les cinq appels suivants seront strictement équivalents (pour autant que MaFonction ne soit définie qu'une fois, pour éviter toute ambiguïté):
[YDigitalIO FindDigitalIO] renvoie un objet que vous pouvez ensuite utiliser à loisir pour contrôler le port d'E/S digital.
La méthode isOnline de l'objet renvoyé par [YDigitalIO FindDigitalIO] permet de savoir si le module correspondant est présent et en état de marche.
La méthode set_portState() de l'objet renvoyé par YDigitalIO.FindDigitalIO permet d'affecter chacune des sorties en une seule fois. Le paramètre est un entier représentant un bitmap: Bit 0 pour la première sortie, Bit 1 pour la deuxième, etc..
Lancez Xcode 4.2 et ouvrez le projet exemple correspondant, fourni dans le répertoire Examples/Doc-GettingStarted-Yocto-IO-V2-C de la librairie Yoctopuce.
Vous reconnaîtrez dans cet exemple l'utilisation des fonctions expliquées ci-dessus, cette fois utilisées avec le décorum nécessaire à en faire un petit programme d'exemple concret.
Chaque module peut-être contrôlé d'une manière similaire, vous trouverez ci dessous un simple programme d'exemple affichant les principaux paramètres d'un module et permettant d'activer la balise de localisation.
Chaque propriété xxx du module peut être lue grâce à une méthode du type get_xxxx, et les propriétés qui se sont pas en lecture seule peuvent être modifiées à l'aide de la méthode set_xxx: Pour plus de détails concernant ces fonctions utilisées, reportez-vous aux chapitre API
Lorsque que vous souhaitez modifier les réglages d'un module, il suffit d'appeler la fonction set_xxx: correspondante, cependant cette modification n'a lieu que dans la mémoire vive du module: si le module redémarre, les modifications seront perdues. Pour qu'elle soient mémorisées de manière persistante, il est nécessaire de demander au module de sauvegarder sa configuration courante dans sa mémoire non volatile. Pour cela il faut utiliser la méthode saveToFlash. Inversement il est possible de forcer le module à oublier ses réglages courants en utilisant la méthode revertFromFlash. Ce petit exemple ci-dessous vous permet changer le nom logique d'un module.
Attention, le nombre de cycles d'écriture de la mémoire non volatile du module est limité. Passé cette limite plus rien ne garantit que la sauvegarde des réglages se passera correctement. Cette limite, liée à la technologie employée par le micro-processeur du module se situe aux alentour de 100000 cycles. Pour résumer vous ne pouvez employer la fonction saveToFlash que 100000 fois au cours de la vie du module. Veillez donc à ne pas appeler cette fonction depuis l'intérieur d'une boucle.
Obtenir la liste des modules connectés se fait à l'aide de la fonction yFirstModule() qui renvoie le premier module trouvé, il suffit ensuite d'appeler la fonction nextModule() de cet objet pour trouver les modules suivants, et ce tant que la réponse n'est pas un NULL. Ci-dessous un petit exemple listant les module connectés
Lorsque vous implémentez un programme qui doit interagir avec des modules USB, vous ne pouvez pas faire abstraction de la gestion des erreurs. Il y aura forcément une occasion où un utilisateur aura débranché le périphérique, soit avant de lancer le programme, soit même en pleine opération. La librairie Yoctopuce est prévue pour vous aider à supporter ce genre de comportements, mais votre code doit néanmoins être fait pour se comporter au mieux pour interpréter les erreurs signalées par la librairie.
La manière la plus simple de contourner le problème est celle que nous avons employé pour les petits exemples précédents de ce chapitre: avant d'accéder à un module, on vérifie qu'il est en ligne avec la méthode isOnline() et on suppose ensuite qu'il va y rester pendant la fraction de seconde nécessaire à exécuter les lignes de code suivantes. Ce n'est pas parfait, mais ça peut suffire dans certains cas. Il faut toutefois être conscient qu'on ne peut pas totalement exclure une erreur se produisant après le isOnline(), qui pourrait faire planter le programme. La seule manière de l'éviter est d'implémenter une des deux techniques de gestion des erreurs décrites ci-dessous.
La méthode recommandée par la plupart des langages de programmation pour la gestion des erreurs imprévisibles est l'utilisation d'exceptions. C'est le comportement par défaut de la librairie Yoctopuce. Si une erreur se produit alors qu'on essaie d'accéder à un module, la librairie va lancer une exception. Dans ce cas, de trois choses l'une:
Comme cette dernière situation n'est pas la plus souhaitable, la librairie Yoctopuce offre une autre alternative pour la gestion des erreurs, permettant de faire un programme robuste sans devoir attraper les exceptions à chaque ligne de code. Il suffit d'appeler la fonction YAPI.DisableExceptions() pour commuter la librairie dans un mode où les exceptions de chaque fonction sont systématiquement remplacées par des valeurs de retour particulières, qui peuvent être testées par l'appelant lorsque c'est pertinent. Le nom de la valeur de retour en cas d'erreur pour chaque fonction est systématiquement documenté dans la référence de la librairie. Il suit toujours la même logique: une méthode get_state() retournera une valeur NomDeClasse.STATE_INVALID, une méthode get_currentValue retournera une valeur NomDeClasse.CURRENTVALUE_INVALID, etc. Dans tous les cas, la valeur retournée sera du type attendu, et ne sera pas un pointeur nul qui risquerait de faire crasher votre programme. Au pire, si vous affichez la valeur sans la tester, elle sera hors du cadre attendu pour la valeur retournée. Dans le cas de fonctions qui ne retournent à priori pas d'information, la valeur de retour sera YAPI.SUCCESS si tout va bien, et un code d'erreur différent en cas d'échec.
Quand vous travaillez sans les exceptions, il est possible d'obtenir un code d'erreur et un message expliquant l'origine de l'erreur en le demandant à l'objet qui a retourné une erreur à l'aide des méthodes errType() et errMessage(). Ce sont les même informations qui auraient été associées à l'exception si elles avaient été actives.
Les modules Yoctopuce peuvent être contrôlés depuis la plupart des langages de programmation courants. De nouveaux langages sont ajoutés régulièrement en fonction de l'intérêt exprimé par les utilisateurs de produits Yoctopuce. Cependant, certains langages ne sont pas et ne seront jamais supportés par Yoctopuce, les raisons peuvent être diverses: compilateurs plus disponibles, environnements inadaptés, etc...
Il existe cependant des méthodes alternatives pour accéder à des modules Yoctopuce depuis un langage de programmation non supporté.
Le moyen le plus simple pour contrôler des modules Yoctopuce depuis un langage non supporté consiste à utiliser l'API en ligne de commande à travers des appels système. L'API en ligne de commande se présente en effet sous la forme d'un ensemble de petits exécutables qu'il est facile d'appeler et dont la sortie est facile à analyser. La plupart des langages de programmation permettant d'effectuer des appels système, cela permet de résoudre le problème en quelques lignes.
Cependant, si l'API en ligne de commande est la solution la plus facile, ce n'est pas la plus rapide ni la plus efficace. A chaque appel, l'exécutable devra initialiser sa propre API et faire l'inventaire des modules USB connectés. Il faut compter environ une seconde par appel.
Un Assembly .NET permet de partager un ensemble de classes précompilées pour offrir un service, en annonçant des points d'entrées qui peuvent être utilisés par des applications tierces. Dans notre cas, c'est toute la librairie Yoctopuce qui est disponible dans l'Assembly .NET, de sorte à pouvoir être utilisée dans n'importe quel environnement qui supporte le chargement dynamique d'Assembly .NET.
La librairie Yoctopuce sous forme d'Assembly .NET ne contient pas uniquement la librairie Yoctopuce standard pour C#, car cela n'aurait pas permis une utilisation optimale dans tous les environnements. En effet, on ne peut pas attendre forcément des applications hôtes d'offrir un système de threads ou de callbacks, pourtant très utiles pour la gestion du plug-and-play et des capteurs à taux de rafraîchissements élevé. De même, on ne peut pas attendre des applications externes un comportement transparent dans le cas où un appel de fonction dans l'Assembly cause un délai en raison de communication réseau.
Nous y avons donc ajouté une surcouche, appelée librairie .NET Proxy. Cette surcouche offre une interface très similaire à la librairie standard mais un peu simplifiée, car elle gère en interne tous les mécanismes de callbacks. A la place, cette librairie offre des objets miroirs, appelés Proxys, qui publient par le biais de Propriétés les principaux attributs des fonctions Yoctopuce tels que la mesure courante, les paramètres de configuration, l'état, etc.

Architecture de l'Assembly .NET
Les propriétés des objets Proxys sont automatiquement mises à jour en tâche de fond par le mécanisme de callbacks, sans que l'application hôte n'ait à s'en soucier. Celle-ci peut donc à tout moment et sans aucun risque de latence afficher la valeur de toutes les propriétés des objets Proxys Yoctopuce.
Notez bien que la librairie de communication de bas niveau yapi.dll n'est pas inclue dans l'Assembly .NET. Il faut donc bien penser à la garder toujours avec DotNetProxyLibrary.dll. La version 32 bits doit être dans le même répertoire que DotNetProxyLibrary.dll, tandis que la version 64 bits doit être dans un sous-répertoire nommé amd64.
Voici comment charger notre Assembly .NET Proxy dans MATLAB et lire la valeur du premier capteur branché par USB trouvé sur la machine :
Les commandes en PowerShell sont un peu plus étranges, mais on reconnaît le même schéma :
Par rapport aux librairies Yoctopuce classiques, on notera en particulier les différences suivantes.
Pour obtenir un objet se référant au premier module trouvé, on appelle un YModuleProxy.FindModule(""). Si aucun module n'est connecté, cette méthode retournera un objet avec la propriété module.IsOnline à False. Dès le branchement d'un module, la propriété passera à True et l'identifiant matériel du module sera mis à jour.
Pour énumérer les modules, on peut appeler la méthode module.GetSimilarFunctions() qui retourne un tableau de chaînes de caractères contenant les identifiants de tous les module trouvés.
Les fonctions de callback sont implémentées en interne et mettent à jour les propriétés des objets. Vous pouvez donc simplement faire du polling sur les propriétés, sans pénalité significative de performance. Prenez garde au fait que si vous utilisez l'une des méthodes qui désactive les callbacks, le rafraichissement automatique des propriétés des objets en sera altéré.
Une nouvelle méthode YAPIProxy.GetLog permet de récupérer les logs de diagnostiques de bas niveau sans recourir à l'utilisation de callbacks.
Pour maximiser la compatibilité avec les applications hôte, la librairie .NET Proxy n'utilise pas de véritables types énumérés .NET, mais des simples entiers. Pour chaque type énuméré, la librairie publie des constantes entières nommées correspondant aux valeurs possibles. Contrairement aux librairies Yoctopuce classiques, les valeurs utiles commencent toujours à 1, la valeur 0 étant réservée pour signifier une valeur invalide, par exemple lorsque le module est débranché.
Pour toutes les grandeurs numériques, plutôt qu'une constante arbitraire, la valeur invalide retournée en cas d'erreur est NaN. Il faut donc utiliser la fonction isNaN() pour détecter cette valeur.
Si pour une raison ou une autre vous ne désirez pas utiliser la librairie Proxy, et que votre environnement le permet, vous pouvez utiliser l'API C# standard puisqu'elle se trouve dans l'Assembly, sous le namespace YoctoLib. Attention toutefois à ne pas mélanger les deux utilisations: soit vous passez par la librairie Proxy, soit vous utilisez directement la version YoctoLib, mais pas les deux !
Pour que la librairie .NET Proxy fonctionne correctement avec vos modules Yoctopuce, ces derniers doivent avoir au moins le firmware 37120.
Afin d'être compatible avec un maximum de version de Windows, y compris Windows XP, la librairie DotNetProxyLibrary.dll est compilée en .NET 3.5, qui est disponible par défaut sur toutes les versions de Windows depuis XP. A ce jour nous n'avons pas trouvé d'environnement hormis Windows qui supporte le chargement d'Assemblys, donc seules les dll de bas niveau pour Windows sont distribuées avec l'Assembly.
Le Virtual Hub est disponible pour presque toutes les plateformes actuelles, il sert généralement de passerelle pour permettre l'accès aux modules Yoctopuce depuis des langages qui interdisent l'accès direct aux couches matérielles d'un ordinateur (Javascript, PHP, Java...).
Il se trouve que le Virtual Hub est en fait un petit serveur Web qui est capable de router des requêtes HTTP vers les modules Yoctopuce. Ce qui signifie que si vous pouvez faire une requête HTTP depuis votre langage de programmation, vous pouvez contrôler des modules Yoctopuce, même si ce langage n'est pas officiellement supporté.
A bas niveau, les modules sont pilotés à l'aide d'une API REST. Ainsi pour contrôler un module, il suffit de faire les requêtes HTTP appropriées sur le Virtual Hub. Par défaut le port HTTP du Virtual Hub est 4444.
Un des gros avantages de cette technique est que les tests préliminaires sont très faciles à mettre en œuvre, il suffit d'un Virtual Hub et d'un simple browser Web. Ainsi, si vous copiez l'URL suivante dans votre browser favori, alors que le Virtual Hub est en train de tourner, vous obtiendrez la liste des modules présents.
Remarquez que le résultat est présenté sous forme texte, mais en demandant whitePages.xml vous auriez obtenu le résultat en XML. De même, whitePages.json aurait permis d'obtenir le résultat en JSON. L'extension html vous permet même d'afficher une interface sommaire vous permettant de changer les valeurs en direct. Toute l'API REST est disponible dans ces différents formats.
Chaque module Yoctopuce a sa propre interface REST disponible sous différentes formes. Imaginons un Yocto-IO-V2-C avec le numéro de de série YMNIIO2C-12345 et le nom logique monModule. l'URL suivante permettra de connaître l'état du module.
Il est bien entendu possible d'utiliser le nom logique des modules plutôt que leur numéro de série.
Vous pouvez retrouver la valeur d'une des propriétés d'un module, il suffit d'ajouter le nom de la propriété en dessous de module. Par exemple, si vous souhaitez connaître la luminosité des LEDs de signalisation, il vous suffit de faire la requête suivante:
Pour modifier la valeur d'une propriété, il vous suffit de modifier l'attribut correspondant. Ainsi, pour modifier la luminosité il vous suffit de faire la requête suivante:
Les fonctionnalités des modules se manipulent de la même manière. Pour connaître l'état de la fonction digitalIO, il suffit de construire l'URL suivante.
En revanche, si vous pouvez utiliser le nom logique du module en lieu et place de son numéro de série, vous ne pouvez pas utiliser les noms logiques des fonctions, seuls les noms hardware sont autorisés pour les fonctions.
Vous pouvez retrouver un attribut d'une fonction d'un module d'une manière assez similaire à celle utilisée avec les modules, par exemple:
Assez logiquement, les attributs peuvent être modifiés de la même manière.
Vous trouverez la liste des attributs disponibles pour votre Yocto-IO-V2-C au début du chapitre Programmation, concepts généraux.
Cette section s'applique uniquement aux modules dotés d'un enregistreur de donnée.
La version résumée des données enregistrées dans le datalogger peut être obtenue au format JSON à l'aide de l'URL suivante:
Le détail de chaque mesure pour un chaque tranche d'enregistrement peut être obtenu en ajoutant à l'URL l'identifiant de la fonction désirée et l'heure de départ de la tranche:
L'API Yoctopuce bas niveau est disponible sous différents formats de librairie dynamiques écrites en C, dont les sources sont disponibles avec l'API C++. Utiliser une de ces librairies bas niveau vous permettra de vous passer du Virtual Hub.
| Filename | Plateforme |
|---|---|
| libyapi.dylib | Max OS X |
| libyapi-amd64.so | Linux Intel (64 bits) |
| libyapi-armel.so | Linux ARM EL (32 bits) |
| libyapi-armhf.so | Linux ARM HL (32 bits) |
| libyapi-aarch64.so | Linux ARM (64 bits) |
| libyapi-i386.so | Linux Intel (32 bits) |
| yapi64.dll | Windows (64 bits) |
| yapi.dll | Windows (32 bits) |
Ces librairies dynamiques contiennent toutes les fonctionnalités nécessaires pour reconstruire entièrement toute l'API haut niveau dans n'importe quel langage capable d'intégrer ces librairies. Ce chapitre se limite cependant à décrire une utilisation de base des modules.
Les trois fonctions essentielles de l'API bas niveau sont les suivantes:
La fonction yapiInitAPI permet d'initialiser l'API et doit être appelée une fois en début du programme. Pour une connection de type USB, le paramètre connection_type doit prendre la valeur 1. errmsg est un pointeur sur un buffer de 255 caractères destiné à récupérer un éventuel message d'erreur. Ce pointeur peut être aussi mis à NULL. La fonction retourne un entier négatif en cas d'erreur, ou zéro dans le cas contraire.
La fonction yapiUpdateDeviceList gère l'inventaire des modules Yoctopuce connectés, elle doit être appelée au moins une fois. Pour pouvoir gérer le hot plug, et détecter d'éventuels nouveaux modules connectés, cette fonction devra être apellée à intervalles réguliers. Le paramètre forceupdate devra être à la valeur 1 pour forcer un scan matériel. Le paramètre errmsg devra pointer sur un buffer de 255 caractères pour récupérer un éventuel message d'erreur. Ce pointeur peut aussi être à null.Cette fonction retourne un entier négatif en cas d'erreur, ou zéro dans le cas contraire.
Enfin, la fonction yapiHTTPRequest permet d'envoyer des requêtes HTTP à l'API REST du module. Le paramètre device devra contenir le numéro de série ou le nom logique du module que vous cherchez à atteindre. Le paramètre request doit contenir la requête HTTP complète (y compris les sauts de ligne terminaux). buffer doit pointer sur un buffer de caractères suffisamment grand pour contenir la réponse. buffsize doit contenir la taille du buffer. fullsize est un pointeur sur un entier qui sera affecté à la taille effective de la réponse. Le paramètre errmsg devra pointer sur un buffer de 255 caractères pour récupérer un éventuel message d'erreur. Ce pointeur peut aussi être à null. Cette fonction retourne un entier négatif en cas d'erreur, ou zéro dans le cas contraire.
Le format des requêtes est le même que celui décrit dans la section Virtual Hub et HTTP GET. Toutes les chaînes de caractères utilisées par l'API sont des chaînes constituées de caractères 8 bits: l'Unicode et l'UTF8 ne sont pas supportés.
Le résultat retourné dans la variable buffer respecte le protocole HTTP, il inclut donc un header HTTP . Ce header se termine par deux lignes vides, c'est-à-dire une séquence de quatre caractères ASCII 13, 10, 13, 10.
Voici un programme d'exemple écrit en pascal qui utilise la DLL yapi.dll pour lire puis changer la luminosité d'un module.
Pour procéder à l'inventaire des modules Yoctopuce, deux fonctions de la librairie dynamique sont nécessaires
La fonction yapiGetAllDevices permet d'obtenir la liste des modules connectés sous la forme d'une liste de handles. buffer pointe sur un tableau d'entiers 32 bits qui contiendra les handles retournés. Maxsize est la taille en bytes du buffer. neededsize contiendra au retour la taille nécessaire pour stocker tous les handles. Cela permet d'en déduire le nombre de module connectés, ou si le buffer passé en entrée est trop petit. Le paramètre errmsg devra pointer sur un buffer de 255 caractères pour récupérer un éventuel message d'erreur. Ce pointeur peut aussi être à null. Cette fonction retourne un entier négatif en cas d'erreur, ou zéro dans le cas contraire.
La fonction yapiGetDeviceInfo permet de récupérer les informations relatives à un module à partir de son handle. devdesc est un entier 32bit qui représente le module, et qui a été obtenu grâce à yapiGetAllDevices. infos pointe sur une structure de données dans laquelle sera stocké le résultat. Le format de cette structure est le suivant:
| Nom | Type | Taille (bytes) | Description |
|---|---|---|---|
| vendorid | int | 4 | ID USB de Yoctopuce |
| deviceid | int | 4 | ID USB du module |
| devrelease | int | 4 | Version du module |
| nbinbterfaces | int | 4 | Nombre d'interfaces USB utilisée par le module |
| manufacturer | char[] | 20 | Yoctopuce (null terminé) |
| productname | char[] | 28 | Modèle (null terminé) |
| serial | char[] | 20 | Numéro de série (null terminé) |
| logicalname | char[] | 20 | Nom logique (null terminé) |
| firmware | char[] | 22 | Version du firmware (null terminé) |
| beacon | byte | 1 | Etat de la balise de localisation (0/1) |
Le paramètre errmsg devra pointer sur un buffer de 255 caractères pour récupérer un éventuel message d'erreur.
Voici un programme d'exemple écrit en pascal qui utilise la DLL yapi.dll pour lister les modules connectés.
Chaque point d'entrée de la DLL yapi.dll est disponible en deux versions, une classique C-decl, et un seconde compatible avec Visual Basic 6 préfixée avec vb6_.
Toutes les sources de l'API Yoctopuce étant fournies dans leur intégralité, vous pouvez parfaitement entreprendre le port complet de l'API dans le langage de votre choix. Sachez cependant qu'une grande partie du code source de l'API est généré automatiquement.
Ainsi, il n'est pas nécessaire de porter la totalité de l'API, il suffit de porter le fichier yocto_api et un de ceux correspondant à une fonctionnalité, par exemple yocto_relay. Moyennant un peu de travail supplémentaire, Yoctopuce sera alors en mesure de générer tous les autres fichiers. C'est pourquoi il est fortement recommandé de contacter le support Yoctopuce avant d'entreprendre le port de la librairie Yoctopuce dans un autre langage. Un travail collaboratif sera profitable aux deux parties.
Les chapitres précédents vous ont présenté dans chaque language disponible les fonctions de programmation de base utilisables avec votre module Yocto-IO-V2-C. Ce chapitre présente de façon plus générale une utilisation plus avancée de votre module. Les exemples sont donnés dans le language le plus populaire auprès des clients de Yoctopuce, à savoir C#. Néanmoins, vous trouverez dans les librairies de programmation pour chaque language des exemples complets illustrant les concepts présentés ici.
Afin de rester le plus concis possible, les exemples donnés dans ce chapitre ne font aucune gestion d'erreur. Ne les copiez pas tels-quels dans une application de production.
Les méthodes de gestion des modules Yoctopuce qui vous ont été présentées dans les chapitres précédents sont des fonctions de polling, qui consistent à demander en permanence à l'API si quelque chose a changé. Facile à appréhender, cette technique de programmation est n'est pas la plus efficace ni la plus réactive. C'est pourquoi l'API de programmation Yoctopuce propose aussi un modèle de programmation par événements. Cette technique consiste à demander à l'API de signaler elle-même les changements importants dès qu'ils sont détectés. A chaque fois qu'un paramètre clé change, l'API appelle une fonction de callback que vous avez prédéfinie.
La gestion du hot-plug est importante lorsque l'on travaille avec des modules USB, car tôt ou tard vous serez amené à brancher et débrancher un module après le lancement de votre programme. L'API a été conçue pour gérer l'arrivée et le départ inopinés des modules de manière transparente, mais votre application doit en général en tenir compte si elle veut éviter de prétendre utiliser un module qui a été débranché.
La programmation par événements est particulièrement utile pour détecter les branchements/débranchements de modules. Il est en effet plus simple de se faire signaler les branchements, que de devoir lister en permanence les modules branchés pour en déduire ceux qui sont arrivés et ceux qui sont partis. Pour pouvoir être prévenu dès qu'un module arrive, vous avez besoin de trois morceaux de code.
Le callback est la fonction qui sera appelée à chaque fois qu'un nouveau module Yoctopuce sera branché. Elle prend en paramètre le module concerné.
Vous devez ensuite signaler à l'API qu'il faut appeler votre callback quand un nouveau module est branché.
Notez que si des modules sont déjà branchés lorsque le callback est enregistré, le callback sera appelé pour chacun de ces modules déjà branchés.
Un problème classique de la programmation par callbacks est que ces callbacks peuvent être appelés n'importe quand, y compris à des moments où le programme principal n'est pas prêt à les recevoir, ce qui peut avoir des effets de bords indésirables comme des dead-locks et autres conditions de course. C'est pourquoi dans l'API Yoctopuce, les callbacks d'arrivée/départs de modules ne sont appelés que pendant l'exécution de la fonction UpdateDeviceList(). Il vous suffit d'appeler UpdateDeviceList() à intervalle régulier depuis un timer ou un thread spécifique pour controller précisément quand les appels à ces callbacks auront lieu:
De manière similaire, il est possible d'avoir un callback quand un module est débranché. Vous trouverez un exemple concret démontrant toutes ces techniques dans la librairie de programmation Yoctopuce de chaque langage. L'exemple se trouve dans le répertoire Examples/Prog-EventBased.
Attention: dans la plupart des langages, les callbacks doivent être des procédures globales, et non pas des méthodes. Si vous souhaitez que le callback appelle une méthode d'un objet, définissez votre callback sous la forme d'une procédure globale qui ensuite appellera votre méthode.
Il est possible de mettre à jour un module directement depuis l'interface web du VirutalHub ou du YoctoHub. Il suffit d'accéder à la fenêtre de configuration du module que à mettre à jour et de cliquer sur le bouton "upgrade". Le VirtualHub démarre un assistant qui vous guidera durant la procédure de mise à jour.
Si pour une raison ou une autre, la mise à jour venait à échouer et que le module de fonctionnait plus, débranchez puis rebranchez le module en maintenant sur le Yocto-bouton appuyé. Le module va démarrer en mode "mise à jour" et sera listé en dessous des modules connectés.
Tous les outils en lignes de commandes ont la possibilité de mettre à jour les modules Yoctopuce grâce à la commande downloadAndUpdate. Le mécanisme de sélection des modules fonctionne comme pour une commande traditionnelle. La [cible] est le nom du module qui va être mis à jour. Vous pouvez aussi utiliser les alias "any" ou "all", ou encore une liste de noms, séparés par des virgules, sans espace.
L'exemple suivant met à jour tous les modules Yoctopuce connectés en USB.
Il est possible de mettre à jour le firmware de vos modules depuis votre téléphone ou tablette Android avec l'application Yocto-Firmware. Cette application liste tous les modules Yoctopuce branchés en USB et vérifie si un firmware plus récent est disponible sur www.yoctopuce.com. Si un firmware plus récent est disponible, il est possible de mettre à jour le module. L'application se charge de télécharger et d'installer le nouveau firmware en préservant les paramètres du module.
Attention, pendant la mise à jour du firmware, le module redémarre plusieurs fois. Android interprète le reboot d'un périphérique USB comme une déconnexion et reconnexion du périphérique USB, et demande à nouveau l'autorisation d'utiliser le port USB. L'utilisateur est obligé de cliquer sur OK pour que la procédure de mise à jour se termine correctement.
Si vous avez besoin d'intégrer la mise à jour de firmware dans votre application, les librairies proposent une API pour mettre à jour vos modules.
La méthode get_allSettings() retourne un buffer binaire qui permet de sauvegarder les paramètres persistants d'un module. Cette fonction est très utile pour sauvegarder la configuration réseau d'un YoctoHub par exemple.
Ces paramètres peuvent être appliqués sur d'autres modules à l'aide de la méthode set_allSettings().
La première étape pour mettre à jour un module Yoctopuce est de trouver quel firmware il faut utiliser, c'est le travail de la méthode checkFirmware(path, onlynew) de l'objet YModule. Cette méthode vérifie que le firmware passé en argument (path) est compatible avec le module. Si le paramètre onlynew est vrai, cette méthode vérifie si le firmware est plus récent que la version qui est actuellement utilisée par le module. Quand le fichier n'est pas compatible (ou si le fichier est plus vieux que la version installée), cette méthode retourne une chaîne vide. Si au contraire le fichier est valide, la méthode retourne le chemin d'accès d'un fichier.
Le code suivant vérifie si le fichier c:\tmp\METEOMK1.17328.byn est compatible avec le module stocké dans la variable m.
Il est possible de passer un répertoire en argument (au lieu d'un fichier). Dans ce cas la méthode va parcourir récursivement tous les fichiers du répertoire et retourner le firmware compatible le plus récent. Le code suivant vérifie s'il existe un firmware plus récent dans le répertoire c:\tmp\.
Il est aussi possible de passer la chaîne "www.yoctopuce.com" en argument pour vérifier s'il existe un firmware plus récent publié sur le site web de Yoctopuce. Dans ce cas, la méthode retournera l'URL du firmware. Vous pourrez soit utiliser cette URL pour télécharger le firmware sur votre disque, soit utiliser cette URL lors de la mise à jour du firmware (voir ci-dessous). Bien évidemment, cette possibilité ne fonctionne que si votre machine est reliée à Internet.
La mise à jour du firmware peut prendre plusieurs minutes, c'est pourquoi le processus de mise à jour est exécuté par la librairie en arrière plan et est contrôlé par le code utilisateur à l'aide de la classe YFirmwareUdpate.
Pour mettre à jour un module Yoctopuce, il faut obtenir une instance de la classe YFirmwareUpdate à l'aide de la méthode updateFirmware d'un objet YModule. Le seul paramètre de cette méthode est le path du firmware à installer. Cette méthode ne démarre pas immédiatement la mise à jour, mais retourne un objet YFirmwareUpdate configuré pour mettre à jour le module.
La méthode startUpdate() démarre la mise à jour en arrière plan. Ce processus en arrière plan se charge automatiquement de:
Les méthodes get_progress() et get_progressMessage() permettent de suivre la progression de la mise à jour. get_progress()retourne la progression sous forme de pourcentage (100 = mise à jour terminée). get_progressMessage() retourne une chaîne de caractères décrivant l'opération en cours (effacement, écriture, reboot,...). Si la méthode get_progress() retourne une valeur négative, c'est que le processus de mise à jour à échoué. Dans ce cas la méthode get_progressMessage() retourne le message d'erreur.
Le code suivant démarre la mise à jour et affiche la progression sur la sortie standard.
Il est possible de mettre à jour un firmware d'un module en utilisant la librairie Android. Mais pour les modules branchés en USB, Android va demander à l'utilisateur d'autoriser l'application à accéder au port USB.
Pendant la mise à jour du firmware, le module redémarre plusieurs fois. Android interprète le reboot d'un périphérique USB comme une déconnexion et reconnexion du port USB, et interdit tout accès USB tant que l'utilisateur n'a pas fermé le pop-up. L'utilisateur est obligé de cliquer sur OK pour que la procédure de mise à jour puisse continuer correctement. Il n'est pas possible de mettre à jour un module branché en USB à un appareil Android sans que l'utilisateur ne soit obligé d'interagir avec l'appareil.
Si vous désirez effacer tous les paramètres du module ou que votre module ne démarre plus correctement, il est possible d'installer un firmware depuis le mode "mise à jour".
Pour forcer le module à fonctionner dans le mode "mis à jour", débranchez-le, attendez quelques secondes, et rebranchez-le en maintenant le Yocto-Bouton appuyé. Cela a pour effet de faire démarrer le module en mode "mise à jour". Ce mode de fonctionnement est protégé contre les corruptions et est toujours accessible.
Dans ce mode, le module n'est plus détecté par les objets YModules. Pour obtenir la liste des modules connectés en mode "mise à jour", il faut utiliser la fonction YAPI.GetAllBootLoaders(). Cette fonction retourne un tableau de chaînes de caractères avec le numéro de série des modules en le mode "mise à jour".
La procédure de mise à jour est identique au cas standard (voir section précédente), mais il faut instancier manuellement l'objet YFirmwareUpdate au lieu d'appeler module.updateFirmware(). Le constructeur prend en argument trois paramètres: le numéro de série du module, le path du firmware à installer, et un tableau de bytes avec les paramètres à restaurer à la fin de la mise à jour (ou null pour restaurer les paramètres d'origine).
Ce chapitre résume les fonctions de l'API de haut niveau pour commander votre Yocto-IO-V2-C. La syntaxe et les types précis peuvent varier d'un langage à l'autre mais, sauf avis contraire toutes sont disponibles dans chaque language. Pour une information plus précise sur les types des arguments et des valeurs de retour dans un langage donné, veuillez vous référer au fichier de définition pour ce langage (yocto_api.* ainsi que les autres fichiers yocto_* définissant les interfaces des fonctions).
Dans les langages qui supportent les exceptions, toutes ces fonctions vont par défaut générer des exceptions en cas d'erreur plutôt que de retourner la valeur d'erreur documentée pour chaque fonction, afin de faciliter le déboguage. Il est toutefois possible de désactiver l'utilisation d'exceptions à l'aide de la fonction yDisableExceptions(), si l'on préfère travailler avec des valeurs de retour d'erreur.
Ce chapitre ne reprend pas en détail les concepts de programmation décrits plus tôt, afin d'offrir une référence plus concise. En cas de doute, n'hésitez pas à retourner au chapitre décrivant en détail de chaque attribut configurable.
Fonctions générales
Ces quelques fonctions générales permettent l'initialisation et la configuration de la librairie Yoctopuce. Dans la plupart des cas, un appel à yRegisterHub() suffira en tout et pour tout. Ensuite, vous pourrez appeler la fonction globale yFind...() ou yFirst...() correspondant à votre module pour pouvoir interagir avec lui.
Pour utiliser les fonctions décrites ici, vous devez inclure:
java | import com.yoctopuce.YoctoAPI.YAPI; |
dnp | import YoctoProxyAPI.YAPIProxy |
cp | #include "yocto_api_proxy.h" |
ml | import YoctoProxyAPI.YAPIProxy" |
cpp | #include "yocto_api.h" |
vb | yocto_api.vb |
cs | yocto_api.cs |
py | from yocto_api import * |
php | require_once('yocto_api.php'); |
ts | in HTML: import { YAPI, YErrorMsg, YModule, YSensor } from '../../dist/esm/yocto_api_browser.js'; in Node.js: import { YAPI, YErrorMsg, YModule, YSensor } from 'yoctolib-cjs/yocto_api_nodejs.js'; |
tpy | from yoctolib.yocto_api import * |
vi | YModule.vi |
pas | uses yocto_api; |
| Fonction globales | ||||||||||
|---|---|---|---|---|---|---|---|---|---|---|
| YAPI.AddTrustedCertificates(certificate) | ||||||||||
Ajoute un certificat TLS/SSL à la liste des certificats de confiance. | ||||||||||
| ||||||||||
| YAPI.AddUdevRule(force) | ||||||||||
Ajoute une règle UDEV qui autorise tous les utilisateurs à accéder aux modules Yoctopuce connectés sur les ports USB. | ||||||||||
| ||||||||||
| YAPI.CheckLogicalName(name) | ||||||||||
Vérifie si un nom donné est valide comme nom logique pour un module ou une fonction. | ||||||||||
| ||||||||||
| YAPI.ClearHTTPCallbackCacheDir(removeFiles) | ||||||||||
Désactive le cache de callback HTTP. | ||||||||||
| ||||||||||
| YAPI.DisableExceptions() | ||||||||||
Désactive l'utilisation d'exceptions pour la gestion des erreurs. | ||||||||||
| ||||||||||
| YAPI.DownloadHostCertificate(url, mstimeout) | ||||||||||
Télecharge le certificat TLS/SSL du hub. | ||||||||||
| ||||||||||
| YAPI.EnableExceptions() | ||||||||||
Réactive l'utilisation d'exceptions pour la gestion des erreurs. | ||||||||||
| ||||||||||
| YAPI.EnableUSBHost(osContext) | ||||||||||
Cette fonction est utilisée uniquement sous Android. | ||||||||||
| ||||||||||
| YAPI.FreeAPI() | ||||||||||
Attends que toutes les communications en cours avec les modules Yoctopuce soient terminées puis libère les ressources utilisées par la librairie Yoctopuce. | ||||||||||
| ||||||||||
| YAPI.GetAPIVersion() | ||||||||||
Retourne la version de la librairie Yoctopuce utilisée. | ||||||||||
| ||||||||||
| YAPI.GetCacheValidity() | ||||||||||
Retourne la durée de validité des données chargée par la libraire. | ||||||||||
| ||||||||||
| YAPI.GetDeviceListValidity() | ||||||||||
Retourne le délai entre chaque énumération forcée des YoctoHubs utilisés. | ||||||||||
| ||||||||||
| YAPI.GetDllArchitecture() | ||||||||||
Retourne l'architecture du binaire de la librairie de communication Yoctopuce utilisée. | ||||||||||
| ||||||||||
| YAPI.GetDllPath() | ||||||||||
Retourne l'emplacement sur le disque des librairies Yoctopuce utilisées. | ||||||||||
| ||||||||||
| YAPI.GetLog(lastLogLine) | ||||||||||
Récupère les messages de logs de la librairie de communication Yoctopuce. | ||||||||||
| ||||||||||
| YAPI.GetNetworkTimeout() | ||||||||||
Retourne le délai de connexion réseau pour yRegisterHub() et yUpdateDeviceList(). | ||||||||||
| ||||||||||
| YAPI.GetTickCount() | ||||||||||
Retourne la valeur du compteur monotone de temps (en millisecondes). | ||||||||||
| ||||||||||
| YAPI.GetYAPISharedLibraryPath() | ||||||||||
Retourne le chemin de la librairie dynamique YAPI. | ||||||||||
| ||||||||||
| YAPI.HandleEvents(errmsg) | ||||||||||
Maintient la communication de la librairie avec les modules Yoctopuce. | ||||||||||
| ||||||||||
| YAPI.InitAPI(mode, errmsg) | ||||||||||
Initialise la librairie de programmation de Yoctopuce explicitement. | ||||||||||
| ||||||||||
| YAPI.PreregisterHub(url, errmsg) | ||||||||||
Alternative plus tolérante à yRegisterHub(). | ||||||||||
| ||||||||||
| YAPI.RegisterDeviceArrivalCallback(arrivalCallback) | ||||||||||
Enregistre une fonction de callback qui sera appelée à chaque fois qu'un module est branché. | ||||||||||
| ||||||||||
| YAPI.RegisterDeviceRemovalCallback(removalCallback) | ||||||||||
Enregistre une fonction de callback qui sera appelée à chaque fois qu'un module est débranché. | ||||||||||
| ||||||||||
| YAPI.RegisterHub(url, errmsg) | ||||||||||
Configure la librairie Yoctopuce pour utiliser les modules connectés sur une machine donnée. | ||||||||||
| ||||||||||
| YAPI.RegisterHubDiscoveryCallback(hubDiscoveryCallback) | ||||||||||
Enregistre une fonction de callback qui est appelée chaque fois qu'un hub réseau s'annonce avec un message SSDP. | ||||||||||
| ||||||||||
| YAPI.RegisterHubWebsocketCallback(ws, errmsg, authpwd) | ||||||||||
Variante de la fonction yRegisterHub() destinée à initialiser l'API Yoctopuce sur une session Websocket existante, dans le cadre d'un callback WebSocket entrant. | ||||||||||
|
| ||||||||||
| YAPI.RegisterLogFunction(logfun) | ||||||||||
Enregistre une fonction de callback qui sera appellée à chaque fois que l'API a quelque chose à dire. | ||||||||||
| ||||||||||
| YAPI.SelectArchitecture(arch) | ||||||||||
Sélectionne manuellement l'architecture de la libraire dynamique à utiliser pour accéder à USB. | ||||||||||
| ||||||||||
| YAPI.SetCacheValidity(cacheValidityMs) | ||||||||||
Change la durée de validité des données chargées par la librairie. | ||||||||||
| ||||||||||
| YAPI.SetDelegate(object) | ||||||||||
(Objective-C uniquement) Enregistre un objet délégué qui doit se conformer au protocole YDeviceHotPlug. | ||||||||||
|
| ||||||||||
| YAPI.SetDeviceListValidity(deviceListValidity) | ||||||||||
Change le délai entre chaque énumération forcée des YoctoHub utilisés. | ||||||||||
| ||||||||||
| YAPI.SetHTTPCallbackCacheDir(directory) | ||||||||||
Active le cache du callback HTTP. | ||||||||||
| ||||||||||
| YAPI.SetNetworkSecurityOptions(opts) | ||||||||||
Permet d'activer ou désactiver certains checks des certificats TLS/SSL. | ||||||||||
| ||||||||||
| YAPI.SetNetworkTimeout(networkMsTimeout) | ||||||||||
Change le délai de connexion réseau pour yRegisterHub() et yUpdateDeviceList(). | ||||||||||
| ||||||||||
| YAPI.SetTimeout(callback, ms_timeout, args) | ||||||||||
Appelle le callback spécifié après un temps d'attente spécifié. | ||||||||||
| ||||||||||
| YAPI.SetTrustedCertificatesList(certificatePath) | ||||||||||
Definit le chemin d'accès au fichier de l'autorité de certification. | ||||||||||
| ||||||||||
| YAPI.SetUSBPacketAckMs(pktAckDelay) | ||||||||||
Active la quittance des paquets USB reçus par la librairie Yoctopuce. | ||||||||||
| ||||||||||
| YAPI.Sleep(ms_duration, errmsg) | ||||||||||
Effectue une pause dans l'exécution du programme pour une durée spécifiée. | ||||||||||
| ||||||||||
| YAPI.TestHub(url, mstimeout, errmsg) | ||||||||||
Test si un hub est joignable. | ||||||||||
| ||||||||||
| YAPI.TriggerHubDiscovery(errmsg) | ||||||||||
Relance une détection des hubs réseau. | ||||||||||
| ||||||||||
| YAPI.UnregisterHub(url) | ||||||||||
Configure la librairie Yoctopuce pour ne plus utiliser les modules connectés sur une machine préalablement enregistrer avec RegisterHub. | ||||||||||
| ||||||||||
| YAPI.UpdateDeviceList(errmsg) | ||||||||||
Force une mise-à-jour de la liste des modules Yoctopuce connectés. | ||||||||||
| ||||||||||
| YAPI.UpdateDeviceList_async(callback, context) | ||||||||||
Force une mise-à-jour de la liste des modules Yoctopuce connectés. | ||||||||||
|
|
Interface de contrôle des paramètres généraux des modules Yoctopuce
La classe YModule est utilisable avec tous les modules USB de Yoctopuce. Elle permet de contrôler les paramètres généraux du module, et d'énumérer les fonctions fournies par chaque module.
Pour utiliser les fonctions décrites ici, vous devez inclure:
cpp | #include "yocto_api.h" |
vb | yocto_api.vb |
cs | yocto_api.cs |
java | import com.yoctopuce.YoctoAPI.YModule; |
py | from yocto_api import * |
php | require_once('yocto_api.php'); |
ts | in HTML: import { YAPI, YErrorMsg, YModule, YSensor } from '../../dist/esm/yocto_api_browser.js'; in Node.js: import { YAPI, YErrorMsg, YModule, YSensor } from 'yoctolib-cjs/yocto_api_nodejs.js'; |
dnp | import YoctoProxyAPI.YModuleProxy |
cp | #include "yocto_module_proxy.h" |
tpy | from yoctolib.yocto_api import * |
vi | YModule.vi |
ml | import YoctoProxyAPI.YModuleProxy" |
pas | uses yocto_api; |
| Fonction globales | |||||||||||
|---|---|---|---|---|---|---|---|---|---|---|---|
| YModule.FindModule(func) | |||||||||||
Permet de retrouver un module d'après son numéro de série ou son nom logique. | |||||||||||
| |||||||||||
| YModule.FindModuleInContext(yctx, func) | |||||||||||
Permet de retrouver un module d'après un identifiant donné dans un Context YAPI. | |||||||||||
| |||||||||||
| YModule.FirstModule() | |||||||||||
Commence l'énumération des modules accessibles par la librairie. | |||||||||||
| |||||||||||
| Propriétés des objets YModuleProxy | |||||||||||
| module→Beacon [modifiable] | |||||||||||
état de la balise de localisation. | |||||||||||
| |||||||||||
| module→FirmwareRelease [lecture seule] | |||||||||||
Version du logiciel embarqué du module. | |||||||||||
| |||||||||||
| module→FunctionId [lecture seule] | |||||||||||
Identifiant matériel de la nième fonction du module. | |||||||||||
| |||||||||||
| module→HardwareId [lecture seule] | |||||||||||
Identifiant unique du module. | |||||||||||
| |||||||||||
| module→IsOnline [lecture seule] | |||||||||||
Vérifie si le module est joignable. | |||||||||||
| |||||||||||
| module→LogicalName [modifiable] | |||||||||||
Nom logique du module. | |||||||||||
| |||||||||||
| module→Luminosity [modifiable] | |||||||||||
Luminosité des leds informatives du module (valeur entre 0 et 100). | |||||||||||
| |||||||||||
| module→ProductId [lecture seule] | |||||||||||
Identifiant USB du module, préprogrammé en usine. | |||||||||||
| |||||||||||
| module→ProductName [lecture seule] | |||||||||||
Nom commercial du module, préprogrammé en usine. | |||||||||||
| |||||||||||
| module→ProductRelease [lecture seule] | |||||||||||
Numéro uméro de révision du module hardware, préprogrammé en usine. | |||||||||||
| |||||||||||
| module→SerialNumber [lecture seule] | |||||||||||
Numéro de série du module, préprogrammé en usine. | |||||||||||
| |||||||||||
| Méthodes des objets YModule | |||||||||||
| module→addFileToHTTPCallback(filename) | |||||||||||
Ajoute un fichier aux données uploadées lors du prochain callback HTTP. | |||||||||||
| |||||||||||
| module→checkFirmware(path, onlynew) | |||||||||||
Teste si le fichier byn est valide pour le module. | |||||||||||
| |||||||||||
| module→clearCache() | |||||||||||
Invalide le cache. | |||||||||||
| |||||||||||
| module→describe() | |||||||||||
Retourne un court texte décrivant le module. | |||||||||||
| |||||||||||
| module→download(pathname) | |||||||||||
Télécharge le fichier choisi du module et retourne son contenu. | |||||||||||
| |||||||||||
| module→functionBaseType(functionIndex) | |||||||||||
Retourne le type de base de la nième fonction du module. | |||||||||||
| |||||||||||
| module→functionCount() | |||||||||||
Retourne le nombre de fonctions (sans compter l'interface "module") existant sur le module. | |||||||||||
| |||||||||||
| module→functionId(functionIndex) | |||||||||||
Retourne l'identifiant matériel de la nième fonction du module. | |||||||||||
| |||||||||||
| module→functionName(functionIndex) | |||||||||||
Retourne le nom logique de la nième fonction du module. | |||||||||||
| |||||||||||
| module→functionType(functionIndex) | |||||||||||
Retourne le type de la nième fonction du module. | |||||||||||
| |||||||||||
| module→functionValue(functionIndex) | |||||||||||
Retourne la valeur publiée par la nième fonction du module. | |||||||||||
| |||||||||||
| module→get_allSettings() | |||||||||||
Retourne tous les paramètres de configuration du module. | |||||||||||
| |||||||||||
| module→get_beacon() | |||||||||||
Retourne l'état de la balise de localisation. | |||||||||||
| |||||||||||
| module→get_errorMessage() | |||||||||||
Retourne le message correspondant à la dernière erreur survenue lors de l'utilisation de l'objet module. | |||||||||||
| |||||||||||
| module→get_errorType() | |||||||||||
Retourne le code d'erreur correspondant à la dernière erreur survenue lors de l'utilisation de l'objet module. | |||||||||||
| |||||||||||
| module→get_firmwareRelease() | |||||||||||
Retourne la version du logiciel embarqué du module. | |||||||||||
| |||||||||||
| module→get_functionIds(funType) | |||||||||||
Retourne les identifiants matériels des fonctions correspondant au type passé en argument. | |||||||||||
| |||||||||||
| module→get_hardwareId() | |||||||||||
Retourne l'identifiant unique du module. | |||||||||||
| |||||||||||
| module→get_icon2d() | |||||||||||
Retourne l'icône du module. | |||||||||||
| |||||||||||
| module→get_lastLogs() | |||||||||||
Retourne une chaîne de charactère contenant les derniers logs du module. | |||||||||||
| |||||||||||
| module→get_logicalName() | |||||||||||
Retourne le nom logique du module. | |||||||||||
| |||||||||||
| module→get_luminosity() | |||||||||||
Retourne la luminosité des leds informatives du module (valeur entre 0 et 100). | |||||||||||
| |||||||||||
| module→get_parentHub() | |||||||||||
Retourne le numéro de série du YoctoHub sur lequel est connecté le module. | |||||||||||
| |||||||||||
| module→get_persistentSettings() | |||||||||||
Retourne l'état courant des réglages persistents du module. | |||||||||||
| |||||||||||
| module→get_productId() | |||||||||||
Retourne l'identifiant USB du module, préprogrammé en usine. | |||||||||||
| |||||||||||
| module→get_productName() | |||||||||||
Retourne le nom commercial du module, préprogrammé en usine. | |||||||||||
| |||||||||||
| module→get_productRelease() | |||||||||||
Retourne le numéro uméro de révision du module hardware, préprogrammé en usine. | |||||||||||
| |||||||||||
| module→get_rebootCountdown() | |||||||||||
Retourne le nombre de secondes restantes avant un redémarrage du module, ou zéro si aucun redémarrage n'a été agendé. | |||||||||||
| |||||||||||
| module→get_serialNumber() | |||||||||||
Retourne le numéro de série du module, préprogrammé en usine. | |||||||||||
| |||||||||||
| module→get_subDevices() | |||||||||||
Retourne la liste des modules branchés au module courant. | |||||||||||
| |||||||||||
| module→get_upTime() | |||||||||||
Retourne le numbre de millisecondes écoulées depuis la mise sous tension du module | |||||||||||
| |||||||||||
| module→get_url() | |||||||||||
Retourne l'URL utilisée pour accéder au module. | |||||||||||
| |||||||||||
| module→get_usbCurrent() | |||||||||||
Retourne le courant consommé par le module sur le bus USB, en milliampères. | |||||||||||
| |||||||||||
| module→get_userData() | |||||||||||
Retourne le contenu de l'attribut userData, précédemment stocké à l'aide de la méthode set_userData. | |||||||||||
| |||||||||||
| module→get_userVar() | |||||||||||
Retourne la valeur entière précédemment stockée dans cet attribut. | |||||||||||
| |||||||||||
| module→hasFunction(funcId) | |||||||||||
Teste la présence d'une fonction pour le module courant. | |||||||||||
| |||||||||||
| module→isOnline() | |||||||||||
Vérifie si le module est joignable, sans déclencher d'erreur. | |||||||||||
| |||||||||||
| module→isOnline_async(callback, context) | |||||||||||
Vérifie si le module est joignable, sans déclencher d'erreur. | |||||||||||
|
| |||||||||||
| module→isReadOnly() | |||||||||||
Indique si le module est en lecture seule. | |||||||||||
| |||||||||||
| module→load(msValidity) | |||||||||||
Met en cache les valeurs courantes du module, avec une durée de validité spécifiée. | |||||||||||
| |||||||||||
| module→load_async(msValidity, callback, context) | |||||||||||
Met en cache les valeurs courantes du module, avec une durée de validité spécifiée. | |||||||||||
|
| |||||||||||
| module→log(text) | |||||||||||
Ajoute un message arbitraire dans les logs du module. | |||||||||||
| |||||||||||
| module→nextModule() | |||||||||||
Continue l'énumération des modules commencée à l'aide de yFirstModule(). | |||||||||||
| |||||||||||
| module→reboot(secBeforeReboot) | |||||||||||
Agende un simple redémarrage du module dans un nombre donné de secondes. | |||||||||||
| |||||||||||
| module→registerBeaconCallback(callback) | |||||||||||
Enregistre une fonction de callback qui sera appelée à chaque changement d'état de la balise de localisation du module. | |||||||||||
| |||||||||||
| module→registerConfigChangeCallback(callback) | |||||||||||
Enregistre une fonction de callback qui sera appelée à chaque fois qu'un réglage persistant d'un module est modifié (par exemple changement d'unité de mesure, etc.) | |||||||||||
| |||||||||||
| module→registerLogCallback(callback) | |||||||||||
Enregistre une fonction de callback qui sera appelée à chaque fois le module émet un message de log. | |||||||||||
| |||||||||||
| module→revertFromFlash() | |||||||||||
Recharge les réglages stockés dans le mémoire non volatile du module, comme à la mise sous tension du module. | |||||||||||
| |||||||||||
| module→saveToFlash() | |||||||||||
Sauve les réglages courants dans la mémoire non volatile du module. | |||||||||||
| |||||||||||
| module→set_allSettings(settings) | |||||||||||
Rétablit tous les paramètres du module. | |||||||||||
| |||||||||||
| module→set_allSettingsAndFiles(settings) | |||||||||||
Rétablit tous les paramètres de configuration et fichiers sur un module. | |||||||||||
| |||||||||||
| module→set_beacon(newval) | |||||||||||
Allume ou éteint la balise de localisation du module. | |||||||||||
| |||||||||||
| module→set_logicalName(newval) | |||||||||||
Change le nom logique du module. | |||||||||||
| |||||||||||
| module→set_luminosity(newval) | |||||||||||
Modifie la luminosité des leds informatives du module. | |||||||||||
| |||||||||||
| module→set_userData(data) | |||||||||||
Enregistre un contexte libre dans l'attribut userData de la fonction, afin de le retrouver plus tard à l'aide de la méthode get_userData. | |||||||||||
| |||||||||||
| module→set_userVar(newval) | |||||||||||
Stocke une valeur 32 bits dans la mémoire volatile du module. | |||||||||||
| |||||||||||
| module→triggerConfigChangeCallback() | |||||||||||
Force le déclenchement d'un callback de changement de configuration, afin de vérifier s'ils sont disponibles ou pas. | |||||||||||
| |||||||||||
| module→triggerFirmwareUpdate(secBeforeReboot) | |||||||||||
Agende un redémarrage du module en mode spécial de reprogrammation du logiciel embarqué. | |||||||||||
| |||||||||||
| module→updateFirmware(path) | |||||||||||
Prepare une mise à jour de firmware du module. | |||||||||||
| |||||||||||
| module→updateFirmwareEx(path, force) | |||||||||||
Prepare une mise à jour de firmware du module. | |||||||||||
| |||||||||||
| module→wait_async(callback, context) | |||||||||||
Attend que toutes les commandes asynchrones en cours d'exécution sur le module soient terminées, et appelle le callback passé en paramètre. | |||||||||||
|
Interface pour intéragir avec les ports d'E/S digitaux, disponibles par exemple dans le Yocto-IO et le Yocto-Maxi-IO-V2
La classe YDigitalIO permet de piloter un port d'entrée/sortie numérique Yoctopuce. Elle permet de configurer la direction de chaque canel, de lire l'état de chaque canal et de changer l'état de chaque canal configuré en sortie. Il est possible d'interragir sur tous les canaux simultanément, ou de les changer indépendamment. La pluspart des fonctions utilisent une représentation binaire des canaux où le bit 0 correspond au canal N°0, le bit 1 correspond au canal N°1 et ainsi de suite. Si la représentation binaire des entiers ne vous est pas familière, vous trouverez plus d'informations ici: https://fr.wikipedia.org/wiki/Syst%C3%A8me_binaire. Il est aussi possible de créer des courtes impulsions de durée déterminée. Le comportement électrique de chanque entrée/sortie peut être modifié (open drain et invesrion de polarité).
Pour utiliser les fonctions décrites ici, vous devez inclure:
es | in HTML: <script src="../../lib/yocto_digitalio.js"></script> in node.js: require('yoctolib-es2017/yocto_digitalio.js'); |
cpp | #include "yocto_digitalio.h" |
vb | yocto_digitalio.vb |
cs | yocto_digitalio.cs |
java | import com.yoctopuce.YoctoAPI.YDigitalIO; |
py | from yocto_digitalio import * |
php | require_once('yocto_digitalio.php'); |
ts | in HTML: import { YDigitalIO } from '../../dist/esm/yocto_digitalio.js'; in Node.js: import { YDigitalIO } from 'yoctolib-cjs/yocto_digitalio.js'; |
dnp | import YoctoProxyAPI.YDigitalIOProxy |
cp | #include "yocto_digitalio_proxy.h" |
tpy | from yoctolib.yocto_digitalio import * |
vi | YDigitalIO.vi |
ml | import YoctoProxyAPI.YDigitalIOProxy |
pas | uses yocto_digitalio; |
| Fonction globales | |||||||||||
|---|---|---|---|---|---|---|---|---|---|---|---|
| YDigitalIO.FindDigitalIO(func) | |||||||||||
Permet de retrouver un port d'E/S digital d'après un identifiant donné. | |||||||||||
| |||||||||||
| YDigitalIO.FindDigitalIOInContext(yctx, func) | |||||||||||
Permet de retrouver un port d'E/S digital d'après un identifiant donné dans un Context YAPI. | |||||||||||
| |||||||||||
| YDigitalIO.FirstDigitalIO() | |||||||||||
Commence l'énumération des ports d'E/S digitaux accessibles par la librairie. | |||||||||||
| |||||||||||
| YDigitalIO.FirstDigitalIOInContext(yctx) | |||||||||||
Commence l'énumération des ports d'E/S digitaux accessibles par la librairie. | |||||||||||
| |||||||||||
| YDigitalIO.GetSimilarFunctions() | |||||||||||
Enumère toutes les fonctions de type DigitalIO disponibles sur les modules actuellement joignables par la librairie, et retourne leurs identifiants matériels uniques (hardwareId). | |||||||||||
| |||||||||||
| Propriétés des objets YDigitalIOProxy | |||||||||||
| digitalio→AdvertisedValue [lecture seule] | |||||||||||
Courte chaîne de caractères représentant l'état courant de la fonction. | |||||||||||
| |||||||||||
| digitalio→FriendlyName [lecture seule] | |||||||||||
Identifiant global de la fonction au format NOM_MODULE.NOM_FONCTION. | |||||||||||
| |||||||||||
| digitalio→FunctionId [lecture seule] | |||||||||||
Identifiant matériel du port d'E/S digital, sans référence au module. | |||||||||||
| |||||||||||
| digitalio→HardwareId [lecture seule] | |||||||||||
Identifiant matériel unique de la fonction au format SERIAL.FUNCTIONID. | |||||||||||
| |||||||||||
| digitalio→IsOnline [lecture seule] | |||||||||||
Vérifie si le module hébergeant la fonction est joignable, sans déclencher d'erreur. | |||||||||||
| |||||||||||
| digitalio→LogicalName [modifiable] | |||||||||||
Nom logique de la fonction. | |||||||||||
| |||||||||||
| digitalio→OutputVoltage [modifiable] | |||||||||||
Source de tension utilisée pour piloter les bits en sortie. | |||||||||||
| |||||||||||
| digitalio→PortDirection [modifiable] | |||||||||||
Direction des canaux du port (bitmap): 0 représente un bit en entrée, 1 représente un bit en sortie. | |||||||||||
| |||||||||||
| digitalio→PortOpenDrain [modifiable] | |||||||||||
Type d'interface électrique de chaque bit du port (bitmap). | |||||||||||
| |||||||||||
| digitalio→PortPolarity [modifiable] | |||||||||||
Polarité des bits du port (bitmap). | |||||||||||
| |||||||||||
| digitalio→PortSize [lecture seule] | |||||||||||
Nombre de bits (i.e. | |||||||||||
| |||||||||||
| digitalio→PortState [modifiable] | |||||||||||
état du port d'E/S digital sous la forme d'un entier dont chaque bit représente un canal, avec le canal zéro correspondant au bit 0. | |||||||||||
| |||||||||||
| digitalio→SerialNumber [lecture seule] | |||||||||||
Numéro de série du module, préprogrammé en usine. | |||||||||||
| |||||||||||
| Méthodes des objets YDigitalIO | |||||||||||
| digitalio→clearCache() | |||||||||||
Invalide le cache. | |||||||||||
| |||||||||||
| digitalio→delayedPulse(bitno, ms_delay, ms_duration) | |||||||||||
Préprogramme une impulsion de durée spécifiée sur un bit choisi. | |||||||||||
| |||||||||||
| digitalio→describe() | |||||||||||
Retourne un court texte décrivant de manière non-ambigüe l'instance du port d'E/S digital au format TYPE(NAME)=SERIAL.FUNCTIONID. | |||||||||||
| |||||||||||
| digitalio→get_advertisedValue() | |||||||||||
Retourne la valeur courante du port d'E/S digital (pas plus de 6 caractères). | |||||||||||
| |||||||||||
| digitalio→get_bitDirection(bitno) | |||||||||||
Retourne la direction d'un seul bit (canal) du port d'E/S. | |||||||||||
| |||||||||||
| digitalio→get_bitOpenDrain(bitno) | |||||||||||
Retourne la direction d'un seul bit du port d'E/S. | |||||||||||
| |||||||||||
| digitalio→get_bitPolarity(bitno) | |||||||||||
Retourne la polarité d'un seul bit du port d'E/S. | |||||||||||
| |||||||||||
| digitalio→get_bitState(bitno) | |||||||||||
Retourne l'état d'un seul bit (i.e. | |||||||||||
| |||||||||||
| digitalio→get_errorMessage() | |||||||||||
Retourne le message correspondant à la dernière erreur survenue lors de l'utilisation du port d'E/S digital. | |||||||||||
| |||||||||||
| digitalio→get_errorType() | |||||||||||
Retourne le code d'erreur correspondant à la dernière erreur survenue lors de l'utilisation du port d'E/S digital. | |||||||||||
| |||||||||||
| digitalio→get_friendlyName() | |||||||||||
Retourne un identifiant global du port d'E/S digital au format NOM_MODULE.NOM_FONCTION. | |||||||||||
| |||||||||||
| digitalio→get_functionDescriptor() | |||||||||||
Retourne un identifiant unique de type YFUN_DESCR correspondant à la fonction. | |||||||||||
| |||||||||||
| digitalio→get_functionId() | |||||||||||
Retourne l'identifiant matériel du port d'E/S digital, sans référence au module. | |||||||||||
| |||||||||||
| digitalio→get_hardwareId() | |||||||||||
Retourne l'identifiant matériel unique du port d'E/S digital au format SERIAL.FUNCTIONID. | |||||||||||
| |||||||||||
| digitalio→get_logicalName() | |||||||||||
Retourne le nom logique du port d'E/S digital. | |||||||||||
| |||||||||||
| digitalio→get_module() | |||||||||||
Retourne l'objet YModule correspondant au module Yoctopuce qui héberge la fonction. | |||||||||||
| |||||||||||
| digitalio→get_module_async(callback, context) | |||||||||||
Retourne l'objet YModule correspondant au module Yoctopuce qui héberge la fonction. | |||||||||||
|
| |||||||||||
| digitalio→get_outputVoltage() | |||||||||||
Retourne la source de tension utilisée pour piloter les bits en sortie. | |||||||||||
| |||||||||||
| digitalio→get_portDiags() | |||||||||||
Retourne le diagnostique de l'état du port. | |||||||||||
| |||||||||||
| digitalio→get_portDirection() | |||||||||||
Retourne la direction des canaux du port (bitmap): 0 représente un bit en entrée, 1 représente un bit en sortie. | |||||||||||
| |||||||||||
| digitalio→get_portOpenDrain() | |||||||||||
Retourne le type d'interface électrique de chaque bit du port (bitmap). | |||||||||||
| |||||||||||
| digitalio→get_portPolarity() | |||||||||||
Retourne la polarité des bits du port (bitmap). | |||||||||||
| |||||||||||
| digitalio→get_portSize() | |||||||||||
Retourne le nombre de bits (i.e. | |||||||||||
| |||||||||||
| digitalio→get_portState() | |||||||||||
Retourne l'état du port d'E/S digital sous la forme d'un entier dont chaque bit représente un canal, avec le canal zéro correspondant au bit 0. | |||||||||||
| |||||||||||
| digitalio→get_serialNumber() | |||||||||||
Retourne le numéro de série du module, préprogrammé en usine. | |||||||||||
| |||||||||||
| digitalio→get_userData() | |||||||||||
Retourne le contenu de l'attribut userData, précédemment stocké à l'aide de la méthode set_userData. | |||||||||||
| |||||||||||
| digitalio→isOnline() | |||||||||||
Vérifie si le module hébergeant le port d'E/S digital est joignable, sans déclencher d'erreur. | |||||||||||
| |||||||||||
| digitalio→isOnline_async(callback, context) | |||||||||||
Vérifie si le module hébergeant le port d'E/S digital est joignable, sans déclencher d'erreur. | |||||||||||
|
| |||||||||||
| digitalio→isReadOnly() | |||||||||||
Indique si la fonction est en lecture seule. | |||||||||||
| |||||||||||
| digitalio→load(msValidity) | |||||||||||
Met en cache les valeurs courantes du port d'E/S digital, avec une durée de validité spécifiée. | |||||||||||
| |||||||||||
| digitalio→loadAttribute(attrName) | |||||||||||
Retourne la valeur actuelle d'un attribut spécifique de la fonction, sous forme de texte, le plus rapidement possible mais sans passer par le cache. | |||||||||||
| |||||||||||
| digitalio→load_async(msValidity, callback, context) | |||||||||||
Met en cache les valeurs courantes du port d'E/S digital, avec une durée de validité spécifiée. | |||||||||||
|
| |||||||||||
| digitalio→muteValueCallbacks() | |||||||||||
Désactive l'envoi de chaque changement de la valeur publiée au hub parent. | |||||||||||
| |||||||||||
| digitalio→nextDigitalIO() | |||||||||||
Continue l'énumération des ports d'E/S digitaux commencée à l'aide de yFirstDigitalIO() Attention, vous ne pouvez faire aucune supposition sur l'ordre dans lequel les ports d'E/S digitaux sont retournés. | |||||||||||
| |||||||||||
| digitalio→pulse(bitno, ms_duration) | |||||||||||
Déclenche une impulsion de durée spécifiée sur un bit choisi. | |||||||||||
| |||||||||||
| digitalio→registerValueCallback(callback) | |||||||||||
Enregistre la fonction de callback qui est appelée à chaque changement de la valeur publiée. | |||||||||||
| |||||||||||
| digitalio→set_bitDirection(bitno, bitdirection) | |||||||||||
Change la direction d'un seul bit (i.e. | |||||||||||
| |||||||||||
| digitalio→set_bitOpenDrain(bitno, opendrain) | |||||||||||
Change le type d'interface électrique d'un seul bit du port d'E/S. | |||||||||||
| |||||||||||
| digitalio→set_bitPolarity(bitno, bitpolarity) | |||||||||||
Change la polarité d'un seul bit du port d'E/S. | |||||||||||
| |||||||||||
| digitalio→set_bitState(bitno, bitstate) | |||||||||||
Change l'état d'un seul bit (i.e. | |||||||||||
| |||||||||||
| digitalio→set_logicalName(newval) | |||||||||||
Modifie le nom logique du port d'E/S digital. | |||||||||||
| |||||||||||
| digitalio→set_outputVoltage(newval) | |||||||||||
Modifie la source de tension utilisée pour piloter les bits en sortie. | |||||||||||
| |||||||||||
| digitalio→set_portDirection(newval) | |||||||||||
Modifie la direction des canaux du port (bitmap): 0 représente un bit en entrée, 1 représente un bit en sortie. | |||||||||||
| |||||||||||
| digitalio→set_portOpenDrain(newval) | |||||||||||
Modifie le type d'interface électrique de chaque bit du port (bitmap). | |||||||||||
| |||||||||||
| digitalio→set_portPolarity(newval) | |||||||||||
Modifie la polaritée des bits du port (bitmap): Pour chaque bit à 0 l'entrée sortie correspondante fonctionne manière normale, pour chaque bit à 1 elle fonctionne ne manière inversée. | |||||||||||
| |||||||||||
| digitalio→set_portState(newval) | |||||||||||
Modifie l'état de tous les canaux du port d'E/S digital en une seule fois: le paramètre est un entier dont chaque bit représente un canal, avec le canal zéro correspondant au bit 0. | |||||||||||
| |||||||||||
| digitalio→set_userData(data) | |||||||||||
Enregistre un contexte libre dans l'attribut userData de la fonction, afin de le retrouver plus tard à l'aide de la méthode get_userData. | |||||||||||
| |||||||||||
| digitalio→toggle_bitState(bitno) | |||||||||||
Inverse l'état d'un seul bit (i.e. | |||||||||||
| |||||||||||
| digitalio→unmuteValueCallbacks() | |||||||||||
Réactive l'envoi de chaque changement de la valeur publiée au hub parent. | |||||||||||
| |||||||||||
| digitalio→wait_async(callback, context) | |||||||||||
Attend que toutes les commandes asynchrones en cours d'exécution sur le module soient terminées, et appelle le callback passé en paramètre. | |||||||||||
|
Si c'est la première fois que vous utilisez un module Yoctopuce et ne savez pas trop par où commencer, allez donc jeter un coup d'œil sur le blog de Yoctopuce. Il y a une section dédiée aux débutants 59.
Pour fonctionner correctement sous Linux, la librairie a besoin d'avoir accès en écriture à tous les périphériques USB Yoctopuce. Or, par défaut, sous Linux les droits d'accès des utilisateurs non-root à USB sont limités à la lecture. Afin d'éviter de devoir lancer les exécutables en tant que root, il faut créer une nouvelle règle udev pour autoriser un ou plusieurs utilisateurs à accéder en écriture aux périphériques Yoctopuce.
Pour ajouter une règle udev à votre installation, il faut ajouter un fichier avec un nom au format "##-nomArbitraire.rules" dans le répertoire "/etc/udev/rules.d". Lors du démarrage du système, udev va lire tous les fichiers avec l'extension ".rules" de ce répertoire en respectant l'ordre alphabétique (par exemple, le fichier "51-custom.rules" sera interprété APRES le fichier "50-udev-default.rules").
Le fichier "50-udev-default" contient les règles udev par défaut du système. Pour modifier le comportement par défaut du système, il faut donc créer un fichier qui commence par un nombre plus grand que 50, qui définira un comportement plus spécifique que le défaut du système. Notez que pour ajouter une règle vous aurez besoin d'avoir un accès root sur le système.
Dans le répertoire udev_conf de l'archive de VirtualHub60 pour Linux, vous trouverez deux exemples de règles qui vous éviteront de devoir partir de rien.
Cette règle va autoriser tous les utilisateurs à accéder en lecture et en écriture aux périphériques Yoctopuce USB. Les droits d'accès pour tous les autres périphériques ne seront pas modifiés. Si ce scénario vous convient, il suffit de copier le fichier "51-yoctopuce_all.rules" dans le répertoire "/etc/udev/rules.d" et de redémarrer votre système.
# udev rules to allow write access to all users # for Yoctopuce USB devices SUBSYSTEM=="usb", ATTR{idVendor}=="24e0", MODE="0666"
Cette règle va autoriser le groupe "yoctogroup" à accéder en lecture et écriture aux périphériques Yoctopuce USB. Les droits d'accès pour tous les autres périphériques ne seront pas modifiés. Si ce scénario vous convient, il suffit de copier le fichier "51-yoctopuce_group.rules" dans le répertoire "/etc/udev/rules.d" et de redémarrer votre système.
# udev rules to allow write access to all users of "yoctogroup" # for Yoctopuce USB devices SUBSYSTEM=="usb", ATTR{idVendor}=="24e0", MODE="0664", GROUP="yoctogroup"
Sur ARM il existe deux grandes familles d'executables: HF (Hard Float) et EL (EABI Little Endian). Ces deux familles ne sont absolument pas compatibles entre elles. La capacité d'une machine ARM à faire tourner des exécutables de l'une ou l'autre de ces familles dépend du hardware et du système d'exploitation. Les problèmes de compatibilité entre ArmHL et ArmEL sont assez difficiles à diagnostiquer, souvent même l'OS se révèle incapable de distinguer un exécutable HF d'un exécutable EL.
Tous les binaires Yoctopuce pour ARM sont fournis pré-compilée pour ArmHF et ArmEL, si vous ne savez à quelle famille votre machine ARM apartient, essayez simplement de lancer un exécutable de chaque famille.
La plupart des exemples de programmation de l'API Yoctopuce sont des programmes en ligne de commande et ont besoin de quelques paramètres pour fonctionner. Vous devez les lancer depuis l'invite de commande de votre système d'exploitation ou configurer votre IDE pour qu'il passe les paramètres corrects au programme 61.
Si votre Yocto-IO-V2-C est branché par USB et que sa LED bleue s'allume, mais que le module n'est pas vu par le système d'exploitation, vérifiez que vous utilisez bien un vrai câble USB avec les fils pour les données, et non pas un câble de charge. Les câbles de charge n'ont que les fils d'alimentation.
Si lors de l'initialisation de l'API Yoctopuce, vous obtenez le message d'erreur "Another process named xxx is already using yAPI", cela signifie qu'une autre application est déjà en train d'utiliser les modules Yoctopuce USB. Sur une même machine, un seul processus à la fois peut accéder aux modules Yoctopuce par USB. Cette limitation peut facilement être contournée en utilisant un VirtualHub et le mode réseau 62.
Si votre Yocto-IO-V2-C se comporte de manière erratique et/ou se déconnecte du bus USB sans raison apparente, vérifiez qu'il est alimenté correctement. Evitez les câbles d'une longueur supérieure à 2 mètres. Au besoin, intercalez un hub USB alimenté 63 64.
Si une mise à jour du firmware de votre Yocto-IO-V2-C échoue, il est possible que le module ne soit plus en état de fonctionner. Si c'est le cas, branchez votre module en maintenant sont Yocto-Bouton pressé. La Yocto-LED devrait s'allumer en haute intensité et rester fixe. Relâchez le bouton. Votre Yocto-IO-V2-C devrait alors apparaître dans le bas de l'interface du virtualHub comme un module attendant une mise à jour de firmware. Cette mise à jour aura aussi pour effet de réinitialiser le module à sa configuration d'usine.
Si lorsque vous faire un YAPI.RegisterHub de VirtualHub et que la connexion avec un autre VirtualHub précédement enregistré tombe, vérifiez que les machines qui hébergent ces VirtualHubs ont bien un hostname différent. Ce cas de figure est très courant avec les machines dont le système d'exploitation est installé avec une image monolithique, comme les Raspberry Pi par exemple. L'API Yoctopuce utilise les numéros de série Yoctopuce pour communiquer et le numéro de série d'un VirtualHub est créé à la volée à partir du hostname de la machine qui l'héberge.
Si vous avez l'impression que des commandes envoyées à un module Yoctopuce sont ignorées, typiquement lorsque vous avez écrit un programme qui sert à configurer ce modules Yoctopuce et qui envoie donc beaucoup de commandes, vérifiez que vous avez bien mis un YAPI.FreeAPI() à la fin du programme. Les commandes sont envoyées aux modules de manière asynchrone grâce à un processus qui tourne en arrière plan. Lorsque le programme se termine, ce processus est tué, même s'il n'a pas eu le temps de tout envoyer. En revanche API.FreeAPI() attend que la file d'attente des commandes à envoyer soit vide avant de libérer les ressources utilisées par l'API et rendre la main.
Yoctopuce s'efforce de réduire la production de déchets électroniques. Si vous avez l'impression que votre Yocto-IO-V2-C ne fonctionne plus, commencez par contacter le support Yoctopuce par e-mail pour poser un diagnostic. Même si c'est suite à une mauvaise manipulation que le module a été endommagé, il se peut que Yoctopuce puisse le réparer, et ainsi éviter de créer un déchet électronique.
Déchets d'équipements électriques et électroniques (DEEE)
Si voulez vraiment vous débarasser de votre Yocto-IO-V2-C, ne le jetez pas à la
poubelle, mais ramenez-le à l'un des points de collecte proposé dans
votre région afin qu'il soit envoyé à un centre de recyclage ou de traitement
spécialisé.
Vous trouverez résumées ci-dessous les principales caractéristiques techniques de votre module Yocto-IO-V2-C
| Identifiant produit | YMNIIO2C |
| Révision matérielle† | |
| Connecteur USB | USB-C |
| Largeur | 20 mm |
| Longueur | 60 mm |
| Poids | 9 g |
| Canaux | 4 |
| Chipset | DRV8908-Q1 |
| Fréquence de rafraîchissement | 250 Hz |
| Impédance de sortie | <>1.5 Ω |
| Tension de travail max. | 28 V |
| Classe de protection selon IEC 61140 | classe III |
| Isolation USB, tension retenue | 1 kV |
| Temp. de fonctionnement normale | 5...40 °C |
| Temp. de fonctionnement étendue‡ | -30...85 °C |
| Conformité RoHS | RoHS III (2011/65/UE+2015/863) |
| USB Vendor ID | 0x24E0 |
| USB Device ID | 0x00CF |
| Boîter recommandé | YoctoBox-Long-Thick-Black |
| Code tarifaire harmonisé | 9032.9000 |
| Fabriqué en | Suisse |
† Ces spécifications correspondent à la révision matérielle actuelle du produit. Les spécifications des versions antérieures peuvent être inférieures.
‡ La plage de température étendue est définie d'après les spécifications des composants et testée sur une durée limitée (1h). En cas d'utilisation prolongée hors de la plage de température standard, il est recommandé procéder à des tests extensifs avant la mise en production.